Поиск подшипника
Статьи
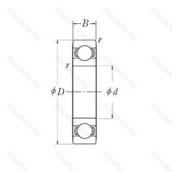
6906L11-H-20DDU — Шариковый радиальный однорядный подшипник, модификация основного исполнения 6906, производство NSK.
Размер подшипника: 30x47x9 мм.
Molded oil™ general use, pressed snap-type steel cage. hardened.
Международная стандартизации ISO
6906L11H20DDU
В наличии
| Обозначение | Конструктивные изменения |
|---|---|
| 6906ZZ P5 | Защитные металлические шайбы с обеих сторон. Размерная и рабочая точность соответствует классу допуска ISO 5. |
| 6906VVCM | Шариковый подшипник. Специальный радиальный внутренний зазор для электродвигателей. Защитные металлические шайбы. с обеих сторон подшипника. Бесконтактное уплотнение. (лучше. чем ZZ. Можно использовать в умеренно запыленной среде). |
| NA 6906/W64 | Антифрикционный заполнитель. твердая смазка. Игольчатый роликовый подшипник с размерами по ISO 15. |
| NA 6906U | Универсальный одиночный подшипник. |
| RNA 6906U | Универсальный одиночный подшипник. |
| 6906Z | Стальная шайба. |
| 6906-RZ | Один стальное уплотнение и одно резиновое. |
| 6906-2RZ | Шарикоподшипник. С уплотнением и низким коэффициентом трения с обеих сторон. Уплотнение состоит из шайбы из листовой стали с вулканизированной резиной. |
| 6906N | Канавка для стопорного кольца на наружном кольце. |
| 6906-2RD | Облегченное контактное уплотнение с двух сторон.. |
| 6906-2RU | Non Contact Type Friction Torque = Small High Speed Performance = Good Grease Sealing = Better Than ZZ-Type Dirt Resistance = Better Than ZZ-Type Water Resistance = Better Than ZZ / Inferior To 2RS Operating Temp. -30°C To + 100°C. |
| 6906-2NKE | Double Labyrinth Seal (Non Contact). |
| 6906ZE | щит из листовой прессованной стали с одной стороны подшипника. |
| 6906NSE | Резиновое уплотнение с одной стороны. |
| 6906-2NSE | Резиновые уплотнения с каждой стороны подшипника. |
| 6906DDU | Резиновые уплотнения с каждой стороны подшипника. |
| 6906L11-H-20 | Pressed Snap-Type Steel Cage. Hardened. Distance Between Beginning Of The Rail And First Hole In MM. Molded Oil™ General Use. |
| 6906L11 | Molded Oil™ General Use. |
| 6906L11-H-20ZZ | Pressed Snap-Type Steel Cage. Hardened. Molded Oil™ General Use. |
| 6906LU | Двухкромочное нитриловое контактное уплотнение. |
| 6906/28 | 1.3/4. |
| 6906LB | Бесконтактное нитриловое уплотнение. |
| 6906ZZNR | Стальная шайба. Канавка и стопорное кольцо на наружном кольце. |
| 6906LLH | Манжетное уплотнение с обеих сторон подшипника. |
| 6906ZZN | Стальная шайба. Канавка для стопорного кольца на наружном кольце. |
Модификации шарикового подшипника 6906L11-H-20DDU — это измененное основное конструктивное исполнение 6906, основные размеры (30x47x9) не отличаются.
| Обозначение | Гост | Конструктивные особенности |
|---|---|---|
| SF61906-2RS | ISO | Резиновые уплотнения с каждой стороны подшипника. |
| SF61906-2Z | ISO | Защитные металлические шайбы с обеих сторон подшипника. |
| 3NCHAC906C | ISO | Угол контакта 20 градусов. |
| 3NCHAC906CA | ISO | Угол контакта 20 градусов. Латунный сепаратор с симметричными роликами. |
| 1000906-А | ГОСТ | Повышенная грузоподъемность. |
| 1000906-АЕ | ГОСТ | Сепаратор из текстолита.. Повышенная грузоподъемность. |
| 1000906-Ю | ГОСТ | Все детали или часть деталей из нержавеющей стали.. |
| 1000906.2RS | ГОСТ | Резиновые уплотнения с каждой стороны подшипника. |
| 2-1000906 У1 | ГОСТ | Дополнительные технические требования. |
| 25-1000906 Б | ГОСТ | Сепаратор из безоловянистой бронзы.. |
| 5-1000906 Б | ГОСТ | Сепаратор из безоловянистой бронзы.. |
| 5-1000906 БП | ГОСТ | Сепаратор из безоловянистой бронзы.. |
| 5-1000906 БТ2 | ГОСТ | 200°. Температура отпуска. Сепаратор из безоловянистой бронзы.. |
| 5-1000906 Р | ГОСТ | Детали из теплоустойчивой (быстрорежущие) стали.. |
| 5-1000906 Р1 | ГОСТ | Детали из теплоустойчивой (быстрорежущие) стали.. |
| 5-1000906 Ю | ГОСТ | Все детали или часть деталей из нержавеющей стали.. |
| 6-1000906-Ю | ГОСТ | Все детали или часть деталей из нержавеющей стали.. |
| 6-1000906-Ю1 | ГОСТ | Все детали или часть деталей из нержавеющей стали.. |
| 6-1000906-Ю2 | ГОСТ | Все детали или часть деталей из нержавеющей стали.. |
| 6-1000906-Ю2Т | ГОСТ | Температура отпуска. 160°. Все детали или часть деталей из нержавеющей стали.. |
Аналог шарикового подшипника 6906L11-H-20DDU — это подшипник такого же размера dx30,Dx47,Bx9, типа и конструкции.
| Обозначение | Конструктивные особенности | Внутренний (d) | Наружный (D) | Ширина (B) |
|---|---|---|---|---|
| 7906 A5 | Шариковый радиально-упорный однорядный подшипник. 25° Угол контакта. | 30.00 | 47.00 | 9.00 |
| 5S-2LA-HSE906CG/GNP42 | Шариковый радиально-упорный однорядный подшипник. Угол контакта 15°. Универсальный подшипник. Класс точности JIS4 для размеров и JIS 2 для точности вращения. Гибридный подшипник. | 30.00 | 47.00 | 9.00 |
| 1036906-КЕ | Шариковый радиально-упорный однорядный подшипник. «Замок» (скос) на внутреннем кольце плюс массивный сепаратор из текстолита. Сепаратор из текстолита.. | 30.00 | 47.00 | 9.00 |
| 1036906К | Шариковый радиально-упорный однорядный подшипник. «Замок» (скос) на внутреннем кольце плюс массивный сепаратор из текстолита. | 30.00 | 47.00 | 9.00 |
| 1046906К | Шариковый радиально-упорный однорядный подшипник. «Замок» (скос) на внутреннем кольце плюс массивный сепаратор из текстолита. | 30.00 | 47.00 | 9.00 |
| 2-1036906 К | Шариковый радиально-упорный однорядный подшипник. «Замок» (скос) на внутреннем кольце плюс массивный сепаратор из текстолита. | 30.00 | 47.00 | 9.00 |
| C71906 DB/P7 | Шариковый радиальный подшипник. Тороидальный подшипник CARB. Two Single Row Deep Groove Ball Bearings. Single Row Angular Contact Ball Bearings Or Single Row Tapered Roller Bearings Matched For Mounting In A Back-To-Back Arrangement. Точность размеров соответствует классу ISO 4. Точность хода лучше. чем ISO Class 4. | 30.00 | 47.00 | 9.00 |
| C71906 FB/P7 | Шариковый радиальный подшипник. Тороидальный подшипник CARB. Точность размеров соответствует классу ISO 4. Точность хода лучше. чем ISO Class 4. 18° Угол контакта. High Speed Design. | 30.00 | 47.00 | 9.00 |
| S71906 DB/P7 | Шариковый радиальный подшипник. Two Single Row Deep Groove Ball Bearings. Single Row Angular Contact Ball Bearings Or Single Row Tapered Roller Bearings Matched For Mounting In A Back-To-Back Arrangement. Точность размеров соответствует классу ISO 4. Точность хода лучше. чем ISO Class 4. | 30.00 | 47.00 | 9.00 |
| S71906 FB/P7 | Шариковый радиальный подшипник. Точность размеров соответствует классу ISO 4. Точность хода лучше. чем ISO Class 4. 18° Угол контакта. High Speed Design. | 30.00 | 47.00 | 9.00 |
| SC71906 DB/P7 | Шариковый радиальный подшипник. Two Single Row Deep Groove Ball Bearings. Single Row Angular Contact Ball Bearings Or Single Row Tapered Roller Bearings Matched For Mounting In A Back-To-Back Arrangement. Точность размеров соответствует классу ISO 4. Точность хода лучше. чем ISO Class 4. | 30.00 | 47.00 | 9.00 |
| SC71906 FB/P7 | Шариковый радиальный подшипник. Точность размеров соответствует классу ISO 4. Точность хода лучше. чем ISO Class 4. 18° Угол контакта. High Speed Design. | 30.00 | 47.00 | 9.00 |
| W 61906-2RZ | Шариковый радиальный подшипник. Шарикоподшипник. С уплотнением и низким коэффициентом трения с обеих сторон. Уплотнение состоит из шайбы из листовой стали с вулканизированной резиной. Нержавеющая сталь. | 30.00 | 47.00 | 9.00 |
| W 61906-2Z | Шариковый радиальный подшипник. Защитные металлические шайбы с обеих сторон подшипника. Нержавеющая сталь. | 30.00 | 47.00 | 9.00 |
| W 61906 | Шариковый радиальный подшипник. Нержавеющая сталь. | 30.00 | 47.00 | 9.00 |
Способы доставки
Отправка через ведущие транспортные и курьерские компании: ПЭК, Деловые Линии, СДЭК, Байкал-Сервис, Энергия, КИТ, ЖелДорЭкспедиция.
Самовывоз возможен напрямую со склада в Москве.
Сроки доставки
Срок зависит от региона и выбранной транспортной компании. Все заказы комплектуются и отправляются в кратчайшие сроки со склада в Москве.
Надёжность и сохранность
Вся продукция упаковывается с учётом требований транспортировки. Мы гарантируем, что подшипники и комплектующие прибудут к заказчику в полной сохранности.
Доставка в страны ЕАЭС
Мы работаем с проверенными логистическими партнёрами, что позволяет оперативно доставлять заказы в Беларусь, Казахстан, Армению и другие страны ЕАЭС.
Варианты оплаты:
Минимальная сумма заказа и скидки:
Документы и гарантии:
Да, конечно! Наши технические специалисты готовы помочь вам с подбором точного аналога или замены подшипника. Просто позвоните нам по телефону +7 (495) 104-99-04 или напишите на почту zakaz@podsnab.ru.
Для оперативной консультации подготовьте, пожалуйста, имеющиеся данные: маркировку, размеры, тип оборудования или артикул старого подшипника.
Да, конечно! Мы высоко ценим долгосрочное сотрудничество и доверие клиентов по всей России. Для постоянных клиентов действует персональная система скидок.
Условия формируются индивидуально и зависят от:
Чтобы узнать свои условия и получить максимально выгодное предложение, свяжитесь с персональным менеджером или напишите нам на почту zakaz@podsnab.ru.
Вы можете оформить заказ несколькими способами:
Для оформления заказа от юридического лица свяжитесь с нашим отделом по работе с корпоративными клиентами по телефону +7 (495) 104-99-04 или напишите на email zakaz@podsnab.ru, прикрепив реквизиты вашей организации.
Мы оперативно подготовим коммерческое предложение и выставим счет.
Возврат товара надлежащего качества возможен в течение 10 дней с момента получения, если товар не был в употреблении, сохранен товарный вид, упаковка не вскрывалась и присутствуют все сопроводительные документы.
Возврат денежных средств осуществляется в течение 10 рабочих дней после проверки товара складом.
В соответствии с законодательством возврату не подлежат подшипники надлежащего качества, если отсутствует оригинальная упаковка или имеются следы монтажа.
В случае выявления брака или гарантийного случая мы гарантируем возврат или обмен товара.
Да, гарантийный срок хранения устанавливается заводом-изготовителем и в среднем составляет 2 года при соблюдении условий хранения: сухое помещение, оригинальная упаковка и смазка.
Точный срок для конкретного типа подшипника уточняйте у наших менеджеров.
Пн–Пт: с 8:00 до 17:00 (МСК).
Сб–Вс: выходные дни.
Заказы на сайте принимаются круглосуточно. Заявки, поступившие после окончания рабочего дня, обрабатываются на следующий рабочий день.
Минимальная сумма заказа для доставки составляет 3000 рублей. Самовывоз со склада возможен на любую сумму при наличии товара.
ООО «УралТехГрупп»
ИНН: 7415093830
КПП: 772401001
ОГРН: 1167456069021
Банк: ПАО Сбербанк
Р/с: 40702810838000475273
К/с: 30101810400000000225
БИК: 044525225
У подшипника 6906L11-H-20DDU пока нет отзывов. Вы можете стать первым покупателем, поделившимся своим мнением.