Поиск подшипника
Статьи
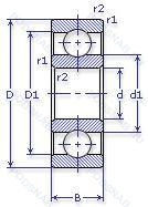
6-211 А — Шариковый радиальный однорядный подшипник, модификация основного исполнения 211, производство ГПЗ.
Размер подшипника: 55x100x21 мм.
Повышенная грузоподъемность.
Аналоги: 6211P6.
Государственный стандарт ГОСТ
6211А
В наличии
| Обозначение | Конструктивные изменения |
|---|---|
| 76-211 Ш | Нормы шумности. |
| 6-211 A | Двухрядный радиально-упорный шарикоподшипник без отверстия для смазки. |
| 6-211 Р | Детали из теплоустойчивой (быстрорежущие) стали.. |
| 6-211 Ю | Все детали или часть деталей из нержавеющей стали.. |
| 66-211 А | Повышенная грузоподъемность. |
| 70-211 А | Повышенная грузоподъемность. |
| 75-211 Б1Т3 | 250°. Температура отпуска. Сепаратор из безоловянистой бронзы.. |
| 75-211 ЮТ | Температура отпуска. 160°. Все детали или часть деталей из нержавеющей стали.. |
| 76-211 Б1Т | Температура отпуска. 160°. Сепаратор из безоловянистой бронзы.. |
| 76-211 Д1 | Сепаратор из алюминиевого сплава.. |
| 76-211 Р | Детали из теплоустойчивой (быстрорежущие) стали.. |
| 76-211 Ю3Т | Температура отпуска. 160°. Все детали или часть деталей из нержавеющей стали.. |
| 76-211 ЮТ | Температура отпуска. 160°. Все детали или часть деталей из нержавеющей стали.. |
| 20-211 Б | Сепаратор из безоловянистой бронзы.. |
| 211-А | Повышенная грузоподъемность. |
| 211-АК | Повышенная грузоподъемность. |
| 211-Ю | Все детали или часть деталей из нержавеющей стали.. |
| 211-Д1 | Сепаратор из алюминиевого сплава.. |
| 25-211 Б1Т | Температура отпуска. 160°. Сепаратор из безоловянистой бронзы.. |
| 25-211 Д1 | Сепаратор из алюминиевого сплава.. |
| 26-211 Б1Т | Температура отпуска. 160°. Сепаратор из безоловянистой бронзы.. |
| 26-211 Д1 | Сепаратор из алюминиевого сплава.. |
| 26-211 Р | Детали из теплоустойчивой (быстрорежущие) стали.. |
| 36-211 Ю1 | Все детали или часть деталей из нержавеющей стали.. |
| 5-211 Р | Детали из теплоустойчивой (быстрорежущие) стали.. |
Модификации шарикового подшипника 6-211 А — это измененное основное конструктивное исполнение 211, основные размеры (55x100x21) не отличаются.
| Обозначение | Гост | Конструктивные особенности |
|---|---|---|
| 6211-P6 | ISO | точность размеров и хода в соответствии с классом допуска ISO 6. |
| 6-80211 С17 | ГОСТ | Смазка Литол-24. |
| 60211-А | ГОСТ | Повышенная грузоподъемность. |
| 6211LLB | ISO | Уплотнение бесконтактного типа из синтетического каучука. |
| 6211LU | ISO | Двухкромочное нитриловое контактное уплотнение. |
| 6211LB | ISO | Бесконтактное нитриловое уплотнение. |
| 6211LLUNR | ISO | Канавка и стопорное кольцо на наружном кольце. Двухкромочное нитриловое контактное уплотнение. |
| 6211LLBNR | ISO | Канавка и стопорное кольцо на наружном кольце. Бесконтактное нитриловое уплотнение. |
| 6211NRZ | ISO | Защитная пластина с одной стороны. Канавка и стопорное кольцо на наружном кольце. |
| 6211E | ISO | Контактное уплотнение с одной стороны. |
| 6211KEE | ISO | Коническое отверстие. Контактные уплотнения с двух сторон. |
| 6211NRZZ | ISO | Защитные пластины с двух сторон. Канавка и стопорное кольцо на наружном кольце. |
| AB12270 | ISO | Однорядный радиально-упорный шариковый подшипник с полиамидным сепаратором. |
| AB43502S01 | ISO | Сферический наружный диаметр. |
| 150211-А | ГОСТ | Повышенная грузоподъемность. |
| 180211-А | ГОСТ | Повышенная грузоподъемность. |
| 180211-А1С17 | ГОСТ | Смазка Литол-24. Повышенная грузоподъемность. |
| 180211-С17 | ГОСТ | Смазка Литол-24. |
| 50211-А | ГОСТ | Повышенная грузоподъемность. |
| 50211-АК | ГОСТ | Повышенная грузоподъемность. |
| 580211А | ГОСТ | Повышенная грузоподъемность. |
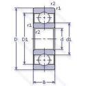
Аналог шарикового подшипника 6-211 А — это подшипник такого же размера dx55,Dx100,Bx21, типа и конструкции.
| Обозначение | Конструктивные особенности | Внутренний (d) | Наружный (D) | Ширина (B) |
|---|---|---|---|---|
| 46211К | Шариковый радиально-упорный однорядный подшипник. «Замок» (скос) на внутреннем кольце плюс массивный сепаратор из текстолита. | 55.00 | 100.00 | 21.00 |
| 4СА-126211 Р1 | Шариковый радиально-упорный однорядный подшипник. Детали из теплоустойчивой (быстрорежущие) стали.. | 55.00 | 100.00 | 21.00 |
| 5-32211 Д2 | Роликовый радиальный подшипник. Сепаратор из алюминиевого сплава.. | 55.00 | 100.00 | 21.00 |
| 5-36211 Е | Шариковый радиально-упорный однорядный подшипник. Сепаратор из текстолита.. | 55.00 | 100.00 | 21.00 |
| 5-36211 Е1 | Шариковый радиально-упорный однорядный подшипник. Сепаратор из текстолита.. | 55.00 | 100.00 | 21.00 |
| 5-36211 Е5 | Шариковый радиально-упорный однорядный подшипник. Сепаратор из текстолита.. | 55.00 | 100.00 | 21.00 |
| 5-36211 К | Шариковый радиально-упорный однорядный подшипник. «Замок» (скос) на внутреннем кольце плюс массивный сепаратор из текстолита. | 55.00 | 100.00 | 21.00 |
| 5-46211 Е | Шариковый радиально-упорный однорядный подшипник. Сепаратор из текстолита.. | 55.00 | 100.00 | 21.00 |
| 5-46211 Е2 | Шариковый радиально-упорный однорядный подшипник. Сепаратор из пластических материалов.. | 55.00 | 100.00 | 21.00 |
| 5-46211 Е5 | Шариковый радиально-упорный однорядный подшипник. Сепаратор из текстолита.. | 55.00 | 100.00 | 21.00 |
| 5-46211 К | Шариковый радиально-упорный однорядный подшипник. «Замок» (скос) на внутреннем кольце плюс массивный сепаратор из текстолита. | 55.00 | 100.00 | 21.00 |
| 530211-С5 | Шариковый радиальный подшипник. Смазка ЦИАТИМ-202. | 55.00 | 100.00 | 21.00 |
| 55-32211 Р1 | Роликовый радиальный однорядный подшипник. Детали из теплоустойчивой (быстрорежущие) стали.. | 55.00 | 100.00 | 21.00 |
| 55-32211 Р3 | Роликовый радиальный однорядный подшипник. Детали из теплоустойчивой (быстрорежущие) стали.. | 55.00 | 100.00 | 21.00 |
| 6-116211 Д | Шариковый радиально-упорный однорядный подшипник. Сепаратор из алюминиевого сплава.. | 55.00 | 100.00 | 21.00 |
Способы доставки
Отправка через ведущие транспортные и курьерские компании: ПЭК, Деловые Линии, СДЭК, Байкал-Сервис, Энергия, КИТ, ЖелДорЭкспедиция.
Самовывоз возможен напрямую со склада в Москве.
Сроки доставки
Срок зависит от региона и выбранной транспортной компании. Все заказы комплектуются и отправляются в кратчайшие сроки со склада в Москве.
Надёжность и сохранность
Вся продукция упаковывается с учётом требований транспортировки. Мы гарантируем, что подшипники и комплектующие прибудут к заказчику в полной сохранности.
Доставка в страны ЕАЭС
Мы работаем с проверенными логистическими партнёрами, что позволяет оперативно доставлять заказы в Беларусь, Казахстан, Армению и другие страны ЕАЭС.
Варианты оплаты:
Минимальная сумма заказа и скидки:
Документы и гарантии:
Да, конечно! Наши технические специалисты готовы помочь вам с подбором точного аналога или замены подшипника. Просто позвоните нам по телефону +7 (495) 104-99-04 или напишите на почту zakaz@podsnab.ru.
Для оперативной консультации подготовьте, пожалуйста, имеющиеся данные: маркировку, размеры, тип оборудования или артикул старого подшипника.
Да, конечно! Мы высоко ценим долгосрочное сотрудничество и доверие клиентов по всей России. Для постоянных клиентов действует персональная система скидок.
Условия формируются индивидуально и зависят от:
Чтобы узнать свои условия и получить максимально выгодное предложение, свяжитесь с персональным менеджером или напишите нам на почту zakaz@podsnab.ru.
Вы можете оформить заказ несколькими способами:
Для оформления заказа от юридического лица свяжитесь с нашим отделом по работе с корпоративными клиентами по телефону +7 (495) 104-99-04 или напишите на email zakaz@podsnab.ru, прикрепив реквизиты вашей организации.
Мы оперативно подготовим коммерческое предложение и выставим счет.
Возврат товара надлежащего качества возможен в течение 10 дней с момента получения, если товар не был в употреблении, сохранен товарный вид, упаковка не вскрывалась и присутствуют все сопроводительные документы.
Возврат денежных средств осуществляется в течение 10 рабочих дней после проверки товара складом.
В соответствии с законодательством возврату не подлежат подшипники надлежащего качества, если отсутствует оригинальная упаковка или имеются следы монтажа.
В случае выявления брака или гарантийного случая мы гарантируем возврат или обмен товара.
Да, гарантийный срок хранения устанавливается заводом-изготовителем и в среднем составляет 2 года при соблюдении условий хранения: сухое помещение, оригинальная упаковка и смазка.
Точный срок для конкретного типа подшипника уточняйте у наших менеджеров.
Пн–Пт: с 8:00 до 17:00 (МСК).
Сб–Вс: выходные дни.
Заказы на сайте принимаются круглосуточно. Заявки, поступившие после окончания рабочего дня, обрабатываются на следующий рабочий день.
Минимальная сумма заказа для доставки составляет 3000 рублей. Самовывоз со склада возможен на любую сумму при наличии товара.
ООО «УралТехГрупп»
ИНН: 7415093830
КПП: 772401001
ОГРН: 1167456069021
Банк: ПАО Сбербанк
Р/с: 40702810838000475273
К/с: 30101810400000000225
БИК: 044525225
У подшипника 6-211 А пока нет отзывов. Вы можете стать первым покупателем, поделившимся своим мнением.