Поиск подшипника
Статьи
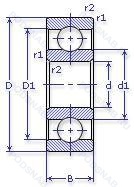
6-213 Л — Шариковый радиальный однорядный подшипник, модификация основного исполнения 213, производство ГПЗ.
Размер подшипника: 65x120x23 мм.
Сепаратор из латуни.
Государственный стандарт ГОСТ
6213Л
В наличии
| Обозначение | Конструктивные изменения |
|---|---|
| 6-213 А | Повышенная грузоподъемность. |
| 6-213 АW2 | Детали из вакуумированной стали.. Повышенная грузоподъемность. |
| 6-213 АК | Повышенная грузоподъемность. |
| 6-213 ЕШ | Сепаратор из текстолита.. Нормы шумности. |
| 6-213 Ш2 | Нормы шумности. |
| 6-213 Ш2У | Дополнительные технические требования. Нормы шумности. |
| 66-213 А | Повышенная грузоподъемность. |
| 70-213 А | Повышенная грузоподъемность. |
| 75-213 Е | Сепаратор из текстолита.. |
| 76-213 А | Повышенная грузоподъемность. |
| 76-213 АW2 | Детали из вакуумированной стали.. Повышенная грузоподъемность. |
| 77-213 А | Повышенная грузоподъемность. |
| 0А-213 | Повышенная грузоподъемность. |
| 213-А | Повышенная грузоподъемность. |
| 213-АК | Повышенная грузоподъемность. |
| 213-Е | Сепаратор из текстолита.. |
| 25-213 ЕШ2 | Сепаратор из текстолита.. Нормы шумности. |
| 26-213 ЕШ2 | Сепаратор из текстолита.. Нормы шумности. |
| 45-213 Ю1 | Все детали или часть деталей из нержавеющей стали.. |
| 45-213 Ю1П | Все детали или часть деталей из нержавеющей стали.. |
| 45-213 Ю2 | Все детали или часть деталей из нержавеющей стали.. |
| 45-213 Ю2П | Все детали или часть деталей из нержавеющей стали.. |
| 45-213 Ю3 | Все детали или часть деталей из нержавеющей стали.. |
| 45-213 Ю3П | Все детали или часть деталей из нержавеющей стали.. |
| 5-213 Ю1 | Все детали или часть деталей из нержавеющей стали.. |
Модификации шарикового подшипника 6-213 Л — это измененное основное конструктивное исполнение 213, основные размеры (65x120x23) не отличаются.
| Обозначение | Гост | Конструктивные особенности |
|---|---|---|
| 80213-АС17Ш | ГОСТ | Смазка Литол-24. Повышенная грузоподъемность. Нормы шумности. |
| SS 6213-ZZ | ISO | Защитные металлические шайбы с обеих сторон. |
| 6213ZZNR | ISO | Стальная шайба. Канавка и стопорное кольцо на наружном кольце. |
| M6213ZZ | ISO | Защитные металлические шайбы с обеих сторон. Шарикоподшипник максимальной грузоподъемности. |
| 6213-2RU | ISO | Non Contact Type Friction Torque = Small High Speed Performance = Good Grease Sealing = Better Than ZZ-Type Dirt Resistance = Better Than ZZ-Type Water Resistance = Better Than ZZ / Inferior To 2RS Operating Temp. -30°C To + 100°C. |
| 6213-2NKE | ISO | Double Labyrinth Seal (Non Contact). |
| 6213ZE | ISO | щит из листовой прессованной стали с одной стороны подшипника. |
| 6213NSE | ISO | Резиновое уплотнение с одной стороны. |
| 6213-2Z-N | ISO | Защитные металлические шайбы с обеих сторон подшипника. Канавка под стопорное кольцо на внешнем кольце. |
| 6213LLB | ISO | Уплотнение бесконтактного типа из синтетического каучука. |
| 6213LB | ISO | Бесконтактное нитриловое уплотнение. |
| 6213LU | ISO | Двухкромочное нитриловое контактное уплотнение. |
| 6213LLUNR | ISO | Канавка и стопорное кольцо на наружном кольце. Двухкромочное нитриловое контактное уплотнение. |
| 6213LLBNR | ISO | Канавка и стопорное кольцо на наружном кольце. Бесконтактное нитриловое уплотнение. |
| CS213LLU | ISO | Контактное резиновое уплотнение с двух сторон. |
| 6213E | ISO | Контактное уплотнение с одной стороны. |
| S6213-2RS | ISO | Резиновые уплотнения с каждой стороны подшипника. |
| 150213-А | ГОСТ | Повышенная грузоподъемность. |
| 50213-А | ГОСТ | Повышенная грузоподъемность. |
| 50213-АК | ГОСТ | Повышенная грузоподъемность. |
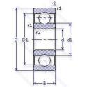
Аналог шарикового подшипника 6-213 Л — это подшипник такого же размера dx65,Dx120,Bx23, типа и конструкции.
| Обозначение | Конструктивные особенности | Внутренний (d) | Наружный (D) | Ширина (B) |
|---|---|---|---|---|
| 46213-АЕ | Шариковый радиально-упорный однорядный подшипник. Сепаратор из текстолита.. Повышенная грузоподъемность. | 65.00 | 120.00 | 23.00 |
| 46213-АЛ | Шариковый радиально-упорный однорядный подшипник. Сепаратор из латуни.. Повышенная грузоподъемность. | 65.00 | 120.00 | 23.00 |
| 46213-Е | Шариковый радиально-упорный однорядный подшипник. Сепаратор из текстолита.. | 65.00 | 120.00 | 23.00 |
| 46213-Л | Шариковый радиально-упорный однорядный подшипник. Сепаратор из латуни.. | 65.00 | 120.00 | 23.00 |
| 46213-Е5 | Шариковый радиально-упорный однорядный подшипник. Сепаратор из текстолита.. | 65.00 | 120.00 | 23.00 |
| 46213К | Шариковый радиально-упорный однорядный подшипник. «Замок» (скос) на внутреннем кольце плюс массивный сепаратор из текстолита. | 65.00 | 120.00 | 23.00 |
| 5-116213 Т | Шариковый радиально-упорный однорядный подшипник. Температура отпуска. 160°. | 65.00 | 120.00 | 23.00 |
| 5-36213 К | Шариковый радиально-упорный однорядный подшипник. «Замок» (скос) на внутреннем кольце плюс массивный сепаратор из текстолита. | 65.00 | 120.00 | 23.00 |
| 5-46213 Е | Шариковый радиально-упорный однорядный подшипник. Сепаратор из текстолита.. | 65.00 | 120.00 | 23.00 |
| 5-46213 Е2 | Шариковый радиально-упорный однорядный подшипник. Сепаратор из пластических материалов.. | 65.00 | 120.00 | 23.00 |
| 5-46213 Е5 | Шариковый радиально-упорный однорядный подшипник. Сепаратор из текстолита.. | 65.00 | 120.00 | 23.00 |
| 5-46213 Л | Шариковый радиально-упорный однорядный подшипник. Сепаратор из латуни.. | 65.00 | 120.00 | 23.00 |
| 6-116213 Т | Шариковый радиально-упорный однорядный подшипник. Температура отпуска. 160°. | 65.00 | 120.00 | 23.00 |
| 6-12213 К1М | Роликовый радиальный однорядный подшипник. Модифицированный контакт.. | 65.00 | 120.00 | 23.00 |
| 6-12213 КМ | Роликовый радиальный однорядный подшипник. Модифицированный контакт.. | 65.00 | 120.00 | 23.00 |
Способы доставки
Отправка через ведущие транспортные и курьерские компании: ПЭК, Деловые Линии, СДЭК, Байкал-Сервис, Энергия, КИТ, ЖелДорЭкспедиция.
Самовывоз возможен напрямую со склада в Москве.
Сроки доставки
Срок зависит от региона и выбранной транспортной компании. Все заказы комплектуются и отправляются в кратчайшие сроки со склада в Москве.
Надёжность и сохранность
Вся продукция упаковывается с учётом требований транспортировки. Мы гарантируем, что подшипники и комплектующие прибудут к заказчику в полной сохранности.
Доставка в страны ЕАЭС
Мы работаем с проверенными логистическими партнёрами, что позволяет оперативно доставлять заказы в Беларусь, Казахстан, Армению и другие страны ЕАЭС.
Варианты оплаты:
Минимальная сумма заказа и скидки:
Документы и гарантии:
Да, конечно! Наши технические специалисты готовы помочь вам с подбором точного аналога или замены подшипника. Просто позвоните нам по телефону +7 (495) 104-99-04 или напишите на почту zakaz@podsnab.ru.
Для оперативной консультации подготовьте, пожалуйста, имеющиеся данные: маркировку, размеры, тип оборудования или артикул старого подшипника.
Да, конечно! Мы высоко ценим долгосрочное сотрудничество и доверие клиентов по всей России. Для постоянных клиентов действует персональная система скидок.
Условия формируются индивидуально и зависят от:
Чтобы узнать свои условия и получить максимально выгодное предложение, свяжитесь с персональным менеджером или напишите нам на почту zakaz@podsnab.ru.
Вы можете оформить заказ несколькими способами:
Для оформления заказа от юридического лица свяжитесь с нашим отделом по работе с корпоративными клиентами по телефону +7 (495) 104-99-04 или напишите на email zakaz@podsnab.ru, прикрепив реквизиты вашей организации.
Мы оперативно подготовим коммерческое предложение и выставим счет.
Возврат товара надлежащего качества возможен в течение 10 дней с момента получения, если товар не был в употреблении, сохранен товарный вид, упаковка не вскрывалась и присутствуют все сопроводительные документы.
Возврат денежных средств осуществляется в течение 10 рабочих дней после проверки товара складом.
В соответствии с законодательством возврату не подлежат подшипники надлежащего качества, если отсутствует оригинальная упаковка или имеются следы монтажа.
В случае выявления брака или гарантийного случая мы гарантируем возврат или обмен товара.
Да, гарантийный срок хранения устанавливается заводом-изготовителем и в среднем составляет 2 года при соблюдении условий хранения: сухое помещение, оригинальная упаковка и смазка.
Точный срок для конкретного типа подшипника уточняйте у наших менеджеров.
Пн–Пт: с 8:00 до 17:00 (МСК).
Сб–Вс: выходные дни.
Заказы на сайте принимаются круглосуточно. Заявки, поступившие после окончания рабочего дня, обрабатываются на следующий рабочий день.
Минимальная сумма заказа для доставки составляет 3000 рублей. Самовывоз со склада возможен на любую сумму при наличии товара.
ООО «УралТехГрупп»
ИНН: 7415093830
КПП: 772401001
ОГРН: 1167456069021
Банк: ПАО Сбербанк
Р/с: 40702810838000475273
К/с: 30101810400000000225
БИК: 044525225
У подшипника 6-213 Л пока нет отзывов. Вы можете стать первым покупателем, поделившимся своим мнением.