Поиск подшипника
Статьи
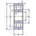
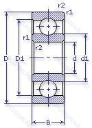
6219 — Шариковый радиальный однорядный подшипник, модификация основного исполнения 219, производство ГПЗ.
Размер подшипника: 95x170x32 мм.
Аналоги: 6219P6.
Государственный стандарт ГОСТ
6219
В наличии
| Обозначение | Конструктивные изменения |
|---|---|
| 8219 | Шариковый радиальный однорядный подшипник. |
| 8-219 Л | Сепаратор из латуни.. |
| 5219 | Шариковый радиальный однорядный подшипник. |
| 6-219 АК5Ш1 | Нормы шумности. Повышенная грузоподъемность. |
| 6-219 АК5Ш | Повышенная грузоподъемность. Нормы шумности. |
| 60-219 К5 | Повышенная грузоподъемность. |
| 70-219 АК5 | Повышенная грузоподъемность. |
| 76-219 АК5Ш1 | Нормы шумности. Повышенная грузоподъемность. |
| 76-219 АК5Ш | Повышенная грузоподъемность. Нормы шумности. |
| 6-219 Л | Сепаратор из латуни.. |
| 70-219 К5 | Повышенная грузоподъемность. |
| 76-219 Л | Сепаратор из латуни.. |
| 219 | Шариковый радиальный однорядный подшипник. Основное конструктивное исполнение. |
| 219-АК5 | Повышенная грузоподъемность. |
| 219-К | Шариковый радиальный однорядный подшипник. |
| 219-К5 | Повышенная грузоподъемность. |
| 219-Л | Сепаратор из латуни.. |
| 5-219 Л | Сепаратор из латуни.. |
Модификации шарикового подшипника 6219 — это измененное основное конструктивное исполнение 219, основные размеры (95x170x32) не отличаются.
| Обозначение | Гост | Конструктивные особенности |
|---|---|---|
| 76-80219 А1К5L19Ш1 | ГОСТ | Повышенная грузоподъемность. Нормы шумности. |
| 76-80219 А1К5W24Ш1 | ГОСТ | Повышенная грузоподъемность. Нормы шумности. Смазка пластичная Shell Alvania Greases G2. |
| 80219-К5С17 | ГОСТ | Смазка Литол-24. Повышенная грузоподъемность. |
| 6219-RS | ISO | Резиновое уплотнение с одной стороны. |
| M6219 | ISO | Шарикоподшипник максимальной грузоподъемности. |
| M6219ZZX | ISO | Шарикоподшипник максимальной грузоподъемности. |
| 6219-2RU | ISO | Non Contact Type Friction Torque = Small High Speed Performance = Good Grease Sealing = Better Than ZZ-Type Dirt Resistance = Better Than ZZ-Type Water Resistance = Better Than ZZ / Inferior To 2RS Operating Temp. -30°C To + 100°C. |
| 6219ZX | ISO | Съемная защитная шайба с одной стороны. |
| 6219T | ISO | Textile Laminated Phenolic Resin. Outer Ring Guided. The Cage Is Suitable For Long-Term Operation At Temperatures Up To 100°C. |
| 6219-2NK | ISO | Double Labyrinth Seal (Non Contact). |
| 6219NSL | ISO | Резиновое уплотнение с одной стороны. |
| 6219NK | ISO | One Labyrinth Seal (Non Contact). |
| 6219-Z-N | ISO | щит из листовой прессованной стали с одной стороны подшипника. Канавка под стопорное кольцо на внешнем кольце. |
| 6219-2Z-N | ISO | Защитные металлические шайбы с обеих сторон подшипника. Канавка под стопорное кольцо на внешнем кольце. |
| 6219-RSR | ISO | Контактное уплотнение с одной стороны. Радиальный тип. |
| 6219-2Z-NR | ISO | Защитные металлические шайбы с обеих сторон подшипника. Канавка под стопорное кольцо на наружном кольце с соответствующим стопорным кольцом. |
| 6219VV | ISO | Защитные металлические шайбы. с обеих сторон подшипника. Бесконтактное уплотнение. (лучше. чем ZZ. Можно использовать в умеренно запыленной среде). |
| 6219ZZNR | ISO | Стальная шайба. Канавка и стопорное кольцо на наружном кольце. |
| 6219LLB | ISO | Уплотнение бесконтактного типа из синтетического каучука. |
| QJ 219 | ISO | Штампованный сепаратор из стального листа. Шариковый подшипник с четырех-точечным контактом. |
Аналог шарикового подшипника 6219 — это подшипник такого же размера dx95,Dx170,Bx32, типа и конструкции.
| Обозначение | Конструктивные особенности | Внутренний (d) | Наружный (D) | Ширина (B) |
|---|---|---|---|---|
| 70-32219 Д | Роликовый радиальный подшипник. Сепаратор из алюминиевого сплава.. | 95.00 | 170.00 | 32.00 |
| 70-42219 Д1Т | Роликовый радиальный однорядный подшипник. Температура отпуска. 160°. Сепаратор из алюминиевого сплава.. | 95.00 | 170.00 | 32.00 |
| 70-42219 Л | Роликовый радиальный однорядный подшипник. Сепаратор из латуни.. | 95.00 | 170.00 | 32.00 |
| 7219A | Роликовый радиальный-упорный однорядный подшипник. Двухрядный радиально-упорный шарикоподшипник без отверстия для смазки. | 95.00 | 170.00 | 32.00 |
| 1219 K + H 219 | Шариковый сферический двухрядный подшипник. Коническое внутреннее отверстие. Pressed Snap-Type Steel Cage. Hardened. 1.3/16. | 95.00 | 170.00 | 32.00 |
| 42219-Д | Роликовый радиальный однорядный подшипник. Сепаратор из алюминиевого сплава.. | 95.00 | 170.00 | 32.00 |
| 42219-Д1Т | Роликовый радиальный однорядный подшипник. Температура отпуска. 160°. Сепаратор из алюминиевого сплава.. | 95.00 | 170.00 | 32.00 |
| 42219-ДТ | Роликовый радиальный однорядный подшипник. Сепаратор из алюминиевого сплава.. Температура отпуска. 160°. | 95.00 | 170.00 | 32.00 |
| 42219-КМ | Роликовый радиальный однорядный подшипник. Модифицированный контакт.. | 95.00 | 170.00 | 32.00 |
| 42219-Л | Роликовый радиальный однорядный подшипник. Сепаратор из латуни.. | 95.00 | 170.00 | 32.00 |
| 5-36219 Е | Шариковый радиально-упорный однорядный подшипник. Сепаратор из текстолита.. | 95.00 | 170.00 | 32.00 |
| 5-36219 Е5 | Шариковый радиально-упорный однорядный подшипник. Сепаратор из текстолита.. | 95.00 | 170.00 | 32.00 |
| 5-36219 Л | Шариковый радиально-упорный однорядный подшипник. Сепаратор из латуни.. | 95.00 | 170.00 | 32.00 |
| 5-46219 Е5 | Шариковый радиально-упорный однорядный подшипник. Сепаратор из текстолита.. | 95.00 | 170.00 | 32.00 |
| 5АВ-92219 Д1 | Роликовый радиальный однорядный подшипник. Сепаратор из алюминиевого сплава.. | 95.00 | 170.00 | 32.00 |
Способы доставки
Отправка через ведущие транспортные и курьерские компании: ПЭК, Деловые Линии, СДЭК, Байкал-Сервис, Энергия, КИТ, ЖелДорЭкспедиция.
Самовывоз возможен напрямую со склада в Москве.
Сроки доставки
Срок зависит от региона и выбранной транспортной компании. Все заказы комплектуются и отправляются в кратчайшие сроки со склада в Москве.
Надёжность и сохранность
Вся продукция упаковывается с учётом требований транспортировки. Мы гарантируем, что подшипники и комплектующие прибудут к заказчику в полной сохранности.
Доставка в страны ЕАЭС
Мы работаем с проверенными логистическими партнёрами, что позволяет оперативно доставлять заказы в Беларусь, Казахстан, Армению и другие страны ЕАЭС.
Варианты оплаты:
Минимальная сумма заказа и скидки:
Документы и гарантии:
Да, конечно! Наши технические специалисты готовы помочь вам с подбором точного аналога или замены подшипника. Просто позвоните нам по телефону +7 (495) 104-99-04 или напишите на почту zakaz@podsnab.ru.
Для оперативной консультации подготовьте, пожалуйста, имеющиеся данные: маркировку, размеры, тип оборудования или артикул старого подшипника.
Да, конечно! Мы высоко ценим долгосрочное сотрудничество и доверие клиентов по всей России. Для постоянных клиентов действует персональная система скидок.
Условия формируются индивидуально и зависят от:
Чтобы узнать свои условия и получить максимально выгодное предложение, свяжитесь с персональным менеджером или напишите нам на почту zakaz@podsnab.ru.
Вы можете оформить заказ несколькими способами:
Для оформления заказа от юридического лица свяжитесь с нашим отделом по работе с корпоративными клиентами по телефону +7 (495) 104-99-04 или напишите на email zakaz@podsnab.ru, прикрепив реквизиты вашей организации.
Мы оперативно подготовим коммерческое предложение и выставим счет.
Возврат товара надлежащего качества возможен в течение 10 дней с момента получения, если товар не был в употреблении, сохранен товарный вид, упаковка не вскрывалась и присутствуют все сопроводительные документы.
Возврат денежных средств осуществляется в течение 10 рабочих дней после проверки товара складом.
В соответствии с законодательством возврату не подлежат подшипники надлежащего качества, если отсутствует оригинальная упаковка или имеются следы монтажа.
В случае выявления брака или гарантийного случая мы гарантируем возврат или обмен товара.
Да, гарантийный срок хранения устанавливается заводом-изготовителем и в среднем составляет 2 года при соблюдении условий хранения: сухое помещение, оригинальная упаковка и смазка.
Точный срок для конкретного типа подшипника уточняйте у наших менеджеров.
Пн–Пт: с 8:00 до 17:00 (МСК).
Сб–Вс: выходные дни.
Заказы на сайте принимаются круглосуточно. Заявки, поступившие после окончания рабочего дня, обрабатываются на следующий рабочий день.
Минимальная сумма заказа для доставки составляет 3000 рублей. Самовывоз со склада возможен на любую сумму при наличии товара.
ООО «УралТехГрупп»
ИНН: 7415093830
КПП: 772401001
ОГРН: 1167456069021
Банк: ПАО Сбербанк
Р/с: 40702810838000475273
К/с: 30101810400000000225
БИК: 044525225
У подшипника 6219 пока нет отзывов. Вы можете стать первым покупателем, поделившимся своим мнением.