Поиск подшипника
Статьи
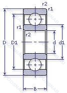
6220 — Шариковый радиальный однорядный подшипник, модификация основного исполнения 220, производство ГПЗ.
Размер подшипника: 100x180x34 мм.
Аналоги: 6220A.
Государственный стандарт ГОСТ
6220
В наличии
| Обозначение | Конструктивные изменения |
|---|---|
| 8-220 А | Повышенная грузоподъемность. |
| 80-220 А | Повышенная грузоподъемность. |
| 80-220 АЛ | Сепаратор из латуни.. Повышенная грузоподъемность. |
| 66-220-А | Повышенная грузоподъемность. |
| 220-Л | Сепаратор из латуни.. |
| 70-220 А | Повышенная грузоподъемность. |
| 75-220 АЛ | Сепаратор из латуни.. Повышенная грузоподъемность. |
| 8-220 АЛ | Сепаратор из латуни.. Повышенная грузоподъемность. |
| 6-220 АШ1 | Повышенная грузоподъемность. Нормы шумности. |
| 6-220 АШ | Повышенная грузоподъемность. Нормы шумности. |
| 76-220 А | Повышенная грузоподъемность. |
| 6-220 А | Повышенная грузоподъемность. |
| 6-220 АЛ | Сепаратор из латуни.. Повышенная грузоподъемность. |
| 6-220 Т | Температура отпуска. 160°. |
| 66-220-АЛ | Сепаратор из латуни.. Повышенная грузоподъемность. |
| 70-220 АЛ | Сепаратор из латуни.. Повышенная грузоподъемность. |
| 76-220 АЛ | Сепаратор из латуни.. Повышенная грузоподъемность. |
| 76-220 Ю4Т | Температура отпуска. 160°. Все детали или часть деталей из нержавеющей стали.. |
| 2-220 Е1 | Сепаратор из текстолита.. |
| 220-A | Двухрядный радиально-упорный шарикоподшипник без отверстия для смазки. |
| 220-А | Повышенная грузоподъемность. |
| 220-АЛ | Сепаратор из латуни.. Повышенная грузоподъемность. |
| 4-220 Е1 | Сепаратор из текстолита.. |
| 5-220 А | Повышенная грузоподъемность. |
| 5-220 АЛ | Сепаратор из латуни.. Повышенная грузоподъемность. |
Модификации шарикового подшипника 6220 — это измененное основное конструктивное исполнение 220, основные размеры (100x180x34) не отличаются.
| Обозначение | Гост | Конструктивные особенности |
|---|---|---|
| 6-80220 АW24Ш | ГОСТ | Повышенная грузоподъемность. Нормы шумности. Смазка пластичная Shell Alvania Greases G2. |
| 76-80220 АL19Ш1 | ГОСТ | Lubricant. Mobil Oil Co.. Mobil 28 Grease. MIL-G-81322 High/Low Temperature -62°C/+176°C. Повышенная грузоподъемность. Нормы шумности. |
| 76-80220 АW24Ш1 | ГОСТ | Повышенная грузоподъемность. Нормы шумности. Смазка пластичная Shell Alvania Greases G2. |
| 6220-RS | ISO | Резиновое уплотнение с одной стороны. |
| M6220ZZX | ISO | Шарикоподшипник максимальной грузоподъемности. |
| 6220-2RU | ISO | Non Contact Type Friction Torque = Small High Speed Performance = Good Grease Sealing = Better Than ZZ-Type Dirt Resistance = Better Than ZZ-Type Water Resistance = Better Than ZZ / Inferior To 2RS Operating Temp. -30°C To + 100°C. |
| 6220ZX | ISO | Съемная защитная шайба с одной стороны. |
| 6220-2NK | ISO | Double Labyrinth Seal (Non Contact). |
| 6220NK | ISO | One Labyrinth Seal (Non Contact). |
| 6220NSL | ISO | Резиновое уплотнение с одной стороны. |
| 6220-2Z-N | ISO | Защитные металлические шайбы с обеих сторон подшипника. Канавка под стопорное кольцо на внешнем кольце. |
| 6220-2Z-NR | ISO | Защитные металлические шайбы с обеих сторон подшипника. Канавка под стопорное кольцо на наружном кольце с соответствующим стопорным кольцом. |
| 6220-Z-N | ISO | щит из листовой прессованной стали с одной стороны подшипника. Канавка под стопорное кольцо на внешнем кольце. |
| 6220LLB | ISO | Уплотнение бесконтактного типа из синтетического каучука. |
| 6220LU | ISO | Двухкромочное нитриловое контактное уплотнение. |
| 6220ZZNR | ISO | Стальная шайба. Канавка и стопорное кольцо на наружном кольце. |
| 6220-RS1 | ISO | Резиновое уплотнение с одной стороны. |
| 6220-2Z/VA228 | ISO | Защитные металлические шайбы с обеих сторон подшипника. Подшипник для работы при высоких температурах (+350℃). |
| 6220EE | ISO | Контактные уплотнения с двух сторон. |
| S6220-2RS | ISO | Резиновые уплотнения с каждой стороны подшипника. |
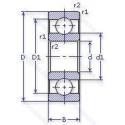
Аналог шарикового подшипника 6220 — это подшипник такого же размера dx100,Dx180,Bx34, типа и конструкции.
| Обозначение | Конструктивные особенности | Внутренний (d) | Наружный (D) | Ширина (B) |
|---|---|---|---|---|
| 42220-Л | Роликовый радиальный однорядный подшипник. Сепаратор из латуни.. | 100.00 | 180.00 | 34.00 |
| 46220-Л | Шариковый радиально-упорный однорядный подшипник. Сепаратор из латуни.. | 100.00 | 180.00 | 34.00 |
| 46220-АЛ | Шариковый радиально-упорный однорядный подшипник. Сепаратор из латуни.. Повышенная грузоподъемность. | 100.00 | 180.00 | 34.00 |
| 46220К | Шариковый радиально-упорный однорядный подшипник. «Замок» (скос) на внутреннем кольце плюс массивный сепаратор из текстолита. | 100.00 | 180.00 | 34.00 |
| 5-176220 Р2У | Шариковый радиально-упорный однорядный подшипник. Дополнительные технические требования. Детали из теплоустойчивой (быстрорежущие) стали.. | 100.00 | 180.00 | 34.00 |
| 5-36220 К | Шариковый радиально-упорный однорядный подшипник. «Замок» (скос) на внутреннем кольце плюс массивный сепаратор из текстолита. | 100.00 | 180.00 | 34.00 |
| 5-46220 АЛ | Шариковый радиально-упорный однорядный подшипник. Сепаратор из латуни.. Повышенная грузоподъемность. | 100.00 | 180.00 | 34.00 |
| 5-46220 К | Шариковый радиально-упорный однорядный подшипник. «Замок» (скос) на внутреннем кольце плюс массивный сепаратор из текстолита. | 100.00 | 180.00 | 34.00 |
| 5-46220 Л | Шариковый радиально-упорный однорядный подшипник. Сепаратор из латуни.. | 100.00 | 180.00 | 34.00 |
| 5-66220 АЛ | Шариковый радиально-упорный однорядный подшипник. Сепаратор из латуни.. Повышенная грузоподъемность. | 100.00 | 180.00 | 34.00 |
| 6-126220 Б2 | Шариковый радиально-упорный однорядный подшипник. Сепаратор из безоловянистой бронзы.. | 100.00 | 180.00 | 34.00 |
| 6-126220 Б2Т | Шариковый радиально-упорный однорядный подшипник. Температура отпуска. 160°. Сепаратор из безоловянистой бронзы.. | 100.00 | 180.00 | 34.00 |
| 6-176220 БТ | Шариковый радиально-упорный однорядный подшипник. Температура отпуска. 160°. Сепаратор из безоловянистой бронзы.. | 100.00 | 180.00 | 34.00 |
| 6-176220 БУТ | Шариковый радиально-упорный однорядный подшипник. Дополнительные технические требования. Температура отпуска. 160°. Сепаратор из безоловянистой бронзы.. | 100.00 | 180.00 | 34.00 |
| 6-176220 Д1Т | Шариковый радиально-упорный однорядный подшипник. Температура отпуска. 160°. Сепаратор из алюминиевого сплава.. | 100.00 | 180.00 | 34.00 |
Способы доставки
Отправка через ведущие транспортные и курьерские компании: ПЭК, Деловые Линии, СДЭК, Байкал-Сервис, Энергия, КИТ, ЖелДорЭкспедиция.
Самовывоз возможен напрямую со склада в Москве.
Сроки доставки
Срок зависит от региона и выбранной транспортной компании. Все заказы комплектуются и отправляются в кратчайшие сроки со склада в Москве.
Надёжность и сохранность
Вся продукция упаковывается с учётом требований транспортировки. Мы гарантируем, что подшипники и комплектующие прибудут к заказчику в полной сохранности.
Доставка в страны ЕАЭС
Мы работаем с проверенными логистическими партнёрами, что позволяет оперативно доставлять заказы в Беларусь, Казахстан, Армению и другие страны ЕАЭС.
Варианты оплаты:
Минимальная сумма заказа и скидки:
Документы и гарантии:
Да, конечно! Наши технические специалисты готовы помочь вам с подбором точного аналога или замены подшипника. Просто позвоните нам по телефону +7 (495) 104-99-04 или напишите на почту zakaz@podsnab.ru.
Для оперативной консультации подготовьте, пожалуйста, имеющиеся данные: маркировку, размеры, тип оборудования или артикул старого подшипника.
Да, конечно! Мы высоко ценим долгосрочное сотрудничество и доверие клиентов по всей России. Для постоянных клиентов действует персональная система скидок.
Условия формируются индивидуально и зависят от:
Чтобы узнать свои условия и получить максимально выгодное предложение, свяжитесь с персональным менеджером или напишите нам на почту zakaz@podsnab.ru.
Вы можете оформить заказ несколькими способами:
Для оформления заказа от юридического лица свяжитесь с нашим отделом по работе с корпоративными клиентами по телефону +7 (495) 104-99-04 или напишите на email zakaz@podsnab.ru, прикрепив реквизиты вашей организации.
Мы оперативно подготовим коммерческое предложение и выставим счет.
Возврат товара надлежащего качества возможен в течение 10 дней с момента получения, если товар не был в употреблении, сохранен товарный вид, упаковка не вскрывалась и присутствуют все сопроводительные документы.
Возврат денежных средств осуществляется в течение 10 рабочих дней после проверки товара складом.
В соответствии с законодательством возврату не подлежат подшипники надлежащего качества, если отсутствует оригинальная упаковка или имеются следы монтажа.
В случае выявления брака или гарантийного случая мы гарантируем возврат или обмен товара.
Да, гарантийный срок хранения устанавливается заводом-изготовителем и в среднем составляет 2 года при соблюдении условий хранения: сухое помещение, оригинальная упаковка и смазка.
Точный срок для конкретного типа подшипника уточняйте у наших менеджеров.
Пн–Пт: с 8:00 до 17:00 (МСК).
Сб–Вс: выходные дни.
Заказы на сайте принимаются круглосуточно. Заявки, поступившие после окончания рабочего дня, обрабатываются на следующий рабочий день.
Минимальная сумма заказа для доставки составляет 3000 рублей. Самовывоз со склада возможен на любую сумму при наличии товара.
ООО «УралТехГрупп»
ИНН: 7415093830
КПП: 772401001
ОГРН: 1167456069021
Банк: ПАО Сбербанк
Р/с: 40702810838000475273
К/с: 30101810400000000225
БИК: 044525225
У подшипника 6220 пока нет отзывов. Вы можете стать первым покупателем, поделившимся своим мнением.