Поиск подшипника
Статьи
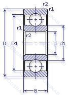
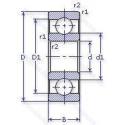
6-312 Е — Шариковый радиальный однорядный подшипник, модификация основного исполнения 312, производство ГПЗ.
Размер подшипника: 60x130x31 мм.
Сепаратор из текстолита.
Аналоги: 6312TBP6.
Государственный стандарт ГОСТ
6312Е
В наличии
| Обозначение | Конструктивные изменения |
|---|---|
| 6-312 А | Повышенная грузоподъемность. |
| 6-312 АW2 | Детали из вакуумированной стали.. Повышенная грузоподъемность. |
| 6-312 ЕШ2У | Сепаратор из текстолита.. Дополнительные технические требования. Нормы шумности. |
| 6-312 Л | Сепаратор из латуни.. |
| 6-312 Ш1У | Дополнительные технические требования. Нормы шумности. |
| 6-312 Ш2У | Дополнительные технические требования. Нормы шумности. |
| 6-312 Ю | Все детали или часть деталей из нержавеющей стали.. |
| 70-312 А | Повышенная грузоподъемность. |
| 70-312 АW2 | Детали из вакуумированной стали.. Повышенная грузоподъемность. |
| 74-312 ЕУШ8 | Сепаратор из текстолита.. Дополнительные технические требования. Нормы шумности. |
| 74-312 ЕШ5 | Сепаратор из текстолита.. Нормы шумности. |
| 75-312 ЕШ2 | Сепаратор из текстолита.. Нормы шумности. |
| 75-312 ЕШ3 | Сепаратор из текстолита.. Нормы шумности. |
| 76-312 А | Повышенная грузоподъемность. |
| 76-312 АW2 | Детали из вакуумированной стали.. Повышенная грузоподъемность. |
| 76-312 ЕШ2 | Сепаратор из текстолита.. Нормы шумности. |
| 76-312 ЕШ2У | Сепаратор из текстолита.. Дополнительные технические требования. Нормы шумности. |
| 76-312 Ш2У | Дополнительные технические требования. Нормы шумности. |
| 312-А | Повышенная грузоподъемность. |
| 312-Е | Сепаратор из текстолита.. |
| 312-К | «Замок» (скос) на внутреннем кольце плюс массивный сепаратор из текстолита. |
| 312-Ш2У | Дополнительные технические требования. Нормы шумности. |
| 312-Ю | Все детали или часть деталей из нержавеющей стали.. |
| 312K | Коническое отверстие. Конусность 1/12. |
| 5-312 ЕШ2 | Сепаратор из текстолита.. Нормы шумности. |
Модификации шарикового подшипника 6-312 Е — это измененное основное конструктивное исполнение 312, основные размеры (60x130x31) не отличаются.
| Обозначение | Гост | Конструктивные особенности |
|---|---|---|
| 6312LLBNR | ISO | Канавка и стопорное кольцо на наружном кольце. Бесконтактное нитриловое уплотнение. |
| 6312LLB | ISO | Уплотнение бесконтактного типа из синтетического каучука. |
| 6312LU | ISO | Двухкромочное нитриловое контактное уплотнение. |
| 6312LB | ISO | Бесконтактное нитриловое уплотнение. |
| 6312LLUNR | ISO | Канавка и стопорное кольцо на наружном кольце. Двухкромочное нитриловое контактное уплотнение. |
| 6312LBLU | ISO | Двухкромочное нитриловое контактное уплотнение. Бесконтактное нитриловое уплотнение. |
| 6312LUNR | ISO | Канавка и стопорное кольцо на наружном кольце. Двухкромочное нитриловое контактное уплотнение. |
| AB41684 | ISO | Однорядный радиально-упорный шариковый подшипник с полиамидным сепаратором. |
| 150312-А | ГОСТ | Повышенная грузоподъемность. |
| 150312-АW2 | ГОСТ | Детали из вакуумированной стали.. Повышенная грузоподъемность. |
| 180312-А | ГОСТ | Повышенная грузоподъемность. |
| 180312-А1 | ГОСТ | Повышенная грузоподъемность. |
| 180312-АКС17 | ГОСТ | Смазка Литол-24. Повышенная грузоподъемность. |
| 180312-С9 | ГОСТ | Смазка ЛЗ-31. |
| 180312АК | ГОСТ | Повышенная грузоподъемность. |
| 2В0-180312 КС17 | ГОСТ | Смазка Литол-24. |
| 2В70-180312 КС17 | ГОСТ | Смазка Литол-24. |
| 50312-А | ГОСТ | Повышенная грузоподъемность. |
| 50312-АW2 | ГОСТ | Детали из вакуумированной стали.. Повышенная грузоподъемность. |
| 50312-М1 | ГОСТ | Модифицированный контакт.. |
Аналог шарикового подшипника 6-312 Е — это подшипник такого же размера dx60,Dx130,Bx31, типа и конструкции.
| Обозначение | Конструктивные особенности | Внутренний (d) | Наружный (D) | Ширина (B) |
|---|---|---|---|---|
| 8-12312 КМ | Роликовый радиальный однорядный подшипник. Модифицированный контакт.. | 60.00 | 130.00 | 31.00 |
| 1312 TN9 | Шариковый сферический двухрядный подшипник. Литой защелкивающийся сепаратор из полиамида. армированного стекловолокном 6.6. | 60.00 | 130.00 | 31.00 |
| 7603060-TVP | Шариковый упорный однорядный подшипник. Molded Snap-Type Cage Of Glass Fibre Reinforced Polyamide. Rolling Element Riding. | 60.00 | 130.00 | 31.00 |
| 402312-М1 | Роликовый радиальный цилиндрический подшипник. Модифицированный контакт.. | 60.00 | 130.00 | 31.00 |
| 42312-К1У | Роликовый радиальный однорядный подшипник. Кольцевая проточка на середине цилиндрической наружной поверхности наружного кольца плюс три отверстия для смазки. Дополнительные технические требования. | 60.00 | 130.00 | 31.00 |
| 42312-КМ | Роликовый радиальный однорядный подшипник. Кольцевая проточка на середине цилиндрической наружной поверхности наружного кольца плюс три отверстия для смазки. Модифицированный контакт.. | 60.00 | 130.00 | 31.00 |
| 42312-Л | Роликовый радиальный однорядный подшипник. Сепаратор из латуни.. | 60.00 | 130.00 | 31.00 |
| 42312-М1 | Роликовый радиальный однорядный подшипник. Модифицированный контакт.. | 60.00 | 130.00 | 31.00 |
| 42312ЛM | Роликовый радиальный однорядный подшипник. Подшипник с латунным сепаратором. центрированный по телам качения. Сепаратор из латуни.. | 60.00 | 130.00 | 31.00 |
| 46312-Е | Шариковый радиально-упорный однорядный подшипник. Сепаратор из текстолита.. | 60.00 | 130.00 | 31.00 |
| 46312-Л | Шариковый радиально-упорный однорядный подшипник. Сепаратор из латуни.. | 60.00 | 130.00 | 31.00 |
| 46312К | Шариковый радиально-упорный однорядный подшипник. «Замок» (скос) на внутреннем кольце плюс массивный сепаратор из текстолита. | 60.00 | 130.00 | 31.00 |
| 46312Л1 | Шариковый радиально-упорный однорядный подшипник. Сепаратор из латуни.. | 60.00 | 130.00 | 31.00 |
| 5-46312 Л | Шариковый радиально-упорный однорядный подшипник. Сепаратор из латуни.. | 60.00 | 130.00 | 31.00 |
| 6-12312 КМ | Роликовый радиальный однорядный подшипник. Модифицированный контакт.. | 60.00 | 130.00 | 31.00 |
Способы доставки
Отправка через ведущие транспортные и курьерские компании: ПЭК, Деловые Линии, СДЭК, Байкал-Сервис, Энергия, КИТ, ЖелДорЭкспедиция.
Самовывоз возможен напрямую со склада в Москве.
Сроки доставки
Срок зависит от региона и выбранной транспортной компании. Все заказы комплектуются и отправляются в кратчайшие сроки со склада в Москве.
Надёжность и сохранность
Вся продукция упаковывается с учётом требований транспортировки. Мы гарантируем, что подшипники и комплектующие прибудут к заказчику в полной сохранности.
Доставка в страны ЕАЭС
Мы работаем с проверенными логистическими партнёрами, что позволяет оперативно доставлять заказы в Беларусь, Казахстан, Армению и другие страны ЕАЭС.
Варианты оплаты:
Минимальная сумма заказа и скидки:
Документы и гарантии:
Да, конечно! Наши технические специалисты готовы помочь вам с подбором точного аналога или замены подшипника. Просто позвоните нам по телефону +7 (495) 104-99-04 или напишите на почту zakaz@podsnab.ru.
Для оперативной консультации подготовьте, пожалуйста, имеющиеся данные: маркировку, размеры, тип оборудования или артикул старого подшипника.
Да, конечно! Мы высоко ценим долгосрочное сотрудничество и доверие клиентов по всей России. Для постоянных клиентов действует персональная система скидок.
Условия формируются индивидуально и зависят от:
Чтобы узнать свои условия и получить максимально выгодное предложение, свяжитесь с персональным менеджером или напишите нам на почту zakaz@podsnab.ru.
Вы можете оформить заказ несколькими способами:
Для оформления заказа от юридического лица свяжитесь с нашим отделом по работе с корпоративными клиентами по телефону +7 (495) 104-99-04 или напишите на email zakaz@podsnab.ru, прикрепив реквизиты вашей организации.
Мы оперативно подготовим коммерческое предложение и выставим счет.
Возврат товара надлежащего качества возможен в течение 10 дней с момента получения, если товар не был в употреблении, сохранен товарный вид, упаковка не вскрывалась и присутствуют все сопроводительные документы.
Возврат денежных средств осуществляется в течение 10 рабочих дней после проверки товара складом.
В соответствии с законодательством возврату не подлежат подшипники надлежащего качества, если отсутствует оригинальная упаковка или имеются следы монтажа.
В случае выявления брака или гарантийного случая мы гарантируем возврат или обмен товара.
Да, гарантийный срок хранения устанавливается заводом-изготовителем и в среднем составляет 2 года при соблюдении условий хранения: сухое помещение, оригинальная упаковка и смазка.
Точный срок для конкретного типа подшипника уточняйте у наших менеджеров.
Пн–Пт: с 8:00 до 17:00 (МСК).
Сб–Вс: выходные дни.
Заказы на сайте принимаются круглосуточно. Заявки, поступившие после окончания рабочего дня, обрабатываются на следующий рабочий день.
Минимальная сумма заказа для доставки составляет 3000 рублей. Самовывоз со склада возможен на любую сумму при наличии товара.
ООО «УралТехГрупп»
ИНН: 7415093830
КПП: 772401001
ОГРН: 1167456069021
Банк: ПАО Сбербанк
Р/с: 40702810838000475273
К/с: 30101810400000000225
БИК: 044525225
У подшипника 6-312 Е пока нет отзывов. Вы можете стать первым покупателем, поделившимся своим мнением.