Поиск подшипника
Статьи
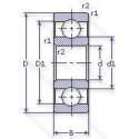
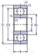
6410 — Шариковый радиальный однорядный подшипник, модификация основного исполнения 410, производство ГПЗ.
Размер подшипника: 50x130x31 мм.
Государственный стандарт ГОСТ
6410
В наличии
| Обозначение | Конструктивные изменения |
|---|---|
| 8-410 | Шариковый радиальный однорядный подшипник. |
| 8-410 А | Повышенная грузоподъемность. |
| В0-410 А | Повышенная грузоподъемность. |
| 410-АЕ | Сепаратор из текстолита.. Повышенная грузоподъемность. |
| 6-410 А | Повышенная грузоподъемность. |
| 6-410 АШ1 | Повышенная грузоподъемность. Нормы шумности. |
| 6-410 АШ | Повышенная грузоподъемность. Нормы шумности. |
| 6-410 Ш | Нормы шумности. |
| 7-410 А | Повышенная грузоподъемность. |
| 70-410 | Шариковый радиальный однорядный подшипник. |
| 70-410 А | Повышенная грузоподъемность. |
| 76-410 АШ | Повышенная грузоподъемность. Нормы шумности. |
| 76-410 АШ1 | Повышенная грузоподъемность. Нормы шумности. |
| 76-410 Ш | Нормы шумности. |
| 410 | Шариковый радиальный однорядный подшипник. Основное конструктивное исполнение. |
| 20-410 | Шариковый радиальный однорядный подшипник. |
| 20-410 А | Повышенная грузоподъемность. |
| 410-А | Повышенная грузоподъемность. |
| 410-Ш | Нормы шумности. |
Модификации шарикового подшипника 6410 — это измененное основное конструктивное исполнение 410, основные размеры (50x130x31) не отличаются.
| Обозначение | Гост | Конструктивные особенности |
|---|---|---|
| 7-50410 А | ГОСТ | Повышенная грузоподъемность. |
| 6-50410 АШ1 | ГОСТ | Повышенная грузоподъемность. Нормы шумности. |
| 6-50410 АШ | ГОСТ | Повышенная грузоподъемность. Нормы шумности. |
| 76-50410 АШ1 | ГОСТ | Повышенная грузоподъемность. Нормы шумности. |
| 6-50410 | ГОСТ | Шариковый радиальный однорядный подшипник. |
| 50410 | ГОСТ | Шариковый радиальный однорядный подшипник. |
| 150410 | ГОСТ | Шариковый радиальный однорядный подшипник. |
| 50410-А | ГОСТ | Повышенная грузоподъемность. |
| 50410-АУ | ГОСТ | Дополнительные технические требования. Повышенная грузоподъемность. |
| 50410-У | ГОСТ | Дополнительные технические требования. |
Аналог шарикового подшипника 6410 — это подшипник такого же размера dx50,Dx130,Bx31, типа и конструкции.
| Обозначение | Конструктивные особенности | Внутренний (d) | Наружный (D) | Ширина (B) |
|---|---|---|---|---|
| NJ410-M1 + HJ410 | Роликовый радиальный однорядный подшипник. Механически обработанный латунный сепаратор. вращающийся элемент качения (крестовина на заклепках). | 50.00 | 130.00 | 31.00 |
| NJ410-M+HJ410 | Роликовый радиальный однорядный подшипник. Подшипник с латунным сепаратором. центрированный по телам качения. | 50.00 | 130.00 | 31.00 |
| 8-32410 М | Роликовый радиальный однорядный подшипник. Модифицированный контакт.. | 50.00 | 130.00 | 31.00 |
| 8-66410 Л | Шариковый радиально-упорный однорядный подшипник. Сепаратор из латуни.. | 50.00 | 130.00 | 31.00 |
| 7410WN | Шариковый радиально-упорный однорядный подшипник. Sizes 7201K Through 7203WN Have A 20° Угол контакта And A Nylon Cage. Sizes 7204WN through 7218WN have a 40° Угол контакта And A One-Piece. Ball Piloted. Pressed Brass Cage. Larger Sizes 7219WN Through 7230WN Have A 40° Угол контакта And A One-Piece. Outer Ring Piloted High-Strength Machined Bronze Cage. | 50.00 | 130.00 | 31.00 |
| 7410 A | Шариковый радиально-упорный однорядный подшипник. Двухрядный радиально-упорный шарикоподшипник без отверстия для смазки. | 50.00 | 130.00 | 31.00 |
| 6-32410 М | Роликовый радиальный однорядный подшипник. Модифицированный контакт.. | 50.00 | 130.00 | 31.00 |
| 6-32410 МТ1 | Роликовый радиальный однорядный подшипник. 180°. Модифицированный контакт.. Температура отпуска. | 50.00 | 130.00 | 31.00 |
| 6-66410 Л | Шариковый радиально-упорный однорядный подшипник. Сепаратор из латуни.. | 50.00 | 130.00 | 31.00 |
| 66410-Е | Шариковый радиально-упорный однорядный подшипник. Сепаратор из текстолита.. | 50.00 | 130.00 | 31.00 |
| 66410-Л | Шариковый радиально-упорный однорядный подшипник. Сепаратор из латуни.. | 50.00 | 130.00 | 31.00 |
| 70-42410 К3М | Роликовый радиальный однорядный подшипник. Модифицированный контакт.. | 50.00 | 130.00 | 31.00 |
| 70-42410 Л | Роликовый радиальный однорядный подшипник. Сепаратор из латуни.. | 50.00 | 130.00 | 31.00 |
| 42410-М | Роликовый радиальный однорядный подшипник. Модифицированный контакт.. | 50.00 | 130.00 | 31.00 |
| 45-176410 Е1Ш2 | Шариковый радиально-упорный однорядный подшипник. Сепаратор из текстолита.. Нормы шумности. | 50.00 | 130.00 | 31.00 |
Способы доставки
Отправка через ведущие транспортные и курьерские компании: ПЭК, Деловые Линии, СДЭК, Байкал-Сервис, Энергия, КИТ, ЖелДорЭкспедиция.
Самовывоз возможен напрямую со склада в Москве.
Сроки доставки
Срок зависит от региона и выбранной транспортной компании. Все заказы комплектуются и отправляются в кратчайшие сроки со склада в Москве.
Надёжность и сохранность
Вся продукция упаковывается с учётом требований транспортировки. Мы гарантируем, что подшипники и комплектующие прибудут к заказчику в полной сохранности.
Доставка в страны ЕАЭС
Мы работаем с проверенными логистическими партнёрами, что позволяет оперативно доставлять заказы в Беларусь, Казахстан, Армению и другие страны ЕАЭС.
Варианты оплаты:
Минимальная сумма заказа и скидки:
Документы и гарантии:
Да, конечно! Наши технические специалисты готовы помочь вам с подбором точного аналога или замены подшипника. Просто позвоните нам по телефону +7 (495) 104-99-04 или напишите на почту zakaz@podsnab.ru.
Для оперативной консультации подготовьте, пожалуйста, имеющиеся данные: маркировку, размеры, тип оборудования или артикул старого подшипника.
Да, конечно! Мы высоко ценим долгосрочное сотрудничество и доверие клиентов по всей России. Для постоянных клиентов действует персональная система скидок.
Условия формируются индивидуально и зависят от:
Чтобы узнать свои условия и получить максимально выгодное предложение, свяжитесь с персональным менеджером или напишите нам на почту zakaz@podsnab.ru.
Вы можете оформить заказ несколькими способами:
Для оформления заказа от юридического лица свяжитесь с нашим отделом по работе с корпоративными клиентами по телефону +7 (495) 104-99-04 или напишите на email zakaz@podsnab.ru, прикрепив реквизиты вашей организации.
Мы оперативно подготовим коммерческое предложение и выставим счет.
Возврат товара надлежащего качества возможен в течение 10 дней с момента получения, если товар не был в употреблении, сохранен товарный вид, упаковка не вскрывалась и присутствуют все сопроводительные документы.
Возврат денежных средств осуществляется в течение 10 рабочих дней после проверки товара складом.
В соответствии с законодательством возврату не подлежат подшипники надлежащего качества, если отсутствует оригинальная упаковка или имеются следы монтажа.
В случае выявления брака или гарантийного случая мы гарантируем возврат или обмен товара.
Да, гарантийный срок хранения устанавливается заводом-изготовителем и в среднем составляет 2 года при соблюдении условий хранения: сухое помещение, оригинальная упаковка и смазка.
Точный срок для конкретного типа подшипника уточняйте у наших менеджеров.
Пн–Пт: с 8:00 до 17:00 (МСК).
Сб–Вс: выходные дни.
Заказы на сайте принимаются круглосуточно. Заявки, поступившие после окончания рабочего дня, обрабатываются на следующий рабочий день.
Минимальная сумма заказа для доставки составляет 3000 рублей. Самовывоз со склада возможен на любую сумму при наличии товара.
ООО «УралТехГрупп»
ИНН: 7415093830
КПП: 772401001
ОГРН: 1167456069021
Банк: ПАО Сбербанк
Р/с: 40702810838000475273
К/с: 30101810400000000225
БИК: 044525225
У подшипника 6410 пока нет отзывов. Вы можете стать первым покупателем, поделившимся своим мнением.