Поиск подшипника
Статьи
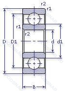
6-7000113 ЛТ2 — Шариковый радиальный однорядный подшипник, модификация основного исполнения 7000113, производство ГПЗ.
Размер подшипника: 65x100x11 мм.
200°, температура отпуска, сепаратор из латуни.
Аналоги: 16013MAP6S2.
Государственный стандарт ГОСТ
67000113ЛТ2
В наличии
| Обозначение | Конструктивные изменения |
|---|---|
| 5-7000113 0Р3.Л | Сепаратор из латуни.. Детали из теплоустойчивой (быстрорежущие) стали.. |
| 6-7000113 | Шариковый радиальный однорядный подшипник. |
| 6-7000113 Л | Сепаратор из латуни.. |
| 7000113-А | Повышенная грузоподъемность. |
| 7000113-Л | Сепаратор из латуни.. |
| 7000113 | Шариковый радиальный однорядный подшипник. Основное конструктивное исполнение. |
| 05-7000113 Л | Сепаратор из латуни.. |
| 5-7000113 Л | Сепаратор из латуни.. |
| 5-7000113 ЛТ2 | Сепаратор из латуни.. 200°. Температура отпуска. |
| 5-7000113 ОР3 | Детали из теплоустойчивой (быстрорежущие) стали.. |
Модификации шарикового подшипника 6-7000113 ЛТ2 — это измененное основное конструктивное исполнение 7000113, основные размеры (65x100x11) не отличаются.
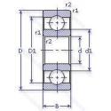
| Обозначение | Конструктивные особенности | Внутренний (d) | Наружный (D) | Ширина (B) |
|---|---|---|---|---|
| 16013C3 | Подшипник однорядный шариковый радиальный. Внутренний зазор больше нормального. | 65.00 | 100.00 | 11.00 |
| 16013/W64 | Подшипник однорядный шариковый радиальный. Антифрикционный заполнитель. твердая смазка. | 65.00 | 100.00 | 11.00 |
| K81213-TV | Подшипник роликовый цилиндрический в сборе с сепаратором. Прочный сепаратор из полиамида. армированного стекловолокном. | 65.00 | 100.00 | 11.00 |
| 16013-2RS | Подшипник однорядный шариковый радиальный. Резиновые уплотнения с каждой стороны подшипника. | 65.00 | 100.00 | 11.00 |
| K81213T2 | Подшипник роликовый цилиндрический в сборе с сепаратором. Пластиковый сепаратор. Нейлон или тефлон. | 65.00 | 100.00 | 11.00 |
| 16013P62 | Подшипник однорядный шариковый радиальный. Сочетание P6 (размерная точность и точность хода в соответствии с классом допуска ISO 6 (лучше. чем обычно)) и C2 (внутренний зазор подшипника меньше. чем обычно). | 65.00 | 100.00 | 11.00 |
| 16013C3 S0 | Подшипник однорядный шариковый радиальный. Внутренний зазор больше нормального. Кольца или шайбы подшипников, стабилизированные по размерам для использования при рабочих температурах до +150°C (302°F). | 65.00 | 100.00 | 11.00 |
| K81213MPB | Подшипник роликовый цилиндрический в сборе с сепаратором. Обработанный латунный сепаратор оконного типа. | 65.00 | 100.00 | 11.00 |
| 16013-MA-C3 | Подшипник однорядный шариковый радиальный. Внутренний зазор больше нормального. Механически обработанный латунный сепаратор. Центрирование по внешнему кольцу. | 65.00 | 100.00 | 11.00 |
| K81213-TVPB | Подшипник роликовый цилиндрический в сборе с сепаратором. Литой полиамидный сепаратор оконного типа. направляющий внутреннее кольцо. | 65.00 | 100.00 | 11.00 |
| 16013P6 | Подшипник однорядный шариковый радиальный. Размерные и геометрические допуски соответствуют классу точности P6. | 65.00 | 100.00 | 11.00 |
| K81213-TV/0-8 | Подшипник роликовый цилиндрический в сборе с сепаратором. Прочный сепаратор из полиамида. армированного стекловолокном. микрон. игольчатая сортировка. Средний предварительный натяг. | 65.00 | 100.00 | 11.00 |
| 16013-MA | Подшипник однорядный шариковый радиальный. Механически обработанный латунный сепаратор. Центрирование по внешнему кольцу. | 65.00 | 100.00 | 11.00 |
| K81213-TV/-4 | Подшипник роликовый цилиндрический в сборе с сепаратором. Прочный сепаратор из полиамида. армированного стекловолокном. микрон. игольчатая сортировка. | 65.00 | 100.00 | 11.00 |
| K81213-TV/-2 | Подшипник роликовый цилиндрический в сборе с сепаратором. Прочный сепаратор из полиамида. армированного стекловолокном. ISO Tolerance Class ABEC.9. микрон. игольчатая сортировка. | 65.00 | 100.00 | 11.00 |
Способы доставки
Отправка через ведущие транспортные и курьерские компании: ПЭК, Деловые Линии, СДЭК, Байкал-Сервис, Энергия, КИТ, ЖелДорЭкспедиция.
Самовывоз возможен напрямую со склада в Москве.
Сроки доставки
Срок зависит от региона и выбранной транспортной компании. Все заказы комплектуются и отправляются в кратчайшие сроки со склада в Москве.
Надёжность и сохранность
Вся продукция упаковывается с учётом требований транспортировки. Мы гарантируем, что подшипники и комплектующие прибудут к заказчику в полной сохранности.
Доставка в страны ЕАЭС
Мы работаем с проверенными логистическими партнёрами, что позволяет оперативно доставлять заказы в Беларусь, Казахстан, Армению и другие страны ЕАЭС.
Варианты оплаты:
Минимальная сумма заказа и скидки:
Документы и гарантии:
Да, конечно! Наши технические специалисты готовы помочь вам с подбором точного аналога или замены подшипника. Просто позвоните нам по телефону +7 (495) 104-99-04 или напишите на почту zakaz@podsnab.ru.
Для оперативной консультации подготовьте, пожалуйста, имеющиеся данные: маркировку, размеры, тип оборудования или артикул старого подшипника.
Да, конечно! Мы высоко ценим долгосрочное сотрудничество и доверие клиентов по всей России. Для постоянных клиентов действует персональная система скидок.
Условия формируются индивидуально и зависят от:
Чтобы узнать свои условия и получить максимально выгодное предложение, свяжитесь с персональным менеджером или напишите нам на почту zakaz@podsnab.ru.
Вы можете оформить заказ несколькими способами:
Для оформления заказа от юридического лица свяжитесь с нашим отделом по работе с корпоративными клиентами по телефону +7 (495) 104-99-04 или напишите на email zakaz@podsnab.ru, прикрепив реквизиты вашей организации.
Мы оперативно подготовим коммерческое предложение и выставим счет.
Возврат товара надлежащего качества возможен в течение 10 дней с момента получения, если товар не был в употреблении, сохранен товарный вид, упаковка не вскрывалась и присутствуют все сопроводительные документы.
Возврат денежных средств осуществляется в течение 10 рабочих дней после проверки товара складом.
В соответствии с законодательством возврату не подлежат подшипники надлежащего качества, если отсутствует оригинальная упаковка или имеются следы монтажа.
В случае выявления брака или гарантийного случая мы гарантируем возврат или обмен товара.
Да, гарантийный срок хранения устанавливается заводом-изготовителем и в среднем составляет 2 года при соблюдении условий хранения: сухое помещение, оригинальная упаковка и смазка.
Точный срок для конкретного типа подшипника уточняйте у наших менеджеров.
Пн–Пт: с 8:00 до 17:00 (МСК).
Сб–Вс: выходные дни.
Заказы на сайте принимаются круглосуточно. Заявки, поступившие после окончания рабочего дня, обрабатываются на следующий рабочий день.
Минимальная сумма заказа для доставки составляет 3000 рублей. Самовывоз со склада возможен на любую сумму при наличии товара.
ООО «УралТехГрупп»
ИНН: 7415093830
КПП: 772401001
ОГРН: 1167456069021
Банк: ПАО Сбербанк
Р/с: 40702810838000475273
К/с: 30101810400000000225
БИК: 044525225
У подшипника 6-7000113 ЛТ2 пока нет отзывов. Вы можете стать первым покупателем, поделившимся своим мнением.