Поиск подшипника
Статьи
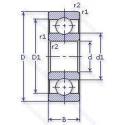
65-121 Б1УТ2 — Шариковый радиальный однорядный подшипник, модификация основного исполнения 121, производство ГПЗ.
Размер подшипника: 105x160x26 мм.
200°, температура отпуска, сепаратор из безоловянистой бронзы, дополнительные технические требования.
Аналоги: 6021MP53S2.
Государственный стандарт ГОСТ
65121Б1УТ2
В наличии
| Обозначение | Конструктивные изменения |
|---|---|
| 65121 | Шариковый радиальный однорядный подшипник. |
| 6-121 АЛШ1 | Сепаратор из латуни.. Повышенная грузоподъемность. Нормы шумности. |
| 6-121 АЛШ | Сепаратор из латуни.. Повышенная грузоподъемность. Нормы шумности. |
| 6-121 АШ1 | Повышенная грузоподъемность. Нормы шумности. |
| 6-121 АШ | Повышенная грузоподъемность. Нормы шумности. |
| 7121 | Шариковый радиальный однорядный подшипник. |
| 121 | Шариковый радиальный однорядный подшипник. Основное конструктивное исполнение. |
| 121-А | Повышенная грузоподъемность. |
| 4121 | Шариковый радиальный однорядный подшипник. |
| 5121 | Шариковый радиальный однорядный подшипник. |
| 5-121 Б1УТ2 | Дополнительные технические требования. 200°. Температура отпуска. Сепаратор из безоловянистой бронзы.. |
| 5-121 БУТ2 | Дополнительные технические требования. 200°. Температура отпуска. Сепаратор из безоловянистой бронзы.. |
Модификации шарикового подшипника 65-121 Б1УТ2 — это измененное основное конструктивное исполнение 121, основные размеры (105x160x26) не отличаются.
| Обозначение | Гост | Конструктивные особенности |
|---|---|---|
| 6021ZX | ISO | Съемная защитная шайба с одной стороны. |
| 6021-2RU | ISO | Non Contact Type Friction Torque = Small High Speed Performance = Good Grease Sealing = Better Than ZZ-Type Dirt Resistance = Better Than ZZ-Type Water Resistance = Better Than ZZ / Inferior To 2RS Operating Temp. -30°C To + 100°C. |
| 6021-Z-N | ISO | щит из листовой прессованной стали с одной стороны подшипника. Канавка под стопорное кольцо на внешнем кольце. |
| 6021-2Z-N | ISO | Защитные металлические шайбы с обеих сторон подшипника. Канавка под стопорное кольцо на внешнем кольце. |
| 6021-2Z-NR | ISO | Защитные металлические шайбы с обеих сторон подшипника. Канавка под стопорное кольцо на наружном кольце с соответствующим стопорным кольцом. |
| 6021-RSR | ISO | Контактное уплотнение с одной стороны. Радиальный тип. |
| 6021VV | ISO | Защитные металлические шайбы. с обеих сторон подшипника. Бесконтактное уплотнение. (лучше. чем ZZ. Можно использовать в умеренно запыленной среде). |
| 6021LLU | ISO | Контактное резиновое уплотнение с двух сторон. |
| 6021LU | ISO | Двухкромочное нитриловое контактное уплотнение. |
| 6021LLB | ISO | Уплотнение бесконтактного типа из синтетического каучука. |
| 6021ZZNR | ISO | Стальная шайба. Канавка и стопорное кольцо на наружном кольце. |
| 9121KD | ISO | Компоненты с покрытием Protect A имеют суффикс - KD. Protect A - это покрытие из чистого хрома с колончатой структурой поверхности. При использовании Protect A каретки с покрытием и направляющие с покрытием должны всегда комбинироваться. Если каретки с покрытием используются с направляющими без покрытия. например. это приведет к уменьшению преднатяга.. |
| 3NCHAC021C | ISO | Угол контакта 20 градусов. |
| 3NC HAR021C FT | ISO | Угол контакта 20 градусов. REINFORCED PHENOLIC CAGE. |
| 3NCHAC021CA | ISO | Угол контакта 20 градусов. Латунный сепаратор с симметричными роликами. |
| 3NCHAD021CA | ISO | Угол контакта 20 градусов. Латунный сепаратор с симметричными роликами. |
| 3NCHAF021CA | ISO | Угол контакта 20 градусов. Латунный сепаратор с симметричными роликами. |
| 3NCHAR021 | ISO | Угол контакта 20 градусов. |
| 3NCHAR021C | ISO | Угол контакта 20 градусов. |
| 3NCHAR021CA | ISO | Угол контакта 20 градусов. Латунный сепаратор с симметричными роликами. |
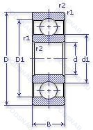
Аналог шарикового подшипника 65-121 Б1УТ2 — это подшипник такого же размера dx105,Dx160,Bx26, типа и конструкции.
| Обозначение | Конструктивные особенности | Внутренний (d) | Наружный (D) | Ширина (B) |
|---|---|---|---|---|
| QJ 1021 | Шариковый радиально-упорный однорядный подшипник. Штампованный сепаратор из стального листа. Шариковый подшипник с четырех-точечным контактом. | 105.00 | 160.00 | 26.00 |
| HCS7021-C-T-P4S | Шариковый радиально-упорный однорядный подшипник. 15° Угол контакта. Textile Laminated Phenolic Resin. Outer Ring Guided. The Cage Is Suitable For Long-Term Operation At Temperatures Up To 100°C. Класс точности. стандарт FAG лучше чем P4. | 105.00 | 160.00 | 26.00 |
| HSS7021-E-T-P4S | Шариковый радиально-упорный однорядный подшипник. Повышенная грузоподъемность. Textile Laminated Phenolic Resin. Outer Ring Guided. The Cage Is Suitable For Long-Term Operation At Temperatures Up To 100°C. Класс точности. стандарт FAG лучше чем P4. | 105.00 | 160.00 | 26.00 |
| 7021CPA | Шариковый радиально-упорный однорядный подшипник. Угол контакта 15 градусов. | 105.00 | 160.00 | 26.00 |
| HAR021CA | Шариковый радиально-упорный однорядный подшипник. Латунный сепаратор с симметричными роликами. | 105.00 | 160.00 | 26.00 |
| HAR021C | Шариковый радиально-упорный однорядный подшипник. Угол контакта 15 градусов. | 105.00 | 160.00 | 26.00 |
| 5S-2LA-HSE021ADG/GNP42 | Шариковый радиально-упорный однорядный подшипник. Универсальный подшипник. Класс точности JIS4 для размеров и JIS 2 для точности вращения. Угол контакта 25°. Гибридный подшипник. | 105.00 | 160.00 | 26.00 |
| 5S-2LA-HSE021G/GNP42 | Шариковый радиально-упорный однорядный подшипник. Универсальный подшипник. Класс точности JIS4 для размеров и JIS 2 для точности вращения. Гибридный подшипник. | 105.00 | 160.00 | 26.00 |
| 5S-2LA-HSE021CG/GNP42 | Шариковый радиально-упорный однорядный подшипник. Угол контакта 15°. Универсальный подшипник. Класс точности JIS4 для размеров и JIS 2 для точности вращения. Гибридный подшипник. | 105.00 | 160.00 | 26.00 |
| 7021C | Шариковый радиально-упорный однорядный подшипник. Угол контакта 15°. | 105.00 | 160.00 | 26.00 |
| QJ 1021 N2MA | Шариковый радиальный подшипник. Измененная или модифицированная внутренняя конструкция при неизменных основных размерах. Шариковый подшипник с четырехточечным контактом. | 105.00 | 160.00 | 26.00 |
| 6021-RS1 | Шариковый радиальный подшипник. Резиновое уплотнение с одной стороны. | 105.00 | 160.00 | 26.00 |
| 6-32121 Л | Роликовый радиальный подшипник. Сепаратор из латуни.. | 105.00 | 160.00 | 26.00 |
| 6-32121 Л1 | Роликовый радиальный однорядный подшипник. Сепаратор из латуни.. | 105.00 | 160.00 | 26.00 |
| 46121-КЕ | Шариковый радиально-упорный однорядный подшипник. «Замок» (скос) на внутреннем кольце плюс массивный сепаратор из текстолита. Сепаратор из текстолита.. | 105.00 | 160.00 | 26.00 |
Способы доставки
Отправка через ведущие транспортные и курьерские компании: ПЭК, Деловые Линии, СДЭК, Байкал-Сервис, Энергия, КИТ, ЖелДорЭкспедиция.
Самовывоз возможен напрямую со склада в Москве.
Сроки доставки
Срок зависит от региона и выбранной транспортной компании. Все заказы комплектуются и отправляются в кратчайшие сроки со склада в Москве.
Надёжность и сохранность
Вся продукция упаковывается с учётом требований транспортировки. Мы гарантируем, что подшипники и комплектующие прибудут к заказчику в полной сохранности.
Доставка в страны ЕАЭС
Мы работаем с проверенными логистическими партнёрами, что позволяет оперативно доставлять заказы в Беларусь, Казахстан, Армению и другие страны ЕАЭС.
Варианты оплаты:
Минимальная сумма заказа и скидки:
Документы и гарантии:
Да, конечно! Наши технические специалисты готовы помочь вам с подбором точного аналога или замены подшипника. Просто позвоните нам по телефону +7 (495) 104-99-04 или напишите на почту zakaz@podsnab.ru.
Для оперативной консультации подготовьте, пожалуйста, имеющиеся данные: маркировку, размеры, тип оборудования или артикул старого подшипника.
Да, конечно! Мы высоко ценим долгосрочное сотрудничество и доверие клиентов по всей России. Для постоянных клиентов действует персональная система скидок.
Условия формируются индивидуально и зависят от:
Чтобы узнать свои условия и получить максимально выгодное предложение, свяжитесь с персональным менеджером или напишите нам на почту zakaz@podsnab.ru.
Вы можете оформить заказ несколькими способами:
Для оформления заказа от юридического лица свяжитесь с нашим отделом по работе с корпоративными клиентами по телефону +7 (495) 104-99-04 или напишите на email zakaz@podsnab.ru, прикрепив реквизиты вашей организации.
Мы оперативно подготовим коммерческое предложение и выставим счет.
Возврат товара надлежащего качества возможен в течение 10 дней с момента получения, если товар не был в употреблении, сохранен товарный вид, упаковка не вскрывалась и присутствуют все сопроводительные документы.
Возврат денежных средств осуществляется в течение 10 рабочих дней после проверки товара складом.
В соответствии с законодательством возврату не подлежат подшипники надлежащего качества, если отсутствует оригинальная упаковка или имеются следы монтажа.
В случае выявления брака или гарантийного случая мы гарантируем возврат или обмен товара.
Да, гарантийный срок хранения устанавливается заводом-изготовителем и в среднем составляет 2 года при соблюдении условий хранения: сухое помещение, оригинальная упаковка и смазка.
Точный срок для конкретного типа подшипника уточняйте у наших менеджеров.
Пн–Пт: с 8:00 до 17:00 (МСК).
Сб–Вс: выходные дни.
Заказы на сайте принимаются круглосуточно. Заявки, поступившие после окончания рабочего дня, обрабатываются на следующий рабочий день.
Минимальная сумма заказа для доставки составляет 3000 рублей. Самовывоз со склада возможен на любую сумму при наличии товара.
ООО «УралТехГрупп»
ИНН: 7415093830
КПП: 772401001
ОГРН: 1167456069021
Банк: ПАО Сбербанк
Р/с: 40702810838000475273
К/с: 30101810400000000225
БИК: 044525225
У подшипника 65-121 Б1УТ2 пока нет отзывов. Вы можете стать первым покупателем, поделившимся своим мнением.