Поиск подшипника
Статьи
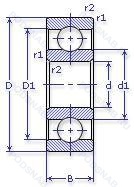
7118 — Шариковый радиальный однорядный подшипник, модификация основного исполнения 118, производство ГПЗ.
Размер подшипника: 90x140x24 мм.
Аналоги: 6018.
Государственный стандарт ГОСТ
7118
В наличии
| Обозначение | Конструктивные изменения |
|---|---|
| 6-118 АШ1 | Повышенная грузоподъемность. Нормы шумности. |
| 6-118 АШ | Повышенная грузоподъемность. Нормы шумности. |
| 6-118 А | Повышенная грузоподъемность. |
| 76-118 АШ | Повышенная грузоподъемность. Нормы шумности. |
| 118 | Шариковый радиальный однорядный подшипник. Основное конструктивное исполнение. |
| 118-А | Повышенная грузоподъемность. |
| 35-118 Л | Сепаратор из латуни.. |
| 3А-118 Л | Сепаратор из латуни.. |
| 5118 | Шариковый радиальный однорядный подшипник. |
| 6118 | Шариковый радиальный однорядный подшипник. |
Модификации шарикового подшипника 7118 — это измененное основное конструктивное исполнение 118, основные размеры (90x140x24) не отличаются.
| Обозначение | Гост | Конструктивные особенности |
|---|---|---|
| 6018 | ISO | Шариковый радиальный однорядный подшипник. |
| 60-18 | ГОСТ | Шариковый радиальный однорядный подшипник. |
| 6018LU | ISO | Двухкромочное нитриловое контактное уплотнение. |
| 6018LLUNR | ISO | Канавка и стопорное кольцо на наружном кольце. Двухкромочное нитриловое контактное уплотнение. |
| 6018ZZNR | ISO | Стальная шайба. Канавка и стопорное кольцо на наружном кольце. |
| 6018LB | ISO | Бесконтактное нитриловое уплотнение. |
| 6018LLB | ISO | Уплотнение бесконтактного типа из синтетического каучука. |
| 6018NREE | ISO | Канавка и стопорное кольцо на наружном кольце. Контактные уплотнения с двух сторон. |
| AB40689 | ISO | Однорядный радиально-упорный шариковый подшипник с полиамидным сепаратором. |
| AB41699 | ISO | Однорядный радиально-упорный шариковый подшипник с полиамидным сепаратором. |
| 9118K | ISO | Коническое отверстие. Конусность 1/12. |
| S6018-2RS | ISO | Резиновые уплотнения с каждой стороны подшипника. |
| 3NCHAC018C | ISO | Угол контакта 20 градусов. |
| 3NC HAR018C FT | ISO | Угол контакта 20 градусов. REINFORCED PHENOLIC CAGE. |
| 3NCHAC018CA | ISO | Угол контакта 20 градусов. Латунный сепаратор с симметричными роликами. |
| 3NCHAF018CA | ISO | Угол контакта 20 градусов. Латунный сепаратор с симметричными роликами. |
| 3NCHAD018CA | ISO | Угол контакта 20 градусов. Латунный сепаратор с симметричными роликами. |
| 3NCHAR018 | ISO | Угол контакта 20 градусов. |
| 3NCHAR018C | ISO | Угол контакта 20 градусов. |
| 3NCHAR018CA | ISO | Угол контакта 20 градусов. Латунный сепаратор с симметричными роликами. |
| 05-950118 Л | ГОСТ | Сепаратор из латуни.. |
| 5-950118 Р3 | ГОСТ | Детали из теплоустойчивой (быстрорежущие) стали.. |
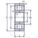
Аналог шарикового подшипника 7118 — это подшипник такого же размера dx90,Dx140,Bx24, типа и конструкции.
| Обозначение | Конструктивные особенности | Внутренний (d) | Наружный (D) | Ширина (B) |
|---|---|---|---|---|
| 46118К | Шариковый радиально-упорный однорядный подшипник. «Замок» (скос) на внутреннем кольце плюс массивный сепаратор из текстолита. | 90.00 | 140.00 | 24.00 |
| 5-32118 Р1 | Роликовый радиальный однорядный подшипник. Детали из теплоустойчивой (быстрорежущие) стали.. | 90.00 | 140.00 | 24.00 |
| 5-32118 Р2 | Роликовый радиальный однорядный подшипник. Детали из теплоустойчивой (быстрорежущие) стали.. | 90.00 | 140.00 | 24.00 |
| 5-36118 К | Шариковый радиально-упорный однорядный подшипник. «Замок» (скос) на внутреннем кольце плюс массивный сепаратор из текстолита. | 90.00 | 140.00 | 24.00 |
| 5-46118 Е | Шариковый радиально-упорный однорядный подшипник. Сепаратор из текстолита.. | 90.00 | 140.00 | 24.00 |
| 5-46118 Е2 | Шариковый радиально-упорный однорядный подшипник. Сепаратор из пластических материалов.. | 90.00 | 140.00 | 24.00 |
| 5-46118 Е5 | Шариковый радиально-упорный однорядный подшипник. Сепаратор из текстолита.. | 90.00 | 140.00 | 24.00 |
| 5-46118 К | Шариковый радиально-упорный однорядный подшипник. «Замок» (скос) на внутреннем кольце плюс массивный сепаратор из текстолита. | 90.00 | 140.00 | 24.00 |
| 5-46118 Л | Шариковый радиально-упорный однорядный подшипник. Сепаратор из латуни.. | 90.00 | 140.00 | 24.00 |
| 5-672118 Б1Т2 | Роликовый радиальный однорядный подшипник. 200°. Температура отпуска. Сепаратор из безоловянистой бронзы.. | 90.00 | 140.00 | 24.00 |
| 5-950118 Л | Шариковый радиальный подшипник. Сепаратор из латуни.. | 90.00 | 140.00 | 24.00 |
| 55-32118 Б2Т2 | Роликовый радиальный однорядный подшипник. 200°. Температура отпуска. Сепаратор из безоловянистой бронзы.. | 90.00 | 140.00 | 24.00 |
| 55-32118 Б3Т | Роликовый радиальный однорядный подшипник. Температура отпуска. 160°. Сепаратор из безоловянистой бронзы.. | 90.00 | 140.00 | 24.00 |
| 55-32118 Р1 | Роликовый радиальный однорядный подшипник. Детали из теплоустойчивой (быстрорежущие) стали.. | 90.00 | 140.00 | 24.00 |
| 5А-32118 Б2Т2 | Роликовый радиальный однорядный подшипник. 200°. Температура отпуска. Сепаратор из безоловянистой бронзы.. | 90.00 | 140.00 | 24.00 |
Способы доставки
Отправка через ведущие транспортные и курьерские компании: ПЭК, Деловые Линии, СДЭК, Байкал-Сервис, Энергия, КИТ, ЖелДорЭкспедиция.
Самовывоз возможен напрямую со склада в Москве.
Сроки доставки
Срок зависит от региона и выбранной транспортной компании. Все заказы комплектуются и отправляются в кратчайшие сроки со склада в Москве.
Надёжность и сохранность
Вся продукция упаковывается с учётом требований транспортировки. Мы гарантируем, что подшипники и комплектующие прибудут к заказчику в полной сохранности.
Доставка в страны ЕАЭС
Мы работаем с проверенными логистическими партнёрами, что позволяет оперативно доставлять заказы в Беларусь, Казахстан, Армению и другие страны ЕАЭС.
Варианты оплаты:
Минимальная сумма заказа и скидки:
Документы и гарантии:
Да, конечно! Наши технические специалисты готовы помочь вам с подбором точного аналога или замены подшипника. Просто позвоните нам по телефону +7 (495) 104-99-04 или напишите на почту zakaz@podsnab.ru.
Для оперативной консультации подготовьте, пожалуйста, имеющиеся данные: маркировку, размеры, тип оборудования или артикул старого подшипника.
Да, конечно! Мы высоко ценим долгосрочное сотрудничество и доверие клиентов по всей России. Для постоянных клиентов действует персональная система скидок.
Условия формируются индивидуально и зависят от:
Чтобы узнать свои условия и получить максимально выгодное предложение, свяжитесь с персональным менеджером или напишите нам на почту zakaz@podsnab.ru.
Вы можете оформить заказ несколькими способами:
Для оформления заказа от юридического лица свяжитесь с нашим отделом по работе с корпоративными клиентами по телефону +7 (495) 104-99-04 или напишите на email zakaz@podsnab.ru, прикрепив реквизиты вашей организации.
Мы оперативно подготовим коммерческое предложение и выставим счет.
Возврат товара надлежащего качества возможен в течение 10 дней с момента получения, если товар не был в употреблении, сохранен товарный вид, упаковка не вскрывалась и присутствуют все сопроводительные документы.
Возврат денежных средств осуществляется в течение 10 рабочих дней после проверки товара складом.
В соответствии с законодательством возврату не подлежат подшипники надлежащего качества, если отсутствует оригинальная упаковка или имеются следы монтажа.
В случае выявления брака или гарантийного случая мы гарантируем возврат или обмен товара.
Да, гарантийный срок хранения устанавливается заводом-изготовителем и в среднем составляет 2 года при соблюдении условий хранения: сухое помещение, оригинальная упаковка и смазка.
Точный срок для конкретного типа подшипника уточняйте у наших менеджеров.
Пн–Пт: с 8:00 до 17:00 (МСК).
Сб–Вс: выходные дни.
Заказы на сайте принимаются круглосуточно. Заявки, поступившие после окончания рабочего дня, обрабатываются на следующий рабочий день.
Минимальная сумма заказа для доставки составляет 3000 рублей. Самовывоз со склада возможен на любую сумму при наличии товара.
ООО «УралТехГрупп»
ИНН: 7415093830
КПП: 772401001
ОГРН: 1167456069021
Банк: ПАО Сбербанк
Р/с: 40702810838000475273
К/с: 30101810400000000225
БИК: 044525225
У подшипника 7118 пока нет отзывов. Вы можете стать первым покупателем, поделившимся своим мнением.