Поиск подшипника
Статьи
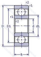
7-7000101 — Шариковый радиальный однорядный подшипник, модификация основного исполнения 7000101, производство ГПЗ.
Размер подшипника: 12x28x7 мм.
Государственный стандарт ГОСТ
77000101
В наличии
| Обозначение | Конструктивные изменения |
|---|---|
| 6-7000101 | Шариковый радиальный однорядный подшипник. |
| 6-7000101 Т | Температура отпуска. 160°. |
| 6-7000101 ТП | Температура отпуска. 160°. |
| 7000101-ЮТ | Температура отпуска. 160°. Все детали или часть деталей из нержавеющей стали.. |
| 75-7000101 БТ2 | 200°. Температура отпуска. Сепаратор из безоловянистой бронзы.. |
| 76-7000101 ЮТ | Температура отпуска. 160°. Все детали или часть деталей из нержавеющей стали.. |
| 7000101 | Шариковый радиальный однорядный подшипник. Основное конструктивное исполнение. |
| 25-7000101 Б | Сепаратор из безоловянистой бронзы.. |
| 35-7000101 Б | Сепаратор из безоловянистой бронзы.. |
| 5-7000101 | Шариковый радиальный однорядный подшипник. |
| 5-7000101 Б | Сепаратор из безоловянистой бронзы.. |
| 5-7000101 БТ2 | 200°. Температура отпуска. Сепаратор из безоловянистой бронзы.. |
| 5-7000101 Т | Температура отпуска. 160°. |
| 5-7000101 Т2 | 200°. Температура отпуска. |
Модификации шарикового подшипника 7-7000101 — это измененное основное конструктивное исполнение 7000101, основные размеры (12x28x7) не отличаются.
| Обозначение | Гост | Конструктивные особенности |
|---|---|---|
| F6001-2RS | ISO | Резиновые уплотнения с каждой стороны подшипника. |
| F6001-2Z | ISO | Защитные металлические шайбы с обеих сторон подшипника. |
| FR8-2Z | ISO | Защитные металлические шайбы с обеих сторон подшипника. |
| 3NCHAC001CA | ISO | Угол контакта 20 градусов. Латунный сепаратор с симметричными роликами. |
| 3NCHAC001C | ISO | Угол контакта 20 градусов. |
| 101-А | ГОСТ | Повышенная грузоподъемность. |
| 180101-А | ГОСТ | Повышенная грузоподъемность. |
| 180101-С17 | ГОСТ | Смазка Литол-24. |
| 26-101 Ю1 | ГОСТ | Все детали или часть деталей из нержавеющей стали.. |
| 26-101 Ю1П | ГОСТ | Все детали или часть деталей из нержавеющей стали.. |
| 5-101 Б | ГОСТ | Сепаратор из безоловянистой бронзы.. |
| 5-101 ЮТ | ГОСТ | Температура отпуска. 160°. Все детали или часть деталей из нержавеющей стали.. |
| 5-60101 ШОС17 | ГОСТ | Смазка Литол-24. Нормы шумности. |
| 5-60101 ШОС9 | ГОСТ | Нормы шумности. Смазка ЛЗ-31. |
| 5-80101 С9 | ГОСТ | Смазка ЛЗ-31. |
| 6-101 Р1 | ГОСТ | Детали из теплоустойчивой (быстрорежущие) стали.. |
| 6-101 Ю | ГОСТ | Все детали или часть деталей из нержавеющей стали.. |
| 6-101 ЮТ | ГОСТ | Температура отпуска. 160°. Все детали или часть деталей из нержавеющей стали.. |
| 6-180101 С17 | ГОСТ | Смазка Литол-24. |
| 6-180101 С9 | ГОСТ | Смазка ЛЗ-31. |
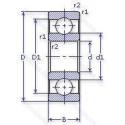
Аналог шарикового подшипника 7-7000101 — это подшипник такого же размера dx12,Dx28,Bx7, типа и конструкции.
| Обозначение | Конструктивные особенности | Внутренний (d) | Наружный (D) | Ширина (B) |
|---|---|---|---|---|
| 4-76101 Ю1П | Шариковый радиально-упорный однорядный подшипник. Все детали или часть деталей из нержавеющей стали.. | 12.00 | 28.00 | 8.00 |
| 4-76101 Ю1У | Шариковый радиально-упорный однорядный подшипник. Дополнительные технические требования. Все детали или часть деталей из нержавеющей стали.. | 12.00 | 28.00 | 8.00 |
| 4-76101 Ю1УП | Шариковый радиально-упорный однорядный подшипник. Дополнительные технические требования. Все детали или часть деталей из нержавеющей стали.. | 12.00 | 28.00 | 8.00 |
| 101-АУ | Шариковый радиальный подшипник. Дополнительные технические требования. Повышенная грузоподъемность. | 12.00 | 28.00 | 8.00 |
| 6001-RSL | Шариковый радиальный подшипник. Sheet Steel Reinforced Low Friction Contact Seal Of Acrylonitrile-Butadiene Rubber (NBR) On One Side Of The Bearing. | 12.00 | 28.00 | 8.00 |
| SFR8ZZ | Шариковый радиальный подшипник. Защитные металлические шайбы с обеих сторон. | 12.70 | 28.57 | 7.94 |
| W 6001-2RZ | Шариковый радиальный подшипник. Шарикоподшипник. С уплотнением и низким коэффициентом трения с обеих сторон. Уплотнение состоит из шайбы из листовой стали с вулканизированной резиной. Нержавеющая сталь. | 12.00 | 28.00 | 8.00 |
| 6-6101 Е1 | Шариковый радиально-упорный однорядный подшипник. Сепаратор из текстолита.. | 12.00 | 28.00 | 8.00 |
| 6101-Е | Шариковый радиально-упорный однорядный подшипник. Сепаратор из текстолита.. | 12.00 | 28.00 | 8.00 |
| 76101-Е | Шариковый радиально-упорный однорядный подшипник. Сепаратор из текстолита.. | 12.00 | 28.00 | 8.00 |
| 76101-Е1 | Шариковый радиально-упорный однорядный подшипник. Сепаратор из текстолита.. | 12.00 | 28.00 | 8.00 |
| 46101К | Шариковый радиально-упорный однорядный подшипник. «Замок» (скос) на внутреннем кольце плюс массивный сепаратор из текстолита. | 12.00 | 28.00 | 8.00 |
| 5-46101 ЕП | Шариковый радиально-упорный однорядный подшипник. Сепаратор из текстолита.. | 12.00 | 28.00 | 8.00 |
| 5-6101 Е | Шариковый радиально-упорный однорядный подшипник. Сепаратор из текстолита.. | 12.00 | 28.00 | 8.00 |
| 5-6101 Е1 | Шариковый радиально-упорный однорядный подшипник. Сепаратор из текстолита.. | 12.00 | 28.00 | 8.00 |
Способы доставки
Отправка через ведущие транспортные и курьерские компании: ПЭК, Деловые Линии, СДЭК, Байкал-Сервис, Энергия, КИТ, ЖелДорЭкспедиция.
Самовывоз возможен напрямую со склада в Москве.
Сроки доставки
Срок зависит от региона и выбранной транспортной компании. Все заказы комплектуются и отправляются в кратчайшие сроки со склада в Москве.
Надёжность и сохранность
Вся продукция упаковывается с учётом требований транспортировки. Мы гарантируем, что подшипники и комплектующие прибудут к заказчику в полной сохранности.
Доставка в страны ЕАЭС
Мы работаем с проверенными логистическими партнёрами, что позволяет оперативно доставлять заказы в Беларусь, Казахстан, Армению и другие страны ЕАЭС.
Варианты оплаты:
Минимальная сумма заказа и скидки:
Документы и гарантии:
Да, конечно! Наши технические специалисты готовы помочь вам с подбором точного аналога или замены подшипника. Просто позвоните нам по телефону +7 (495) 104-99-04 или напишите на почту zakaz@podsnab.ru.
Для оперативной консультации подготовьте, пожалуйста, имеющиеся данные: маркировку, размеры, тип оборудования или артикул старого подшипника.
Да, конечно! Мы высоко ценим долгосрочное сотрудничество и доверие клиентов по всей России. Для постоянных клиентов действует персональная система скидок.
Условия формируются индивидуально и зависят от:
Чтобы узнать свои условия и получить максимально выгодное предложение, свяжитесь с персональным менеджером или напишите нам на почту zakaz@podsnab.ru.
Вы можете оформить заказ несколькими способами:
Для оформления заказа от юридического лица свяжитесь с нашим отделом по работе с корпоративными клиентами по телефону +7 (495) 104-99-04 или напишите на email zakaz@podsnab.ru, прикрепив реквизиты вашей организации.
Мы оперативно подготовим коммерческое предложение и выставим счет.
Возврат товара надлежащего качества возможен в течение 10 дней с момента получения, если товар не был в употреблении, сохранен товарный вид, упаковка не вскрывалась и присутствуют все сопроводительные документы.
Возврат денежных средств осуществляется в течение 10 рабочих дней после проверки товара складом.
В соответствии с законодательством возврату не подлежат подшипники надлежащего качества, если отсутствует оригинальная упаковка или имеются следы монтажа.
В случае выявления брака или гарантийного случая мы гарантируем возврат или обмен товара.
Да, гарантийный срок хранения устанавливается заводом-изготовителем и в среднем составляет 2 года при соблюдении условий хранения: сухое помещение, оригинальная упаковка и смазка.
Точный срок для конкретного типа подшипника уточняйте у наших менеджеров.
Пн–Пт: с 8:00 до 17:00 (МСК).
Сб–Вс: выходные дни.
Заказы на сайте принимаются круглосуточно. Заявки, поступившие после окончания рабочего дня, обрабатываются на следующий рабочий день.
Минимальная сумма заказа для доставки составляет 3000 рублей. Самовывоз со склада возможен на любую сумму при наличии товара.
ООО «УралТехГрупп»
ИНН: 7415093830
КПП: 772401001
ОГРН: 1167456069021
Банк: ПАО Сбербанк
Р/с: 40702810838000475273
К/с: 30101810400000000225
БИК: 044525225
У подшипника 7-7000101 пока нет отзывов. Вы можете стать первым покупателем, поделившимся своим мнением.