Поиск подшипника
Статьи
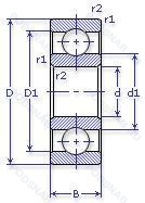
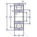
70-114 Е5 — Шариковый радиальный однорядный подшипник, модификация основного исполнения 114, производство ГПЗ.
Размер подшипника: 70x110x20 мм.
Сепаратор из текстолита.
Аналоги: 6014MA.
Государственный стандарт ГОСТ
70114Е5
В наличии
| Обозначение | Конструктивные изменения |
|---|---|
| 6-114 АК1Ш1 | Нормы шумности. Повышенная грузоподъемность. |
| 6-114 АК1Ш | Повышенная грузоподъемность. Нормы шумности. |
| 6-114 АЛШ | Сепаратор из латуни.. Повышенная грузоподъемность. Нормы шумности. |
| 6-114 Ш | Нормы шумности. |
| 76-114 АК1Ш1 | Нормы шумности. Повышенная грузоподъемность. |
| 76-114 АК1Ш | Повышенная грузоподъемность. Нормы шумности. |
| 76-114 АК1 | Повышенная грузоподъемность. |
| 76-114 Ш | Нормы шумности. |
| 70-114 А | Повышенная грузоподъемность. |
| 75-114 Л | Сепаратор из латуни.. |
| 8-114 Е5 | Сепаратор из текстолита.. |
| 8-114-К | «Замок» (скос) на внутреннем кольце плюс массивный сепаратор из текстолита. |
| 114-А | Повышенная грузоподъемность. |
| 114-АК1 | Повышенная грузоподъемность. |
| 114-АЛ | Сепаратор из латуни.. Повышенная грузоподъемность. |
| 114-Е | Сепаратор из текстолита.. |
| 114-Е5 | Сепаратор из текстолита.. |
| 114-К | «Замок» (скос) на внутреннем кольце плюс массивный сепаратор из текстолита. |
| 114-Л | Сепаратор из латуни.. |
| 35-114 Л | Сепаратор из латуни.. |
| 35-114 Ю2 | Все детали или часть деталей из нержавеющей стали.. |
| 46-114 А | Повышенная грузоподъемность. |
| 5-114 А | Повышенная грузоподъемность. |
| 6-114 А | Повышенная грузоподъемность. |
| 6-114 Е5 | Сепаратор из текстолита.. |
Модификации шарикового подшипника 70-114 Е5 — это измененное основное конструктивное исполнение 114, основные размеры (70x110x20) не отличаются.
| Обозначение | Гост | Конструктивные особенности |
|---|---|---|
| 6014MA | ISO | Механически обработанный латунный сепаратор. Центрирование по внешнему кольцу. |
| 6014LB | ISO | Бесконтактное нитриловое уплотнение. |
| 6014NREE | ISO | Канавка и стопорное кольцо на наружном кольце. Контактные уплотнения с двух сторон. |
| 9114P | ISO | Сеаратор из литого полиамида 6.6. армированного стекловолокном. |
| 9114KG | ISO | Серия с закрепительной втулкой и смазочным отверстием. |
| 9114KD | ISO | Компоненты с покрытием Protect A имеют суффикс - KD. Protect A - это покрытие из чистого хрома с колончатой структурой поверхности. При использовании Protect A каретки с покрытием и направляющие с покрытием должны всегда комбинироваться. Если каретки с покрытием используются с направляющими без покрытия. например. это приведет к уменьшению преднатяга.. |
| 9114KDD | ISO | Защитные металлические шайбы по обе стороны подшипника с цилиндрическим наружным диаметром. |
| 3NC 7014 FT | ISO | REINFORCED PHENOLIC CAGE. |
| 3NC HAR014C FT | ISO | Угол контакта 20 градусов. REINFORCED PHENOLIC CAGE. |
| 3NCHAC014CA | ISO | Угол контакта 20 градусов. Латунный сепаратор с симметричными роликами. |
| 3NCHAC014C | ISO | Угол контакта 20 градусов. |
| 3NCHAD014CA | ISO | Угол контакта 20 градусов. Латунный сепаратор с симметричными роликами. |
| 3NCHAF014CA | ISO | Угол контакта 20 градусов. Латунный сепаратор с симметричными роликами. |
| 3NCHAR014CA | ISO | Угол контакта 20 градусов. Латунный сепаратор с симметричными роликами. |
| 3NCHAR014C | ISO | Угол контакта 20 градусов. |
| 3NCHAR014 | ISO | Угол контакта 20 градусов. |
| 180114-АК1 | ГОСТ | Повышенная грузоподъемность. |
| 180114-С17 | ГОСТ | Смазка Литол-24. |
| 280114-С23 | ГОСТ | Смазка ШРУС-4. |
| 6-180114 АС17 | ГОСТ | Смазка Литол-24. Повышенная грузоподъемность. |
| 6-180114 С17 | ГОСТ | Смазка Литол-24. |
Аналог шарикового подшипника 70-114 Е5 — это подшипник такого же размера dx70,Dx110,Bx20, типа и конструкции.
| Обозначение | Конструктивные особенности | Внутренний (d) | Наружный (D) | Ширина (B) |
|---|---|---|---|---|
| 6-32114 Б1Т | Роликовый радиальный однорядный подшипник. Температура отпуска. 160°. Сепаратор из безоловянистой бронзы.. | 70.00 | 110.00 | 20.00 |
| 6-46114 АЛ | Шариковый радиально-упорный однорядный подшипник. Сепаратор из латуни.. Повышенная грузоподъемность. | 70.00 | 110.00 | 20.00 |
| 6-46114 Л | Шариковый радиально-упорный однорядный подшипник. Сепаратор из латуни.. | 70.00 | 110.00 | 20.00 |
| JP7049/10 | Роликовый радиальный-упорный однорядный подшипник. Distance Between Beginning Of The Rail And First Hole In MM. | 70.00 | 110.00 | 21.00 |
| 46114-АЕ | Шариковый радиально-упорный однорядный подшипник. Сепаратор из текстолита.. Повышенная грузоподъемность. | 70.00 | 110.00 | 20.00 |
| 46114-АЛ | Шариковый радиально-упорный однорядный подшипник. Сепаратор из латуни.. Повышенная грузоподъемность. | 70.00 | 110.00 | 20.00 |
| 46114-КЕ | Шариковый радиально-упорный однорядный подшипник. «Замок» (скос) на внутреннем кольце плюс массивный сепаратор из текстолита. Сепаратор из текстолита.. | 70.00 | 110.00 | 20.00 |
| 46114-Л | Шариковый радиально-упорный однорядный подшипник. Сепаратор из латуни.. | 70.00 | 110.00 | 20.00 |
| 46114К | Шариковый радиально-упорный однорядный подшипник. «Замок» (скос) на внутреннем кольце плюс массивный сепаратор из текстолита. | 70.00 | 110.00 | 20.00 |
| 5-32114 Б1Т | Роликовый радиальный однорядный подшипник. Температура отпуска. 160°. Сепаратор из безоловянистой бронзы.. | 70.00 | 110.00 | 20.00 |
| 5-32114 Р | Роликовый радиальный однорядный подшипник. Детали из теплоустойчивой (быстрорежущие) стали.. | 70.00 | 110.00 | 20.00 |
| 5-36114 К | Шариковый радиально-упорный однорядный подшипник. «Замок» (скос) на внутреннем кольце плюс массивный сепаратор из текстолита. | 70.00 | 110.00 | 20.00 |
| 5-46114 К | Шариковый радиально-упорный однорядный подшипник. «Замок» (скос) на внутреннем кольце плюс массивный сепаратор из текстолита. | 70.00 | 110.00 | 20.00 |
| 5-46114 Л | Шариковый радиально-упорный однорядный подшипник. Сепаратор из латуни.. | 70.00 | 110.00 | 20.00 |
| 55-32114 Б1Т | Роликовый радиальный однорядный подшипник. Температура отпуска. 160°. Сепаратор из безоловянистой бронзы.. | 70.00 | 110.00 | 20.00 |
Способы доставки
Отправка через ведущие транспортные и курьерские компании: ПЭК, Деловые Линии, СДЭК, Байкал-Сервис, Энергия, КИТ, ЖелДорЭкспедиция.
Самовывоз возможен напрямую со склада в Москве.
Сроки доставки
Срок зависит от региона и выбранной транспортной компании. Все заказы комплектуются и отправляются в кратчайшие сроки со склада в Москве.
Надёжность и сохранность
Вся продукция упаковывается с учётом требований транспортировки. Мы гарантируем, что подшипники и комплектующие прибудут к заказчику в полной сохранности.
Доставка в страны ЕАЭС
Мы работаем с проверенными логистическими партнёрами, что позволяет оперативно доставлять заказы в Беларусь, Казахстан, Армению и другие страны ЕАЭС.
Варианты оплаты:
Минимальная сумма заказа и скидки:
Документы и гарантии:
Да, конечно! Наши технические специалисты готовы помочь вам с подбором точного аналога или замены подшипника. Просто позвоните нам по телефону +7 (495) 104-99-04 или напишите на почту zakaz@podsnab.ru.
Для оперативной консультации подготовьте, пожалуйста, имеющиеся данные: маркировку, размеры, тип оборудования или артикул старого подшипника.
Да, конечно! Мы высоко ценим долгосрочное сотрудничество и доверие клиентов по всей России. Для постоянных клиентов действует персональная система скидок.
Условия формируются индивидуально и зависят от:
Чтобы узнать свои условия и получить максимально выгодное предложение, свяжитесь с персональным менеджером или напишите нам на почту zakaz@podsnab.ru.
Вы можете оформить заказ несколькими способами:
Для оформления заказа от юридического лица свяжитесь с нашим отделом по работе с корпоративными клиентами по телефону +7 (495) 104-99-04 или напишите на email zakaz@podsnab.ru, прикрепив реквизиты вашей организации.
Мы оперативно подготовим коммерческое предложение и выставим счет.
Возврат товара надлежащего качества возможен в течение 10 дней с момента получения, если товар не был в употреблении, сохранен товарный вид, упаковка не вскрывалась и присутствуют все сопроводительные документы.
Возврат денежных средств осуществляется в течение 10 рабочих дней после проверки товара складом.
В соответствии с законодательством возврату не подлежат подшипники надлежащего качества, если отсутствует оригинальная упаковка или имеются следы монтажа.
В случае выявления брака или гарантийного случая мы гарантируем возврат или обмен товара.
Да, гарантийный срок хранения устанавливается заводом-изготовителем и в среднем составляет 2 года при соблюдении условий хранения: сухое помещение, оригинальная упаковка и смазка.
Точный срок для конкретного типа подшипника уточняйте у наших менеджеров.
Пн–Пт: с 8:00 до 17:00 (МСК).
Сб–Вс: выходные дни.
Заказы на сайте принимаются круглосуточно. Заявки, поступившие после окончания рабочего дня, обрабатываются на следующий рабочий день.
Минимальная сумма заказа для доставки составляет 3000 рублей. Самовывоз со склада возможен на любую сумму при наличии товара.
ООО «УралТехГрупп»
ИНН: 7415093830
КПП: 772401001
ОГРН: 1167456069021
Банк: ПАО Сбербанк
Р/с: 40702810838000475273
К/с: 30101810400000000225
БИК: 044525225
У подшипника 70-114 Е5 пока нет отзывов. Вы можете стать первым покупателем, поделившимся своим мнением.