Поиск подшипника
Статьи
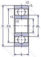
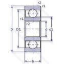
70-217 К5 — Шариковый радиальный однорядный подшипник, модификация основного исполнения 217, производство ГПЗ.
Размер подшипника: 85x150x28 мм.
Повышенная грузоподъемность.
Государственный стандарт ГОСТ
70217К5
В наличии
| Обозначение | Конструктивные изменения |
|---|---|
| 4-217 Л | Сепаратор из латуни.. |
| 75-217 Л | Сепаратор из латуни.. |
| 70-217 А | Повышенная грузоподъемность. |
| 6-217 А | Повышенная грузоподъемность. |
| УР-217 К5 | Повышенная грузоподъемность. |
| 4-217 АК5Ш3 | Повышенная грузоподъемность. Нормы шумности. |
| 5-217 АК5Ш2 | Нормы шумности. Повышенная грузоподъемность. |
| 6-217 АК5Ш1 | Нормы шумности. Повышенная грузоподъемность. |
| 6-217 АК5Ш | Повышенная грузоподъемность. Нормы шумности. |
| 60-217 К5 | Повышенная грузоподъемность. |
| 66-217 К5 | Повышенная грузоподъемность. |
| 76-217 АК5Ш1 | Нормы шумности. Повышенная грузоподъемность. |
| 6-217 Б1УТ | Дополнительные технические требования. Температура отпуска. 160°. Сепаратор из безоловянистой бронзы.. |
| 6-217 ЕШ2 | Сепаратор из текстолита.. Нормы шумности. |
| 6-217 К5 | Повышенная грузоподъемность. |
| 6-217 К5Ш2У | Дополнительные технические требования. Нормы шумности. Повышенная грузоподъемность. |
| 6-217 У | Дополнительные технические требования. |
| 6-217 Ш2У | Дополнительные технические требования. Нормы шумности. |
| 76-217 К5 | Повышенная грузоподъемность. |
| 217-А | Повышенная грузоподъемность. |
| 217-АК5 | Повышенная грузоподъемность. |
| 217-К5 | Повышенная грузоподъемность. |
| 4-217 У | Дополнительные технические требования. |
| 5-217 К5 | Повышенная грузоподъемность. |
| 5-217 Л | Сепаратор из латуни.. |
Модификации шарикового подшипника 70-217 К5 — это измененное основное конструктивное исполнение 217, основные размеры (85x150x28) не отличаются.
| Обозначение | Гост | Конструктивные особенности |
|---|---|---|
| 76-80217 А1К5W24Ш | ГОСТ | Повышенная грузоподъемность. Нормы шумности. Смазка пластичная Shell Alvania Greases G2. |
| 80217-А1К5Ш | ГОСТ | Повышенная грузоподъемность. Нормы шумности. |
| M6217 | ISO | Шарикоподшипник максимальной грузоподъемности. |
| M6217ZZ | ISO | Защитные металлические шайбы с обеих сторон. Шарикоподшипник максимальной грузоподъемности. |
| 6217-2RU | ISO | Non Contact Type Friction Torque = Small High Speed Performance = Good Grease Sealing = Better Than ZZ-Type Dirt Resistance = Better Than ZZ-Type Water Resistance = Better Than ZZ / Inferior To 2RS Operating Temp. -30°C To + 100°C. |
| 6217-2NK | ISO | Double Labyrinth Seal (Non Contact). |
| 6217NSL | ISO | Резиновое уплотнение с одной стороны. |
| 6217NK | ISO | One Labyrinth Seal (Non Contact). |
| 6217-2Z-N | ISO | Защитные металлические шайбы с обеих сторон подшипника. Канавка под стопорное кольцо на внешнем кольце. |
| 6217-RSR | ISO | Контактное уплотнение с одной стороны. Радиальный тип. |
| 6217-2Z-NR | ISO | Защитные металлические шайбы с обеих сторон подшипника. Канавка под стопорное кольцо на наружном кольце с соответствующим стопорным кольцом. |
| 6217ZZNR | ISO | Стальная шайба. Канавка и стопорное кольцо на наружном кольце. |
| 6217LB | ISO | Бесконтактное нитриловое уплотнение. |
| 6217LLB | ISO | Уплотнение бесконтактного типа из синтетического каучука. |
| 6217/VA201 | ISO | Подшипник для высокотемпературных применений (например. печных тележек). |
| 6217F600 | ISO | Ассортимент TOPLINE для очень высокой температуры - Максимум 350 C°. |
| 150217-АК6 | ГОСТ | Повышенная грузоподъемность. |
| 150217-К5 | ГОСТ | Повышенная грузоподъемность. |
| 50217-АК5 | ГОСТ | Повышенная грузоподъемность. |
| 50217-К5 | ГОСТ | Повышенная грузоподъемность. |
Аналог шарикового подшипника 70-217 К5 — это подшипник такого же размера dx85,Dx150,Bx28, типа и конструкции.
| Обозначение | Конструктивные особенности | Внутренний (d) | Наружный (D) | Ширина (B) |
|---|---|---|---|---|
| 7217A | Роликовый радиальный-упорный однорядный подшипник. Двухрядный радиально-упорный шарикоподшипник без отверстия для смазки. | 85.00 | 150.00 | 28.00 |
| 42217-КМ | Роликовый радиальный однорядный подшипник. Кольцевая проточка на середине цилиндрической наружной поверхности наружного кольца плюс три отверстия для смазки. Модифицированный контакт.. | 85.00 | 150.00 | 28.00 |
| 42217-Л | Роликовый радиальный однорядный подшипник. Сепаратор из латуни.. | 85.00 | 150.00 | 28.00 |
| 42217-М | Роликовый радиальный однорядный подшипник. Модифицированный контакт.. | 85.00 | 150.00 | 28.00 |
| 42217KM | Роликовый радиальный однорядный подшипник. Type Of Model. | 85.00 | 150.00 | 28.00 |
| 42217M | Роликовый радиальный однорядный подшипник. Подшипник с латунным сепаратором. центрированный по телам качения. | 85.00 | 150.00 | 28.00 |
| 46217-Е | Шариковый радиально-упорный однорядный подшипник. Сепаратор из текстолита.. | 85.00 | 150.00 | 28.00 |
| 46217-Л | Шариковый радиально-упорный однорядный подшипник. Сепаратор из латуни.. | 85.00 | 150.00 | 28.00 |
| 46217К | Шариковый радиально-упорный однорядный подшипник. «Замок» (скос) на внутреннем кольце плюс массивный сепаратор из текстолита. | 85.00 | 150.00 | 28.00 |
| 5-276217 БТ2 | Шариковый радиально-упорный однорядный подшипник. 200°. Температура отпуска. Сепаратор из безоловянистой бронзы.. | 85.00 | 150.00 | 28.00 |
| 5-36217 Е | Шариковый радиально-упорный однорядный подшипник. Сепаратор из текстолита.. | 85.00 | 150.00 | 28.00 |
| 5-36217 Е5 | Шариковый радиально-упорный однорядный подшипник. Сепаратор из текстолита.. | 85.00 | 150.00 | 28.00 |
| 5-36217 Л | Шариковый радиально-упорный однорядный подшипник. Сепаратор из латуни.. | 85.00 | 150.00 | 28.00 |
| 5-46217 Е | Шариковый радиально-упорный однорядный подшипник. Сепаратор из текстолита.. | 85.00 | 150.00 | 28.00 |
| 5-46217 Л | Шариковый радиально-упорный однорядный подшипник. Сепаратор из латуни.. | 85.00 | 150.00 | 28.00 |
Способы доставки
Отправка через ведущие транспортные и курьерские компании: ПЭК, Деловые Линии, СДЭК, Байкал-Сервис, Энергия, КИТ, ЖелДорЭкспедиция.
Самовывоз возможен напрямую со склада в Москве.
Сроки доставки
Срок зависит от региона и выбранной транспортной компании. Все заказы комплектуются и отправляются в кратчайшие сроки со склада в Москве.
Надёжность и сохранность
Вся продукция упаковывается с учётом требований транспортировки. Мы гарантируем, что подшипники и комплектующие прибудут к заказчику в полной сохранности.
Доставка в страны ЕАЭС
Мы работаем с проверенными логистическими партнёрами, что позволяет оперативно доставлять заказы в Беларусь, Казахстан, Армению и другие страны ЕАЭС.
Варианты оплаты:
Минимальная сумма заказа и скидки:
Документы и гарантии:
Да, конечно! Наши технические специалисты готовы помочь вам с подбором точного аналога или замены подшипника. Просто позвоните нам по телефону +7 (495) 104-99-04 или напишите на почту zakaz@podsnab.ru.
Для оперативной консультации подготовьте, пожалуйста, имеющиеся данные: маркировку, размеры, тип оборудования или артикул старого подшипника.
Да, конечно! Мы высоко ценим долгосрочное сотрудничество и доверие клиентов по всей России. Для постоянных клиентов действует персональная система скидок.
Условия формируются индивидуально и зависят от:
Чтобы узнать свои условия и получить максимально выгодное предложение, свяжитесь с персональным менеджером или напишите нам на почту zakaz@podsnab.ru.
Вы можете оформить заказ несколькими способами:
Для оформления заказа от юридического лица свяжитесь с нашим отделом по работе с корпоративными клиентами по телефону +7 (495) 104-99-04 или напишите на email zakaz@podsnab.ru, прикрепив реквизиты вашей организации.
Мы оперативно подготовим коммерческое предложение и выставим счет.
Возврат товара надлежащего качества возможен в течение 10 дней с момента получения, если товар не был в употреблении, сохранен товарный вид, упаковка не вскрывалась и присутствуют все сопроводительные документы.
Возврат денежных средств осуществляется в течение 10 рабочих дней после проверки товара складом.
В соответствии с законодательством возврату не подлежат подшипники надлежащего качества, если отсутствует оригинальная упаковка или имеются следы монтажа.
В случае выявления брака или гарантийного случая мы гарантируем возврат или обмен товара.
Да, гарантийный срок хранения устанавливается заводом-изготовителем и в среднем составляет 2 года при соблюдении условий хранения: сухое помещение, оригинальная упаковка и смазка.
Точный срок для конкретного типа подшипника уточняйте у наших менеджеров.
Пн–Пт: с 8:00 до 17:00 (МСК).
Сб–Вс: выходные дни.
Заказы на сайте принимаются круглосуточно. Заявки, поступившие после окончания рабочего дня, обрабатываются на следующий рабочий день.
Минимальная сумма заказа для доставки составляет 3000 рублей. Самовывоз со склада возможен на любую сумму при наличии товара.
ООО «УралТехГрупп»
ИНН: 7415093830
КПП: 772401001
ОГРН: 1167456069021
Банк: ПАО Сбербанк
Р/с: 40702810838000475273
К/с: 30101810400000000225
БИК: 044525225
У подшипника 70-217 К5 пока нет отзывов. Вы можете стать первым покупателем, поделившимся своим мнением.