Поиск подшипника
Статьи
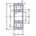
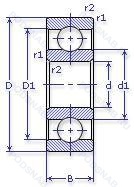
70-416 Ш2У — Шариковый радиальный однорядный подшипник, модификация основного исполнения 416, производство ГПЗ.
Размер подшипника: 80x200x48 мм.
Нормы шумности, дополнительные технические требования.
Аналоги: 6416C3Q6.
Государственный стандарт ГОСТ
70416Ш2У
В наличии
| Обозначение | Конструктивные изменения |
|---|---|
| 5-416 АШ2 | Нормы шумности. Повышенная грузоподъемность. |
| 6-416-АШ1 | Повышенная грузоподъемность. Нормы шумности. |
| 6-416-АШ | Повышенная грузоподъемность. Нормы шумности. |
| 60-416 А | Повышенная грузоподъемность. |
| 70-416 АШ2У | Дополнительные технические требования. Нормы шумности. Повышенная грузоподъемность. |
| 76-416 АШ1 | Повышенная грузоподъемность. Нормы шумности. |
| 6-416 | Шариковый радиальный однорядный подшипник. |
| 70416 | Шариковый радиальный однорядный подшипник. |
| 70-416 А | Повышенная грузоподъемность. |
| 416 | Шариковый радиальный однорядный подшипник. Основное конструктивное исполнение. |
| 416-А | Повышенная грузоподъемность. |
| 416-АЛ | Сепаратор из латуни.. Повышенная грузоподъемность. |
| 5-416 Л | Сепаратор из латуни.. |
Модификации шарикового подшипника 70-416 Ш2У — это измененное основное конструктивное исполнение 416, основные размеры (80x200x48) не отличаются.
| Обозначение | Гост | Конструктивные особенности |
|---|---|---|
| 6-50416-АШ1 | ГОСТ | Повышенная грузоподъемность. Нормы шумности. |
| 6-50416-АШ | ГОСТ | Повышенная грузоподъемность. Нормы шумности. |
| 6-80416-АW24Ш1 | ГОСТ | Повышенная грузоподъемность. Нормы шумности. Смазка пластичная Shell Alvania Greases G2. |
| 6-80416-АW24Ш | ГОСТ | Повышенная грузоподъемность. Нормы шумности. Смазка пластичная Shell Alvania Greases G2. |
| 60-50416 А | ГОСТ | Повышенная грузоподъемность. |
| 76-50416 АШ | ГОСТ | Повышенная грузоподъемность. Нормы шумности. |
| 6-50416 | ГОСТ | Шариковый радиальный однорядный подшипник. |
| 6-50416/6416.N.Р6Q6 | ГОСТ | Канавка под стопорное кольцо на внешнем кольце. Детали из теплоустойчивой (быстрорежущие) стали.. |
| 70-50416 А | ГОСТ | Повышенная грузоподъемность. |
| 50416 | ГОСТ | Шариковый радиальный однорядный подшипник. |
| 50416-А | ГОСТ | Повышенная грузоподъемность. |
Аналог шарикового подшипника 70-416 Ш2У — это подшипник такого же размера dx80,Dx200,Bx48, типа и конструкции.
| Обозначение | Конструктивные особенности | Внутренний (d) | Наружный (D) | Ширина (B) |
|---|---|---|---|---|
| 6-46416-ЛШ | Шариковый радиально-упорный однорядный подшипник. Сепаратор из латуни.. Нормы шумности. | 80.00 | 200.00 | 48.00 |
| 6-66416-А1ЛШ1 | Шариковый радиально-упорный однорядный подшипник. Сепаратор из латуни.. Повышенная грузоподъемность. Нормы шумности. | 80.00 | 200.00 | 48.00 |
| 7416BG | Шариковый радиально-упорный однорядный подшипник. 40° Угол контакта. | 80.00 | 200.00 | 48.00 |
| 7416WN | Шариковый радиально-упорный однорядный подшипник. Sizes 7201K Through 7203WN Have A 20° Угол контакта And A Nylon Cage. Sizes 7204WN through 7218WN have a 40° Угол контакта And A One-Piece. Ball Piloted. Pressed Brass Cage. Larger Sizes 7219WN Through 7230WN Have A 40° Угол контакта And A One-Piece. Outer Ring Piloted High-Strength Machined Bronze Cage. | 80.00 | 200.00 | 48.00 |
| 7416B | Шариковый радиально-упорный однорядный подшипник. Угол контакта 40°. | 80.00 | 200.00 | 48.00 |
| 7416 A | Шариковый радиально-упорный однорядный подшипник. Двухрядный радиально-упорный шарикоподшипник без отверстия для смазки. | 80.00 | 200.00 | 48.00 |
| 2В0-46416 Е | Шариковый радиально-упорный однорядный подшипник. Сепаратор из текстолита.. | 80.00 | 200.00 | 48.00 |
| 6-32416-Л | Роликовый радиальный однорядный подшипник. Сепаратор из латуни.. | 80.00 | 200.00 | 48.00 |
| 6-32416-Л1 | Роликовый радиальный однорядный подшипник. Сепаратор из латуни.. | 80.00 | 200.00 | 48.00 |
| 6-46416-Е | Шариковый радиально-упорный однорядный подшипник. Сепаратор из текстолита.. | 80.00 | 200.00 | 48.00 |
| 6-46416-Л | Шариковый радиально-упорный однорядный подшипник. Сепаратор из латуни.. | 80.00 | 200.00 | 48.00 |
| 6-66416-Л | Шариковый радиально-упорный однорядный подшипник. Сепаратор из латуни.. | 80.00 | 200.00 | 48.00 |
| 66416-Л | Шариковый радиально-упорный однорядный подшипник. Сепаратор из латуни.. | 80.00 | 200.00 | 48.00 |
| 46416-Е | Шариковый радиально-упорный однорядный подшипник. Сепаратор из текстолита.. | 80.00 | 200.00 | 48.00 |
| 46416-Л | Шариковый радиально-упорный однорядный подшипник. Сепаратор из латуни.. | 80.00 | 200.00 | 48.00 |
Способы доставки
Отправка через ведущие транспортные и курьерские компании: ПЭК, Деловые Линии, СДЭК, Байкал-Сервис, Энергия, КИТ, ЖелДорЭкспедиция.
Самовывоз возможен напрямую со склада в Москве.
Сроки доставки
Срок зависит от региона и выбранной транспортной компании. Все заказы комплектуются и отправляются в кратчайшие сроки со склада в Москве.
Надёжность и сохранность
Вся продукция упаковывается с учётом требований транспортировки. Мы гарантируем, что подшипники и комплектующие прибудут к заказчику в полной сохранности.
Доставка в страны ЕАЭС
Мы работаем с проверенными логистическими партнёрами, что позволяет оперативно доставлять заказы в Беларусь, Казахстан, Армению и другие страны ЕАЭС.
Варианты оплаты:
Минимальная сумма заказа и скидки:
Документы и гарантии:
Да, конечно! Наши технические специалисты готовы помочь вам с подбором точного аналога или замены подшипника. Просто позвоните нам по телефону +7 (495) 104-99-04 или напишите на почту zakaz@podsnab.ru.
Для оперативной консультации подготовьте, пожалуйста, имеющиеся данные: маркировку, размеры, тип оборудования или артикул старого подшипника.
Да, конечно! Мы высоко ценим долгосрочное сотрудничество и доверие клиентов по всей России. Для постоянных клиентов действует персональная система скидок.
Условия формируются индивидуально и зависят от:
Чтобы узнать свои условия и получить максимально выгодное предложение, свяжитесь с персональным менеджером или напишите нам на почту zakaz@podsnab.ru.
Вы можете оформить заказ несколькими способами:
Для оформления заказа от юридического лица свяжитесь с нашим отделом по работе с корпоративными клиентами по телефону +7 (495) 104-99-04 или напишите на email zakaz@podsnab.ru, прикрепив реквизиты вашей организации.
Мы оперативно подготовим коммерческое предложение и выставим счет.
Возврат товара надлежащего качества возможен в течение 10 дней с момента получения, если товар не был в употреблении, сохранен товарный вид, упаковка не вскрывалась и присутствуют все сопроводительные документы.
Возврат денежных средств осуществляется в течение 10 рабочих дней после проверки товара складом.
В соответствии с законодательством возврату не подлежат подшипники надлежащего качества, если отсутствует оригинальная упаковка или имеются следы монтажа.
В случае выявления брака или гарантийного случая мы гарантируем возврат или обмен товара.
Да, гарантийный срок хранения устанавливается заводом-изготовителем и в среднем составляет 2 года при соблюдении условий хранения: сухое помещение, оригинальная упаковка и смазка.
Точный срок для конкретного типа подшипника уточняйте у наших менеджеров.
Пн–Пт: с 8:00 до 17:00 (МСК).
Сб–Вс: выходные дни.
Заказы на сайте принимаются круглосуточно. Заявки, поступившие после окончания рабочего дня, обрабатываются на следующий рабочий день.
Минимальная сумма заказа для доставки составляет 3000 рублей. Самовывоз со склада возможен на любую сумму при наличии товара.
ООО «УралТехГрупп»
ИНН: 7415093830
КПП: 772401001
ОГРН: 1167456069021
Банк: ПАО Сбербанк
Р/с: 40702810838000475273
К/с: 30101810400000000225
БИК: 044525225
У подшипника 70-416 Ш2У пока нет отзывов. Вы можете стать первым покупателем, поделившимся своим мнением.