Поиск подшипника
Статьи
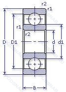
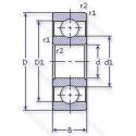
70-7000107 — Шариковый радиальный однорядный подшипник, модификация основного исполнения 7000107, производство ГПЗ.
Размер подшипника: 35x62x9 мм.
Аналоги: 16007C3.
Государственный стандарт ГОСТ
707000107
В наличии
| Обозначение | Конструктивные изменения |
|---|---|
| 4-7000107 | Шариковый радиальный однорядный подшипник. |
| 6-7000107 АШ1 | Повышенная грузоподъемность. Нормы шумности. |
| 6-7000107 АШ | Повышенная грузоподъемность. Нормы шумности. |
| 6-7000107 А | Повышенная грузоподъемность. |
| 6-7000107 | Шариковый радиальный однорядный подшипник. |
| 6-7000107 Б | Сепаратор из безоловянистой бронзы.. |
| 6-7000107 Р | Детали из теплоустойчивой (быстрорежущие) стали.. |
| 7000107-А | Повышенная грузоподъемность. |
| 7000107-Б | Сепаратор из безоловянистой бронзы.. |
| 7000107-БТ2 | 200°. Температура отпуска. Сепаратор из безоловянистой бронзы.. |
| 76-7000107 БТ2 | 200°. Температура отпуска. Сепаратор из безоловянистой бронзы.. |
| 7000107 | Шариковый радиальный однорядный подшипник. Основное конструктивное исполнение. |
| 26-7000107 Б | Сепаратор из безоловянистой бронзы.. |
| 26-7000107 БТ2 | 200°. Температура отпуска. Сепаратор из безоловянистой бронзы.. |
| 26-7000107 Р | Детали из теплоустойчивой (быстрорежущие) стали.. |
| 5-7000107 | Шариковый радиальный однорядный подшипник. |
Модификации шарикового подшипника 70-7000107 — это измененное основное конструктивное исполнение 7000107, основные размеры (35x62x9) не отличаются.
| Обозначение | Гост | Конструктивные особенности |
|---|---|---|
| 16007-C3 | ISO | Внутренний зазор больше нормального. |
| 16007/36 | ISO | 2.1/4. |
| 16007/HR11QN | ISO | Шариковый радиальный однорядный подшипник. |
| 16007/HR11TN | ISO | Шариковый радиальный однорядный подшипник. |
| 16007/HR22Q2 | ISO | Шариковый радиальный однорядный подшипник. |
| 16007/HR22T2 | ISO | Шариковый радиальный однорядный подшипник. |
Аналог шарикового подшипника 70-7000107 — это подшипник такого же размера dx35,Dx62,Bx9, типа и конструкции.
| Обозначение | Конструктивные особенности | Внутренний (d) | Наружный (D) | Ширина (B) |
|---|---|---|---|---|
| 16007ZZ | Подшипник однорядный шариковый радиальный. Защитные металлические шайбы (бесконтактные уплотнения) с обеих сторон подшипника. | 35.00 | 62.00 | 9.00 |
| 16007-2Z | Подшипник однорядный шариковый радиальный. Защитные металлические шайбы с обеих сторон подшипника. | 35.00 | 62.00 | 9.00 |
| 16007 2RS | Подшипник однорядный шариковый радиальный. Прорезиненное уплотнение с двух сторон. | 35.00 | 62.00 | 9.00 |
| 16007/D8 | Подшипник однорядный шариковый радиальный. Deep Groove Ball Bearing Of Open Design. Also Available As Standard With Shields Or Seals. But Without Seal Recesses In The Outer Ring. | 35.00 | 62.00 | 9.00 |
| 16007/W64 | Подшипник однорядный шариковый радиальный. Антифрикционный заполнитель. твердая смазка. | 35.00 | 62.00 | 9.00 |
| 16007RS | Подшипник однорядный шариковый радиальный. Резиновое уплотнение с одной стороны. | 35.00 | 62.00 | 9.00 |
| 16007TB | Подшипник однорядный шариковый радиальный. Сепаратор оконного типа из фенольной смолы. армированной тканью. Центрирование по внутреннему кольцу. | 35.00 | 62.00 | 9.00 |
| 16007/C3D8 | Подшипник однорядный шариковый радиальный. Внутренний зазор больше нормального. Deep Groove Ball Bearing Of Open Design. Also Available As Standard With Shields Or Seals. But Without Seal Recesses In The Outer Ring. | 35.00 | 62.00 | 9.00 |
| SS16007 2RS | Подшипник шариковый из нержавеющей стали. Резиновые уплотнения с каждой стороны подшипника. | 35.00 | 62.00 | 9.00 |
| SS16007 2RS SUS420 | Подшипник шариковый из нержавеющей стали. Резиновые уплотнения с каждой стороны подшипника. Same As AISI420. | 35.00 | 62.00 | 9.00 |
| 10X16007G15 | Подшипник однорядный шариковый радиальный. Литой сепаратор из полиамида 6.6. армированного стекловолокном. Центрированный элемент качения.. | 35.00 | 62.00 | 9.00 |
| 16007-A-C3 | Подшипник однорядный шариковый радиальный. Внутренний зазор больше нормального. Модификация внутренней конструкции. | 35.00 | 62.00 | 9.00 |
| 16007-A | Подшипник однорядный шариковый радиальный. Модификация внутренней конструкции. | 35.00 | 62.00 | 9.00 |
| SS16007C5 | Подшипник шариковый из нержавеющей стали. Внутренний зазор подшипника больше. чем С4. | 35.00 | 62.00 | 9.00 |
| 16007CM | Подшипник однорядный шариковый радиальный. Шариковый подшипник. Специальный радиальный внутренний зазор для электродвигателей. | 35.00 | 62.00 | 9.00 |
Способы доставки
Отправка через ведущие транспортные и курьерские компании: ПЭК, Деловые Линии, СДЭК, Байкал-Сервис, Энергия, КИТ, ЖелДорЭкспедиция.
Самовывоз возможен напрямую со склада в Москве.
Сроки доставки
Срок зависит от региона и выбранной транспортной компании. Все заказы комплектуются и отправляются в кратчайшие сроки со склада в Москве.
Надёжность и сохранность
Вся продукция упаковывается с учётом требований транспортировки. Мы гарантируем, что подшипники и комплектующие прибудут к заказчику в полной сохранности.
Доставка в страны ЕАЭС
Мы работаем с проверенными логистическими партнёрами, что позволяет оперативно доставлять заказы в Беларусь, Казахстан, Армению и другие страны ЕАЭС.
Варианты оплаты:
Минимальная сумма заказа и скидки:
Документы и гарантии:
Да, конечно! Наши технические специалисты готовы помочь вам с подбором точного аналога или замены подшипника. Просто позвоните нам по телефону +7 (495) 104-99-04 или напишите на почту zakaz@podsnab.ru.
Для оперативной консультации подготовьте, пожалуйста, имеющиеся данные: маркировку, размеры, тип оборудования или артикул старого подшипника.
Да, конечно! Мы высоко ценим долгосрочное сотрудничество и доверие клиентов по всей России. Для постоянных клиентов действует персональная система скидок.
Условия формируются индивидуально и зависят от:
Чтобы узнать свои условия и получить максимально выгодное предложение, свяжитесь с персональным менеджером или напишите нам на почту zakaz@podsnab.ru.
Вы можете оформить заказ несколькими способами:
Для оформления заказа от юридического лица свяжитесь с нашим отделом по работе с корпоративными клиентами по телефону +7 (495) 104-99-04 или напишите на email zakaz@podsnab.ru, прикрепив реквизиты вашей организации.
Мы оперативно подготовим коммерческое предложение и выставим счет.
Возврат товара надлежащего качества возможен в течение 10 дней с момента получения, если товар не был в употреблении, сохранен товарный вид, упаковка не вскрывалась и присутствуют все сопроводительные документы.
Возврат денежных средств осуществляется в течение 10 рабочих дней после проверки товара складом.
В соответствии с законодательством возврату не подлежат подшипники надлежащего качества, если отсутствует оригинальная упаковка или имеются следы монтажа.
В случае выявления брака или гарантийного случая мы гарантируем возврат или обмен товара.
Да, гарантийный срок хранения устанавливается заводом-изготовителем и в среднем составляет 2 года при соблюдении условий хранения: сухое помещение, оригинальная упаковка и смазка.
Точный срок для конкретного типа подшипника уточняйте у наших менеджеров.
Пн–Пт: с 8:00 до 17:00 (МСК).
Сб–Вс: выходные дни.
Заказы на сайте принимаются круглосуточно. Заявки, поступившие после окончания рабочего дня, обрабатываются на следующий рабочий день.
Минимальная сумма заказа для доставки составляет 3000 рублей. Самовывоз со склада возможен на любую сумму при наличии товара.
ООО «УралТехГрупп»
ИНН: 7415093830
КПП: 772401001
ОГРН: 1167456069021
Банк: ПАО Сбербанк
Р/с: 40702810838000475273
К/с: 30101810400000000225
БИК: 044525225
У подшипника 70-7000107 пока нет отзывов. Вы можете стать первым покупателем, поделившимся своим мнением.