Поиск подшипника
Статьи
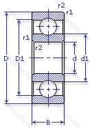
7000112-Б — Шариковый радиальный однорядный подшипник, модификация основного исполнения 7000112, производство ГПЗ.
Размер подшипника: 60x95x11 мм.
Сепаратор из безоловянистой бронзы.
Аналоги: 16012MA.
Государственный стандарт ГОСТ
7000112Б
В наличии
| Обозначение | Конструктивные изменения |
|---|---|
| 4-7000112 | Шариковый радиальный однорядный подшипник. |
| 6-7000112 АШ1 | Повышенная грузоподъемность. Нормы шумности. |
| 6-7000112 АШ | Повышенная грузоподъемность. Нормы шумности. |
| 6-7000112 | Шариковый радиальный однорядный подшипник. |
| 7000112-А | Повышенная грузоподъемность. |
| 7000112 | Шариковый радиальный однорядный подшипник. Основное конструктивное исполнение. |
| 5-7000112 | Шариковый радиальный однорядный подшипник. |
Модификации шарикового подшипника 7000112-Б — это измененное основное конструктивное исполнение 7000112, основные размеры (60x95x11) не отличаются.
| Обозначение | Конструктивные особенности | Внутренний (d) | Наружный (D) | Ширина (B) |
|---|---|---|---|---|
| K81212LPB | Подшипник роликовый цилиндрический в сборе с сепаратором. Обработанная сепаратор из легкого металла. Верховой вал. | 60.00 | 95.00 | 11.00 |
| AZK609511 | Подшипник роликовый цилиндрический в сборе с сепаратором. | 60.00 | 95.00 | 11.00 |
| 16012C3 | Подшипник однорядный шариковый радиальный. Внутренний зазор больше нормального. | 60.00 | 95.00 | 11.00 |
| 16012 | Подшипник однорядный шариковый радиальный. | 60.00 | 95.00 | 11.00 |
| AZK609511M | Подшипник роликовый цилиндрический в сборе с сепаратором. Механически обработанный латунный сепаратор .Расположенный на элементах качения. | 60.00 | 95.00 | 11.00 |
| 16012/W64 | Подшипник однорядный шариковый радиальный. Антифрикционный заполнитель. твердая смазка. | 60.00 | 95.00 | 11.00 |
| K81212-TV | Подшипник роликовый цилиндрический в сборе с сепаратором. Прочный сепаратор из полиамида. армированного стекловолокном. | 60.00 | 95.00 | 11.00 |
| 16012A12 | Подшипник однорядный шариковый радиальный. Осевой люфт в микронах. | 60.00 | 95.00 | 11.00 |
| 16012-C2 | Подшипник однорядный шариковый радиальный. Внутренний зазор подшипника меньше нормального. | 60.00 | 95.00 | 11.00 |
| K81212 | Подшипник роликовый цилиндрический в сборе с сепаратором. | 60.00 | 95.00 | 11.00 |
| K81212-TV/0-8 | Подшипник роликовый цилиндрический в сборе с сепаратором. Прочный сепаратор из полиамида. армированного стекловолокном. микрон. игольчатая сортировка. Средний предварительный натяг. | 60.00 | 95.00 | 11.00 |
| 16012P5 | Подшипник однорядный шариковый радиальный. Размерная и рабочая точность соответствует классу допуска ISO 5. | 60.00 | 95.00 | 11.00 |
| VEX60/S/NS 7 CE3 UL | Подшипник шариковый однорядный радиально-упорный. Герметичный подшипник, бесконтактный. Фенольная смола. Подшипник для универсального монтажа. Два подшипника. установленные по О-образной или Х-образной схеме. имеют лёгкий преднатяг. Расположение внешнего сепаратора. Abec.7. ACD (SKF)=25° Угол контакта. Шарики из нитрида кремния Si3N4 (гибридные подшипники). Керамические шарики. | 60.00 | 95.00 | 12.00 |
| K81212-TVPB | Подшипник роликовый цилиндрический в сборе с сепаратором. Литой полиамидный сепаратор оконного типа. направляющий внутреннее кольцо. | 60.00 | 95.00 | 11.00 |
| 119712 | Роликовый упорный однорядный подшипник. | 60.00 | 95.00 | 10.00 |
Способы доставки
Отправка через ведущие транспортные и курьерские компании: ПЭК, Деловые Линии, СДЭК, Байкал-Сервис, Энергия, КИТ, ЖелДорЭкспедиция.
Самовывоз возможен напрямую со склада в Москве.
Сроки доставки
Срок зависит от региона и выбранной транспортной компании. Все заказы комплектуются и отправляются в кратчайшие сроки со склада в Москве.
Надёжность и сохранность
Вся продукция упаковывается с учётом требований транспортировки. Мы гарантируем, что подшипники и комплектующие прибудут к заказчику в полной сохранности.
Доставка в страны ЕАЭС
Мы работаем с проверенными логистическими партнёрами, что позволяет оперативно доставлять заказы в Беларусь, Казахстан, Армению и другие страны ЕАЭС.
Варианты оплаты:
Минимальная сумма заказа и скидки:
Документы и гарантии:
Да, конечно! Наши технические специалисты готовы помочь вам с подбором точного аналога или замены подшипника. Просто позвоните нам по телефону +7 (495) 104-99-04 или напишите на почту zakaz@podsnab.ru.
Для оперативной консультации подготовьте, пожалуйста, имеющиеся данные: маркировку, размеры, тип оборудования или артикул старого подшипника.
Да, конечно! Мы высоко ценим долгосрочное сотрудничество и доверие клиентов по всей России. Для постоянных клиентов действует персональная система скидок.
Условия формируются индивидуально и зависят от:
Чтобы узнать свои условия и получить максимально выгодное предложение, свяжитесь с персональным менеджером или напишите нам на почту zakaz@podsnab.ru.
Вы можете оформить заказ несколькими способами:
Для оформления заказа от юридического лица свяжитесь с нашим отделом по работе с корпоративными клиентами по телефону +7 (495) 104-99-04 или напишите на email zakaz@podsnab.ru, прикрепив реквизиты вашей организации.
Мы оперативно подготовим коммерческое предложение и выставим счет.
Возврат товара надлежащего качества возможен в течение 10 дней с момента получения, если товар не был в употреблении, сохранен товарный вид, упаковка не вскрывалась и присутствуют все сопроводительные документы.
Возврат денежных средств осуществляется в течение 10 рабочих дней после проверки товара складом.
В соответствии с законодательством возврату не подлежат подшипники надлежащего качества, если отсутствует оригинальная упаковка или имеются следы монтажа.
В случае выявления брака или гарантийного случая мы гарантируем возврат или обмен товара.
Да, гарантийный срок хранения устанавливается заводом-изготовителем и в среднем составляет 2 года при соблюдении условий хранения: сухое помещение, оригинальная упаковка и смазка.
Точный срок для конкретного типа подшипника уточняйте у наших менеджеров.
Пн–Пт: с 8:00 до 17:00 (МСК).
Сб–Вс: выходные дни.
Заказы на сайте принимаются круглосуточно. Заявки, поступившие после окончания рабочего дня, обрабатываются на следующий рабочий день.
Минимальная сумма заказа для доставки составляет 3000 рублей. Самовывоз со склада возможен на любую сумму при наличии товара.
ООО «УралТехГрупп»
ИНН: 7415093830
КПП: 772401001
ОГРН: 1167456069021
Банк: ПАО Сбербанк
Р/с: 40702810838000475273
К/с: 30101810400000000225
БИК: 044525225
У подшипника 7000112-Б пока нет отзывов. Вы можете стать первым покупателем, поделившимся своим мнением.