Поиск подшипника
Статьи
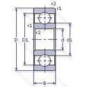
75-307 ЕШ3 — Шариковый радиальный однорядный подшипник, модификация основного исполнения 307, производство ГПЗ.
Размер подшипника: 35x80x21 мм.
Нормы шумности, сепаратор из текстолита.
Государственный стандарт ГОСТ
75307ЕШ3
В наличии
| Обозначение | Конструктивные изменения |
|---|---|
| 70-307 АК | Повышенная грузоподъемность. |
| 70-307 Ш | Нормы шумности. |
| 70-307 Ш2У | Дополнительные технические требования. Нормы шумности. |
| 75-307 ЕШ2 | Сепаратор из текстолита.. Нормы шумности. |
| 76-307 Е | Сепаратор из текстолита.. |
| 76-307 Е5 | Сепаратор из текстолита.. |
| 76-307 ЕШ2 | Сепаратор из текстолита.. Нормы шумности. |
| 76-307 ЕШ2У | Сепаратор из текстолита.. Дополнительные технические требования. Нормы шумности. |
| 76-307 Ш | Нормы шумности. |
| 76-307 Ш2У | Дополнительные технические требования. Нормы шумности. |
| 20-307 А1 | Повышенная грузоподъемность. |
| 2В0-307 А | Повышенная грузоподъемность. |
| 2ВО-307 А | Повышенная грузоподъемность. |
| 307-А | Повышенная грузоподъемность. |
| 307-А1 | Повышенная грузоподъемность. |
| 307-АК | Повышенная грузоподъемность. |
| 307-АС3 | Повышенная грузоподъемность. Смазка ВНИИНП-210. |
| 307-Б | Сепаратор из безоловянистой бронзы.. |
| 307-Е5 | Сепаратор из текстолита.. |
| 307-К4 | «Замок» (скос) на внутреннем кольце плюс массивный сепаратор из текстолита. |
| 307-У | Дополнительные технические требования. |
| 307-Ш | Нормы шумности. |
| 307-Ш2У | Дополнительные технические требования. Нормы шумности. |
| 307E5 | Смазочные отверстия и канавки во внутреннем кольце. |
| 4-307 Е5 | Сепаратор из текстолита.. |
Модификации шарикового подшипника 75-307 ЕШ3 — это измененное основное конструктивное исполнение 307, основные размеры (35x80x21) не отличаются.
| Обозначение | Гост | Конструктивные особенности |
|---|---|---|
| 1680207-А1Т2С27 | ГОСТ | 200°. Температура отпуска. Повышенная грузоподъемность. Смазка ФАНОЛ. |
| 1680207-АК7T2 | ГОСТ | Повышенная грузоподъемность. |
| 1680207-К7Т2С17 | ГОСТ | Смазка Литол-24. 200°. Температура отпуска. «Замок» (скос) на внутреннем кольце. |
| 1680207-С17 | ГОСТ | Смазка Литол-24. |
| 1680207-Т2С17 | ГОСТ | Смазка Литол-24. 200°. Температура отпуска. |
| 180307-А | ГОСТ | Повышенная грузоподъемность. |
| 180307-АК | ГОСТ | Повышенная грузоподъемность. |
| 180307-АКС9 | ГОСТ | Повышенная грузоподъемность. Смазка ЛЗ-31. |
| 180307-АС17 | ГОСТ | Смазка Литол-24. Повышенная грузоподъемность. |
| 180307-К4С9 | ГОСТ | «Замок» (скос) на внутреннем кольце плюс массивный сепаратор из текстолита. Смазка ЛЗ-31. |
| 180307-К4С9Ш2У | ГОСТ | Дополнительные технические требования. Нормы шумности. Смазка ЛЗ-31. |
| 2В0-180307 АС17 | ГОСТ | Смазка Литол-24. Повышенная грузоподъемность. |
| 2В0-60307 А | ГОСТ | Повышенная грузоподъемность. |
| 2В70-60307 А | ГОСТ | Повышенная грузоподъемность. |
| 50307-А | ГОСТ | Повышенная грузоподъемность. |
| 50307-А1 | ГОСТ | Повышенная грузоподъемность. |
| 50307-АК | ГОСТ | Повышенная грузоподъемность. |
| 50307-АКШ | ГОСТ | Повышенная грузоподъемность. Нормы шумности. |
| 6-180307 АКС9 | ГОСТ | Повышенная грузоподъемность. Смазка ЛЗ-31. |
| 6-180307 Ш | ГОСТ | Нормы шумности. |
Аналог шарикового подшипника 75-307 ЕШ3 — это подшипник такого же размера dx35,Dx80,Bx21, типа и конструкции.
| Обозначение | Конструктивные особенности | Внутренний (d) | Наружный (D) | Ширина (B) |
|---|---|---|---|---|
| 42307KM | Роликовый радиальный однорядный подшипник. Type Of Model. | 35.00 | 80.00 | 21.00 |
| 42307M | Роликовый радиальный однорядный подшипник. Подшипник с латунным сепаратором. центрированный по телам качения. | 35.00 | 80.00 | 21.00 |
| 42307ЛM | Роликовый радиальный однорядный подшипник. Подшипник с латунным сепаратором. центрированный по телам качения. Сепаратор из латуни.. | 35.00 | 80.00 | 21.00 |
| 45-176307 ЕШ2 | Шариковый радиально-упорный однорядный подшипник. Сепаратор из текстолита.. Нормы шумности. | 35.00 | 80.00 | 21.00 |
| 46307-АЕ1 | Шариковый радиально-упорный однорядный подшипник. Сепаратор из текстолита.. Повышенная грузоподъемность. | 35.00 | 80.00 | 21.00 |
| 46307-АЛ | Шариковый радиально-упорный однорядный подшипник. Сепаратор из латуни.. Повышенная грузоподъемность. | 35.00 | 80.00 | 21.00 |
| 46307-Б | Шариковый радиально-упорный однорядный подшипник. Сепаратор из безоловянистой бронзы.. | 35.00 | 80.00 | 21.00 |
| 46307-Е | Шариковый радиально-упорный однорядный подшипник. Сепаратор из текстолита.. | 35.00 | 80.00 | 21.00 |
| 46307-Л | Шариковый радиально-упорный однорядный подшипник. Сепаратор из латуни.. | 35.00 | 80.00 | 21.00 |
| 46307К | Шариковый радиально-упорный однорядный подшипник. «Замок» (скос) на внутреннем кольце плюс массивный сепаратор из текстолита. | 35.00 | 80.00 | 21.00 |
| 5-46307 АЛ | Шариковый радиально-упорный однорядный подшипник. Сепаратор из латуни.. Повышенная грузоподъемность. | 35.00 | 80.00 | 21.00 |
| 5-46307 АЛШ2 | Шариковый радиально-упорный однорядный подшипник. Сепаратор из латуни.. Нормы шумности. Повышенная грузоподъемность. | 35.00 | 80.00 | 21.00 |
| 5-46307 ЕШ2 | Шариковый радиально-упорный однорядный подшипник. Сепаратор из текстолита.. Нормы шумности. | 35.00 | 80.00 | 21.00 |
| 5-46307 Л | Шариковый радиально-упорный однорядный подшипник. Сепаратор из латуни.. | 35.00 | 80.00 | 21.00 |
| 6-176307 Л | Шариковый радиально-упорный однорядный подшипник. Сепаратор из латуни.. | 35.00 | 80.00 | 21.00 |
Способы доставки
Отправка через ведущие транспортные и курьерские компании: ПЭК, Деловые Линии, СДЭК, Байкал-Сервис, Энергия, КИТ, ЖелДорЭкспедиция.
Самовывоз возможен напрямую со склада в Москве.
Сроки доставки
Срок зависит от региона и выбранной транспортной компании. Все заказы комплектуются и отправляются в кратчайшие сроки со склада в Москве.
Надёжность и сохранность
Вся продукция упаковывается с учётом требований транспортировки. Мы гарантируем, что подшипники и комплектующие прибудут к заказчику в полной сохранности.
Доставка в страны ЕАЭС
Мы работаем с проверенными логистическими партнёрами, что позволяет оперативно доставлять заказы в Беларусь, Казахстан, Армению и другие страны ЕАЭС.
Варианты оплаты:
Минимальная сумма заказа и скидки:
Документы и гарантии:
Да, конечно! Наши технические специалисты готовы помочь вам с подбором точного аналога или замены подшипника. Просто позвоните нам по телефону +7 (495) 104-99-04 или напишите на почту zakaz@podsnab.ru.
Для оперативной консультации подготовьте, пожалуйста, имеющиеся данные: маркировку, размеры, тип оборудования или артикул старого подшипника.
Да, конечно! Мы высоко ценим долгосрочное сотрудничество и доверие клиентов по всей России. Для постоянных клиентов действует персональная система скидок.
Условия формируются индивидуально и зависят от:
Чтобы узнать свои условия и получить максимально выгодное предложение, свяжитесь с персональным менеджером или напишите нам на почту zakaz@podsnab.ru.
Вы можете оформить заказ несколькими способами:
Для оформления заказа от юридического лица свяжитесь с нашим отделом по работе с корпоративными клиентами по телефону +7 (495) 104-99-04 или напишите на email zakaz@podsnab.ru, прикрепив реквизиты вашей организации.
Мы оперативно подготовим коммерческое предложение и выставим счет.
Возврат товара надлежащего качества возможен в течение 10 дней с момента получения, если товар не был в употреблении, сохранен товарный вид, упаковка не вскрывалась и присутствуют все сопроводительные документы.
Возврат денежных средств осуществляется в течение 10 рабочих дней после проверки товара складом.
В соответствии с законодательством возврату не подлежат подшипники надлежащего качества, если отсутствует оригинальная упаковка или имеются следы монтажа.
В случае выявления брака или гарантийного случая мы гарантируем возврат или обмен товара.
Да, гарантийный срок хранения устанавливается заводом-изготовителем и в среднем составляет 2 года при соблюдении условий хранения: сухое помещение, оригинальная упаковка и смазка.
Точный срок для конкретного типа подшипника уточняйте у наших менеджеров.
Пн–Пт: с 8:00 до 17:00 (МСК).
Сб–Вс: выходные дни.
Заказы на сайте принимаются круглосуточно. Заявки, поступившие после окончания рабочего дня, обрабатываются на следующий рабочий день.
Минимальная сумма заказа для доставки составляет 3000 рублей. Самовывоз со склада возможен на любую сумму при наличии товара.
ООО «УралТехГрупп»
ИНН: 7415093830
КПП: 772401001
ОГРН: 1167456069021
Банк: ПАО Сбербанк
Р/с: 40702810838000475273
К/с: 30101810400000000225
БИК: 044525225
У подшипника 75-307 ЕШ3 пока нет отзывов. Вы можете стать первым покупателем, поделившимся своим мнением.