Поиск подшипника
Статьи
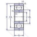
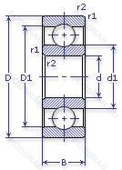
76-313 ЕШ2У — Шариковый радиальный однорядный подшипник, модификация основного исполнения 313, производство ГПЗ.
Размер подшипника: 65x140x33 мм.
Нормы шумности, сепаратор из текстолита, дополнительные технические требования.
Аналоги: 6313TBP63Q6.
Государственный стандарт ГОСТ
76313ЕШ2У
В наличии
| Обозначение | Конструктивные изменения |
|---|---|
| 6-313 Ш2 | Нормы шумности. |
| 70-313 А | Повышенная грузоподъемность. |
| 70-313 АК | Повышенная грузоподъемность. |
| 75-313 ЕШ | Сепаратор из текстолита.. Нормы шумности. |
| 75-313 ЕШ3 | Сепаратор из текстолита.. Нормы шумности. |
| 76-313 А | Повышенная грузоподъемность. |
| 76-313 АК | Повышенная грузоподъемность. |
| 76-313 АКШ2У | Дополнительные технические требования. Нормы шумности. Повышенная грузоподъемность. |
| 76-313 АШ2У | Дополнительные технические требования. Нормы шумности. Повышенная грузоподъемность. |
| 76-313 Е | Сепаратор из текстолита.. |
| 76-313 ЕШ | Сепаратор из текстолита.. Нормы шумности. |
| 76-313 Ш2У | Дополнительные технические требования. Нормы шумности. |
| 25-313 ЕШ2 | Сепаратор из текстолита.. Нормы шумности. |
| 313-А | Повышенная грузоподъемность. |
| 313-АШ2У | Дополнительные технические требования. Нормы шумности. Повышенная грузоподъемность. |
| 313-Е | Сепаратор из текстолита.. |
| 313-Л | Сепаратор из латуни.. |
| 313A | Двухрядный радиально-упорный шарикоподшипник без отверстия для смазки. |
| 313Ш2У | Дополнительные технические требования. Нормы шумности. |
| 313Ю2 | Все детали или часть деталей из нержавеющей стали.. |
| 35-313 ЕШ2 | Сепаратор из текстолита.. Нормы шумности. |
| 35-313 ЕШ3 | Сепаратор из текстолита.. Нормы шумности. |
| 36-313 Е | Сепаратор из текстолита.. |
| 36-313 Ю2Т | Температура отпуска. 160°. Все детали или часть деталей из нержавеющей стали.. |
| 4-313 А | Повышенная грузоподъемность. |
Модификации шарикового подшипника 76-313 ЕШ2У — это измененное основное конструктивное исполнение 313, основные размеры (65x140x33) не отличаются.
| Обозначение | Гост | Конструктивные особенности |
|---|---|---|
| M6313 | ISO | Шарикоподшипник максимальной грузоподъемности. |
| 6313-2RU | ISO | Non Contact Type Friction Torque = Small High Speed Performance = Good Grease Sealing = Better Than ZZ-Type Dirt Resistance = Better Than ZZ-Type Water Resistance = Better Than ZZ / Inferior To 2RS Operating Temp. -30°C To + 100°C. |
| 6313-2NKE | ISO | Double Labyrinth Seal (Non Contact). |
| 6313ZE | ISO | щит из листовой прессованной стали с одной стороны подшипника. |
| 6313VV | ISO | Защитные металлические шайбы. с обеих сторон подшипника. Бесконтактное уплотнение. (лучше. чем ZZ. Можно использовать в умеренно запыленной среде). |
| 75-170313 Е1Ш3 | ГОСТ | Сепаратор из текстолита.. Нормы шумности. |
| 75-170313 ЕУШ6 | ГОСТ | Сепаратор из текстолита.. Дополнительные технические требования. Нормы шумности. |
| 6313LU | ISO | Двухкромочное нитриловое контактное уплотнение. |
| 6313LLBNR | ISO | Канавка и стопорное кольцо на наружном кольце. Бесконтактное нитриловое уплотнение. |
| 6313LBLU | ISO | Двухкромочное нитриловое контактное уплотнение. Бесконтактное нитриловое уплотнение. |
| 6313LUNR | ISO | Канавка и стопорное кольцо на наружном кольце. Двухкромочное нитриловое контактное уплотнение. |
| 6313LLUNR | ISO | Канавка и стопорное кольцо на наружном кольце. Двухкромочное нитриловое контактное уплотнение. |
| 6313LLB | ISO | Уплотнение бесконтактного типа из синтетического каучука. |
| 6313-2Z/VA201 | ISO | Защитные металлические шайбы с обеих сторон подшипника. Подшипник для высокотемпературных применений (например. печных тележек). |
| 170313Е | ГОСТ | Сепаратор из текстолита.. |
| 180313-А | ГОСТ | Повышенная грузоподъемность. |
| 180313Ш1 | ГОСТ | Нормы шумности. |
| 50313-А | ГОСТ | Повышенная грузоподъемность. |
| 50313-АК | ГОСТ | Повышенная грузоподъемность. |
| 50313A | ГОСТ | Двухрядный радиально-упорный шарикоподшипник без отверстия для смазки. |
Аналог шарикового подшипника 76-313 ЕШ2У — это подшипник такого же размера dx65,Dx140,Bx33, типа и конструкции.
| Обозначение | Конструктивные особенности | Внутренний (d) | Наружный (D) | Ширина (B) |
|---|---|---|---|---|
| 70-2313 М1 | Роликовый радиальный однорядный подшипник. Модифицированный контакт.. | 65.00 | 140.00 | 33.00 |
| 70-32313 Л | Роликовый радиальный подшипник. Сепаратор из латуни.. | 65.00 | 140.00 | 33.00 |
| 70-32313 М | Роликовый радиальный однорядный подшипник. Модифицированный контакт.. | 65.00 | 140.00 | 33.00 |
| 70-42313 М | Роликовый радиальный однорядный подшипник. Модифицированный контакт.. | 65.00 | 140.00 | 33.00 |
| 75-176313 ЕШ2 | Шариковый радиально-упорный однорядный подшипник. Сепаратор из текстолита.. Нормы шумности. | 65.00 | 140.00 | 33.00 |
| 76-176313 ЕШ2 | Шариковый радиально-упорный однорядный подшипник. Сепаратор из текстолита.. Нормы шумности. | 65.00 | 140.00 | 33.00 |
| 76-176313 ЕШ2У | Шариковый радиально-упорный однорядный подшипник. Сепаратор из текстолита.. Дополнительные технические требования. Нормы шумности. | 65.00 | 140.00 | 33.00 |
| 1313 TN9 | Шариковый сферический двухрядный подшипник. Литой защелкивающийся сепаратор из полиамида. армированного стекловолокном 6.6. | 65.00 | 140.00 | 33.00 |
| 42313-КМ | Роликовый радиальный однорядный подшипник. Модифицированный контакт.. | 65.00 | 140.00 | 33.00 |
| 42313-ЛМ | Роликовый радиальный однорядный подшипник. Сепаратор из латуни.. Модифицированный контакт.. | 65.00 | 140.00 | 33.00 |
| 42313-М | Роликовый радиальный однорядный подшипник. Модифицированный контакт.. | 65.00 | 140.00 | 33.00 |
| 46313-Л | Шариковый радиально-упорный однорядный подшипник. Сепаратор из латуни.. | 65.00 | 140.00 | 33.00 |
| 46313К | Шариковый радиально-упорный однорядный подшипник. «Замок» (скос) на внутреннем кольце плюс массивный сепаратор из текстолита. | 65.00 | 140.00 | 33.00 |
| 6-102313 М | Роликовый радиальный однорядный подшипник. Модифицированный контакт.. | 65.00 | 140.00 | 33.00 |
| 6-176313 ЕШ2У | Шариковый радиально-упорный однорядный подшипник. Сепаратор из текстолита.. Дополнительные технические требования. Нормы шумности. | 65.00 | 140.00 | 33.00 |
Способы доставки
Отправка через ведущие транспортные и курьерские компании: ПЭК, Деловые Линии, СДЭК, Байкал-Сервис, Энергия, КИТ, ЖелДорЭкспедиция.
Самовывоз возможен напрямую со склада в Москве.
Сроки доставки
Срок зависит от региона и выбранной транспортной компании. Все заказы комплектуются и отправляются в кратчайшие сроки со склада в Москве.
Надёжность и сохранность
Вся продукция упаковывается с учётом требований транспортировки. Мы гарантируем, что подшипники и комплектующие прибудут к заказчику в полной сохранности.
Доставка в страны ЕАЭС
Мы работаем с проверенными логистическими партнёрами, что позволяет оперативно доставлять заказы в Беларусь, Казахстан, Армению и другие страны ЕАЭС.
Варианты оплаты:
Минимальная сумма заказа и скидки:
Документы и гарантии:
Да, конечно! Наши технические специалисты готовы помочь вам с подбором точного аналога или замены подшипника. Просто позвоните нам по телефону +7 (495) 104-99-04 или напишите на почту zakaz@podsnab.ru.
Для оперативной консультации подготовьте, пожалуйста, имеющиеся данные: маркировку, размеры, тип оборудования или артикул старого подшипника.
Да, конечно! Мы высоко ценим долгосрочное сотрудничество и доверие клиентов по всей России. Для постоянных клиентов действует персональная система скидок.
Условия формируются индивидуально и зависят от:
Чтобы узнать свои условия и получить максимально выгодное предложение, свяжитесь с персональным менеджером или напишите нам на почту zakaz@podsnab.ru.
Вы можете оформить заказ несколькими способами:
Для оформления заказа от юридического лица свяжитесь с нашим отделом по работе с корпоративными клиентами по телефону +7 (495) 104-99-04 или напишите на email zakaz@podsnab.ru, прикрепив реквизиты вашей организации.
Мы оперативно подготовим коммерческое предложение и выставим счет.
Возврат товара надлежащего качества возможен в течение 10 дней с момента получения, если товар не был в употреблении, сохранен товарный вид, упаковка не вскрывалась и присутствуют все сопроводительные документы.
Возврат денежных средств осуществляется в течение 10 рабочих дней после проверки товара складом.
В соответствии с законодательством возврату не подлежат подшипники надлежащего качества, если отсутствует оригинальная упаковка или имеются следы монтажа.
В случае выявления брака или гарантийного случая мы гарантируем возврат или обмен товара.
Да, гарантийный срок хранения устанавливается заводом-изготовителем и в среднем составляет 2 года при соблюдении условий хранения: сухое помещение, оригинальная упаковка и смазка.
Точный срок для конкретного типа подшипника уточняйте у наших менеджеров.
Пн–Пт: с 8:00 до 17:00 (МСК).
Сб–Вс: выходные дни.
Заказы на сайте принимаются круглосуточно. Заявки, поступившие после окончания рабочего дня, обрабатываются на следующий рабочий день.
Минимальная сумма заказа для доставки составляет 3000 рублей. Самовывоз со склада возможен на любую сумму при наличии товара.
ООО «УралТехГрупп»
ИНН: 7415093830
КПП: 772401001
ОГРН: 1167456069021
Банк: ПАО Сбербанк
Р/с: 40702810838000475273
К/с: 30101810400000000225
БИК: 044525225
У подшипника 76-313 ЕШ2У пока нет отзывов. Вы можете стать первым покупателем, поделившимся своим мнением.