Поиск подшипника
Статьи
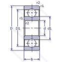
608/850 MB — Шариковый радиальный однорядный подшипник, модификация основного исполнения 608, производство SKF.
Размер подшипника: 850x1030x57 мм.
Сепаратор из латуни. центрированный по внутреннему кольцу.
Международная стандартизации ISO
608850MB
В наличии
| Обозначение | Конструктивные изменения |
|---|---|
| 608-RSL | Sheet Steel Reinforced Low Friction Contact Seal Of Acrylonitrile-Butadiene Rubber (NBR) On One Side Of The Bearing. |
| 608/600 MA | Механически обработанный латунный сепаратор. Центрирование по внешнему кольцу. Длина направляющей. |
| 608/800 MA | Механически обработанный латунный сепаратор. Центрирование по внешнему кольцу. |
| 608/1000 MB | сепаратор из латуни. центрированный по внутреннему кольцу. Длина рельса в мм. |
| BB1-0608BD | Tapered Roller Bearing. Steep Угол контакта (24° To 32°). Metric Series. |
| 608FT150 | Ассортимент TOPLINE для высокой температуры - Максимум 150 С° с уплотнениями FKM с обеих сторон. |
| 608/24-2Z | Защитные металлические шайбы с обеих сторон подшипника. 1.1/2. |
| 608/24-2RS | Резиновые уплотнения с каждой стороны подшипника. 1.1/2. |
| 608/24 | 1.1/2. |
| 608/26 | 1.5/8. |
| 608/26-2RS | Резиновые уплотнения с каждой стороны подшипника. 1.5/8. |
| 608-2Z.T9H.C3 | Внутренний зазор больше нормального. Защитные металлические шайбы с обеих сторон подшипника. Защелкивающийся сепаратор. Усиленный стекловолокном полиамид. Шариковые тела качения. |
| 608/26-2Z | Защитные металлические шайбы с обеих сторон подшипника. 1.5/8. |
| 608W6 | Количество кареток на направляющей. |
| PCZ 0608 E | Повышенная грузоподъемность. |
| ASTEPB 0608-05 | Design. |
| ASTEPB 0608-15 | Distance Between Beginning Of The Rail And First Hole In MM. |
| ASTEPB 0608-10 | Distance Between Beginning Of The Rail And First Hole In MM. |
| ASTEPB 0608-04 | Design. |
| ASTEPB 0608-06 | Ball Screw Lead (In MM). |
| ASTEPBF 0608-05 | Design. |
| ASTEPBF 0608-04 | Design. |
| ASTEPBF 0608-10 | Distance Between Beginning Of The Rail And First Hole In MM. |
| ASTEPBF 0608-06 | Ball Screw Lead (In MM). |
| PCZ 0608 M | Подшипник с латунным сепаратором. центрированный по телам качения. |
Модификации шарикового подшипника 608/850 MB — это измененное основное конструктивное исполнение 608, основные размеры (850x1030x57) не отличаются.
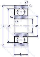
| Обозначение | Конструктивные особенности | Внутренний (d) | Наружный (D) | Ширина (B) |
|---|---|---|---|---|
| 70468/850Л | Шариковый радиально-упорный однорядный подшипник. Сепаратор из латуни.. | 850.00 | 1030.00 | 57.00 |
Способы доставки
Отправка через ведущие транспортные и курьерские компании: ПЭК, Деловые Линии, СДЭК, Байкал-Сервис, Энергия, КИТ, ЖелДорЭкспедиция.
Самовывоз возможен напрямую со склада в Москве.
Сроки доставки
Срок зависит от региона и выбранной транспортной компании. Все заказы комплектуются и отправляются в кратчайшие сроки со склада в Москве.
Надёжность и сохранность
Вся продукция упаковывается с учётом требований транспортировки. Мы гарантируем, что подшипники и комплектующие прибудут к заказчику в полной сохранности.
Доставка в страны ЕАЭС
Мы работаем с проверенными логистическими партнёрами, что позволяет оперативно доставлять заказы в Беларусь, Казахстан, Армению и другие страны ЕАЭС.
Варианты оплаты:
Минимальная сумма заказа и скидки:
Документы и гарантии:
Да, конечно! Наши технические специалисты готовы помочь вам с подбором точного аналога или замены подшипника. Просто позвоните нам по телефону +7 (495) 104-99-04 или напишите на почту zakaz@podsnab.ru.
Для оперативной консультации подготовьте, пожалуйста, имеющиеся данные: маркировку, размеры, тип оборудования или артикул старого подшипника.
Да, конечно! Мы высоко ценим долгосрочное сотрудничество и доверие клиентов по всей России. Для постоянных клиентов действует персональная система скидок.
Условия формируются индивидуально и зависят от:
Чтобы узнать свои условия и получить максимально выгодное предложение, свяжитесь с персональным менеджером или напишите нам на почту zakaz@podsnab.ru.
Вы можете оформить заказ несколькими способами:
Для оформления заказа от юридического лица свяжитесь с нашим отделом по работе с корпоративными клиентами по телефону +7 (495) 104-99-04 или напишите на email zakaz@podsnab.ru, прикрепив реквизиты вашей организации.
Мы оперативно подготовим коммерческое предложение и выставим счет.
Возврат товара надлежащего качества возможен в течение 10 дней с момента получения, если товар не был в употреблении, сохранен товарный вид, упаковка не вскрывалась и присутствуют все сопроводительные документы.
Возврат денежных средств осуществляется в течение 10 рабочих дней после проверки товара складом.
В соответствии с законодательством возврату не подлежат подшипники надлежащего качества, если отсутствует оригинальная упаковка или имеются следы монтажа.
В случае выявления брака или гарантийного случая мы гарантируем возврат или обмен товара.
Да, гарантийный срок хранения устанавливается заводом-изготовителем и в среднем составляет 2 года при соблюдении условий хранения: сухое помещение, оригинальная упаковка и смазка.
Точный срок для конкретного типа подшипника уточняйте у наших менеджеров.
Пн–Пт: с 8:00 до 17:00 (МСК).
Сб–Вс: выходные дни.
Заказы на сайте принимаются круглосуточно. Заявки, поступившие после окончания рабочего дня, обрабатываются на следующий рабочий день.
Минимальная сумма заказа для доставки составляет 3000 рублей. Самовывоз со склада возможен на любую сумму при наличии товара.
ООО «УралТехГрупп»
ИНН: 7415093830
КПП: 772401001
ОГРН: 1167456069021
Банк: ПАО Сбербанк
Р/с: 40702810838000475273
К/с: 30101810400000000225
БИК: 044525225
У подшипника 608/850 MB пока нет отзывов. Вы можете стать первым покупателем, поделившимся своим мнением.