Поиск подшипника
Статьи
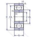
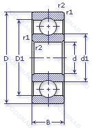
609/530 MA — Шариковый радиальный однорядный подшипник, модификация основного исполнения 609, производство SKF.
Размер подшипника: 530x710x57 мм.
Длина рельса в мм, механически обработанный латунный сепаратор. центрирование по внешнему кольцу.
Международная стандартизации ISO
609530MA
В наличии
| Обозначение | Конструктивные изменения |
|---|---|
| 609Z TBH C3 D8AS | After Three Symbols Before The Grease. The S Means That 30-50% Of The Free Space In The Bearing Is Filled With Grease. Example/ ENSS.. Внутренний зазор больше нормального. щит из листовой прессованной стали с одной стороны подшипника. Защелкивающийся сепаратор. Ламинированная фенольная смола. |
| 609-2RS1/SS | Резиновые уплотнения с каждой стороны подшипника. Нержавеющая сталь. |
| 609+6 | Exxon Aviation Instrument Oil. |
| 609VV+6 | Защитные металлические шайбы. с обеих сторон подшипника. Бесконтактное уплотнение. (лучше. чем ZZ. Можно использовать в умеренно запыленной среде). Exxon Aviation Instrument Oil. |
| 609DD+6 | Два уплотнения из PTFE. Exxon Aviation Instrument Oil. |
| 609ZZD22 | Защитные металлические шайбы с обеих сторон. Outer Diameter Is 22mm. |
| 609-2Z GPR E G340 CP | Сепаратор изготовлен из листовой стали. Защитные металлические шайбы с обеих сторон. Испытание на шум. Longtime PD2 Lubrication -35 to +140° C. 10 Piece Packaging. |
| 609HZZ | Шариковый радиальный однорядный подшипник. |
| 609/1000 | Длина рельса в мм. |
| 609/630 | Шариковый радиальный однорядный подшипник. |
| 609/530 | Длина рельса в мм. |
| 609-2RD | Облегченное контактное уплотнение с двух сторон.. |
| 609SS | Две резиновые защитные шайбы. |
| 609JX2LUZ | Штампованный стальной сепаратор. Стальная шайба. Модификация фаски. Двухкромочное нитриловое контактное уплотнение. |
| 609JLLB | Штампованный стальной сепаратор. Бесконтактное нитриловое уплотнение. |
| 609JX2 | Штампованный стальной сепаратор. Модификация фаски. |
| 609JX2LLU | Штампованный стальной сепаратор. Модификация фаски. Двухкромочное нитриловое контактное уплотнение. |
| 609J | Штампованный стальной сепаратор. |
| 609/630 MB | сепаратор из латуни. центрированный по внутреннему кольцу. |
| 609/670 MA | Механически обработанный латунный сепаратор. Центрирование по внешнему кольцу. Длина направляющей. |
| 609/1320 MB | сепаратор из латуни. центрированный по внутреннему кольцу. |
| 609/1000 MB | сепаратор из латуни. центрированный по внутреннему кольцу. Длина рельса в мм. |
| 609/710 MA | Механически обработанный латунный сепаратор. Центрирование по внешнему кольцу. |
| 609-RSL | Sheet Steel Reinforced Low Friction Contact Seal Of Acrylonitrile-Butadiene Rubber (NBR) On One Side Of The Bearing. |
| BB1-0609A | Измененная или модифицированная внутренняя конструкция при неизменных основных размерах. |
Модификации шарикового подшипника 609/530 MA — это измененное основное конструктивное исполнение 609, основные размеры (530x710x57) не отличаются.
Способы доставки
Отправка через ведущие транспортные и курьерские компании: ПЭК, Деловые Линии, СДЭК, Байкал-Сервис, Энергия, КИТ, ЖелДорЭкспедиция.
Самовывоз возможен напрямую со склада в Москве.
Сроки доставки
Срок зависит от региона и выбранной транспортной компании. Все заказы комплектуются и отправляются в кратчайшие сроки со склада в Москве.
Надёжность и сохранность
Вся продукция упаковывается с учётом требований транспортировки. Мы гарантируем, что подшипники и комплектующие прибудут к заказчику в полной сохранности.
Доставка в страны ЕАЭС
Мы работаем с проверенными логистическими партнёрами, что позволяет оперативно доставлять заказы в Беларусь, Казахстан, Армению и другие страны ЕАЭС.
Варианты оплаты:
Минимальная сумма заказа и скидки:
Документы и гарантии:
Да, конечно! Наши технические специалисты готовы помочь вам с подбором точного аналога или замены подшипника. Просто позвоните нам по телефону +7 (495) 104-99-04 или напишите на почту zakaz@podsnab.ru.
Для оперативной консультации подготовьте, пожалуйста, имеющиеся данные: маркировку, размеры, тип оборудования или артикул старого подшипника.
Да, конечно! Мы высоко ценим долгосрочное сотрудничество и доверие клиентов по всей России. Для постоянных клиентов действует персональная система скидок.
Условия формируются индивидуально и зависят от:
Чтобы узнать свои условия и получить максимально выгодное предложение, свяжитесь с персональным менеджером или напишите нам на почту zakaz@podsnab.ru.
Вы можете оформить заказ несколькими способами:
Для оформления заказа от юридического лица свяжитесь с нашим отделом по работе с корпоративными клиентами по телефону +7 (495) 104-99-04 или напишите на email zakaz@podsnab.ru, прикрепив реквизиты вашей организации.
Мы оперативно подготовим коммерческое предложение и выставим счет.
Возврат товара надлежащего качества возможен в течение 10 дней с момента получения, если товар не был в употреблении, сохранен товарный вид, упаковка не вскрывалась и присутствуют все сопроводительные документы.
Возврат денежных средств осуществляется в течение 10 рабочих дней после проверки товара складом.
В соответствии с законодательством возврату не подлежат подшипники надлежащего качества, если отсутствует оригинальная упаковка или имеются следы монтажа.
В случае выявления брака или гарантийного случая мы гарантируем возврат или обмен товара.
Да, гарантийный срок хранения устанавливается заводом-изготовителем и в среднем составляет 2 года при соблюдении условий хранения: сухое помещение, оригинальная упаковка и смазка.
Точный срок для конкретного типа подшипника уточняйте у наших менеджеров.
Пн–Пт: с 8:00 до 17:00 (МСК).
Сб–Вс: выходные дни.
Заказы на сайте принимаются круглосуточно. Заявки, поступившие после окончания рабочего дня, обрабатываются на следующий рабочий день.
Минимальная сумма заказа для доставки составляет 3000 рублей. Самовывоз со склада возможен на любую сумму при наличии товара.
ООО «УралТехГрупп»
ИНН: 7415093830
КПП: 772401001
ОГРН: 1167456069021
Банк: ПАО Сбербанк
Р/с: 40702810838000475273
К/с: 30101810400000000225
БИК: 044525225
У подшипника 609/530 MA пока нет отзывов. Вы можете стать первым покупателем, поделившимся своим мнением.