Поиск подшипника
Статьи
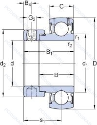
E2.YET 204 — Шариковый радиальный однорядный подшипник, основное исполнение, производство SKF.
Размер подшипника: 20x47x31 мм.
Международная стандартизации ISO
E2YET204
В наличии
| Обозначение | Гост | Конструктивные особенности |
|---|---|---|
| RB204-12 | ISO | 3/4. |
| UC204-12L2 | ISO | Шариковый радиальный однорядный подшипник. |
| UC204L2 | ISO | Шариковый радиальный однорядный подшипник. |
| UC204S6 | ISO | Подшипник из нержавеющей стали. |
| AELS204N | ISO | Канавка для стопорного кольца на наружном кольце. |
| YARAG204 | ISO | Измененная или модифицированная внутренняя конструкция при неизменных основных размерах. |
| E2.YET 204-012 | ISO | Шариковый радиальный однорядный подшипник. |
| E2.YAR204-012-2F | ISO | Шариковый радиальный однорядный подшипник. |
| CES204-12 | ISO | 3/4. |
| CES204 | ISO | Сферический наружный диаметр. Контактное уплотнение с одной стороны. |
| ES204 | ISO | Сферический наружный диаметр. Контактное уплотнение с одной стороны. |
| ER12DD | ISO | Два уплотнения из PTFE. |
| GY1012KRRB SGT | ISO | Shaft Guarding Technology™. |
| GYE20KRRB SGT | ISO | Shaft Guarding Technology™. |
| 480204 | ГОСТ | Шариковый радиальный однорядный подшипник. |
| 480204-Н1К7У | ГОСТ | Дополнительные технические требования. Детали из теплостойкой стали. Двусторонние уплотнения плюс стопорный штифт. |
| 480204К | ГОСТ | Шариковый радиальный однорядный подшипник. |
Аналог шарикового подшипника E2.YET 204 — это подшипник такого же размера dx20,Dx47,Bx31, типа и конструкции.
| Обозначение | Конструктивные особенности | Внутренний (d) | Наружный (D) | Ширина (B) |
|---|---|---|---|---|
| YAR204-2F/VA228 | Подшипник для корпуса. Стандартное контактное уплотнение с дополнительным маслоотражательным кольцом с обеих сторон. Bearing With A “Coronet” Cage Of Graphite For Temperatures -150°C/+350°C. | 20.00 | 47.00 | 31.00 |
| B220X3/4 | Подшипник для корпуса. Специальная фаска. Подшипник с чрезвычайно высокой точностью вращения (Abec9) и допуском формы (Abec7). | 19.05 | 47.00 | 31.00 |
| SER204-12R | Подшипник для корпуса. 3/4. | 19.05 | 47.00 | 31.00 |
| 20TAC47BDTPN7B | Подшипник шариковый однорядный радиально-упорный. High Capacity & Higher Speed (Replaces “A” Type). Дуплексные подшипники для установки в тандеме. Bore And O.D. Tolerance Is Tighter_ Used With SU Combination. | 20.00 | 47.00 | 30.00 |
| UC204HT | Подшипник для корпуса. Подшипник поставляется со специальной смазкой для высоких температур (до +130°C). | 20.00 | 47.00 | 31.00 |
| GRAE20-NPP-B-FA106 | Подшипник для корпуса. Подшипник со сферическим наружным кольцом. Манжетные уплотнения с обеих сторон (Тип P — две шайбы из оцинкованной листовой стали с промежуточной частью из NBR. Кромка уплотнения предварительно нагружена в осевом направлении). Подшипник подвергается специальным испытаниям на шум. | 20.00 | 47.00 | 31.00 |
| J1020-20GCR | Подшипник для корпуса. Вкладыш подшипника с возможностью повторной смазки. Нержавеющая сталь. | 20.00 | 47.00 | 31.00 |
| 20TAC47BDFC10PN7A | Шариковый радиально-упорный подшипник однонаправленный. High Capacity & Higher Speed (Replaces “A” Type). Duplex. Face-to-Face. Метрическая серия. Класс ISO 4 (Abec 7) Модифицированный более строгий стандарт для осевого биения Uxx или Pss. специальный класс точности или особенности. | 20.00 | 47.00 | 30.00 |
| 20TAC47CDBHPN7C | Шариковый радиально-упорный подшипник однонаправленный. 15° Угол контакта. Высокий преднатяг. Комплект из двух подшипников. согласованных для установки по О-образной схеме. Стандартная точность NSK Класс точности 7C (эквивалентно осевому биению Класс 2). | 20.00 | 47.00 | 30.00 |
| RAE20-XL-NPP | Подшипник для корпуса. Серия X-Life премиум-класс. увеличиный срок службы. Манжетные уплотнения с обеих сторон (Тип P — две шайбы из оцинкованной листовой стали с промежуточной частью из NBR. Кромка уплотнения предварительно нагружена в осевом направлении). | 20.00 | 47.00 | 31.00 |
| GC1012KRRB5 | Подшипник для корпуса. Conrad (Non-Filling Slot) Type. Сферический внешний диаметр. Резиновое уплотнение с двух сторон. | 19.05 | 47.00 | 30.96 |
| UY204-012.2S | Подшипник для корпуса. Одинарное уплотнение с лабиринтом между листовой частью и резиновой кромкой, обеспечивающей контактное уплотнение. 3/4. | 19.05 | 47.00 | 31.00 |
| UY204-012.2S.SH | Подшипник для корпуса. Одинарное уплотнение с лабиринтом между листовой частью и резиновой кромкой, обеспечивающей контактное уплотнение. 3/4. Cylindrical Outer Ring Without Lubrication Holes. | 19.05 | 47.00 | 31.00 |
| MUC/UC204S6 | Подшипник для корпуса. Нержавеющая сталь. | 20.00 | 47.00 | 31.00 |
| 05079/05185D+X1S-05079 | Роликовый радиальный-упорный двухрядный подшипник. Tail Code. | 19.99 | 47.00 | 31.75 |
Способы доставки
Отправка через ведущие транспортные и курьерские компании: ПЭК, Деловые Линии, СДЭК, Байкал-Сервис, Энергия, КИТ, ЖелДорЭкспедиция.
Самовывоз возможен напрямую со склада в Москве.
Сроки доставки
Срок зависит от региона и выбранной транспортной компании. Все заказы комплектуются и отправляются в кратчайшие сроки со склада в Москве.
Надёжность и сохранность
Вся продукция упаковывается с учётом требований транспортировки. Мы гарантируем, что подшипники и комплектующие прибудут к заказчику в полной сохранности.
Доставка в страны ЕАЭС
Мы работаем с проверенными логистическими партнёрами, что позволяет оперативно доставлять заказы в Беларусь, Казахстан, Армению и другие страны ЕАЭС.
Варианты оплаты:
Минимальная сумма заказа и скидки:
Документы и гарантии:
Да, конечно! Наши технические специалисты готовы помочь вам с подбором точного аналога или замены подшипника. Просто позвоните нам по телефону +7 (495) 104-99-04 или напишите на почту zakaz@podsnab.ru.
Для оперативной консультации подготовьте, пожалуйста, имеющиеся данные: маркировку, размеры, тип оборудования или артикул старого подшипника.
Да, конечно! Мы высоко ценим долгосрочное сотрудничество и доверие клиентов по всей России. Для постоянных клиентов действует персональная система скидок.
Условия формируются индивидуально и зависят от:
Чтобы узнать свои условия и получить максимально выгодное предложение, свяжитесь с персональным менеджером или напишите нам на почту zakaz@podsnab.ru.
Вы можете оформить заказ несколькими способами:
Для оформления заказа от юридического лица свяжитесь с нашим отделом по работе с корпоративными клиентами по телефону +7 (495) 104-99-04 или напишите на email zakaz@podsnab.ru, прикрепив реквизиты вашей организации.
Мы оперативно подготовим коммерческое предложение и выставим счет.
Возврат товара надлежащего качества возможен в течение 10 дней с момента получения, если товар не был в употреблении, сохранен товарный вид, упаковка не вскрывалась и присутствуют все сопроводительные документы.
Возврат денежных средств осуществляется в течение 10 рабочих дней после проверки товара складом.
В соответствии с законодательством возврату не подлежат подшипники надлежащего качества, если отсутствует оригинальная упаковка или имеются следы монтажа.
В случае выявления брака или гарантийного случая мы гарантируем возврат или обмен товара.
Да, гарантийный срок хранения устанавливается заводом-изготовителем и в среднем составляет 2 года при соблюдении условий хранения: сухое помещение, оригинальная упаковка и смазка.
Точный срок для конкретного типа подшипника уточняйте у наших менеджеров.
Пн–Пт: с 8:00 до 17:00 (МСК).
Сб–Вс: выходные дни.
Заказы на сайте принимаются круглосуточно. Заявки, поступившие после окончания рабочего дня, обрабатываются на следующий рабочий день.
Минимальная сумма заказа для доставки составляет 3000 рублей. Самовывоз со склада возможен на любую сумму при наличии товара.
ООО «УралТехГрупп»
ИНН: 7415093830
КПП: 772401001
ОГРН: 1167456069021
Банк: ПАО Сбербанк
Р/с: 40702810838000475273
К/с: 30101810400000000225
БИК: 044525225
У подшипника E2.YET 204 пока нет отзывов. Вы можете стать первым покупателем, поделившимся своим мнением.