Поиск подшипника
Статьи
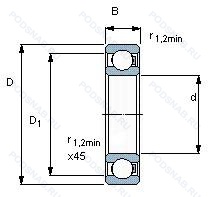
16006/HR22Q2 — Шариковый радиальный однорядный подшипник, модификация основного исполнения 16006, производство SKF.
Размер подшипника: 30x55x9 мм.
Международная стандартизации ISO
16006HR22Q2
В наличии
| Обозначение | Конструктивные изменения |
|---|---|
| 16006 | Шариковый радиальный однорядный подшипник. Основное конструктивное исполнение. |
| 16006C3 | Внутренний зазор больше нормального. |
| 16006-2Z | Защитные металлические шайбы с обеих сторон подшипника. |
| 16006CM | Шариковый подшипник. Специальный радиальный внутренний зазор для электродвигателей. |
| 16006ZZ | Защитные металлические шайбы (бесконтактные уплотнения) с обеих сторон подшипника. |
| 16006 2RS | Прорезиненное уплотнение с двух сторон. |
| 16006ZR | Металлическое уплотнение с одной стороны. Радиальный тип. |
| 16006/W64 | Антифрикционный заполнитель. твердая смазка. |
| 16006.2ZR | Защитные металлические шайбы с обеих сторон. |
| 16006-A-2Z-C3 | Внутренний зазор больше нормального. Модификация внутренней конструкции. Защитные металлические шайбы с обеих сторон. |
| 16006P52 | Комбинация P5 (точность размеров и пробега в соответствии с классом допуска ISO 5) и C2 (внутренний зазор подшипника меньше нормального). |
| 16006.2ZR.J11.L77 | Защитные металлические шайбы с обеих сторон. Улучшенная консервация. High/Low Temperature Grease -35°C/+260°C. |
| 16006POM | Полимер. |
| 16006-2Z-C3 | Внутренний зазор больше нормального. Защитные стальные шайбы с обеих сторон. |
| 16006-A-2Z-L212 | Модификация внутренней конструкции. Защитные металлические шайбы с обеих сторон. Temperature Range -45°C / 180°C. Longtime Limit Temperature 110°C. |
| 16006-A-C3 | Внутренний зазор больше нормального. Модификация внутренней конструкции. |
| 16006-A-2Z | Модификация внутренней конструкции. Защитные металлические шайбы с обеих сторон. |
| 16006P6 | Размерные и геометрические допуски соответствуют классу точности P6. |
| 16006-A | Модификация внутренней конструкции. |
| 16006M | Механически обработанный латунный сепаратор .Расположенный на элементах качения. |
| 16006AH04 | Different Bore Size. |
| 16006/HR11QN | Шариковый радиальный однорядный подшипник. |
| 16006/HR11TN | Шариковый радиальный однорядный подшипник. |
| 16006/HR22T2 | Шариковый радиальный однорядный подшипник. |
Модификации шарикового подшипника 16006/HR22Q2 — это измененное основное конструктивное исполнение 16006, основные размеры (30x55x9) не отличаются.
| Обозначение | Гост | Конструктивные особенности |
|---|---|---|
| 6-7000106 | ГОСТ | Шариковый радиальный однорядный подшипник. |
| 6-7000106-Б | ГОСТ | Сепаратор из безоловянистой бронзы.. |
| 6-7000106-ЮТ | ГОСТ | Температура отпуска. 160°. Все детали или часть деталей из нержавеющей стали.. |
| 70-7000106-БТ2 | ГОСТ | 200°. Температура отпуска. Сепаратор из безоловянистой бронзы.. |
| 7000106-А | ГОСТ | Повышенная грузоподъемность. |
| 7000106-Б | ГОСТ | Сепаратор из безоловянистой бронзы.. |
| 7000106-БТ2 | ГОСТ | 200°. Температура отпуска. Сепаратор из безоловянистой бронзы.. |
| 7000106-В | ГОСТ | Шариковый радиальный однорядный подшипник. |
| 7000106-К1 | ГОСТ | «Замок» (скос) на внутреннем кольце плюс массивный сепаратор из текстолита. |
| 7000106-Л | ГОСТ | Сепаратор из латуни.. |
| 7000106-ЮТ | ГОСТ | Температура отпуска. 160°. Все детали или часть деталей из нержавеющей стали.. |
| 76-7000106 БТ2 | ГОСТ | 200°. Температура отпуска. Сепаратор из безоловянистой бронзы.. |
| 7000106 | ГОСТ | Шариковый радиальный однорядный подшипник. |
| 26-7000106 Б | ГОСТ | Сепаратор из безоловянистой бронзы.. |
| 36-7000106 БТ2 | ГОСТ | 200°. Температура отпуска. Сепаратор из безоловянистой бронзы.. |
| 4-7000106 Б | ГОСТ | Сепаратор из безоловянистой бронзы.. |
| 5-7000106 | ГОСТ | Шариковый радиальный однорядный подшипник. |
| 5-7000106 Б | ГОСТ | Сепаратор из безоловянистой бронзы.. |
Аналог шарикового подшипника 16006/HR22Q2 — это подшипник такого же размера dx30,Dx55,Bx9, типа и конструкции.
| Обозначение | Конструктивные особенности | Внутренний (d) | Наружный (D) | Ширина (B) |
|---|---|---|---|---|
| S16006-2RS | Подшипник шариковый из нержавеющей стали. Резиновые уплотнения с каждой стороны подшипника. | 30.00 | 55.00 | 9.00 |
| S16006 | Подшипник шариковый из нержавеющей стали. | 30.00 | 55.00 | 9.00 |
| CRB 3010 | Роликовый упорный двухрядный подшипник. | 30.00 | 55.00 | 10.00 |
| CRB 3010 UU | Роликовый упорный двухрядный подшипник. Символ защиты от загрязнения. | 30.00 | 55.00 | 10.00 |
| CRBC 3010 UU | Роликовый упорный двухрядный подшипник. Символ защиты от загрязнения. | 30.00 | 55.00 | 10.00 |
| CRBC 3010 | Роликовый упорный двухрядный подшипник. | 30.00 | 55.00 | 10.00 |
| CRBH 3010 A UU | Роликовый упорный двухрядный подшипник. Двухрядный радиально-упорный шарикоподшипник без отверстия для смазки. Символ защиты от загрязнения. | 30.00 | 55.00 | 10.00 |
| CRBH 3010 A | Роликовый упорный двухрядный подшипник. Двухрядный радиально-упорный шарикоподшипник без отверстия для смазки. | 30.00 | 55.00 | 10.00 |
Способы доставки
Отправка через ведущие транспортные и курьерские компании: ПЭК, Деловые Линии, СДЭК, Байкал-Сервис, Энергия, КИТ, ЖелДорЭкспедиция.
Самовывоз возможен напрямую со склада в Москве.
Сроки доставки
Срок зависит от региона и выбранной транспортной компании. Все заказы комплектуются и отправляются в кратчайшие сроки со склада в Москве.
Надёжность и сохранность
Вся продукция упаковывается с учётом требований транспортировки. Мы гарантируем, что подшипники и комплектующие прибудут к заказчику в полной сохранности.
Доставка в страны ЕАЭС
Мы работаем с проверенными логистическими партнёрами, что позволяет оперативно доставлять заказы в Беларусь, Казахстан, Армению и другие страны ЕАЭС.
Варианты оплаты:
Минимальная сумма заказа и скидки:
Документы и гарантии:
Да, конечно! Наши технические специалисты готовы помочь вам с подбором точного аналога или замены подшипника. Просто позвоните нам по телефону +7 (495) 104-99-04 или напишите на почту zakaz@podsnab.ru.
Для оперативной консультации подготовьте, пожалуйста, имеющиеся данные: маркировку, размеры, тип оборудования или артикул старого подшипника.
Да, конечно! Мы высоко ценим долгосрочное сотрудничество и доверие клиентов по всей России. Для постоянных клиентов действует персональная система скидок.
Условия формируются индивидуально и зависят от:
Чтобы узнать свои условия и получить максимально выгодное предложение, свяжитесь с персональным менеджером или напишите нам на почту zakaz@podsnab.ru.
Вы можете оформить заказ несколькими способами:
Для оформления заказа от юридического лица свяжитесь с нашим отделом по работе с корпоративными клиентами по телефону +7 (495) 104-99-04 или напишите на email zakaz@podsnab.ru, прикрепив реквизиты вашей организации.
Мы оперативно подготовим коммерческое предложение и выставим счет.
Возврат товара надлежащего качества возможен в течение 10 дней с момента получения, если товар не был в употреблении, сохранен товарный вид, упаковка не вскрывалась и присутствуют все сопроводительные документы.
Возврат денежных средств осуществляется в течение 10 рабочих дней после проверки товара складом.
В соответствии с законодательством возврату не подлежат подшипники надлежащего качества, если отсутствует оригинальная упаковка или имеются следы монтажа.
В случае выявления брака или гарантийного случая мы гарантируем возврат или обмен товара.
Да, гарантийный срок хранения устанавливается заводом-изготовителем и в среднем составляет 2 года при соблюдении условий хранения: сухое помещение, оригинальная упаковка и смазка.
Точный срок для конкретного типа подшипника уточняйте у наших менеджеров.
Пн–Пт: с 8:00 до 17:00 (МСК).
Сб–Вс: выходные дни.
Заказы на сайте принимаются круглосуточно. Заявки, поступившие после окончания рабочего дня, обрабатываются на следующий рабочий день.
Минимальная сумма заказа для доставки составляет 3000 рублей. Самовывоз со склада возможен на любую сумму при наличии товара.
ООО «УралТехГрупп»
ИНН: 7415093830
КПП: 772401001
ОГРН: 1167456069021
Банк: ПАО Сбербанк
Р/с: 40702810838000475273
К/с: 30101810400000000225
БИК: 044525225
У подшипника 16006/HR22Q2 пока нет отзывов. Вы можете стать первым покупателем, поделившимся своим мнением.