Поиск подшипника
Статьи
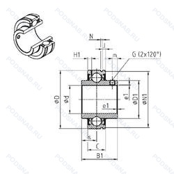
CUC206-19 — Шариковый радиальный однорядный подшипник, модификация основного исполнения CUC206, производство SNR.
Размер подшипника: 30x62x19 мм.
Подшипники с цилиндрическим наружным кольцом, двухсторонними уплотнениями, c удлиненным с обеих сторон внутренним кольцом и стопорным винтом для фиксации на валу, 1.3/16.
Международная стандартизации ISO
CUC20619
В наличии
| Обозначение | Конструктивные изменения |
|---|---|
| CUC206-18 | 18° Угол контакта. |
| CUC206 | Радиальный внутренний зазор С2. Основное конструктивное исполнение. |
| CUC206-20 | Distance Between Beginning Of The Rail And First Hole In MM. |
Модификации шарикового подшипника CUC206-19 — это измененное основное конструктивное исполнение CUC206, основные размеры (30x62x19) не отличаются.
| Обозначение | Гост | Конструктивные особенности |
|---|---|---|
| 75-180506 ЕТ2С15 | ГОСТ | Сепаратор из текстолита.. 200°. Температура отпуска. Смазка ВНИИНП-207. |
| 75-180506 ЕТ2С2 | ГОСТ | Сепаратор из текстолита.. 200°. Смазка ЦИАТИМ-221. Температура отпуска. |
| 76-160506 Е2Т2 | ГОСТ | 200°. Температура отпуска. Сепаратор из пластических материалов.. |
| 76-160506Е2Т2 УКК | ГОСТ | Дополнительные технические требования. 200°. Температура отпуска. Сепаратор из пластических материалов.. |
| 76-180506 БТ2С2 | ГОСТ | 200°. Смазка ЦИАТИМ-221. Температура отпуска. Сепаратор из безоловянистой бронзы.. |
| 76-180506 Е8Т2С1 | ГОСТ | 200°. Температура отпуска. Смазка ОКБ 122-7. Сепаратор из пластических материалов.. |
| 76-180506 Е8Т2С2 | ГОСТ | 200°. Смазка ЦИАТИМ-221. Температура отпуска. Сепаратор из пластических материалов.. |
| 76-180506 ЕТ2С2 | ГОСТ | Сепаратор из текстолита.. 200°. Смазка ЦИАТИМ-221. Температура отпуска. |
| 76-180506 Ю4ТС15 | ГОСТ | Температура отпуска. 160°. Смазка ВНИИНП-207. Все детали или часть деталей из нержавеющей стали.. |
| 76-180506 Ю4ТС2У | ГОСТ | Дополнительные технические требования. Температура отпуска. 160°. Смазка ЦИАТИМ-221. Все детали или часть деталей из нержавеющей стали.. |
| 76-180506 ЮТС15 | ГОСТ | Температура отпуска. 160°. Все детали или часть деталей из нержавеющей стали.. Смазка ВНИИНП-207. |
| 76-180506 ЮТС4 | ГОСТ | Температура отпуска. 160°. Все детали или часть деталей из нержавеющей стали.. Смазка ЦИАТИМ-221С. |
| 780206-К1С17 | ГОСТ | Смазка Литол-24. |
| 7А-180506 Е | ГОСТ | Сепаратор из текстолита.. |
| 1580206-А | ГОСТ | Повышенная грузоподъемность. |
| 1580206-АЕС1 | ГОСТ | Сепаратор из текстолита.. Повышенная грузоподъемность. Смазка ОКБ 122-7. |
| 1580206-АЕС17 | ГОСТ | Смазка Литол-24. Сепаратор из текстолита.. Повышенная грузоподъемность. |
| 1580206-С17 | ГОСТ | Смазка Литол-24. |
| 2-80506 ЕС9 | ГОСТ | Сепаратор из текстолита.. Смазка ЛЗ-31. |
| 6-1580206-АЕС17 | ГОСТ | Смазка Литол-24. Сепаратор из текстолита.. Повышенная грузоподъемность. |
Аналог шарикового подшипника CUC206-19 — это подшипник такого же размера dx30,Dx62,Bx19, типа и конструкции.
| Обозначение | Конструктивные особенности | Внутренний (d) | Наружный (D) | Ширина (B) |
|---|---|---|---|---|
| 97506A | Роликовый радиальный-упорный двухрядный подшипник. Двухрядный радиально-упорный шарикоподшипник без отверстия для смазки. | 30.00 | 62.00 | 20.00 |
| S4206-2RS | Шариковый радиальный двухрядный подшипник. Резиновые уплотнения с каждой стороны подшипника. | 30.00 | 62.00 | 20.00 |
| 7506A | Роликовый радиальный-упорный однорядный подшипник. Двухрядный радиально-упорный шарикоподшипник без отверстия для смазки. | 30.00 | 62.00 | 20.00 |
| NA2206XLL | Роликовый игольчатый подшипник однорядный. Два уплотнения. | 30.00 | 62.00 | 20.00 |
| 32007X30/32007XF | Роликовый радиальный-упорный однорядный подшипник. Промышленная упаковка. | 30.00 | 62.00 | 18.00 |
| HI-CAP ST3062 ALFT | Роликовый радиальный-упорный однорядный подшипник. Угол контакта 20 градусов. | 30.16 | 62.00 | 18.00 |
| 2206-K-2RS+H306 | Шариковый сферический двухрядный подшипник. Коническое внутреннее отверстие. Контактные уплотнения типа RS с обеих сторон игольчатого роликоподшипника. | 30.00 | 62.00 | 20.00 |
| 2206 TN9 | Шариковый сферический двухрядный подшипник. Литой защелкивающийся сепаратор из полиамида. армированного стекловолокном 6.6. | 30.00 | 62.00 | 20.00 |
| NU 2206 ECPH | Роликовый радиальный однорядный подшипник. Однорядный цилиндрический роликовый подшипник. | 30.00 | 62.00 | 20.00 |
| 42506-А1 | Роликовый радиальный однорядный подшипник. Повышенная грузоподъемность. | 30.00 | 62.00 | 20.00 |
| 42506-Б1 | Роликовый радиальный однорядный подшипник. Сепаратор из безоловянистой бронзы.. | 30.00 | 62.00 | 20.00 |
| 42506-Д1 | Роликовый радиальный однорядный подшипник. Сепаратор из алюминиевого сплава.. | 30.00 | 62.00 | 20.00 |
| 5-32206 Р7 | Роликовый радиальный однорядный подшипник. Детали из теплоустойчивой (быстрорежущие) стали.. | 30.00 | 62.00 | 18.00 |
| 5-32506 Б | Роликовый радиальный подшипник. Сепаратор из безоловянистой бронзы.. | 30.00 | 62.00 | 20.00 |
| 6-102506-М | Роликовый радиальный однорядный подшипник. Модифицированный контакт.. | 30.00 | 62.00 | 20.00 |
Способы доставки
Отправка через ведущие транспортные и курьерские компании: ПЭК, Деловые Линии, СДЭК, Байкал-Сервис, Энергия, КИТ, ЖелДорЭкспедиция.
Самовывоз возможен напрямую со склада в Москве.
Сроки доставки
Срок зависит от региона и выбранной транспортной компании. Все заказы комплектуются и отправляются в кратчайшие сроки со склада в Москве.
Надёжность и сохранность
Вся продукция упаковывается с учётом требований транспортировки. Мы гарантируем, что подшипники и комплектующие прибудут к заказчику в полной сохранности.
Доставка в страны ЕАЭС
Мы работаем с проверенными логистическими партнёрами, что позволяет оперативно доставлять заказы в Беларусь, Казахстан, Армению и другие страны ЕАЭС.
Варианты оплаты:
Минимальная сумма заказа и скидки:
Документы и гарантии:
Да, конечно! Наши технические специалисты готовы помочь вам с подбором точного аналога или замены подшипника. Просто позвоните нам по телефону +7 (495) 104-99-04 или напишите на почту zakaz@podsnab.ru.
Для оперативной консультации подготовьте, пожалуйста, имеющиеся данные: маркировку, размеры, тип оборудования или артикул старого подшипника.
Да, конечно! Мы высоко ценим долгосрочное сотрудничество и доверие клиентов по всей России. Для постоянных клиентов действует персональная система скидок.
Условия формируются индивидуально и зависят от:
Чтобы узнать свои условия и получить максимально выгодное предложение, свяжитесь с персональным менеджером или напишите нам на почту zakaz@podsnab.ru.
Вы можете оформить заказ несколькими способами:
Для оформления заказа от юридического лица свяжитесь с нашим отделом по работе с корпоративными клиентами по телефону +7 (495) 104-99-04 или напишите на email zakaz@podsnab.ru, прикрепив реквизиты вашей организации.
Мы оперативно подготовим коммерческое предложение и выставим счет.
Возврат товара надлежащего качества возможен в течение 10 дней с момента получения, если товар не был в употреблении, сохранен товарный вид, упаковка не вскрывалась и присутствуют все сопроводительные документы.
Возврат денежных средств осуществляется в течение 10 рабочих дней после проверки товара складом.
В соответствии с законодательством возврату не подлежат подшипники надлежащего качества, если отсутствует оригинальная упаковка или имеются следы монтажа.
В случае выявления брака или гарантийного случая мы гарантируем возврат или обмен товара.
Да, гарантийный срок хранения устанавливается заводом-изготовителем и в среднем составляет 2 года при соблюдении условий хранения: сухое помещение, оригинальная упаковка и смазка.
Точный срок для конкретного типа подшипника уточняйте у наших менеджеров.
Пн–Пт: с 8:00 до 17:00 (МСК).
Сб–Вс: выходные дни.
Заказы на сайте принимаются круглосуточно. Заявки, поступившие после окончания рабочего дня, обрабатываются на следующий рабочий день.
Минимальная сумма заказа для доставки составляет 3000 рублей. Самовывоз со склада возможен на любую сумму при наличии товара.
ООО «УралТехГрупп»
ИНН: 7415093830
КПП: 772401001
ОГРН: 1167456069021
Банк: ПАО Сбербанк
Р/с: 40702810838000475273
К/с: 30101810400000000225
БИК: 044525225
У подшипника CUC206-19 пока нет отзывов. Вы можете стать первым покупателем, поделившимся своим мнением.