Поиск подшипника
Статьи
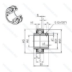
CUC208 — Шариковый радиальный однорядный подшипник, основное исполнение, производство SNR.
Размер подшипника: 40x80x21 мм.
Подшипники с цилиндрическим наружным кольцом, двухсторонними уплотнениями, c удлиненным с обеих сторон внутренним кольцом и стопорным винтом для фиксации на валу, радиальный внутренний зазор с2.
Международная стандартизации ISO
CUC208
В наличии
| Обозначение | Конструктивные изменения |
|---|---|
| CUC208-24 | 1.1/2. |
Модификации шарикового подшипника CUC208 — это измененное основное конструктивное исполнение CUC208, основные размеры (40x80x21) не отличаются.
| Обозначение | Гост | Конструктивные особенности |
|---|---|---|
| 890208-С17 | ГОСТ | Смазка Литол-24. |
| 480208-С17 | ГОСТ | Смазка Литол-24. |
| 480208-У1С17 | ГОСТ | Смазка Литол-24. Дополнительные технические требования. |
| 6-480208 АНУ2С17Ш1 | ГОСТ | Смазка Литол-24. Детали из теплостойкой стали. Повышенная грузоподъемность. Нормы шумности. Дополнительные технические требования. |
| 6-480208 АНУ2L19Ш1 | ГОСТ | Детали из теплостойкой стали. Повышенная грузоподъемность. Нормы шумности. Дополнительные технические требования. |
| 6-480208 АУ2С17Ш | ГОСТ | Смазка Литол-24. Повышенная грузоподъемность. Дополнительные технические требования. Нормы шумности. |
| 804662E | ISO | Повышенная грузоподъемность. |
| 480208-НУС-17 | ГОСТ | Смазка Литол-24. Детали из теплостойкой стали. Дополнительные технические требования. |
| 480208.UC-БЕЗ-КОРПУСА | ГОСТ | Сепаратор из текстолита.. Дополнительные технические требования. Детали из теплоустойчивой (быстрорежущие) стали.. Повышенная грузоподъемность. Сепаратор из безоловянистой бронзы.. |
| 480208.UCF-В-КОРПУСЕ | ГОСТ | Сепаратор из текстолита.. Дополнительные технические требования. Детали из теплоустойчивой (быстрорежущие) стали.. |
Аналог шарикового подшипника CUC208 — это подшипник такого же размера dx40,Dx80,Bx21, типа и конструкции.
| Обозначение | Конструктивные особенности | Внутренний (d) | Наружный (D) | Ширина (B) |
|---|---|---|---|---|
| 1925408ZZ | Подшипник однорядный шариковый радиальный. Защитные металлические шайбы с обеих сторон. | 39.00 | 80.00 | 21.00 |
| 344A-99401 | Однорядный конический роликовый подшипник. Двухрядный радиально-упорный шарикоподшипник без отверстия для смазки. | 40.00 | 80.00 | 21.00 |
| 12G-88128TN9 | Подшипник однорядный шариковый радиальный. Литой сепаратор из полиамида 6.6. армированного стекловолокном. Элемент качения по центру. | 39.00 | 80.00 | 21.00 |
| 28158/28315B-30000 | Однорядный конический роликовый подшипник. (Cone/Inner Race And Cup/Outer Race) ISO Bearing With Same Boundary Dimensions As Basic Part Number. But WIth Different Internal Geometry. Steeper Included Outer Race Angle. Precision Class 3. | 40.00 | 80.00 | 20.94 |
| 344/333PREC.0 | Однорядный конический роликовый подшипник. (Конус/внутреннее кольцо и чашка/внешнее кольцо) Класс точности 0. | 40.00 | 80.00 | 21.00 |
| 28158/28315B | однорядный конический роликовый подшипник. Фланец на передней поверхности наружного кольца. | 40.00 | 80.00 | 20.94 |
| G208-NPPB-AH07 | Подшипник для корпуса. Подшипник со сферическим наружным кольцом. Манжетные уплотнения с обеих сторон (Тип P — две шайбы из оцинкованной листовой стали с промежуточной частью из NBR. Кромка уплотнения предварительно нагружена в осевом направлении). | 40.00 | 80.00 | 21.00 |
| OREA40-NPP-B | Подшипник для корпуса. Подшипник со сферическим наружным кольцом. Манжетные уплотнения с обеих сторон (Тип P — две шайбы из оцинкованной листовой стали с промежуточной частью из NBR. Кромка уплотнения предварительно нагружена в осевом направлении). | 40.00 | 80.00 | 22.00 |
| SPH208-NPP-B-AH01-OSE | Подшипник для корпуса. Подшипник со сферическим наружным кольцом. Манжетные уплотнения с обеих сторон (Тип P — две шайбы из оцинкованной листовой стали с промежуточной частью из NBR. Кромка уплотнения предварительно нагружена в осевом направлении). Размеры могут отличаться от базового номера детали. Внутренний зазор равен C3 (больше обычного) и защищен от коррозии специальным покрытием Corrotect®. Подшипник без стопорного элемента ( эксцентриковая стопорная втулка). | 40.00 | 80.00 | 22.00 |
| 1040KG C4 | Подшипник для корпуса. Внутренний зазор подшипника больше. чем C3. Серия с закрепительной втулкой и смазочным отверстием. | 40.00 | 80.00 | 22.00 |
| 208KRR2 | Подшипник однорядный шариковый радиальный. Conrad (Non-Filling Slot) Type. Резиновое уплотнение с двух сторон. | 40.00 | 80.00 | 21.00 |
| 487508TN2 C4 | Подшипник однорядный шариковый радиальный. Внутренний зазор подшипника больше. чем C3. сепаратор из полиамида 6.6. армированного стекловолокном. | 40.00 | 80.00 | 21.00 |
| 4T-344/332 | однорядный конический роликовый подшипник. Цементованная сталь. | 40.00 | 80.00 | 21.00 |
| UK40ZZ | Подшипник шариковый двухрядный радиально-упорный. Защитные металлические шайбы с обеих сторон. | 40.00 | 80.00 | 22.00 |
| K-344A/K-332 | Роликовый радиальный-упорный однорядный подшипник. Коническое отверстие. Конусность 1/12. Двухрядный радиально-упорный шарикоподшипник без отверстия для смазки. 02. | 40.00 | 80.00 | 21.00 |
Способы доставки
Отправка через ведущие транспортные и курьерские компании: ПЭК, Деловые Линии, СДЭК, Байкал-Сервис, Энергия, КИТ, ЖелДорЭкспедиция.
Самовывоз возможен напрямую со склада в Москве.
Сроки доставки
Срок зависит от региона и выбранной транспортной компании. Все заказы комплектуются и отправляются в кратчайшие сроки со склада в Москве.
Надёжность и сохранность
Вся продукция упаковывается с учётом требований транспортировки. Мы гарантируем, что подшипники и комплектующие прибудут к заказчику в полной сохранности.
Доставка в страны ЕАЭС
Мы работаем с проверенными логистическими партнёрами, что позволяет оперативно доставлять заказы в Беларусь, Казахстан, Армению и другие страны ЕАЭС.
Варианты оплаты:
Минимальная сумма заказа и скидки:
Документы и гарантии:
Да, конечно! Наши технические специалисты готовы помочь вам с подбором точного аналога или замены подшипника. Просто позвоните нам по телефону +7 (495) 104-99-04 или напишите на почту zakaz@podsnab.ru.
Для оперативной консультации подготовьте, пожалуйста, имеющиеся данные: маркировку, размеры, тип оборудования или артикул старого подшипника.
Да, конечно! Мы высоко ценим долгосрочное сотрудничество и доверие клиентов по всей России. Для постоянных клиентов действует персональная система скидок.
Условия формируются индивидуально и зависят от:
Чтобы узнать свои условия и получить максимально выгодное предложение, свяжитесь с персональным менеджером или напишите нам на почту zakaz@podsnab.ru.
Вы можете оформить заказ несколькими способами:
Для оформления заказа от юридического лица свяжитесь с нашим отделом по работе с корпоративными клиентами по телефону +7 (495) 104-99-04 или напишите на email zakaz@podsnab.ru, прикрепив реквизиты вашей организации.
Мы оперативно подготовим коммерческое предложение и выставим счет.
Возврат товара надлежащего качества возможен в течение 10 дней с момента получения, если товар не был в употреблении, сохранен товарный вид, упаковка не вскрывалась и присутствуют все сопроводительные документы.
Возврат денежных средств осуществляется в течение 10 рабочих дней после проверки товара складом.
В соответствии с законодательством возврату не подлежат подшипники надлежащего качества, если отсутствует оригинальная упаковка или имеются следы монтажа.
В случае выявления брака или гарантийного случая мы гарантируем возврат или обмен товара.
Да, гарантийный срок хранения устанавливается заводом-изготовителем и в среднем составляет 2 года при соблюдении условий хранения: сухое помещение, оригинальная упаковка и смазка.
Точный срок для конкретного типа подшипника уточняйте у наших менеджеров.
Пн–Пт: с 8:00 до 17:00 (МСК).
Сб–Вс: выходные дни.
Заказы на сайте принимаются круглосуточно. Заявки, поступившие после окончания рабочего дня, обрабатываются на следующий рабочий день.
Минимальная сумма заказа для доставки составляет 3000 рублей. Самовывоз со склада возможен на любую сумму при наличии товара.
ООО «УралТехГрупп»
ИНН: 7415093830
КПП: 772401001
ОГРН: 1167456069021
Банк: ПАО Сбербанк
Р/с: 40702810838000475273
К/с: 30101810400000000225
БИК: 044525225
У подшипника CUC208 пока нет отзывов. Вы можете стать первым покупателем, поделившимся своим мнением.