Поиск подшипника
Статьи
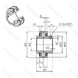
CUC209-26 — Шариковый радиальный однорядный подшипник, модификация основного исполнения CUC209, производство SNR.
Размер подшипника: 41x85x22 мм.
Подшипники с цилиндрическим наружным кольцом, двухсторонними уплотнениями, c удлиненным с обеих сторон внутренним кольцом и стопорным винтом для фиксации на валу, 1.5/8.
Международная стандартизации ISO
CUC20926
В наличии
| Обозначение | Конструктивные изменения |
|---|---|
| CUC209-27 | 1.11/16. |
| CUC209-28 | 1.3/4. |
| CUC209 | Радиальный внутренний зазор С2. Основное конструктивное исполнение. |
Модификации шарикового подшипника CUC209-26 — это измененное основное конструктивное исполнение CUC209, основные размеры (41x85x22) не отличаются.
| Обозначение | Гост | Конструктивные особенности |
|---|---|---|
| 6-1680208 АК7С17Ш | ГОСТ | Смазка Литол-24. Повышенная грузоподъемность. Нормы шумности. |
| 6-1680208 АК7L19Ш1 | ГОСТ | Нормы шумности. Повышенная грузоподъемность. |
| 6-1680208 АК7L19Ш | ГОСТ | Повышенная грузоподъемность. Нормы шумности. |
| 6-1680208 АК7W41Ш1 | ГОСТ | Детали из вакуумированной стали.. Нормы шумности. Повышенная грузоподъемность. |
| 6-1680208 АК7W41Ш | ГОСТ | Детали из вакуумированной стали.. Повышенная грузоподъемность. Нормы шумности. |
| 6-1680208 АС17Ш1 | ГОСТ | Смазка Литол-24. Повышенная грузоподъемность. Нормы шумности. |
| 6-1680208 АС17Ш | ГОСТ | Смазка Литол-24. Повышенная грузоподъемность. Нормы шумности. |
| 6-1680208 АС27Ш1 | ГОСТ | Повышенная грузоподъемность. Нормы шумности. Смазка ФАНОЛ. |
| 6-1680208 А1НК7L19Ш1 | ГОСТ | Детали из теплостойкой стали. Повышенная грузоподъемность. Нормы шумности. Двусторонние уплотнения плюс стопорный штифт. |
| 6-1680208 А1НК7W41Ш1 | ГОСТ | Детали из вакуумированной стали.. Детали из теплостойкой стали. Повышенная грузоподъемность. Нормы шумности. Двусторонние уплотнения плюс стопорный штифт. |
| 6-380708 А1С27Т2Ш1 | ГОСТ | 200°. Температура отпуска. Повышенная грузоподъемность. Нормы шумности. Смазка ФАНОЛ. |
| 6-380708 А1Т2С17Ш1 | ГОСТ | Смазка Литол-24. 200°. Температура отпуска. Повышенная грузоподъемность. Нормы шумности. |
| 6-380708 А1L19Т2Ш1 | ГОСТ | 200°. Температура отпуска. Повышенная грузоподъемность. Нормы шумности. |
| 6-380708 А1W41Т2Ш1 | ГОСТ | Детали из вакуумированной стали.. 200°. Температура отпуска. Повышенная грузоподъемность. Нормы шумности. |
| 8-1680208-АС17 | ГОСТ | Смазка Литол-24. Повышенная грузоподъемность. |
| 1680208-ЕТ2С17 | ГОСТ | Смазка Литол-24. Сепаратор из текстолита.. 200°. Температура отпуска. |
| 1680208-АС17 | ГОСТ | Смазка Литол-24. Повышенная грузоподъемность. |
| 1680208-С17 | ГОСТ | Смазка Литол-24. |
| 1680208-Т2С17 | ГОСТ | Смазка Литол-24. 200°. Температура отпуска. |
| 380708-Т2С17 | ГОСТ | Смазка Литол-24. 200°. Температура отпуска. |
Аналог шарикового подшипника CUC209-26 — это подшипник такого же размера dx41,Dx85,Bx22, типа и конструкции.
| Обозначение | Конструктивные особенности | Внутренний (d) | Наружный (D) | Ширина (B) |
|---|---|---|---|---|
| 350/354B | Однорядный конический роликовый подшипник. Фланец на передней поверхности наружного кольца. | 40.00 | 85.00 | 21.69 |
| TSM16.1 | Сферический шарнирный подшипник. Number Of Carriages Per Rail Track. | 42.00 | 85.00 | 22.00 |
| SIBP16S/B1 | Сферический шарнирный подшипник. Запечатанная версия кулачкового ролика. Block Qty. | 42.00 | 85.00 | 22.00 |
| PHS16-1 | Сферический шарнирный подшипник. Number Of Carriages Per Rail Track. | 42.00 | 85.00 | 22.00 |
| 22209EK C3+H309 | Подшипник роликовый сферический. Внутренний зазор больше нормального. Коническое отверстие. конус 1/12. Увеличенная грузоподъемность подшипника. | 40.00 | 85.00 | 23.00 |
| 13508-Л | Роликовый радиальный двухрядный подшипник. Сепаратор из латуни.. | 40.00 | 85.00 | 23.00 |
| 22209-E1-K + H309 | Роликовый радиальный сферический двухрядный подшипник. Коническое отверстие. Конусность 1/12. Конструкция с увеличенной грузоподьемностью. | 40.00 | 85.00 | 23.00 |
| 22209-E1-K + AH309 | Роликовый радиальный сферический двухрядный подшипник. Коническое отверстие. Конусность 1/12. Конструкция с увеличенной грузоподьемностью. | 40.00 | 85.00 | 23.00 |
| 22209-E-K-W33+H309 | Роликовый радиальный сферический двухрядный подшипник. Канавка для смазки и три отверстия во внешнем кольце подшипника. Коническое отверстие. Конусность 1/12. Повышенная грузоподъемность. | 40.00 | 85.00 | 23.00 |
| 22209 K+AH309 | Роликовый радиальный сферический двухрядный подшипник. Коническое отверстие. Конусность 1/12. | 40.00 | 85.00 | 23.00 |
| 4T-357/354A | Роликовый радиальный-упорный конический однорядный подшипник. Цементованная сталь. | 40.00 | 85.00 | 21.69 |
| 2209-K-TVH-C3 + H309 | Шариковый сферический двухрядный подшипник. Внутренний зазор больше нормального. Коническое отверстие. Конусность 1/12. Твердая клетка из полиамида. | 40.00 | 85.00 | 23.00 |
| 2209-K-2RS-TVH-C3 + H309 | Шариковый сферический двухрядный подшипник. Внутренний зазор больше нормального. Коническое отверстие. Конусность 1/12. Резиновые уплотнения с каждой стороны подшипника. Твердая клетка из полиамида. | 40.00 | 85.00 | 23.00 |
| 2209-2RS KTN9+H309 | Шариковый сферический двухрядный подшипник. Резиновые уплотнения с каждой стороны подшипника. | 40.00 | 85.00 | 23.00 |
| 2209E-2RS1KTN9+H309E | Шариковый сферический двухрядный подшипник. Повышенная грузоподъемность. | 40.00 | 85.00 | 23.00 |
Способы доставки
Отправка через ведущие транспортные и курьерские компании: ПЭК, Деловые Линии, СДЭК, Байкал-Сервис, Энергия, КИТ, ЖелДорЭкспедиция.
Самовывоз возможен напрямую со склада в Москве.
Сроки доставки
Срок зависит от региона и выбранной транспортной компании. Все заказы комплектуются и отправляются в кратчайшие сроки со склада в Москве.
Надёжность и сохранность
Вся продукция упаковывается с учётом требований транспортировки. Мы гарантируем, что подшипники и комплектующие прибудут к заказчику в полной сохранности.
Доставка в страны ЕАЭС
Мы работаем с проверенными логистическими партнёрами, что позволяет оперативно доставлять заказы в Беларусь, Казахстан, Армению и другие страны ЕАЭС.
Варианты оплаты:
Минимальная сумма заказа и скидки:
Документы и гарантии:
Да, конечно! Наши технические специалисты готовы помочь вам с подбором точного аналога или замены подшипника. Просто позвоните нам по телефону +7 (495) 104-99-04 или напишите на почту zakaz@podsnab.ru.
Для оперативной консультации подготовьте, пожалуйста, имеющиеся данные: маркировку, размеры, тип оборудования или артикул старого подшипника.
Да, конечно! Мы высоко ценим долгосрочное сотрудничество и доверие клиентов по всей России. Для постоянных клиентов действует персональная система скидок.
Условия формируются индивидуально и зависят от:
Чтобы узнать свои условия и получить максимально выгодное предложение, свяжитесь с персональным менеджером или напишите нам на почту zakaz@podsnab.ru.
Вы можете оформить заказ несколькими способами:
Для оформления заказа от юридического лица свяжитесь с нашим отделом по работе с корпоративными клиентами по телефону +7 (495) 104-99-04 или напишите на email zakaz@podsnab.ru, прикрепив реквизиты вашей организации.
Мы оперативно подготовим коммерческое предложение и выставим счет.
Возврат товара надлежащего качества возможен в течение 10 дней с момента получения, если товар не был в употреблении, сохранен товарный вид, упаковка не вскрывалась и присутствуют все сопроводительные документы.
Возврат денежных средств осуществляется в течение 10 рабочих дней после проверки товара складом.
В соответствии с законодательством возврату не подлежат подшипники надлежащего качества, если отсутствует оригинальная упаковка или имеются следы монтажа.
В случае выявления брака или гарантийного случая мы гарантируем возврат или обмен товара.
Да, гарантийный срок хранения устанавливается заводом-изготовителем и в среднем составляет 2 года при соблюдении условий хранения: сухое помещение, оригинальная упаковка и смазка.
Точный срок для конкретного типа подшипника уточняйте у наших менеджеров.
Пн–Пт: с 8:00 до 17:00 (МСК).
Сб–Вс: выходные дни.
Заказы на сайте принимаются круглосуточно. Заявки, поступившие после окончания рабочего дня, обрабатываются на следующий рабочий день.
Минимальная сумма заказа для доставки составляет 3000 рублей. Самовывоз со склада возможен на любую сумму при наличии товара.
ООО «УралТехГрупп»
ИНН: 7415093830
КПП: 772401001
ОГРН: 1167456069021
Банк: ПАО Сбербанк
Р/с: 40702810838000475273
К/с: 30101810400000000225
БИК: 044525225
У подшипника CUC209-26 пока нет отзывов. Вы можете стать первым покупателем, поделившимся своим мнением.