Поиск подшипника
Статьи
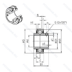
CUC207-23 — Шариковый радиальный однорядный подшипник, модификация основного исполнения CUC207, производство SNR.
Размер подшипника: 36x72x20 мм.
Подшипники с цилиндрическим наружным кольцом, двухсторонними уплотнениями, c удлиненным с обеих сторон внутренним кольцом и стопорным винтом для фиксации на валу, 1.7/16.
Международная стандартизации ISO
CUC20723
В наличии
Модификации шарикового подшипника CUC207-23 — это измененное основное конструктивное исполнение CUC207, основные размеры (36x72x20) не отличаются.
| Обозначение | Гост | Конструктивные особенности |
|---|---|---|
| 8-1580207 К7Т2С17 | ГОСТ | Смазка Литол-24. 200°. Температура отпуска. Двусторонние уплотнения плюс стопорный штифт. |
| 1580207-А | ГОСТ | Повышенная грузоподъемность. |
| 1580207-АКТ2С17 | ГОСТ | Смазка Литол-24. 200°. Температура отпуска. Повышенная грузоподъемность. |
| 1580207-АТ2С17 | ГОСТ | Смазка Литол-24. 200°. Температура отпуска. Повышенная грузоподъемность. |
| 1580207-АС17 | ГОСТ | Смазка Литол-24. Повышенная грузоподъемность. |
| 1580207-АК7Т2С17 | ГОСТ | Смазка Литол-24. 200°. Температура отпуска. Повышенная грузоподъемность. |
| 6-1580207 АЕК7С17Ш1 | ГОСТ | Смазка Литол-24. Сепаратор из текстолита.. Нормы шумности. Повышенная грузоподъемность. |
| 6-1580207 АЕК7L19Ш1 | ГОСТ | Сепаратор из текстолита.. Нормы шумности. Повышенная грузоподъемность. |
| 6-1580207 АЕК7W41Ш1 | ГОСТ | Детали из вакуумированной стали.. Сепаратор из текстолита.. Нормы шумности. Повышенная грузоподъемность. |
| 6-1580207 АК10Т2С17Ш1 | ГОСТ | Смазка Литол-24. 200°. Температура отпуска. Повышенная грузоподъемность. Нормы шумности. Улучшенная конструкция уплотнений плюс стопорный штифт. |
| 6-1580207 АК7С17Ш1 | ГОСТ | Смазка Литол-24. Нормы шумности. Повышенная грузоподъемность. |
| 6-1580207 АК7С17Ш | ГОСТ | Смазка Литол-24. Повышенная грузоподъемность. Нормы шумности. |
| 6-1580207 АК7Т2С17Ш1 | ГОСТ | Смазка Литол-24. 200°. Температура отпуска. Нормы шумности. Повышенная грузоподъемность. |
| 6-1580207 АК7Т2С17Ш | ГОСТ | Смазка Литол-24. 200°. Температура отпуска. Повышенная грузоподъемность. Нормы шумности. |
| 1580207-АК7T2 | ГОСТ | Повышенная грузоподъемность. |
| 1580207-Е | ГОСТ | Сепаратор из текстолита.. |
| 1580207-К1С17 | ГОСТ | Смазка Литол-24. |
| 1580207-К1Т2С17 | ГОСТ | Смазка Литол-24. 200°. Температура отпуска. |
| 1580207-К7Т2С17 | ГОСТ | Смазка Литол-24. 200°. Температура отпуска. «Замок» (скос) на внутреннем кольце. |
| 1580207-Т2С17 | ГОСТ | Смазка Литол-24. 200°. Температура отпуска. |
Аналог шарикового подшипника CUC207-23 — это подшипник такого же размера dx36,Dx72,Bx20, типа и конструкции.
| Обозначение | Конструктивные особенности | Внутренний (d) | Наружный (D) | Ширина (B) |
|---|---|---|---|---|
| UG2M35NL | Подшипник для корпуса. Уплотнения типа LS с двух сторон подшипника. | 35.00 | 72.00 | 19.00 |
| 1107RR | Подшипник для корпуса. Резиновое уплотнение с двух сторон. | 36.51 | 72.00 | 20.64 |
| 1107KLLGC2 | Подшипник для корпуса. Conrad (Non-Filling Slot) Type. Bearing Internal Clearance Smaller Than Normal Or Manufacturing Code - Fafnir Use Only. Wireloc (стопорное кольцо). Two Mechani-Seals. Interchangeable with RR Series. But Have Non-Contact Labyrinth Seals And Steel Cages For Low Torque. High Speed And Higher Temperature Service. (Up to 350°F/176°C). | 36.51 | 72.00 | 20.64 |
| NAST35-2Z | Опорный ролик. Защитные металлические шайбы с обеих сторон. | 35.00 | 72.00 | 19.80 |
| 1228-F-552 | Однорядный цилиндрический роликовый подшипник. Сепаратор из обработанной стали или специального чугуна. | 35.00 | 72.00 | 20.60 |
| CUC.207 | Подшипник для корпуса. Радиальный внутренний зазор С2. | 35.00 | 72.00 | 20.00 |
| R0725V | Роликовый радиальный однорядный подшипник. Подшипник без сепаратора. С полным комплектом тел качения. | 35.00 | 72.00 | 20.60 |
| RNUP0709V | Роликовый радиальный однорядный подшипник. Подшипник без сепаратора. С полным комплектом тел качения. | 35.00 | 72.00 | 19.00 |
| 23707Е | Роликовый радиальный однорядный подшипник. Сепаратор из текстолита.. | 35.00 | 72.00 | 19.00 |
| DF07A74CS16 | Шариковый радиально-упорный двухрядный подшипник. Угол контакта 15°. | 35.00 | 72.00 | 21.00 |
| 6-7507 А | Роликовый радиальный-упорный однорядный подшипник. Повышенная грузоподъемность. | 35.00 | 72.00 | 19.00 |
| 6У-7207 А | Роликовый радиальный-упорный однорядный подшипник. Повышенная грузоподъемность. | 35.00 | 72.00 | 19.25 |
| 7207-А | Роликовый радиальный-упорный однорядный подшипник. Повышенная грузоподъемность. | 35.00 | 72.00 | 19.25 |
| 7507-А | Роликовый радиальный-упорный однорядный подшипник. Повышенная грузоподъемность. | 35.00 | 72.00 | 19.00 |
| 5-7207 А | Роликовый радиальный-упорный однорядный подшипник. Повышенная грузоподъемность. | 35.00 | 72.00 | 19.25 |
Способы доставки
Отправка через ведущие транспортные и курьерские компании: ПЭК, Деловые Линии, СДЭК, Байкал-Сервис, Энергия, КИТ, ЖелДорЭкспедиция.
Самовывоз возможен напрямую со склада в Москве.
Сроки доставки
Срок зависит от региона и выбранной транспортной компании. Все заказы комплектуются и отправляются в кратчайшие сроки со склада в Москве.
Надёжность и сохранность
Вся продукция упаковывается с учётом требований транспортировки. Мы гарантируем, что подшипники и комплектующие прибудут к заказчику в полной сохранности.
Доставка в страны ЕАЭС
Мы работаем с проверенными логистическими партнёрами, что позволяет оперативно доставлять заказы в Беларусь, Казахстан, Армению и другие страны ЕАЭС.
Варианты оплаты:
Минимальная сумма заказа и скидки:
Документы и гарантии:
Да, конечно! Наши технические специалисты готовы помочь вам с подбором точного аналога или замены подшипника. Просто позвоните нам по телефону +7 (495) 104-99-04 или напишите на почту zakaz@podsnab.ru.
Для оперативной консультации подготовьте, пожалуйста, имеющиеся данные: маркировку, размеры, тип оборудования или артикул старого подшипника.
Да, конечно! Мы высоко ценим долгосрочное сотрудничество и доверие клиентов по всей России. Для постоянных клиентов действует персональная система скидок.
Условия формируются индивидуально и зависят от:
Чтобы узнать свои условия и получить максимально выгодное предложение, свяжитесь с персональным менеджером или напишите нам на почту zakaz@podsnab.ru.
Вы можете оформить заказ несколькими способами:
Для оформления заказа от юридического лица свяжитесь с нашим отделом по работе с корпоративными клиентами по телефону +7 (495) 104-99-04 или напишите на email zakaz@podsnab.ru, прикрепив реквизиты вашей организации.
Мы оперативно подготовим коммерческое предложение и выставим счет.
Возврат товара надлежащего качества возможен в течение 10 дней с момента получения, если товар не был в употреблении, сохранен товарный вид, упаковка не вскрывалась и присутствуют все сопроводительные документы.
Возврат денежных средств осуществляется в течение 10 рабочих дней после проверки товара складом.
В соответствии с законодательством возврату не подлежат подшипники надлежащего качества, если отсутствует оригинальная упаковка или имеются следы монтажа.
В случае выявления брака или гарантийного случая мы гарантируем возврат или обмен товара.
Да, гарантийный срок хранения устанавливается заводом-изготовителем и в среднем составляет 2 года при соблюдении условий хранения: сухое помещение, оригинальная упаковка и смазка.
Точный срок для конкретного типа подшипника уточняйте у наших менеджеров.
Пн–Пт: с 8:00 до 17:00 (МСК).
Сб–Вс: выходные дни.
Заказы на сайте принимаются круглосуточно. Заявки, поступившие после окончания рабочего дня, обрабатываются на следующий рабочий день.
Минимальная сумма заказа для доставки составляет 3000 рублей. Самовывоз со склада возможен на любую сумму при наличии товара.
ООО «УралТехГрупп»
ИНН: 7415093830
КПП: 772401001
ОГРН: 1167456069021
Банк: ПАО Сбербанк
Р/с: 40702810838000475273
К/с: 30101810400000000225
БИК: 044525225
У подшипника CUC207-23 пока нет отзывов. Вы можете стать первым покупателем, поделившимся своим мнением.