Поиск подшипника
Статьи
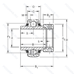
G1013KPPB3 — Шариковый радиальный однорядный подшипник, модификация основного исполнения G1013, производство TIMKEN.
Размер подшипника: 20x52x34 мм.
Международная стандартизации ISO
G1013KPPB3
В наличии
| Обозначение | Конструктивные изменения |
|---|---|
| G1013KLLB | Шариковый радиальный однорядный подшипник. |
| G1013KRRB | Шариковый радиальный однорядный подшипник. |
Модификации шарикового подшипника G1013KPPB3 — это измененное основное конструктивное исполнение G1013, основные размеры (20x52x34) не отличаются.
| Обозначение | Гост | Конструктивные особенности |
|---|---|---|
| UK205+H-12 | ISO | Pressed Snap-Type Steel Cage. Hardened. 3/4. |
| SM1013KB | ISO | Материал контакта сталь на бронзе (S/B). |
| SM1013K | ISO | Коническое отверстие. Конусность 1/12. |
| SMN012KB | ISO | Материал контакта сталь на бронзе (S/B). |
| SMN012K | ISO | Коническое отверстие. Конусность 1/12. |
| GY1013KRRB | ISO | Шариковый радиальный однорядный подшипник. |
| SUCX04 | ISO | Шариковый радиальный однорядный подшипник. |
Аналог шарикового подшипника G1013KPPB3 — это подшипник такого же размера dx20,Dx52,Bx34, типа и конструкции.
| Обозначение | Конструктивные особенности | Внутренний (d) | Наружный (D) | Ширина (B) |
|---|---|---|---|---|
| 56205K | Подшипник для корпуса. Коническое отверстие. конус 1/12. | 20.00 | 52.00 | 35.00 |
| UC205-13 | Подшипник для корпуса. 13/16. | 20.64 | 52.00 | 34.10 |
| YSA205-2FK | Подшипник для корпуса. Коническое отверстие. конус 1/12. Стандартное контактное уплотнение с дополнительным маслоотражательным кольцом с обеих сторон. | 20.00 | 52.00 | 35.00 |
| 222165CB | Кулачковый ролик толкатель. Подшипник для универсального монтажа. Два подшипника. установленные по О-образной или Х-образной схеме. имеют нормальный осевой внутренний зазор. | 19.05 | 52.00 | 35.00 |
| DKLFA2080-2RS | Подшипник шариковый двухрядный радиально-упорный. Манжетное уплотнение с обеих сторон подшипника. | 20.00 | 52.00 | 35.00 |
| DKLFA2080-2Z | Подшипник шариковый двухрядный радиально-упорный. Зазорные уплотнения с обеих сторон подшипника.. | 20.00 | 52.00 | 35.00 |
| UK.205G2H | Подшипник для корпуса. Cистема повторного смазывания для корпусных подшипников. Закрепительная втулка. | 20.00 | 52.00 | 35.00 |
| 222165CA | Кулачковый ролик толкатель. Латунный сепаратор с симметричными роликами. | 19.05 | 52.00 | 35.00 |
| YAR205-013-2F | Подшипник для корпуса. Стандартное контактное уплотнение с дополнительным маслоотражательным кольцом с обеих сторон. | 20.64 | 52.00 | 34.10 |
| RKYR52NX | Кулачковый ролик толкатель. Нержавеющая сталь. | 20.00 | 52.00 | 35.00 |
| RKY52NX | Кулачковый ролик толкатель. Нержавеющая сталь. | 20.00 | 52.00 | 35.00 |
| 52305P6 | Подшипник шариковый упорный двойного направления. Размерные и геометрические допуски соответствуют классу точности P6. | 20.00 | 52.00 | 34.00 |
| 52305J9 | Подшипник шариковый упорный двойного направления. Прессованный стальной сепаратор. Вращающийся элемент по центру. Незакаленный. | 20.00 | 52.00 | 34.00 |
| PK52C | Кулачковый ролик толкатель. 15° Угол контакта. | 20.00 | 52.00 | 35.00 |
| YSA 205-2FK + H 2305 | Шариковый радиальный подшипник. Pressed Snap-Type Steel Cage. Hardened. | 20.00 | 52.00 | 35.00 |
Способы доставки
Отправка через ведущие транспортные и курьерские компании: ПЭК, Деловые Линии, СДЭК, Байкал-Сервис, Энергия, КИТ, ЖелДорЭкспедиция.
Самовывоз возможен напрямую со склада в Москве.
Сроки доставки
Срок зависит от региона и выбранной транспортной компании. Все заказы комплектуются и отправляются в кратчайшие сроки со склада в Москве.
Надёжность и сохранность
Вся продукция упаковывается с учётом требований транспортировки. Мы гарантируем, что подшипники и комплектующие прибудут к заказчику в полной сохранности.
Доставка в страны ЕАЭС
Мы работаем с проверенными логистическими партнёрами, что позволяет оперативно доставлять заказы в Беларусь, Казахстан, Армению и другие страны ЕАЭС.
Варианты оплаты:
Минимальная сумма заказа и скидки:
Документы и гарантии:
Да, конечно! Наши технические специалисты готовы помочь вам с подбором точного аналога или замены подшипника. Просто позвоните нам по телефону +7 (495) 104-99-04 или напишите на почту zakaz@podsnab.ru.
Для оперативной консультации подготовьте, пожалуйста, имеющиеся данные: маркировку, размеры, тип оборудования или артикул старого подшипника.
Да, конечно! Мы высоко ценим долгосрочное сотрудничество и доверие клиентов по всей России. Для постоянных клиентов действует персональная система скидок.
Условия формируются индивидуально и зависят от:
Чтобы узнать свои условия и получить максимально выгодное предложение, свяжитесь с персональным менеджером или напишите нам на почту zakaz@podsnab.ru.
Вы можете оформить заказ несколькими способами:
Для оформления заказа от юридического лица свяжитесь с нашим отделом по работе с корпоративными клиентами по телефону +7 (495) 104-99-04 или напишите на email zakaz@podsnab.ru, прикрепив реквизиты вашей организации.
Мы оперативно подготовим коммерческое предложение и выставим счет.
Возврат товара надлежащего качества возможен в течение 10 дней с момента получения, если товар не был в употреблении, сохранен товарный вид, упаковка не вскрывалась и присутствуют все сопроводительные документы.
Возврат денежных средств осуществляется в течение 10 рабочих дней после проверки товара складом.
В соответствии с законодательством возврату не подлежат подшипники надлежащего качества, если отсутствует оригинальная упаковка или имеются следы монтажа.
В случае выявления брака или гарантийного случая мы гарантируем возврат или обмен товара.
Да, гарантийный срок хранения устанавливается заводом-изготовителем и в среднем составляет 2 года при соблюдении условий хранения: сухое помещение, оригинальная упаковка и смазка.
Точный срок для конкретного типа подшипника уточняйте у наших менеджеров.
Пн–Пт: с 8:00 до 17:00 (МСК).
Сб–Вс: выходные дни.
Заказы на сайте принимаются круглосуточно. Заявки, поступившие после окончания рабочего дня, обрабатываются на следующий рабочий день.
Минимальная сумма заказа для доставки составляет 3000 рублей. Самовывоз со склада возможен на любую сумму при наличии товара.
ООО «УралТехГрупп»
ИНН: 7415093830
КПП: 772401001
ОГРН: 1167456069021
Банк: ПАО Сбербанк
Р/с: 40702810838000475273
К/с: 30101810400000000225
БИК: 044525225
У подшипника G1013KPPB3 пока нет отзывов. Вы можете стать первым покупателем, поделившимся своим мнением.