Поиск подшипника
Статьи
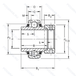
G1109KPPB3 — Шариковый радиальный однорядный подшипник, модификация основного исполнения G1109, производство TIMKEN.
Размер подшипника: 39x80x42 мм.
Международная стандартизации ISO
G1109KPPB3
В наличии
| Обозначение | Конструктивные изменения |
|---|---|
| G1109KRRB | Шариковый радиальный однорядный подшипник. |
| G1109KRRB AS2/V | Подшипник со сферическим наружным кольцом. Манжетные уплотнения с обеих сторон (уплотнение типа R - имеет оцинкованные внутреннюю и внешнюю крышки. Между крышками имеется уплотнительная кромка NBR. идущая по шлифованному буртику). Наружное кольцо подшипника с двумя смазочными отверстиями в смещенных плоскостях. |
| G1109KRRB+COL | Conrad (Non-Filling Slot) Type. Сферический внешний диаметр. Резиновое уплотнение с двух сторон. Товар включает втулку. |
| G1109KLL | BALL BEARING. CONRAD TYPE. INDUSTRIAL POWER TRANSMISSION. DOUBLE MECHANI-SEAL. |
| G1109KLLB | Шариковый радиальный однорядный подшипник. |
Модификации шарикового подшипника G1109KPPB3 — это измененное основное конструктивное исполнение G1109, основные размеры (39x80x42) не отличаются.
| Обозначение | Гост | Конструктивные особенности |
|---|---|---|
| W208PPB23 | ISO | Широкий. |
| UELS208LD1N | ISO | Канавка для стопорного кольца на наружном кольце. |
| E2.YSP 208-108 SB-2F | ISO | Шариковый радиальный однорядный подшипник. |
| E2.YSP 208 SB-2F | ISO | Шариковый радиальный однорядный подшипник. |
| SM1108KT | ISO | Greases With Lower Operating Temperature -30°C. |
| SM1109KT | ISO | Greases With Lower Operating Temperature -30°C. |
| SM1108KB | ISO | Материал контакта сталь на бронзе (S/B). |
| G1108KLL | ISO | BALL BEARING. CONRAD TYPE. INDUSTRIAL POWER TRANSMISSION. DOUBLE MECHANI-SEAL. |
| G1108KLLB | ISO | Шариковый радиальный однорядный подшипник. |
| GE40KRR | ISO | Манжетные уплотнения с обеих сторон (уплотнение типа R - имеет оцинкованные внутреннюю и внешнюю крышки. Между крышками имеется уплотнительная кромка NBR. идущая по шлифованному буртику). |
| 1108KL | ISO | Flanged Type (2 Thru holes)-Medium Load. |
| 1108KLB | ISO | Шариковый радиальный однорядный подшипник. |
| 1108KLL | ISO | BALL BEARING. CONRAD TYPE. INDUSTRIAL POWER TRANSMISSION. DOUBLE MECHANI-SEAL. |
| 1108KLLB | ISO | Шариковый радиальный однорядный подшипник. |
| 1108KR | ISO | Single-Row. Counterbored Outer Ring. Radial Type. Ball Bearing. 15° Угол контакта. |
| 1108KRRB | ISO | Шариковый радиальный однорядный подшипник. |
| 1109KLL | ISO | BALL BEARING. CONRAD TYPE. INDUSTRIAL POWER TRANSMISSION. DOUBLE MECHANI-SEAL. |
| 1109KLLB | ISO | Шариковый радиальный однорядный подшипник. |
| 1109KRR | ISO | Манжетные уплотнения с обеих сторон (уплотнение типа R - имеет оцинкованные внутреннюю и внешнюю крышки. Между крышками имеется уплотнительная кромка NBR. идущая по шлифованному буртику). |
| 1109KRRB | ISO | Шариковый радиальный однорядный подшипник. |
Аналог шарикового подшипника G1109KPPB3 — это подшипник такого же размера dx39,Dx80,Bx42, типа и конструкции.
| Обозначение | Конструктивные особенности | Внутренний (d) | Наружный (D) | Ширина (B) |
|---|---|---|---|---|
| GLE40KLLHB | Подшипник для корпуса. Подшипник со сферическим наружным кольцом. Лабиринтные уплотнения с обеих сторон (уплотнение типа L - все детали уплотнения типа L оцинкованы со всех сторон. чтобы улучшить защиту от коррозии - нет трения уплотнения). | 40.00 | 80.00 | 42.90 |
| 1108KRR | Подшипник для корпуса. Манжетные уплотнения с обеих сторон (уплотнение типа R - имеет оцинкованные внутреннюю и внешнюю крышки. Между крышками имеется уплотнительная кромка NBR. идущая по шлифованному буртику). | 38.10 | 80.00 | 42.86 |
| EX208-24G2 | Подшипник для корпуса. Cистема повторного смазывания для корпусных подшипников. 1.1/2. | 40.00 | 80.00 | 42.80 |
| 3140-40EC | Подшипник для корпуса. Эксцентриковая втулка с внутренним кольцом заподлицо с одной стороны. | 40.00 | 80.00 | 41.18 |
| UG208+ER | Подшипник для корпуса. Эксцентриковое кольцо. | 40.00 | 80.00 | 42.80 |
| 1340-40 | Подшипник для корпуса. 2.1/2. | 40.00 | 80.00 | 41.18 |
| WPS109GRC | Подшипник для корпуса. Указывает на наличие эксцентрикового стопорного кольца в комплекте с подшипником. Подшипники с установочным винтом не имеют втулки. Многоразовая смазка. Широкий одинарный манжетный уплотнитель. | 39.69 | 80.00 | 42.86 |
| GLE40KRRB | Подшипник для корпуса. Подшипник со сферическим наружным кольцом. Манжетные уплотнения с обеих сторон (уплотнение типа R - имеет оцинкованные внутреннюю и внешнюю крышки. Между крышками имеется уплотнительная кромка NBR. идущая по шлифованному буртику). | 40.00 | 80.00 | 42.90 |
| W208PP10 | Подшипник для корпуса. Широкий. Манжетные уплотнения с обеих сторон подшипника. | 38.11 | 80.00 | 42.87 |
| G1108KRR | Подшипник для корпуса. Манжетные уплотнения с обеих сторон (уплотнение типа R - имеет оцинкованные внутреннюю и внешнюю крышки. Между крышками имеется уплотнительная кромка NBR. идущая по шлифованному буртику). | 38.10 | 80.00 | 42.86 |
| YSP 208 SB-2F | Корпусный подшипник. Стандартное контактное уплотнение с дополнительным маслоотражательным кольцом с обеих сторон. Double Row. Angular Contact. Non-Filling Notch Bearing. With Outwardly Convergent Угол контактаs. Rigid Design. | 40.00 | 80.00 | 42.90 |
| YSPAG 208 | Корпусный подшипник. Измененная или модифицированная внутренняя конструкция при неизменных основных размерах. | 40.00 | 80.00 | 42.90 |
| YELAG208 | Корпусный подшипник однорядный. Измененная или модифицированная внутренняя конструкция при неизменных основных размерах. | 40.00 | 80.00 | 42.80 |
| YSP 208-108 SB-2F | Шариковый радиальный подшипник. Стандартное контактное уплотнение с дополнительным маслоотражательным кольцом с обеих сторон. Double Row. Angular Contact. Non-Filling Notch Bearing. With Outwardly Convergent Угол контактаs. Rigid Design. 1.1/2. | 38.10 | 80.00 | 42.90 |
| YSPAG 208-108 | Шариковый радиальный подшипник. 1.1/2. | 38.10 | 80.00 | 42.90 |
Способы доставки
Отправка через ведущие транспортные и курьерские компании: ПЭК, Деловые Линии, СДЭК, Байкал-Сервис, Энергия, КИТ, ЖелДорЭкспедиция.
Самовывоз возможен напрямую со склада в Москве.
Сроки доставки
Срок зависит от региона и выбранной транспортной компании. Все заказы комплектуются и отправляются в кратчайшие сроки со склада в Москве.
Надёжность и сохранность
Вся продукция упаковывается с учётом требований транспортировки. Мы гарантируем, что подшипники и комплектующие прибудут к заказчику в полной сохранности.
Доставка в страны ЕАЭС
Мы работаем с проверенными логистическими партнёрами, что позволяет оперативно доставлять заказы в Беларусь, Казахстан, Армению и другие страны ЕАЭС.
Варианты оплаты:
Минимальная сумма заказа и скидки:
Документы и гарантии:
Да, конечно! Наши технические специалисты готовы помочь вам с подбором точного аналога или замены подшипника. Просто позвоните нам по телефону +7 (495) 104-99-04 или напишите на почту zakaz@podsnab.ru.
Для оперативной консультации подготовьте, пожалуйста, имеющиеся данные: маркировку, размеры, тип оборудования или артикул старого подшипника.
Да, конечно! Мы высоко ценим долгосрочное сотрудничество и доверие клиентов по всей России. Для постоянных клиентов действует персональная система скидок.
Условия формируются индивидуально и зависят от:
Чтобы узнать свои условия и получить максимально выгодное предложение, свяжитесь с персональным менеджером или напишите нам на почту zakaz@podsnab.ru.
Вы можете оформить заказ несколькими способами:
Для оформления заказа от юридического лица свяжитесь с нашим отделом по работе с корпоративными клиентами по телефону +7 (495) 104-99-04 или напишите на email zakaz@podsnab.ru, прикрепив реквизиты вашей организации.
Мы оперативно подготовим коммерческое предложение и выставим счет.
Возврат товара надлежащего качества возможен в течение 10 дней с момента получения, если товар не был в употреблении, сохранен товарный вид, упаковка не вскрывалась и присутствуют все сопроводительные документы.
Возврат денежных средств осуществляется в течение 10 рабочих дней после проверки товара складом.
В соответствии с законодательством возврату не подлежат подшипники надлежащего качества, если отсутствует оригинальная упаковка или имеются следы монтажа.
В случае выявления брака или гарантийного случая мы гарантируем возврат или обмен товара.
Да, гарантийный срок хранения устанавливается заводом-изготовителем и в среднем составляет 2 года при соблюдении условий хранения: сухое помещение, оригинальная упаковка и смазка.
Точный срок для конкретного типа подшипника уточняйте у наших менеджеров.
Пн–Пт: с 8:00 до 17:00 (МСК).
Сб–Вс: выходные дни.
Заказы на сайте принимаются круглосуточно. Заявки, поступившие после окончания рабочего дня, обрабатываются на следующий рабочий день.
Минимальная сумма заказа для доставки составляет 3000 рублей. Самовывоз со склада возможен на любую сумму при наличии товара.
ООО «УралТехГрупп»
ИНН: 7415093830
КПП: 772401001
ОГРН: 1167456069021
Банк: ПАО Сбербанк
Р/с: 40702810838000475273
К/с: 30101810400000000225
БИК: 044525225
У подшипника G1109KPPB3 пока нет отзывов. Вы можете стать первым покупателем, поделившимся своим мнением.