Поиск подшипника
Статьи
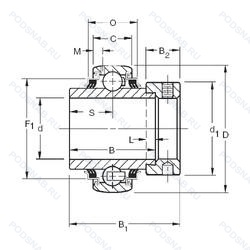
G1110KPPB4 — Шариковый радиальный однорядный подшипник, модификация основного исполнения G1110, производство TIMKEN.
Размер подшипника: 41x80x42 мм.
Международная стандартизации ISO
G1110KPPB4
В наличии
| Обозначение | Конструктивные изменения |
|---|---|
| G1110KRRB+COL | Товар включает втулку. |
| G1110KRRB | Шариковый радиальный однорядный подшипник. |
| G1110KRR | Манжетные уплотнения с обеих сторон (уплотнение типа R - имеет оцинкованные внутреннюю и внешнюю крышки. Между крышками имеется уплотнительная кромка NBR. идущая по шлифованному буртику). |
| G1110KRRBW | Подшипник со сферическим наружным кольцом. Эксцентриковая стопорная втулка. Манжетные уплотнения с обеих сторон (уплотнение типа R - имеет оцинкованные внутреннюю и внешнюю крышки. Между крышками имеется уплотнительная кромка NBR. идущая по шлифованному буртику). |
| G1110KRRB AS2/V | Подшипник со сферическим наружным кольцом. Манжетные уплотнения с обеих сторон (уплотнение типа R - имеет оцинкованные внутреннюю и внешнюю крышки. Между крышками имеется уплотнительная кромка NBR. идущая по шлифованному буртику). Наружное кольцо подшипника с двумя смазочными отверстиями в смещенных плоскостях. |
| G1110KRR+COL | Манжетные уплотнения с обеих сторон (уплотнение типа R - имеет оцинкованные внутреннюю и внешнюю крышки. Между крышками имеется уплотнительная кромка NBR. идущая по шлифованному буртику). Товар включает втулку. |
| G1110KLLB | Шариковый радиальный однорядный подшипник. |
| G1110KLL | BALL BEARING. CONRAD TYPE. INDUSTRIAL POWER TRANSMISSION. DOUBLE MECHANI-SEAL. |
Модификации шарикового подшипника G1110KPPB4 — это измененное основное конструктивное исполнение G1110, основные размеры (41x80x42) не отличаются.
| Обозначение | Гост | Конструктивные особенности |
|---|---|---|
| UELS208LD1N | ISO | Канавка для стопорного кольца на наружном кольце. |
| E2.YSP 208 SB-2F | ISO | Шариковый радиальный однорядный подшипник. |
| GE40KRR | ISO | Манжетные уплотнения с обеих сторон (уплотнение типа R - имеет оцинкованные внутреннюю и внешнюю крышки. Между крышками имеется уплотнительная кромка NBR. идущая по шлифованному буртику). |
| 480208 | ГОСТ | Шариковый радиальный однорядный подшипник. |
Аналог шарикового подшипника G1110KPPB4 — это подшипник такого же размера dx41,Dx80,Bx42, типа и конструкции.
| Обозначение | Конструктивные особенности | Внутренний (d) | Наружный (D) | Ширина (B) |
|---|---|---|---|---|
| 3140-40EC | Подшипник для корпуса. Эксцентриковая втулка с внутренним кольцом заподлицо с одной стороны. | 40.00 | 80.00 | 41.18 |
| DAC42800342 | Подшипник шариковый двухрядный радиально-упорный. Однорядный радиально-упорный шарикоподшипник с углом контакта 25°. | 42.00 | 80.03 | 42.00 |
| DAC428003422RS | Подшипник шариковый двухрядный радиально-упорный. Резиновые уплотнения с каждой стороны подшипника. | 42.00 | 80.03 | 42.00 |
| UG208+ER | Подшипник для корпуса. Эксцентриковое кольцо. | 40.00 | 80.00 | 42.80 |
| 1340-40 | Подшипник для корпуса. 2.1/2. | 40.00 | 80.00 | 41.18 |
| GLE40KRRB | Подшипник для корпуса. Подшипник со сферическим наружным кольцом. Манжетные уплотнения с обеих сторон (уплотнение типа R - имеет оцинкованные внутреннюю и внешнюю крышки. Между крышками имеется уплотнительная кромка NBR. идущая по шлифованному буртику). | 40.00 | 80.00 | 42.90 |
| MB25-1.5/8 | Подшипник для корпуса. Number Of Carriages Per Rail Track. Distance Between Beginning Of The Rail And First Hole In MM. Средний предварительный натяг. | 41.28 | 80.00 | 42.07 |
| 134-806B TNG 2RS | Подшипник шариковый двухрядный радиально-упорный. Bearing With Two Rubber Seals (With One Lip) Mounted On Outer Ring On Both Faces. Модифицированная или измененная внутренняя конструкция. Bearing With Solid Polyamide Cage Reinforced By Glass Fibre. Centred On Rolling Elements. | 42.00 | 80.00 | 42.00 |
| YSP 208 SB-2F | Корпусный подшипник. Стандартное контактное уплотнение с дополнительным маслоотражательным кольцом с обеих сторон. Double Row. Angular Contact. Non-Filling Notch Bearing. With Outwardly Convergent Угол контактаs. Rigid Design. | 40.00 | 80.00 | 42.90 |
| YSPAG 208 | Корпусный подшипник. Измененная или модифицированная внутренняя конструкция при неизменных основных размерах. | 40.00 | 80.00 | 42.90 |
| YELAG208 | Корпусный подшипник однорядный. Измененная или модифицированная внутренняя конструкция при неизменных основных размерах. | 40.00 | 80.00 | 42.80 |
| DE08A30LLCS67PX2/L170 | Шариковый радиально-упорный двухрядный подшипник. Угол контакта 15°. | 42.00 | 80.00 | 42.00 |
| PW42800042CS | Шариковый радиально-упорный двухрядный подшипник. Высокоуглеродистая сталь. | 42.00 | 80.00 | 42.00 |
| 527243C | Шариковый радиально-упорный двухрядный подшипник. 15° Угол контакта. | 42.00 | 80.03 | 42.00 |
| DAC4280B-2RS | Шариковый радиально-упорный двухрядный подшипник. Резиновые уплотнения с каждой стороны подшипника. Угол контакта 40 градусов. | 42.00 | 80.03 | 42.00 |
Способы доставки
Отправка через ведущие транспортные и курьерские компании: ПЭК, Деловые Линии, СДЭК, Байкал-Сервис, Энергия, КИТ, ЖелДорЭкспедиция.
Самовывоз возможен напрямую со склада в Москве.
Сроки доставки
Срок зависит от региона и выбранной транспортной компании. Все заказы комплектуются и отправляются в кратчайшие сроки со склада в Москве.
Надёжность и сохранность
Вся продукция упаковывается с учётом требований транспортировки. Мы гарантируем, что подшипники и комплектующие прибудут к заказчику в полной сохранности.
Доставка в страны ЕАЭС
Мы работаем с проверенными логистическими партнёрами, что позволяет оперативно доставлять заказы в Беларусь, Казахстан, Армению и другие страны ЕАЭС.
Варианты оплаты:
Минимальная сумма заказа и скидки:
Документы и гарантии:
Да, конечно! Наши технические специалисты готовы помочь вам с подбором точного аналога или замены подшипника. Просто позвоните нам по телефону +7 (495) 104-99-04 или напишите на почту zakaz@podsnab.ru.
Для оперативной консультации подготовьте, пожалуйста, имеющиеся данные: маркировку, размеры, тип оборудования или артикул старого подшипника.
Да, конечно! Мы высоко ценим долгосрочное сотрудничество и доверие клиентов по всей России. Для постоянных клиентов действует персональная система скидок.
Условия формируются индивидуально и зависят от:
Чтобы узнать свои условия и получить максимально выгодное предложение, свяжитесь с персональным менеджером или напишите нам на почту zakaz@podsnab.ru.
Вы можете оформить заказ несколькими способами:
Для оформления заказа от юридического лица свяжитесь с нашим отделом по работе с корпоративными клиентами по телефону +7 (495) 104-99-04 или напишите на email zakaz@podsnab.ru, прикрепив реквизиты вашей организации.
Мы оперативно подготовим коммерческое предложение и выставим счет.
Возврат товара надлежащего качества возможен в течение 10 дней с момента получения, если товар не был в употреблении, сохранен товарный вид, упаковка не вскрывалась и присутствуют все сопроводительные документы.
Возврат денежных средств осуществляется в течение 10 рабочих дней после проверки товара складом.
В соответствии с законодательством возврату не подлежат подшипники надлежащего качества, если отсутствует оригинальная упаковка или имеются следы монтажа.
В случае выявления брака или гарантийного случая мы гарантируем возврат или обмен товара.
Да, гарантийный срок хранения устанавливается заводом-изготовителем и в среднем составляет 2 года при соблюдении условий хранения: сухое помещение, оригинальная упаковка и смазка.
Точный срок для конкретного типа подшипника уточняйте у наших менеджеров.
Пн–Пт: с 8:00 до 17:00 (МСК).
Сб–Вс: выходные дни.
Заказы на сайте принимаются круглосуточно. Заявки, поступившие после окончания рабочего дня, обрабатываются на следующий рабочий день.
Минимальная сумма заказа для доставки составляет 3000 рублей. Самовывоз со склада возможен на любую сумму при наличии товара.
ООО «УралТехГрупп»
ИНН: 7415093830
КПП: 772401001
ОГРН: 1167456069021
Банк: ПАО Сбербанк
Р/с: 40702810838000475273
К/с: 30101810400000000225
БИК: 044525225
У подшипника G1110KPPB4 пока нет отзывов. Вы можете стать первым покупателем, поделившимся своим мнением.