Поиск подшипника
Статьи
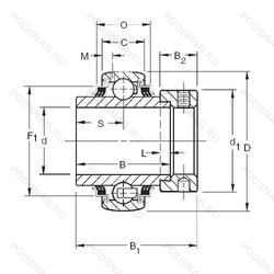
G1103KPPB4 — Шариковый радиальный однорядный подшипник, модификация основного исполнения G1103, производство TIMKEN.
Размер подшипника: 31x62x36 мм.
Международная стандартизации ISO
G1103KPPB4
В наличии
| Обозначение | Конструктивные изменения |
|---|---|
| G1103KRR | Манжетные уплотнения с обеих сторон (уплотнение типа R - имеет оцинкованные внутреннюю и внешнюю крышки. Между крышками имеется уплотнительная кромка NBR. идущая по шлифованному буртику). |
| G1103KRR + COL | Манжетные уплотнения с обеих сторон (уплотнение типа R - имеет оцинкованные внутреннюю и внешнюю крышки. Между крышками имеется уплотнительная кромка NBR. идущая по шлифованному буртику). Товар включает втулку. |
| G1103KRRB | Шариковый радиальный однорядный подшипник. |
| G1103KPPB3 | Шариковый радиальный однорядный подшипник. |
| G1103KRRB3 | Шариковый радиальный однорядный подшипник. |
| G1103KRRBW | Подшипник со сферическим наружным кольцом. Эксцентриковая стопорная втулка. Манжетные уплотнения с обеих сторон (уплотнение типа R - имеет оцинкованные внутреннюю и внешнюю крышки. Между крышками имеется уплотнительная кромка NBR. идущая по шлифованному буртику). |
| G1103KRRB+COL | Товар включает втулку. |
| G1103KLL | BALL BEARING. CONRAD TYPE. INDUSTRIAL POWER TRANSMISSION. DOUBLE MECHANI-SEAL. |
| G1103KRRB AH03 | Подшипник со сферическим наружным кольцом. Манжетные уплотнения с обеих сторон (уплотнение типа R - имеет оцинкованные внутреннюю и внешнюю крышки. Между крышками имеется уплотнительная кромка NBR. идущая по шлифованному буртику). Размер отверстия отличается от стандартного. |
| G1103KRRB+COLTD | Conrad (Non-Filling Slot) Type. Сферический внешний диаметр. Резиновое уплотнение с двух сторон. Thin Dense Chrome Plate. Втулка. |
| G1103KLLB | Подшипник со сферическим наружным кольцом. Лабиринтные уплотнения с обеих сторон (уплотнение типа L - все детали уплотнения типа L оцинкованы со всех сторон. чтобы улучшить защиту от коррозии - нет трения уплотнения). |
| G1103-KRR-B-AS2/V | Подшипник со сферическим наружным кольцом. Манжетные уплотнения с обеих сторон (уплотнение типа R - имеет оцинкованные внутреннюю и внешнюю крышки. Между крышками имеется уплотнительная кромка NBR. идущая по шлифованному буртику). Наружное кольцо подшипника с двумя смазочными отверстиями в смещенных плоскостях. |
| G1103KLLB3 | Шариковый радиальный однорядный подшипник. |
Модификации шарикового подшипника G1103KPPB4 — это измененное основное конструктивное исполнение G1103, основные размеры (31x62x36) не отличаются.
| Обозначение | Гост | Конструктивные особенности |
|---|---|---|
| 780206-КНС17 | ГОСТ | Смазка Литол-24. Детали из теплостойкой стали. |
| 780206-КС17 | ГОСТ | Смазка Литол-24. |
| UELS206LD1N | ISO | Канавка для стопорного кольца на наружном кольце. |
| E2.YSP 206 SB-2F | ISO | Шариковый радиальный однорядный подшипник. |
| E2.YSP 206-103 SB-2F | ISO | Шариковый радиальный однорядный подшипник. |
| CES206-19 | ISO | 1.3/16. |
| CES206 | ISO | Сферический наружный диаметр. Контактное уплотнение с одной стороны. |
| CES206-20 | ISO | Distance Between Beginning Of The Rail And First Hole In MM. |
| ES206 | ISO | Сферический наружный диаметр. Контактное уплотнение с одной стороны. |
| ES206-20 | ISO | Distance Between Beginning Of The Rail And First Hole In MM. |
| ES206-19 | ISO | 1.3/16. |
| SM1103K | ISO | Коническое отверстие. Конусность 1/12. |
| SM1103KB | ISO | Материал контакта сталь на бронзе (S/B). |
| GE30KRR | ISO | Манжетные уплотнения с обеих сторон (уплотнение типа R - имеет оцинкованные внутреннюю и внешнюю крышки. Между крышками имеется уплотнительная кромка NBR. идущая по шлифованному буртику). |
| 1103KL | ISO | Flanged Type (2 Thru holes)-Medium Load. |
| 1103KL3 | ISO | Шариковый радиальный однорядный подшипник. |
| 1103KLL | ISO | BALL BEARING. CONRAD TYPE. INDUSTRIAL POWER TRANSMISSION. DOUBLE MECHANI-SEAL. |
| 1103KLLB | ISO | Шариковый радиальный однорядный подшипник. |
| 1103KR | ISO | Single-Row. Counterbored Outer Ring. Radial Type. Ball Bearing. 15° Угол контакта. |
| 1103KRRB | ISO | Шариковый радиальный однорядный подшипник. |
Аналог шарикового подшипника G1103KPPB4 — это подшипник такого же размера dx31,Dx62,Bx36, типа и конструкции.
| Обозначение | Конструктивные особенности | Внутренний (d) | Наружный (D) | Ширина (B) |
|---|---|---|---|---|
| AELS206N | Подшипник для корпуса. Паз в корпусе для крепления защитных колпачков. | 30.00 | 62.00 | 35.70 |
| RAE30-NPP-FA125.1 | Подшипник для корпуса. Манжетные уплотнения с обеих сторон (Тип P — две шайбы из оцинкованной листовой стали с промежуточной частью из NBR. Кромка уплотнения предварительно нагружена в осевом направлении). С покрытием Corrotect®, защищено от коррозии. | 30.00 | 62.00 | 35.70 |
| RAE30-XL-NPP-FA125.1 | Подшипник для корпуса. Серия X-Life премиум-класс. увеличиный срок службы. Манжетные уплотнения с обеих сторон (Тип P — две шайбы из оцинкованной листовой стали с промежуточной частью из NBR. Кромка уплотнения предварительно нагружена в осевом направлении). С покрытием Corrotect®, защищено от коррозии. | 30.00 | 62.00 | 35.70 |
| E30-KRR-OSE | Подшипник для корпуса. Манжетные уплотнения с обеих сторон (уплотнение типа R - имеет оцинкованные внутреннюю и внешнюю крышки. Между крышками имеется уплотнительная кромка NBR. идущая по шлифованному буртику). Подшипник без стопорного элемента ( эксцентриковая стопорная втулка). | 30.00 | 62.00 | 36.50 |
| LN206.2F | Подшипник для корпуса. Двойное уплотнение. Защитная крышка, размещенная на внутреннем кольце. Используется с подшипниками типа Y. | 30.00 | 62.00 | 36.50 |
| UY206-103.2S.SHY | Подшипник для корпуса. Outer Ring Modification. Одинарное уплотнение с лабиринтом между листовой частью и резиновой кромкой, обеспечивающей контактное уплотнение. 1.3/16. Cylindrical Outer Ring Without Lubrication Holes. | 30.16 | 62.00 | 35.70 |
| UY206-103.2S.Y | Подшипник для корпуса. Outer Ring Modification. Одинарное уплотнение с лабиринтом между листовой частью и резиновой кромкой, обеспечивающей контактное уплотнение. 1.3/16. | 30.16 | 62.00 | 35.70 |
| YSPAG 206 | Корпусный подшипник. Измененная или модифицированная внутренняя конструкция при неизменных основных размерах. | 30.00 | 62.00 | 37.00 |
| YSP 206-103 SB-2F | Шариковый радиальный подшипник. Стандартное контактное уплотнение с дополнительным маслоотражательным кольцом с обеих сторон. Double Row. Angular Contact. Non-Filling Notch Bearing. With Outwardly Convergent Угол контактаs. Rigid Design. 1.3/16. | 30.16 | 62.00 | 37.00 |
| YSP 206 SB-2F | Шариковый радиальный подшипник. Стандартное контактное уплотнение с дополнительным маслоотражательным кольцом с обеих сторон. Double Row. Angular Contact. Non-Filling Notch Bearing. With Outwardly Convergent Угол контактаs. Rigid Design. | 30.00 | 62.00 | 37.00 |
| YSPAG 206-103 | Шариковый радиальный подшипник. 1.3/16. | 30.16 | 62.00 | 37.00 |
| GEGZ31ES | Шарнирный подшипник. Разъемное наружное кольцо со смазочными отверстиями. | 31.75 | 61.91 | 35.31 |
| GEGZ31ES-2RS | Шарнирный подшипник. Резиновые уплотнения с каждой стороны подшипника. Разъемное наружное кольцо со смазочными отверстиями. | 31.75 | 61.91 | 35.31 |
| GEZH 104 ES-2LS | Шарнирный подшипник. Контактное уплотнение с обеих сторон подшипника. Разъемное наружное кольцо со смазочными отверстиями. | 31.75 | 31.00 | 35.31 |
| GEZH104ES-2RS | Шарнирный подшипник. Резиновые уплотнения с каждой стороны подшипника. Разъемное наружное кольцо со смазочными отверстиями. | 31.75 | 61.91 | 35.31 |
Способы доставки
Отправка через ведущие транспортные и курьерские компании: ПЭК, Деловые Линии, СДЭК, Байкал-Сервис, Энергия, КИТ, ЖелДорЭкспедиция.
Самовывоз возможен напрямую со склада в Москве.
Сроки доставки
Срок зависит от региона и выбранной транспортной компании. Все заказы комплектуются и отправляются в кратчайшие сроки со склада в Москве.
Надёжность и сохранность
Вся продукция упаковывается с учётом требований транспортировки. Мы гарантируем, что подшипники и комплектующие прибудут к заказчику в полной сохранности.
Доставка в страны ЕАЭС
Мы работаем с проверенными логистическими партнёрами, что позволяет оперативно доставлять заказы в Беларусь, Казахстан, Армению и другие страны ЕАЭС.
Варианты оплаты:
Минимальная сумма заказа и скидки:
Документы и гарантии:
Да, конечно! Наши технические специалисты готовы помочь вам с подбором точного аналога или замены подшипника. Просто позвоните нам по телефону +7 (495) 104-99-04 или напишите на почту zakaz@podsnab.ru.
Для оперативной консультации подготовьте, пожалуйста, имеющиеся данные: маркировку, размеры, тип оборудования или артикул старого подшипника.
Да, конечно! Мы высоко ценим долгосрочное сотрудничество и доверие клиентов по всей России. Для постоянных клиентов действует персональная система скидок.
Условия формируются индивидуально и зависят от:
Чтобы узнать свои условия и получить максимально выгодное предложение, свяжитесь с персональным менеджером или напишите нам на почту zakaz@podsnab.ru.
Вы можете оформить заказ несколькими способами:
Для оформления заказа от юридического лица свяжитесь с нашим отделом по работе с корпоративными клиентами по телефону +7 (495) 104-99-04 или напишите на email zakaz@podsnab.ru, прикрепив реквизиты вашей организации.
Мы оперативно подготовим коммерческое предложение и выставим счет.
Возврат товара надлежащего качества возможен в течение 10 дней с момента получения, если товар не был в употреблении, сохранен товарный вид, упаковка не вскрывалась и присутствуют все сопроводительные документы.
Возврат денежных средств осуществляется в течение 10 рабочих дней после проверки товара складом.
В соответствии с законодательством возврату не подлежат подшипники надлежащего качества, если отсутствует оригинальная упаковка или имеются следы монтажа.
В случае выявления брака или гарантийного случая мы гарантируем возврат или обмен товара.
Да, гарантийный срок хранения устанавливается заводом-изготовителем и в среднем составляет 2 года при соблюдении условий хранения: сухое помещение, оригинальная упаковка и смазка.
Точный срок для конкретного типа подшипника уточняйте у наших менеджеров.
Пн–Пт: с 8:00 до 17:00 (МСК).
Сб–Вс: выходные дни.
Заказы на сайте принимаются круглосуточно. Заявки, поступившие после окончания рабочего дня, обрабатываются на следующий рабочий день.
Минимальная сумма заказа для доставки составляет 3000 рублей. Самовывоз со склада возможен на любую сумму при наличии товара.
ООО «УралТехГрупп»
ИНН: 7415093830
КПП: 772401001
ОГРН: 1167456069021
Банк: ПАО Сбербанк
Р/с: 40702810838000475273
К/с: 30101810400000000225
БИК: 044525225
У подшипника G1103KPPB4 пока нет отзывов. Вы можете стать первым покупателем, поделившимся своим мнением.