Поиск подшипника
Статьи
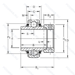
G1200KPPB4 — Шариковый радиальный однорядный подшипник, модификация основного исполнения G1200, производство TIMKEN.
Размер подшипника: 50x100x55 мм.
Международная стандартизации ISO
G1200KPPB4
В наличии
| Обозначение | Конструктивные изменения |
|---|---|
| G1200-KRR-B-AS2/V-FA106 | Подшипник со сферическим наружным кольцом. Манжетные уплотнения с обеих сторон (уплотнение типа R - имеет оцинкованные внутреннюю и внешнюю крышки. Между крышками имеется уплотнительная кромка NBR. идущая по шлифованному буртику). Подшипник подвергается специальным испытаниям на шум. Наружное кольцо подшипника с двумя смазочными отверстиями в смещенных плоскостях. |
| G1200-KRR-B-AS2/V | Подшипник со сферическим наружным кольцом. Манжетные уплотнения с обеих сторон (уплотнение типа R - имеет оцинкованные внутреннюю и внешнюю крышки. Между крышками имеется уплотнительная кромка NBR. идущая по шлифованному буртику). Наружное кольцо подшипника с двумя смазочными отверстиями в смещенных плоскостях. |
| G1200KRRB | Подшипник со сферическим наружным кольцом. Манжетные уплотнения с обеих сторон (уплотнение типа R - имеет оцинкованные внутреннюю и внешнюю крышки. Между крышками имеется уплотнительная кромка NBR. идущая по шлифованному буртику). |
| G1200KRR | Манжетные уплотнения с обеих сторон (уплотнение типа R - имеет оцинкованные внутреннюю и внешнюю крышки. Между крышками имеется уплотнительная кромка NBR. идущая по шлифованному буртику). |
| G1200KLLB | Шариковый радиальный однорядный подшипник. |
| G1200KLL | BALL BEARING. CONRAD TYPE. INDUSTRIAL POWER TRANSMISSION. DOUBLE MECHANI-SEAL. |
Модификации шарикового подшипника G1200KPPB4 — это измененное основное конструктивное исполнение G1200, основные размеры (50x100x55) не отличаются.
| Обозначение | Гост | Конструктивные особенности |
|---|---|---|
| UC211-32L3 | ISO | Шариковый радиальный однорядный подшипник. |
| UCX10L3 | ISO | Тройное манжетное уплотнение для вкладыша подшипника. |
| UCX10-32L3 | ISO | Шариковый радиальный однорядный подшипник. |
| UCX10-31L3 | ISO | Шариковый радиальный однорядный подшипник. |
| SM1200KB | ISO | Материал контакта сталь на бронзе (S/B). |
| SM1200K | ISO | Коническое отверстие. Конусность 1/12. |
| ER32DD | ISO | Два уплотнения из PTFE. |
| GYM1115KRRB | ISO | Шариковый радиальный однорядный подшипник. |
| 1200KL | ISO | Flanged Type (2 Thru holes)-Medium Load. |
| 1200KLB | ISO | Шариковый радиальный однорядный подшипник. |
| 1200KLL | ISO | BALL BEARING. CONRAD TYPE. INDUSTRIAL POWER TRANSMISSION. DOUBLE MECHANI-SEAL. |
| 1200KLLB | ISO | Шариковый радиальный однорядный подшипник. |
| 1200KR | ISO | Single-Row. Counterbored Outer Ring. Radial Type. Ball Bearing. 15° Угол контакта. |
| 1200KRR | ISO | Манжетные уплотнения с обеих сторон (уплотнение типа R - имеет оцинкованные внутреннюю и внешнюю крышки. Между крышками имеется уплотнительная кромка NBR. идущая по шлифованному буртику). |
| 1200KRRB | ISO | Шариковый радиальный однорядный подшипник. |
| SUCX10 | ISO | Шариковый радиальный однорядный подшипник. |
Аналог шарикового подшипника G1200KPPB4 — это подшипник такого же размера dx50,Dx100,Bx55, типа и конструкции.
| Обозначение | Конструктивные особенности | Внутренний (d) | Наружный (D) | Ширина (B) |
|---|---|---|---|---|
| UCX10V22 | Подшипник для корпуса. Отверстия для смазки с обеих сторон наружного кольца подшипника. | 50.00 | 100.00 | 55.60 |
| UC211-200 | Подшипник для корпуса. 02. | 50.80 | 100.00 | 55.60 |
| 1200KRR+COL | Подшипник для корпуса. Манжетные уплотнения с обеих сторон (уплотнение типа R - имеет оцинкованные внутреннюю и внешнюю крышки. Между крышками имеется уплотнительная кромка NBR. идущая по шлифованному буртику). Товар включает втулку. | 50.80 | 100.00 | 55.56 |
| 1200KRRB+COL | Подшипник для корпуса. Conrad (Non-Filling Slot) Type. Сферический внешний диаметр. Резиновое уплотнение с двух сторон. Товар включает втулку. | 50.80 | 100.00 | 55.56 |
| ER211-32 | Подшипник для корпуса. 02. | 50.80 | 100.00 | 55.60 |
| 1055-50GHLT | Подшипник для корпуса. Вкладыш подшипника с возможностью повторной смазки. Высоко- и низкотемпературные подшипниковые вкладыши. | 50.00 | 100.00 | 55.55 |
| YAR211-115-2F | Подшипник для корпуса. Стандартное контактное уплотнение с дополнительным маслоотражательным кольцом с обеих сторон. 1.15/16. | 49.21 | 100.00 | 55.60 |
| 1055-1.15/16DLG | Подшипник для корпуса. Bearing Insert Heaving Relubrication Facility. Number Of Carriages Per Rail Track. Distance Between Beginning Of The Rail And First Hole In MM. Double Locking Inner Ring-4 Set Screws(2 Each End). | 49.21 | 100.00 | 55.60 |
| YAR211-200-2FW/VA201 | Подшипник для корпуса. Измененная или модифицированная внутренняя конструкция при неизменных основных размерах. Стандартное контактное уплотнение с дополнительным плоским маслоотражателем на обеих сторонах подшипника без смазочных отверстий в наружном кольце. 02. Подшипник для высокотемпературных применений (например. печных тележек). | 50.80 | 100.00 | 55.60 |
| YAR211-200-2FW/VA228 | Подшипник для корпуса. Измененная или модифицированная внутренняя конструкция при неизменных основных размерах. Bearing With A “Coronet” Cage Of Graphite For Temperatures -150°C/+350°C. Стандартное контактное уплотнение с дополнительным плоским маслоотражателем на обеих сторонах подшипника без смазочных отверстий в наружном кольце. 02. | 50.80 | 100.00 | 55.60 |
| YAR211-115-2F/AH | Подшипник для корпуса. Стандартное контактное уплотнение с дополнительным маслоотражательным кольцом с обеих сторон. Противовращающийся штырь. Массивные ножки и свободный момент выравнивания. 1.15/16. | 49.21 | 100.00 | 55.60 |
| YAR211-200-2F/AH | Подшипник для корпуса. Стандартное контактное уплотнение с дополнительным маслоотражательным кольцом с обеих сторон. Противовращающийся штырь. Массивные ножки и свободный момент выравнивания. 02. | 50.80 | 100.00 | 55.60 |
| GY1200KRRBW | Подшипник для корпуса. Подшипник со сферическим наружным кольцом. Эксцентриковая стопорная втулка. Манжетные уплотнения с обеих сторон (уплотнение типа R - имеет оцинкованные внутреннюю и внешнюю крышки. Между крышками имеется уплотнительная кромка NBR. идущая по шлифованному буртику). | 50.80 | 100.00 | 55.60 |
| UC211-31S | Подшипник для корпуса. Стандартное заполнение. | 49.21 | 100.00 | 55.60 |
| GY1200-KRR-B-AS2/V | Подшипник для корпуса. Подшипник со сферическим наружным кольцом. Манжетные уплотнения с обеих сторон (уплотнение типа R - имеет оцинкованные внутреннюю и внешнюю крышки. Между крышками имеется уплотнительная кромка NBR. идущая по шлифованному буртику). Наружное кольцо подшипника с двумя смазочными отверстиями в смещенных плоскостях. | 50.80 | 100.00 | 55.60 |
Способы доставки
Отправка через ведущие транспортные и курьерские компании: ПЭК, Деловые Линии, СДЭК, Байкал-Сервис, Энергия, КИТ, ЖелДорЭкспедиция.
Самовывоз возможен напрямую со склада в Москве.
Сроки доставки
Срок зависит от региона и выбранной транспортной компании. Все заказы комплектуются и отправляются в кратчайшие сроки со склада в Москве.
Надёжность и сохранность
Вся продукция упаковывается с учётом требований транспортировки. Мы гарантируем, что подшипники и комплектующие прибудут к заказчику в полной сохранности.
Доставка в страны ЕАЭС
Мы работаем с проверенными логистическими партнёрами, что позволяет оперативно доставлять заказы в Беларусь, Казахстан, Армению и другие страны ЕАЭС.
Варианты оплаты:
Минимальная сумма заказа и скидки:
Документы и гарантии:
Да, конечно! Наши технические специалисты готовы помочь вам с подбором точного аналога или замены подшипника. Просто позвоните нам по телефону +7 (495) 104-99-04 или напишите на почту zakaz@podsnab.ru.
Для оперативной консультации подготовьте, пожалуйста, имеющиеся данные: маркировку, размеры, тип оборудования или артикул старого подшипника.
Да, конечно! Мы высоко ценим долгосрочное сотрудничество и доверие клиентов по всей России. Для постоянных клиентов действует персональная система скидок.
Условия формируются индивидуально и зависят от:
Чтобы узнать свои условия и получить максимально выгодное предложение, свяжитесь с персональным менеджером или напишите нам на почту zakaz@podsnab.ru.
Вы можете оформить заказ несколькими способами:
Для оформления заказа от юридического лица свяжитесь с нашим отделом по работе с корпоративными клиентами по телефону +7 (495) 104-99-04 или напишите на email zakaz@podsnab.ru, прикрепив реквизиты вашей организации.
Мы оперативно подготовим коммерческое предложение и выставим счет.
Возврат товара надлежащего качества возможен в течение 10 дней с момента получения, если товар не был в употреблении, сохранен товарный вид, упаковка не вскрывалась и присутствуют все сопроводительные документы.
Возврат денежных средств осуществляется в течение 10 рабочих дней после проверки товара складом.
В соответствии с законодательством возврату не подлежат подшипники надлежащего качества, если отсутствует оригинальная упаковка или имеются следы монтажа.
В случае выявления брака или гарантийного случая мы гарантируем возврат или обмен товара.
Да, гарантийный срок хранения устанавливается заводом-изготовителем и в среднем составляет 2 года при соблюдении условий хранения: сухое помещение, оригинальная упаковка и смазка.
Точный срок для конкретного типа подшипника уточняйте у наших менеджеров.
Пн–Пт: с 8:00 до 17:00 (МСК).
Сб–Вс: выходные дни.
Заказы на сайте принимаются круглосуточно. Заявки, поступившие после окончания рабочего дня, обрабатываются на следующий рабочий день.
Минимальная сумма заказа для доставки составляет 3000 рублей. Самовывоз со склада возможен на любую сумму при наличии товара.
ООО «УралТехГрупп»
ИНН: 7415093830
КПП: 772401001
ОГРН: 1167456069021
Банк: ПАО Сбербанк
Р/с: 40702810838000475273
К/с: 30101810400000000225
БИК: 044525225
У подшипника G1200KPPB4 пока нет отзывов. Вы можете стать первым покупателем, поделившимся своим мнением.