Поиск подшипника
Статьи
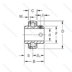
GY1108KRRB SGT — Шариковый радиальный однорядный подшипник, модификация основного исполнения GY1108, производство TIMKEN.
Размер подшипника: 38x80x49 мм.
Shaft guarding technology™.
Международная стандартизации ISO
GY1108KRRBSGT
В наличии
| Обозначение | Конструктивные изменения |
|---|---|
| GY1108KPPB3 AS2/V | Подшипник со сферическим наружным кольцом. Try-Ply Seal On Both Sides Of The Bearing. Наружное кольцо подшипника с двумя смазочными отверстиями в смещенных плоскостях. |
| GY1108-KRR-B-AS2/V-FA106 | Подшипник со сферическим наружным кольцом. Манжетные уплотнения с обеих сторон (уплотнение типа R - имеет оцинкованные внутреннюю и внешнюю крышки. Между крышками имеется уплотнительная кромка NBR. идущая по шлифованному буртику). Подшипник подвергается специальным испытаниям на шум. Наружное кольцо подшипника с двумя смазочными отверстиями в смещенных плоскостях. |
| GY1108-KRR-B-FA106 | Подшипник со сферическим наружным кольцом. Манжетные уплотнения с обеих сторон (уплотнение типа R - имеет оцинкованные внутреннюю и внешнюю крышки. Между крышками имеется уплотнительная кромка NBR. идущая по шлифованному буртику). Подшипник подвергается специальным испытаниям на шум. |
| GY1108KTTB AS2/V | Подшипник со сферическим наружным кольцом. Наружное кольцо подшипника с двумя смазочными отверстиями в смещенных плоскостях. Тройные манжетные уплотнения с обеих сторон подшипника (Т-образное уплотнение). |
| GY1108KRRBW | Подшипник со сферическим наружным кольцом. Эксцентриковая стопорная втулка. Манжетные уплотнения с обеих сторон (уплотнение типа R - имеет оцинкованные внутреннюю и внешнюю крышки. Между крышками имеется уплотнительная кромка NBR. идущая по шлифованному буртику). |
| GY1108-KRR-B-AS2/V | Подшипник со сферическим наружным кольцом. Манжетные уплотнения с обеих сторон (уплотнение типа R - имеет оцинкованные внутреннюю и внешнюю крышки. Между крышками имеется уплотнительная кромка NBR. идущая по шлифованному буртику). Наружное кольцо подшипника с двумя смазочными отверстиями в смещенных плоскостях. |
Модификации шарикового подшипника GY1108KRRB SGT — это измененное основное конструктивное исполнение GY1108, основные размеры (38x80x49) не отличаются.
| Обозначение | Гост | Конструктивные особенности |
|---|---|---|
| RB208-24 | ISO | 1.1/2. |
| UC208-24L3 | ISO | Шариковый радиальный однорядный подшипник. |
| E2.YAR208-108-2F | ISO | Шариковый радиальный однорядный подшипник. |
| ER24DD | ISO | Два уплотнения из PTFE. |
Аналог шарикового подшипника GY1108KRRB SGT — это подшипник такого же размера dx38,Dx80,Bx49, типа и конструкции.
| Обозначение | Конструктивные особенности | Внутренний (d) | Наружный (D) | Ширина (B) |
|---|---|---|---|---|
| YAR208-108-2LPW/SS | Подшипник для корпуса. Bearing Without Lubrication Hole(s). Bearing Components Of Stainless Steel_ Seals And Flingers With Food-Compatible Rubber_ Food-Grade Grease. 1.1/2. Non-Contact Seal. Food-Compatible NBR. Additional Rubberized Stainless Steel Flinger. Concentric Gutters On The Seal And Flinger. On Both Sides. | 38.10 | 80.00 | 49.20 |
| UC208-24S | Подшипник для корпуса. Шарикоподшипник со стандартным заполнением пластичной смазкой. 1.1/2. | 38.10 | 80.00 | 49.20 |
| ER24C | Подшипник для корпуса. Однокромочное контактное уплотнение. | 38.10 | 80.00 | 49.21 |
| YAR208-108-2RFGR/HV | Подшипник для корпуса. Стандартное контактное уплотнение с дополнительным прорезиненным кольцом с обеих сторон подшипника. Подшипник или компонент подшипника из закаленной нержавеющей стали. Смазочная канавка на наружной поверхности, расположенная на стороне фиксирующего устройства. 1.1/2. | 38.10 | 80.00 | 49.20 |
| YAR208-108-2RF/VE495 | Подшипник для корпуса. Стандартное контактное уплотнение с дополнительным прорезиненным кольцом с обеих сторон подшипника. Внутренние и внешние кольца с цинковым покрытием и заслонки из нержавеющей стали. Заполнены нетоксичной (пищевой) смазкой. 1.1/2. | 38.10 | 80.00 | 49.20 |
| YAR208-108-2RF/HV | Подшипник для корпуса. Стандартное контактное уплотнение с дополнительным прорезиненным кольцом с обеих сторон подшипника. Подшипник или компонент подшипника из закаленной нержавеющей стали. 1.1/2. | 38.10 | 80.00 | 49.20 |
| YAR208-108-2FW/VA228 | Подшипник для корпуса. Измененная или модифицированная внутренняя конструкция при неизменных основных размерах. Bearing With A “Coronet” Cage Of Graphite For Temperatures -150°C/+350°C. Стандартное контактное уплотнение с дополнительным плоским маслоотражателем на обеих сторонах подшипника без смазочных отверстий в наружном кольце. 1.1/2. | 38.10 | 80.00 | 49.20 |
| YAR208-108-2FW/VA201 | Подшипник для корпуса. Измененная или модифицированная внутренняя конструкция при неизменных основных размерах. Стандартное контактное уплотнение с дополнительным плоским маслоотражателем на обеих сторонах подшипника без смазочных отверстий в наружном кольце. Подшипник для высокотемпературных применений (например. печных тележек). 1.1/2. | 38.10 | 80.00 | 49.20 |
| YAR208-108-2F/AH | Подшипник для корпуса. Стандартное контактное уплотнение с дополнительным маслоотражательным кольцом с обеих сторон. Противовращающийся штырь. Массивные ножки и свободный момент выравнивания. 1.1/2. | 38.10 | 80.00 | 49.20 |
| UC208-108D1 | Подшипник для корпуса. Стандартная консистентная смазка Alvania Grease 3. | 38.10 | 80.00 | 49.20 |
| 1140-1.1/2 | Подшипник для корпуса. ISO Tolerance Class ABEC.9. Number Of Carriages Per Rail Track. | 38.10 | 80.00 | 49.23 |
| UC208-24.G2 | Подшипник для корпуса. Cистема повторного смазывания для корпусных подшипников. 1.1/2. | 38.10 | 80.00 | 49.20 |
| LE208-108.2F.Y | Подшипник для корпуса. Двойное уплотнение. Защитная крышка, размещенная на внутреннем кольце. Используется с подшипниками типа Y. Сепаратор из прессованной латуни. Центрирование шарика. 1.1/2. | 38.10 | 80.00 | 49.20 |
| LE208-108.2F | Подшипник для корпуса. Двойное уплотнение. Защитная крышка, размещенная на внутреннем кольце. Используется с подшипниками типа Y. 1.1/2. | 38.10 | 80.00 | 49.20 |
| YARAG 208-108 | Шариковый радиальный подшипник. 1.1/2. | 38.10 | 80.00 | 49.20 |
Способы доставки
Отправка через ведущие транспортные и курьерские компании: ПЭК, Деловые Линии, СДЭК, Байкал-Сервис, Энергия, КИТ, ЖелДорЭкспедиция.
Самовывоз возможен напрямую со склада в Москве.
Сроки доставки
Срок зависит от региона и выбранной транспортной компании. Все заказы комплектуются и отправляются в кратчайшие сроки со склада в Москве.
Надёжность и сохранность
Вся продукция упаковывается с учётом требований транспортировки. Мы гарантируем, что подшипники и комплектующие прибудут к заказчику в полной сохранности.
Доставка в страны ЕАЭС
Мы работаем с проверенными логистическими партнёрами, что позволяет оперативно доставлять заказы в Беларусь, Казахстан, Армению и другие страны ЕАЭС.
Варианты оплаты:
Минимальная сумма заказа и скидки:
Документы и гарантии:
Да, конечно! Наши технические специалисты готовы помочь вам с подбором точного аналога или замены подшипника. Просто позвоните нам по телефону +7 (495) 104-99-04 или напишите на почту zakaz@podsnab.ru.
Для оперативной консультации подготовьте, пожалуйста, имеющиеся данные: маркировку, размеры, тип оборудования или артикул старого подшипника.
Да, конечно! Мы высоко ценим долгосрочное сотрудничество и доверие клиентов по всей России. Для постоянных клиентов действует персональная система скидок.
Условия формируются индивидуально и зависят от:
Чтобы узнать свои условия и получить максимально выгодное предложение, свяжитесь с персональным менеджером или напишите нам на почту zakaz@podsnab.ru.
Вы можете оформить заказ несколькими способами:
Для оформления заказа от юридического лица свяжитесь с нашим отделом по работе с корпоративными клиентами по телефону +7 (495) 104-99-04 или напишите на email zakaz@podsnab.ru, прикрепив реквизиты вашей организации.
Мы оперативно подготовим коммерческое предложение и выставим счет.
Возврат товара надлежащего качества возможен в течение 10 дней с момента получения, если товар не был в употреблении, сохранен товарный вид, упаковка не вскрывалась и присутствуют все сопроводительные документы.
Возврат денежных средств осуществляется в течение 10 рабочих дней после проверки товара складом.
В соответствии с законодательством возврату не подлежат подшипники надлежащего качества, если отсутствует оригинальная упаковка или имеются следы монтажа.
В случае выявления брака или гарантийного случая мы гарантируем возврат или обмен товара.
Да, гарантийный срок хранения устанавливается заводом-изготовителем и в среднем составляет 2 года при соблюдении условий хранения: сухое помещение, оригинальная упаковка и смазка.
Точный срок для конкретного типа подшипника уточняйте у наших менеджеров.
Пн–Пт: с 8:00 до 17:00 (МСК).
Сб–Вс: выходные дни.
Заказы на сайте принимаются круглосуточно. Заявки, поступившие после окончания рабочего дня, обрабатываются на следующий рабочий день.
Минимальная сумма заказа для доставки составляет 3000 рублей. Самовывоз со склада возможен на любую сумму при наличии товара.
ООО «УралТехГрупп»
ИНН: 7415093830
КПП: 772401001
ОГРН: 1167456069021
Банк: ПАО Сбербанк
Р/с: 40702810838000475273
К/с: 30101810400000000225
БИК: 044525225
У подшипника GY1108KRRB SGT пока нет отзывов. Вы можете стать первым покупателем, поделившимся своим мнением.