Поиск подшипника
Статьи
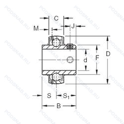
GY1115KRRB3 — Шариковый радиальный однорядный подшипник, модификация основного исполнения GY1115, производство TIMKEN.
Размер подшипника: 50x90x51 мм.
Международная стандартизации ISO
GY1115KRRB3
В наличии
| Обозначение | Конструктивные изменения |
|---|---|
| GY1115KRRBSGT | Conrad (Non-Filling Slot) Type. Сферический внешний диаметр. Резиновое уплотнение с двух сторон. Shaft Guarding Technology™. |
| GY1115-KRR-B-AS2/V | Конический роликовый подшипник. Угол контакта 20 градусов. Манжетные уплотнения с обеих сторон (уплотнение типа R - имеет оцинкованные внутреннюю и внешнюю крышки. Между крышками имеется уплотнительная кромка NBR. идущая по шлифованному буртику). Наружное кольцо подшипника с двумя смазочными отверстиями в смещенных плоскостях. |
Модификации шарикового подшипника GY1115KRRB3 — это измененное основное конструктивное исполнение GY1115, основные размеры (50x90x51) не отличаются.
| Обозначение | Гост | Конструктивные особенности |
|---|---|---|
| ER210-32 | ISO | 02. |
| UC210-32L3 | ISO | Шариковый радиальный однорядный подшипник. |
| UC210-31L3 | ISO | Шариковый радиальный однорядный подшипник. |
| UCS210LD1N | ISO | Канавка для стопорного кольца на наружном кольце. |
| UC210-3L | ISO | Шариковый радиальный однорядный подшипник. |
| YAR210-115-2RF | ISO | Стандартное контактное уплотнение с дополнительным прорезиненным кольцом с обеих сторон подшипника. 1.15/16. |
| YARAG210 | ISO | Измененная или модифицированная внутренняя конструкция при неизменных основных размерах. |
| YARAG210-115 | ISO | 1.15/16. |
| 480210 | ГОСТ | Шариковый радиальный однорядный подшипник. |
| 480210К | ГОСТ | Шариковый радиальный однорядный подшипник. |
Аналог шарикового подшипника GY1115KRRB3 — это подшипник такого же размера dx50,Dx90,Bx51, типа и конструкции.
| Обозначение | Конструктивные особенности | Внутренний (d) | Наружный (D) | Ширина (B) |
|---|---|---|---|---|
| YAR210-115-2F/AH | Подшипник для корпуса. Стандартное контактное уплотнение с дополнительным маслоотражательным кольцом с обеих сторон. Противовращающийся штырь. Массивные ножки и свободный момент выравнивания. 1.15/16. | 49.21 | 90.00 | 51.60 |
| 630310B | Подшипник для корпуса. Конический роликовый подшипник. Угол контакта 20 градусов. | 50.00 | 90.00 | 51.60 |
| UC210D1/LP03 | Подшипник для корпуса. Не требующий обслуживания тип. General-Purpose Solid Grease. -20°C +80°C. | 50.00 | 90.00 | 51.60 |
| YAR210-2DW/AG | Подшипник для корпуса. Bearing For Agricultural Applications. Insert Bearing With Set Screws. YAR 2-2DW/AG series. | 50.00 | 90.00 | 51.60 |
| UC210D1/AS3S | Подшипник для корпуса. Стандартное заполнение. Стандартная консистентная смазка Alvania Grease 3. Смазка Shell Alvania S3, загуститель литиевый, базовое масло минеральное, температура от −10°C до +110°C.. | 50.00 | 90.00 | 51.60 |
| LE210 2PC | Подшипник для корпуса. Five Lip Seal On Both Sides Of The Bearing. | 50.00 | 90.00 | 51.60 |
| YAR210-2RF/HV | Корпусный подшипник однорядный. Стандартное контактное уплотнение с дополнительным прорезиненным кольцом с обеих сторон подшипника. Подшипник или компонент подшипника из закаленной нержавеющей стали. | 50.00 | 90.00 | 51.60 |
| 12-697810 ЛК | Роликовый радиальный-упорный двухрядный подшипник. Сепаратор из латуни.. | 50.00 | 90.00 | 51.30 |
| 697810-ЛК | Роликовый радиальный-упорный двухрядный подшипник. Кольцевая проточка на середине цилиндрической наружной поверхности наружного кольца плюс три отверстия для смазки. Сепаратор из латуни.. | 50.00 | 90.00 | 51.30 |
| 365/363D+X1S-366 | Роликовый радиальный-упорный двухрядный подшипник. Длина в мм. Tail Code. | 50.00 | 90.00 | 50.01 |
| 366/363DC+X1S-366 | Роликовый радиальный-упорный двухрядный подшипник. Длина в мм. Tail Code. | 50.00 | 90.00 | 50.01 |
| 368A/362XD+X5S-368A | Роликовый радиальный-упорный двухрядный подшипник. Двухрядный радиально-упорный шарикоподшипник без отверстия для смазки. | 50.80 | 89.98 | 50.40 |
| 368A/363D+X2S-368A | Роликовый радиальный-упорный двухрядный подшипник. Двухрядный радиально-упорный шарикоподшипник без отверстия для смазки. | 50.80 | 90.00 | 50.01 |
| 368A/363DC+X3S-368 | Роликовый радиальный-упорный двухрядный подшипник. Двухрядный радиально-упорный шарикоподшипник без отверстия для смазки. | 50.80 | 90.00 | 50.01 |
| GYE50-KRR-B-VA | Шариковый радиальный подшипник. Конический роликовый подшипник. Угол контакта 20 градусов. Нержавеющая сталь. Манжетные уплотнения с обеих сторон (уплотнение типа R - имеет оцинкованные внутреннюю и внешнюю крышки. Между крышками имеется уплотнительная кромка NBR. идущая по шлифованному буртику). | 50.00 | 90.00 | 51.60 |
Способы доставки
Отправка через ведущие транспортные и курьерские компании: ПЭК, Деловые Линии, СДЭК, Байкал-Сервис, Энергия, КИТ, ЖелДорЭкспедиция.
Самовывоз возможен напрямую со склада в Москве.
Сроки доставки
Срок зависит от региона и выбранной транспортной компании. Все заказы комплектуются и отправляются в кратчайшие сроки со склада в Москве.
Надёжность и сохранность
Вся продукция упаковывается с учётом требований транспортировки. Мы гарантируем, что подшипники и комплектующие прибудут к заказчику в полной сохранности.
Доставка в страны ЕАЭС
Мы работаем с проверенными логистическими партнёрами, что позволяет оперативно доставлять заказы в Беларусь, Казахстан, Армению и другие страны ЕАЭС.
Варианты оплаты:
Минимальная сумма заказа и скидки:
Документы и гарантии:
Да, конечно! Наши технические специалисты готовы помочь вам с подбором точного аналога или замены подшипника. Просто позвоните нам по телефону +7 (495) 104-99-04 или напишите на почту zakaz@podsnab.ru.
Для оперативной консультации подготовьте, пожалуйста, имеющиеся данные: маркировку, размеры, тип оборудования или артикул старого подшипника.
Да, конечно! Мы высоко ценим долгосрочное сотрудничество и доверие клиентов по всей России. Для постоянных клиентов действует персональная система скидок.
Условия формируются индивидуально и зависят от:
Чтобы узнать свои условия и получить максимально выгодное предложение, свяжитесь с персональным менеджером или напишите нам на почту zakaz@podsnab.ru.
Вы можете оформить заказ несколькими способами:
Для оформления заказа от юридического лица свяжитесь с нашим отделом по работе с корпоративными клиентами по телефону +7 (495) 104-99-04 или напишите на email zakaz@podsnab.ru, прикрепив реквизиты вашей организации.
Мы оперативно подготовим коммерческое предложение и выставим счет.
Возврат товара надлежащего качества возможен в течение 10 дней с момента получения, если товар не был в употреблении, сохранен товарный вид, упаковка не вскрывалась и присутствуют все сопроводительные документы.
Возврат денежных средств осуществляется в течение 10 рабочих дней после проверки товара складом.
В соответствии с законодательством возврату не подлежат подшипники надлежащего качества, если отсутствует оригинальная упаковка или имеются следы монтажа.
В случае выявления брака или гарантийного случая мы гарантируем возврат или обмен товара.
Да, гарантийный срок хранения устанавливается заводом-изготовителем и в среднем составляет 2 года при соблюдении условий хранения: сухое помещение, оригинальная упаковка и смазка.
Точный срок для конкретного типа подшипника уточняйте у наших менеджеров.
Пн–Пт: с 8:00 до 17:00 (МСК).
Сб–Вс: выходные дни.
Заказы на сайте принимаются круглосуточно. Заявки, поступившие после окончания рабочего дня, обрабатываются на следующий рабочий день.
Минимальная сумма заказа для доставки составляет 3000 рублей. Самовывоз со склада возможен на любую сумму при наличии товара.
ООО «УралТехГрупп»
ИНН: 7415093830
КПП: 772401001
ОГРН: 1167456069021
Банк: ПАО Сбербанк
Р/с: 40702810838000475273
К/с: 30101810400000000225
БИК: 044525225
У подшипника GY1115KRRB3 пока нет отзывов. Вы можете стать первым покупателем, поделившимся своим мнением.