Поиск подшипника
Статьи
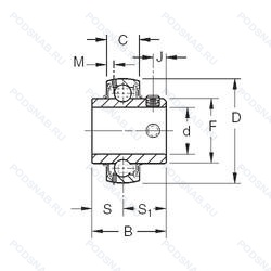
GYE30KRRB SGT — Шариковый радиальный однорядный подшипник, модификация основного исполнения GYE30, производство TIMKEN.
Размер подшипника: 30x62x38 мм.
Shaft guarding technology™.
Международная стандартизации ISO
GYE30KRRBSGT
В наличии
| Обозначение | Конструктивные изменения |
|---|---|
| GYE30KLLHB | Шариковый радиальный однорядный подшипник. |
| GYE30KRRB | Шариковый радиальный однорядный подшипник. |
| GYE30-XL-KRR-B | Подшипник со сферическим наружным кольцом. Серия X-Life премиум-класс. увеличиный срок службы. Манжетные уплотнения с обеих сторон (уплотнение типа R - имеет оцинкованные внутреннюю и внешнюю крышки. Между крышками имеется уплотнительная кромка NBR. идущая по шлифованному буртику). |
| GYE30-KLL-B-C-AH01 | Designation Of Special Features. Подшипник со сферическим наружным кольцом. Размеры могут отличаться от базового номера детали. Внутренний зазор равен C3 (больше обычного) и защищен от коррозии специальным покрытием Corrotect®. BALL BEARING. CONRAD TYPE. INDUSTRIAL POWER TRANSMISSION. DOUBLE MECHANI-SEAL. |
Модификации шарикового подшипника GYE30KRRB SGT — это измененное основное конструктивное исполнение GYE30, основные размеры (30x62x38) не отличаются.
| Обозначение | Гост | Конструктивные особенности |
|---|---|---|
| 480206-АН1К7УС17 | ГОСТ | Смазка Литол-24. Дополнительные технические требования. Повышенная грузоподъемность. Детали из теплостойкой стали. «Замок» (скос) на внутреннем кольце. |
| 480206-АН1К7У | ГОСТ | Дополнительные технические требования. Повышенная грузоподъемность. Детали из теплостойкой стали. «Замок» (скос) на внутреннем кольце. |
| 480206/Д17 | ГОСТ | Сепаратор из алюминиевого сплава.. |
| 480206/Д18 | ГОСТ | Сепаратор из алюминиевого сплава.. |
| 480206/Д19 | ГОСТ | Сепаратор из алюминиевого сплава.. |
| 480206/Д20 | ГОСТ | Сепаратор из алюминиевого сплава.. |
| 6-480206-АН1К7УС17Ш1 | ГОСТ | Смазка Литол-24. Дополнительные технические требования. Повышенная грузоподъемность. Нормы шумности. Детали из теплостойкой стали. Двусторонние уплотнения плюс стопорный штифт. |
| 6-480206-АН1К7УС17Ш | ГОСТ | Смазка Литол-24. Дополнительные технические требования. Повышенная грузоподъемность. Нормы шумности. Детали из теплостойкой стали. Двусторонние уплотнения плюс стопорный штифт. |
| RB206-19 | ISO | 1.3/16. |
| UCS206LD1N | ISO | Канавка для стопорного кольца на наружном кольце. |
| E2.YSP 206 SB-2F | ISO | Шариковый радиальный однорядный подшипник. |
| E2.YSP 206-103 SB-2F | ISO | Шариковый радиальный однорядный подшипник. |
| E2.YAR206-103-2F | ISO | Шариковый радиальный однорядный подшипник. |
| GY1103KRRB SGT | ISO | Shaft Guarding Technology™. |
| 480206 | ГОСТ | Шариковый радиальный однорядный подшипник. |
| 480206-Н1К7У | ГОСТ | Дополнительные технические требования. Детали из теплостойкой стали. Двусторонние уплотнения плюс стопорный штифт. |
| 480206-Н1К7УС17 | ГОСТ | Смазка Литол-24. Дополнительные технические требования. Детали из теплостойкой стали. Двусторонние уплотнения плюс стопорный штифт. |
| 480206.UC | ГОСТ | Шариковый радиальный однорядный подшипник. |
| 480206(UCP)-В-КОРПУСЕ | ГОСТ | Сепаратор из текстолита.. Дополнительные технические требования. Детали из теплоустойчивой (быстрорежущие) стали.. |
| 480206К | ГОСТ | Шариковый радиальный однорядный подшипник. |
Аналог шарикового подшипника GYE30KRRB SGT — это подшипник такого же размера dx30,Dx62,Bx38, типа и конструкции.
| Обозначение | Конструктивные особенности | Внутренний (d) | Наружный (D) | Ширина (B) |
|---|---|---|---|---|
| UC206-103D1/LP03 | Подшипник для корпуса. Не требующий обслуживания тип. General-Purpose Solid Grease. -20°C +80°C. 1.3/16. | 25.00 | 62.00 | 38.10 |
| SUC206GA351 | Подшипник для корпуса. This Has Something To Do With The Radial Clearance. Which Is Different From The Item Without The Suffix GA351. | 30.00 | 62.00 | 38.10 |
| UC206DH | Подшипник для корпуса. Duplex Pair Of Bearings. Heavy Preload. | 30.00 | 62.00 | 38.10 |
| UC206-18SS | Подшипник для корпуса. Нержавеющая сталь. | 30.00 | 62.00 | 38.10 |
| M-UC206D1 | Подшипник для корпуса. Не требующий обслуживания тип. | 30.00 | 62.00 | 38.10 |
| LE206-103.2F.Y | Подшипник для корпуса. Двойное уплотнение. Защитная крышка, размещенная на внутреннем кольце. Используется с подшипниками типа Y. Сепаратор из прессованной латуни. Центрирование шарика. 1.3/16. | 25.00 | 62.00 | 38.10 |
| UC206D1 | Подшипник для корпуса. Канавка и смазочные отверстия на наружном кольце. | 30.00 | 62.00 | 38.10 |
| YSPAG 206 | Корпусный подшипник. Измененная или модифицированная внутренняя конструкция при неизменных основных размерах. | 30.00 | 62.00 | 37.00 |
| YARAG206 | Корпусный подшипник однорядный. Измененная или модифицированная внутренняя конструкция при неизменных основных размерах. | 30.00 | 62.00 | 38.10 |
| PW30620038CS | Шариковый радиально-упорный двухрядный подшипник. Высокоуглеродистая сталь. | 30.00 | 62.00 | 38.00 |
| YARAG 206-103 | Шариковый радиальный подшипник. 1.3/16. | 30.16 | 62.00 | 38.10 |
| YSP 206-103 SB-2F | Шариковый радиальный подшипник. Стандартное контактное уплотнение с дополнительным маслоотражательным кольцом с обеих сторон. Double Row. Angular Contact. Non-Filling Notch Bearing. With Outwardly Convergent Угол контактаs. Rigid Design. 1.3/16. | 30.16 | 62.00 | 37.00 |
| YSP 206 SB-2F | Шариковый радиальный подшипник. Стандартное контактное уплотнение с дополнительным маслоотражательным кольцом с обеих сторон. Double Row. Angular Contact. Non-Filling Notch Bearing. With Outwardly Convergent Угол контактаs. Rigid Design. | 30.00 | 62.00 | 37.00 |
| YSPAG 206-103 | Шариковый радиальный подшипник. 1.3/16. | 30.16 | 62.00 | 37.00 |
| DKLFA30100-2RS | Шариковый упорный трехрядный подшипник. Резиновые уплотнения с каждой стороны подшипника. | 30.00 | 62.00 | 38.00 |
Способы доставки
Отправка через ведущие транспортные и курьерские компании: ПЭК, Деловые Линии, СДЭК, Байкал-Сервис, Энергия, КИТ, ЖелДорЭкспедиция.
Самовывоз возможен напрямую со склада в Москве.
Сроки доставки
Срок зависит от региона и выбранной транспортной компании. Все заказы комплектуются и отправляются в кратчайшие сроки со склада в Москве.
Надёжность и сохранность
Вся продукция упаковывается с учётом требований транспортировки. Мы гарантируем, что подшипники и комплектующие прибудут к заказчику в полной сохранности.
Доставка в страны ЕАЭС
Мы работаем с проверенными логистическими партнёрами, что позволяет оперативно доставлять заказы в Беларусь, Казахстан, Армению и другие страны ЕАЭС.
Варианты оплаты:
Минимальная сумма заказа и скидки:
Документы и гарантии:
Да, конечно! Наши технические специалисты готовы помочь вам с подбором точного аналога или замены подшипника. Просто позвоните нам по телефону +7 (495) 104-99-04 или напишите на почту zakaz@podsnab.ru.
Для оперативной консультации подготовьте, пожалуйста, имеющиеся данные: маркировку, размеры, тип оборудования или артикул старого подшипника.
Да, конечно! Мы высоко ценим долгосрочное сотрудничество и доверие клиентов по всей России. Для постоянных клиентов действует персональная система скидок.
Условия формируются индивидуально и зависят от:
Чтобы узнать свои условия и получить максимально выгодное предложение, свяжитесь с персональным менеджером или напишите нам на почту zakaz@podsnab.ru.
Вы можете оформить заказ несколькими способами:
Для оформления заказа от юридического лица свяжитесь с нашим отделом по работе с корпоративными клиентами по телефону +7 (495) 104-99-04 или напишите на email zakaz@podsnab.ru, прикрепив реквизиты вашей организации.
Мы оперативно подготовим коммерческое предложение и выставим счет.
Возврат товара надлежащего качества возможен в течение 10 дней с момента получения, если товар не был в употреблении, сохранен товарный вид, упаковка не вскрывалась и присутствуют все сопроводительные документы.
Возврат денежных средств осуществляется в течение 10 рабочих дней после проверки товара складом.
В соответствии с законодательством возврату не подлежат подшипники надлежащего качества, если отсутствует оригинальная упаковка или имеются следы монтажа.
В случае выявления брака или гарантийного случая мы гарантируем возврат или обмен товара.
Да, гарантийный срок хранения устанавливается заводом-изготовителем и в среднем составляет 2 года при соблюдении условий хранения: сухое помещение, оригинальная упаковка и смазка.
Точный срок для конкретного типа подшипника уточняйте у наших менеджеров.
Пн–Пт: с 8:00 до 17:00 (МСК).
Сб–Вс: выходные дни.
Заказы на сайте принимаются круглосуточно. Заявки, поступившие после окончания рабочего дня, обрабатываются на следующий рабочий день.
Минимальная сумма заказа для доставки составляет 3000 рублей. Самовывоз со склада возможен на любую сумму при наличии товара.
ООО «УралТехГрупп»
ИНН: 7415093830
КПП: 772401001
ОГРН: 1167456069021
Банк: ПАО Сбербанк
Р/с: 40702810838000475273
К/с: 30101810400000000225
БИК: 044525225
У подшипника GYE30KRRB SGT пока нет отзывов. Вы можете стать первым покупателем, поделившимся своим мнением.