Поиск подшипника
Статьи
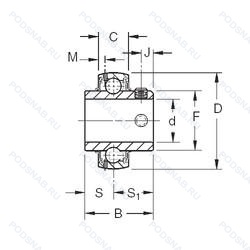
GYE35KRRB SGT — Шариковый радиальный однорядный подшипник, модификация основного исполнения GYE35, производство TIMKEN.
Размер подшипника: 35x72x42 мм.
Shaft guarding technology™.
Международная стандартизации ISO
GYE35KRRBSGT
В наличии
| Обозначение | Конструктивные изменения |
|---|---|
| GYE35KRRB | Шариковый радиальный однорядный подшипник. |
| GYE35-XL-KRR-B | Подшипник со сферическим наружным кольцом. Серия X-Life премиум-класс. увеличиный срок службы. Манжетные уплотнения с обеих сторон (уплотнение типа R - имеет оцинкованные внутреннюю и внешнюю крышки. Между крышками имеется уплотнительная кромка NBR. идущая по шлифованному буртику). |
| GYE35KRRB+01HUE07+HUSE07 | Шариковый радиальный однорядный подшипник. |
Модификации шарикового подшипника GYE35KRRB SGT — это измененное основное конструктивное исполнение GYE35, основные размеры (35x72x42) не отличаются.
| Обозначение | Гост | Конструктивные особенности |
|---|---|---|
| 480207-АН1К7У | ГОСТ | Дополнительные технические требования. Повышенная грузоподъемность. Детали из теплостойкой стали. «Замок» (скос) на внутреннем кольце. |
| 480207/Д20 | ГОСТ | Сепаратор из алюминиевого сплава.. |
| 480207/Д21 | ГОСТ | Сепаратор из алюминиевого сплава.. |
| 480207/Д22 | ГОСТ | Сепаратор из алюминиевого сплава.. |
| 480207/Д23 | ГОСТ | Сепаратор из алюминиевого сплава.. |
| 6-480207 АН1К7УС17Ш1 | ГОСТ | Смазка Литол-24. Дополнительные технические требования. Повышенная грузоподъемность. Нормы шумности. Детали из теплостойкой стали. Двусторонние уплотнения плюс стопорный штифт. |
| 6-480207 АН1К7УС17Ш | ГОСТ | Смазка Литол-24. Дополнительные технические требования. Повышенная грузоподъемность. Нормы шумности. Детали из теплостойкой стали. Двусторонние уплотнения плюс стопорный штифт. |
| RB207-22 | ISO | 1.3/8. |
| UC207-3L | ISO | Шариковый радиальный однорядный подшипник. |
| E2.YAR 207-106-2F | ISO | Шариковый радиальный однорядный подшипник. |
| E2.YAR207-2F | ISO | Шариковый радиальный однорядный подшипник. |
| ER22DD | ISO | Два уплотнения из PTFE. |
| GY1106KRRB SGT | ISO | Shaft Guarding Technology™. |
| 480207 | ГОСТ | Шариковый радиальный однорядный подшипник. |
| 480207-Н1К7У | ГОСТ | Дополнительные технические требования. Детали из теплостойкой стали. Двусторонние уплотнения плюс стопорный штифт. |
| 480207-НУС17 | ГОСТ | Смазка Литол-24. Детали из теплостойкой стали. Дополнительные технические требования. |
| 480207.UC-БЕЗ-КОРПУСА | ГОСТ | Сепаратор из текстолита.. Дополнительные технические требования. Детали из теплоустойчивой (быстрорежущие) стали.. Повышенная грузоподъемность. Сепаратор из безоловянистой бронзы.. |
| 480207.UCF-В-КОРПУСЕ | ГОСТ | Сепаратор из текстолита.. Дополнительные технические требования. Детали из теплоустойчивой (быстрорежущие) стали.. |
| 480207(UCF) | ГОСТ | Шариковый радиальный однорядный подшипник. |
| 480207К | ГОСТ | Шариковый радиальный однорядный подшипник. |
Аналог шарикового подшипника GYE35KRRB SGT — это подшипник такого же размера dx35,Dx72,Bx42, типа и конструкции.
| Обозначение | Конструктивные особенности | Внутренний (d) | Наружный (D) | Ширина (B) |
|---|---|---|---|---|
| UC207-106/LP03 | Подшипник для корпуса. General-Purpose Solid Grease. -20°C +80°C. 1.3/8. | 34.93 | 72.00 | 42.90 |
| UC207-106 | Подшипник для корпуса. 1.3/8. | 34.93 | 72.00 | 42.90 |
| YAR207-2DW/AG | Подшипник для корпуса. Bearing For Agricultural Applications. Insert Bearing With Set Screws. YAR 2-2DW/AG series. | 35.00 | 72.00 | 42.90 |
| UC207-A | Подшипник для корпуса. Двухрядный радиально-упорный шарикоподшипник без отверстия для смазки. | 35.00 | 72.00 | 42.90 |
| 1035-35G-MS44 | Подшипник для корпуса. HIGH TEMPERATURE GREASE. STEEL CAGE AND C4 FIT. | 35.00 | 72.00 | 42.90 |
| UCS207LD1N | Подшипник для корпуса. Не требующий обслуживания тип. Two Grooves In Outside Ring. | 35.00 | 72.00 | 42.90 |
| LE207-106.2F.Y | Подшипник для корпуса. Двойное уплотнение. Защитная крышка, размещенная на внутреннем кольце. Используется с подшипниками типа Y. Сепаратор из прессованной латуни. Центрирование шарика. Подшипник подвергается специальным испытаниям на шум. | 34.93 | 72.00 | 42.90 |
| MUC/UC207S6 | Подшипник для корпуса. Нержавеющая сталь. | 35.00 | 72.00 | 42.90 |
| UC207L3 | Корпусный подшипник однорядный. Тройное манжетное уплотнение для вкладыша подшипника. | 35.00 | 72.00 | 42.90 |
| YARAG207 | Корпусный подшипник однорядный. Измененная или модифицированная внутренняя конструкция при неизменных основных размерах. | 35.00 | 72.00 | 42.90 |
| YAR 207-106-2FW/VA201 | Шариковый радиальный подшипник. Измененная или модифицированная внутренняя конструкция при неизменных основных размерах. Стандартное контактное уплотнение с дополнительным плоским маслоотражателем на обеих сторонах подшипника без смазочных отверстий в наружном кольце. Подшипник для высокотемпературных применений (например. печных тележек). Подшипник подвергается специальным испытаниям на шум. | 34.92 | 72.00 | 42.90 |
| YAR 207-106-2FW/VA228 | Шариковый радиальный подшипник. Измененная или модифицированная внутренняя конструкция при неизменных основных размерах. Подшипник для работы при высоких температурах (+350℃). Стандартное контактное уплотнение с дополнительным плоским маслоотражателем на обеих сторонах подшипника без смазочных отверстий в наружном кольце. Подшипник подвергается специальным испытаниям на шум. | 34.92 | 72.00 | 42.90 |
| YARAG 207-106 | Шариковый радиальный подшипник. Подшипник подвергается специальным испытаниям на шум. | 34.92 | 72.00 | 42.90 |
| 102036/102072H | Роликовый радиальный-упорный двухрядный подшипник. Pressed Snap-Type Steel Cage. Hardened. | 36.00 | 72.00 | 42.00 |
| 102036/102072G | Роликовый радиальный-упорный двухрядный подшипник. Устройство повторного смазывания со смазочной канавкой и отверстием на внешнем кольце. | 36.00 | 72.00 | 42.00 |
Способы доставки
Отправка через ведущие транспортные и курьерские компании: ПЭК, Деловые Линии, СДЭК, Байкал-Сервис, Энергия, КИТ, ЖелДорЭкспедиция.
Самовывоз возможен напрямую со склада в Москве.
Сроки доставки
Срок зависит от региона и выбранной транспортной компании. Все заказы комплектуются и отправляются в кратчайшие сроки со склада в Москве.
Надёжность и сохранность
Вся продукция упаковывается с учётом требований транспортировки. Мы гарантируем, что подшипники и комплектующие прибудут к заказчику в полной сохранности.
Доставка в страны ЕАЭС
Мы работаем с проверенными логистическими партнёрами, что позволяет оперативно доставлять заказы в Беларусь, Казахстан, Армению и другие страны ЕАЭС.
Варианты оплаты:
Минимальная сумма заказа и скидки:
Документы и гарантии:
Да, конечно! Наши технические специалисты готовы помочь вам с подбором точного аналога или замены подшипника. Просто позвоните нам по телефону +7 (495) 104-99-04 или напишите на почту zakaz@podsnab.ru.
Для оперативной консультации подготовьте, пожалуйста, имеющиеся данные: маркировку, размеры, тип оборудования или артикул старого подшипника.
Да, конечно! Мы высоко ценим долгосрочное сотрудничество и доверие клиентов по всей России. Для постоянных клиентов действует персональная система скидок.
Условия формируются индивидуально и зависят от:
Чтобы узнать свои условия и получить максимально выгодное предложение, свяжитесь с персональным менеджером или напишите нам на почту zakaz@podsnab.ru.
Вы можете оформить заказ несколькими способами:
Для оформления заказа от юридического лица свяжитесь с нашим отделом по работе с корпоративными клиентами по телефону +7 (495) 104-99-04 или напишите на email zakaz@podsnab.ru, прикрепив реквизиты вашей организации.
Мы оперативно подготовим коммерческое предложение и выставим счет.
Возврат товара надлежащего качества возможен в течение 10 дней с момента получения, если товар не был в употреблении, сохранен товарный вид, упаковка не вскрывалась и присутствуют все сопроводительные документы.
Возврат денежных средств осуществляется в течение 10 рабочих дней после проверки товара складом.
В соответствии с законодательством возврату не подлежат подшипники надлежащего качества, если отсутствует оригинальная упаковка или имеются следы монтажа.
В случае выявления брака или гарантийного случая мы гарантируем возврат или обмен товара.
Да, гарантийный срок хранения устанавливается заводом-изготовителем и в среднем составляет 2 года при соблюдении условий хранения: сухое помещение, оригинальная упаковка и смазка.
Точный срок для конкретного типа подшипника уточняйте у наших менеджеров.
Пн–Пт: с 8:00 до 17:00 (МСК).
Сб–Вс: выходные дни.
Заказы на сайте принимаются круглосуточно. Заявки, поступившие после окончания рабочего дня, обрабатываются на следующий рабочий день.
Минимальная сумма заказа для доставки составляет 3000 рублей. Самовывоз со склада возможен на любую сумму при наличии товара.
ООО «УралТехГрупп»
ИНН: 7415093830
КПП: 772401001
ОГРН: 1167456069021
Банк: ПАО Сбербанк
Р/с: 40702810838000475273
К/с: 30101810400000000225
БИК: 044525225
У подшипника GYE35KRRB SGT пока нет отзывов. Вы можете стать первым покупателем, поделившимся своим мнением.