Поиск подшипника
Статьи
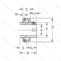
GYM1103KRRB — Шариковый радиальный однорядный подшипник, модификация основного исполнения GYM1103, производство TIMKEN.
Размер подшипника: 30x72x42 мм.
Международная стандартизации ISO
GYM1103KRRB
В наличии
| Обозначение | Гост | Конструктивные особенности |
|---|---|---|
| UCX06-19L3 | ISO | Шариковый радиальный однорядный подшипник. |
| UCX06L3 | ISO | Тройное манжетное уплотнение для вкладыша подшипника. |
| UCS306D1 | ISO | Не требующий обслуживания тип. |
| UK207+H-19 | ISO | Pressed Snap-Type Steel Cage. Hardened. 1.3/16. |
| SUCX06 | ISO | Шариковый радиальный однорядный подшипник. |
Аналог шарикового подшипника GYM1103KRRB — это подшипник такого же размера dx30,Dx72,Bx42, типа и конструкции.
| Обозначение | Конструктивные особенности | Внутренний (d) | Наружный (D) | Ширина (B) |
|---|---|---|---|---|
| 31306A.A50.90.N11CA | Однорядный конический роликовый подшипник. Двухрядный радиально-упорный шарикоподшипник без отверстия для смазки. Два Х-расположенных конических роликоподшипника. С прокладками между чашками. Осевой зазор в мкм. | 30.00 | 72.00 | 41.50 |
| UK207-22F | Подшипник для корпуса. Seal. 1.3/8/. | 30.00 | 72.00 | 43.00 |
| UCR207-300 | Подшипник для корпуса. 03. | 30.00 | 72.00 | 42.88 |
| YE30-KRR-AH03 | Подшипник для корпуса. Манжетные уплотнения с обеих сторон (уплотнение типа R - имеет оцинкованные внутреннюю и внешнюю крышки. Между крышками имеется уплотнительная кромка NBR. идущая по шлифованному буртику). Размер отверстия отличается от стандартного. | 30.00 | 72.00 | 42.90 |
| UCX06V22 | Подшипник для корпуса. Отверстия для смазки с обеих сторон наружного кольца подшипника. | 30.00 | 72.00 | 42.90 |
| Y306V22 | Подшипник для корпуса. Отверстия для смазки с обеих сторон наружного кольца подшипника. | 30.00 | 72.00 | 43.00 |
| UC.306.G2 | Подшипник для корпуса. Cистема повторного смазывания для корпусных подшипников. | 30.00 | 72.00 | 43.00 |
| 31306-A-N11CA-A50-90 | Однорядный конический роликовый подшипник. Модификация внутренней конструкции. Два Х-расположенных конических роликоподшипника. С прокладками между чашками. Осевой зазор в мкм. | 30.00 | 72.00 | 41.50 |
| 31306/DF | Двухрядный конический роликовый подшипник. Комплект из двух подшипников. согласованных для установки по Х-образной схеме. Число. следующее непосредственно после букв DF. обозначает конструкцию промежуточного кольца. | 30.00 | 72.00 | 41.50 |
| Y/UC306 | Подшипник для корпуса. Сепаратор из прессованной латуни. Центрирование шарика. | 30.00 | 72.00 | 43.00 |
| 31306J2/QDF | Однорядный конический роликовый подшипник. Оптимизированная геометрия и специальная обработка контактных поверхностей. Штампованный стальной сепаратор. центрируемый по роликам. Число после J указывает на различные конструктивные исполнения сепаратора. Комплект из двух подшипников. согласованных для установки по Х-образной схеме. Число. следующее непосредственно после букв DF. обозначает конструкцию промежуточного кольца. | 30.00 | 72.00 | 41.50 |
| 1035-30KG C4 | Подшипник для корпуса. Коническое отверстие. конус 1/12. Внутренний зазор подшипника больше. чем C3. Вкладыш подшипника с возможностью повторной смазки. | 30.00 | 72.00 | 42.88 |
| 26118/26284D+X1S-26118 | Роликовый радиальный-упорный двухрядный подшипник. Tail Code. | 29.99 | 71.97 | 42.76 |
| YSA 207-2FK + H 2307 | Шариковый радиальный подшипник. Pressed Snap-Type Steel Cage. Hardened. | 30.00 | 72.00 | 43.00 |
| 31306J/DF | Роликовый радиальный-упорный двухрядный подшипник. Дорожки качения наружного кольца. угол контакта и ширина наружного кольца в соответствии с ISO. Комплект из двух подшипников. согласованных для установки по Х-образной схеме. Число. следующее непосредственно после букв DF. обозначает конструкцию промежуточного кольца. | 30.00 | 72.00 | 41.50 |
Способы доставки
Отправка через ведущие транспортные и курьерские компании: ПЭК, Деловые Линии, СДЭК, Байкал-Сервис, Энергия, КИТ, ЖелДорЭкспедиция.
Самовывоз возможен напрямую со склада в Москве.
Сроки доставки
Срок зависит от региона и выбранной транспортной компании. Все заказы комплектуются и отправляются в кратчайшие сроки со склада в Москве.
Надёжность и сохранность
Вся продукция упаковывается с учётом требований транспортировки. Мы гарантируем, что подшипники и комплектующие прибудут к заказчику в полной сохранности.
Доставка в страны ЕАЭС
Мы работаем с проверенными логистическими партнёрами, что позволяет оперативно доставлять заказы в Беларусь, Казахстан, Армению и другие страны ЕАЭС.
Варианты оплаты:
Минимальная сумма заказа и скидки:
Документы и гарантии:
Да, конечно! Наши технические специалисты готовы помочь вам с подбором точного аналога или замены подшипника. Просто позвоните нам по телефону +7 (495) 104-99-04 или напишите на почту zakaz@podsnab.ru.
Для оперативной консультации подготовьте, пожалуйста, имеющиеся данные: маркировку, размеры, тип оборудования или артикул старого подшипника.
Да, конечно! Мы высоко ценим долгосрочное сотрудничество и доверие клиентов по всей России. Для постоянных клиентов действует персональная система скидок.
Условия формируются индивидуально и зависят от:
Чтобы узнать свои условия и получить максимально выгодное предложение, свяжитесь с персональным менеджером или напишите нам на почту zakaz@podsnab.ru.
Вы можете оформить заказ несколькими способами:
Для оформления заказа от юридического лица свяжитесь с нашим отделом по работе с корпоративными клиентами по телефону +7 (495) 104-99-04 или напишите на email zakaz@podsnab.ru, прикрепив реквизиты вашей организации.
Мы оперативно подготовим коммерческое предложение и выставим счет.
Возврат товара надлежащего качества возможен в течение 10 дней с момента получения, если товар не был в употреблении, сохранен товарный вид, упаковка не вскрывалась и присутствуют все сопроводительные документы.
Возврат денежных средств осуществляется в течение 10 рабочих дней после проверки товара складом.
В соответствии с законодательством возврату не подлежат подшипники надлежащего качества, если отсутствует оригинальная упаковка или имеются следы монтажа.
В случае выявления брака или гарантийного случая мы гарантируем возврат или обмен товара.
Да, гарантийный срок хранения устанавливается заводом-изготовителем и в среднем составляет 2 года при соблюдении условий хранения: сухое помещение, оригинальная упаковка и смазка.
Точный срок для конкретного типа подшипника уточняйте у наших менеджеров.
Пн–Пт: с 8:00 до 17:00 (МСК).
Сб–Вс: выходные дни.
Заказы на сайте принимаются круглосуточно. Заявки, поступившие после окончания рабочего дня, обрабатываются на следующий рабочий день.
Минимальная сумма заказа для доставки составляет 3000 рублей. Самовывоз со склада возможен на любую сумму при наличии товара.
ООО «УралТехГрупп»
ИНН: 7415093830
КПП: 772401001
ОГРН: 1167456069021
Банк: ПАО Сбербанк
Р/с: 40702810838000475273
К/с: 30101810400000000225
БИК: 044525225
У подшипника GYM1103KRRB пока нет отзывов. Вы можете стать первым покупателем, поделившимся своим мнением.