Поиск подшипника
Статьи
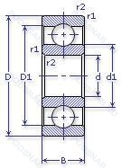
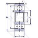
116 — Шариковый радиальный однорядный подшипник, основное исполнение, производство ГПЗ.
Размер подшипника: 80x125x22 мм.
Аналоги: 6016.
Государственный стандарт ГОСТ
116
В наличии
| Обозначение | Конструктивные изменения |
|---|---|
| А-116 Л | Сепаратор из латуни.. |
| 116-АЛШ | Сепаратор из латуни.. Повышенная грузоподъемность. Нормы шумности. |
| 116-АЛ | Сепаратор из латуни.. Повышенная грузоподъемность. |
| 5-116 АШ2 | Нормы шумности. Повышенная грузоподъемность. |
| 6-116-АЛШ1 | Сепаратор из латуни.. Повышенная грузоподъемность. Нормы шумности. |
| 6-116-АЛШ | Сепаратор из латуни.. Повышенная грузоподъемность. Нормы шумности. |
| 6-116-АШ1 | Повышенная грузоподъемность. Нормы шумности. |
| 6-116-АШ | Повышенная грузоподъемность. Нормы шумности. |
| 76-116 АШ1 | Повышенная грузоподъемность. Нормы шумности. |
| 8-116 Л | Сепаратор из латуни.. |
| 116-А | Повышенная грузоподъемность. |
| 116-АЕ | Сепаратор из текстолита.. Повышенная грузоподъемность. |
| 116-Л | Сепаратор из латуни.. |
| 116-ЮТ | Температура отпуска. 160°. Все детали или часть деталей из нержавеющей стали.. |
| 36-116 Ю1Т | Температура отпуска. 160°. Все детали или часть деталей из нержавеющей стали.. |
| 5-116 АЛ | Сепаратор из латуни.. Повышенная грузоподъемность. |
| 5-116 Л | Сепаратор из латуни.. |
| 6116 | Шариковый радиальный однорядный подшипник. |
| 6-116-А | Повышенная грузоподъемность. |
| 6-116-АЛ | Сепаратор из латуни.. Повышенная грузоподъемность. |
| 6-116 Л | Сепаратор из латуни.. |
Модификации шарикового подшипника 116 — это измененное основное конструктивное исполнение 116, основные размеры (80x125x22) не отличаются.
| Обозначение | Гост | Конструктивные особенности |
|---|---|---|
| 6016 | ISO | Шариковый радиальный однорядный подшипник. |
| 6016 | ГОСТ | Шариковый радиальный однорядный подшипник. |
| 76-80116 АКС17Ш1 | ГОСТ | Смазка Литол-24. Нормы шумности. Повышенная грузоподъемность. |
| 76-80116 АКW24Ш1 | ГОСТ | Нормы шумности. Повышенная грузоподъемность. Смазка пластичная Shell Alvania Greases G2. |
| 76-80116 АКW24Ш | ГОСТ | Повышенная грузоподъемность. Нормы шумности. Смазка пластичная Shell Alvania Greases G2. |
| 6016-2RU | ISO | Non Contact Type Friction Torque = Small High Speed Performance = Good Grease Sealing = Better Than ZZ-Type Dirt Resistance = Better Than ZZ-Type Water Resistance = Better Than ZZ / Inferior To 2RS Operating Temp. -30°C To + 100°C. |
| 6016-2Z-NR | ISO | Защитные металлические шайбы с обеих сторон подшипника. Канавка под стопорное кольцо на наружном кольце с соответствующим стопорным кольцом. |
| 6016-Z-N | ISO | щит из листовой прессованной стали с одной стороны подшипника. Канавка под стопорное кольцо на внешнем кольце. |
| 6016LU | ISO | Двухкромочное нитриловое контактное уплотнение. |
| 6016LLB | ISO | Уплотнение бесконтактного типа из синтетического каучука. |
| 6016LB | ISO | Бесконтактное нитриловое уплотнение. |
| 6016ZZNR | ISO | Стальная шайба. Канавка и стопорное кольцо на наружном кольце. |
| 3NCHAC016C | ISO | Угол контакта 20 градусов. |
| 3NC HAR016C FT | ISO | Угол контакта 20 градусов. REINFORCED PHENOLIC CAGE. |
| 3NCHAC016CA | ISO | Угол контакта 20 градусов. Латунный сепаратор с симметричными роликами. |
| 3NCHAF016CA | ISO | Угол контакта 20 градусов. Латунный сепаратор с симметричными роликами. |
| 3NCHAD016CA | ISO | Угол контакта 20 градусов. Латунный сепаратор с симметричными роликами. |
| 3NCHAR016CA | ISO | Угол контакта 20 градусов. Латунный сепаратор с симметричными роликами. |
| 3NCHAR016C | ISO | Угол контакта 20 градусов. |
| 3NCHAR016 | ISO | Угол контакта 20 градусов. |
| 180116-АК | ГОСТ | Повышенная грузоподъемность. |
| 50116-A | ГОСТ | Двухрядный радиально-упорный шарикоподшипник без отверстия для смазки. |
Аналог шарикового подшипника 116 — это подшипник такого же размера dx80,Dx125,Bx22, типа и конструкции.
| Обозначение | Конструктивные особенности | Внутренний (d) | Наружный (D) | Ширина (B) |
|---|---|---|---|---|
| SC7016 FB/P7 | Шариковый радиальный подшипник. Точность размеров соответствует классу ISO 4. Точность хода лучше. чем ISO Class 4. 18° Угол контакта. High Speed Design. | 80.00 | 125.00 | 22.00 |
| 6-32116-БТ2 | Роликовый радиальный подшипник. 200°. Температура отпуска. Сепаратор из безоловянистой бронзы.. | 80.00 | 125.00 | 22.00 |
| 6-32116-Р2 | Роликовый радиальный однорядный подшипник. Детали из теплоустойчивой (быстрорежущие) стали.. | 80.00 | 125.00 | 22.00 |
| 6-46116-Л | Шариковый радиально-упорный однорядный подшипник. Сепаратор из латуни.. | 80.00 | 125.00 | 22.00 |
| 76-32116 БТ2 | Роликовый радиальный подшипник. 200°. Температура отпуска. Сепаратор из безоловянистой бронзы.. | 80.00 | 125.00 | 22.00 |
| 76-32116 Р2 | Роликовый радиальный однорядный подшипник. Детали из теплоустойчивой (быстрорежущие) стали.. | 80.00 | 125.00 | 22.00 |
| NU 1016 ECM | Роликовый радиальный однорядный подшипник. Однорядный цилиндрический роликовый подшипник. | 80.00 | 125.00 | 22.00 |
| 46116-КЕ | Шариковый радиально-упорный однорядный подшипник. «Замок» (скос) на внутреннем кольце плюс массивный сепаратор из текстолита. Сепаратор из текстолита.. | 80.00 | 125.00 | 22.00 |
| 46116-Л | Шариковый радиально-упорный однорядный подшипник. Сепаратор из латуни.. | 80.00 | 125.00 | 22.00 |
| 46116К | Шариковый радиально-упорный однорядный подшипник. «Замок» (скос) на внутреннем кольце плюс массивный сепаратор из текстолита. | 80.00 | 125.00 | 22.00 |
| 5-36116 К | Шариковый радиально-упорный однорядный подшипник. «Замок» (скос) на внутреннем кольце плюс массивный сепаратор из текстолита. | 80.00 | 125.00 | 22.00 |
| 5-46116 К | Шариковый радиально-упорный однорядный подшипник. «Замок» (скос) на внутреннем кольце плюс массивный сепаратор из текстолита. | 80.00 | 125.00 | 22.00 |
| 5-46116 Л | Шариковый радиально-упорный однорядный подшипник. Сепаратор из латуни.. | 80.00 | 125.00 | 22.00 |
| 56-32116 БТ2 | Роликовый радиальный однорядный подшипник. 200°. Температура отпуска. Сепаратор из безоловянистой бронзы.. | 80.00 | 125.00 | 22.00 |
| 56-32116 Р2 | Роликовый радиальный однорядный подшипник. Детали из теплоустойчивой (быстрорежущие) стали.. | 80.00 | 125.00 | 22.00 |
Способы доставки
Отправка через ведущие транспортные и курьерские компании: ПЭК, Деловые Линии, СДЭК, Байкал-Сервис, Энергия, КИТ, ЖелДорЭкспедиция.
Самовывоз возможен напрямую со склада в Москве.
Сроки доставки
Срок зависит от региона и выбранной транспортной компании. Все заказы комплектуются и отправляются в кратчайшие сроки со склада в Москве.
Надёжность и сохранность
Вся продукция упаковывается с учётом требований транспортировки. Мы гарантируем, что подшипники и комплектующие прибудут к заказчику в полной сохранности.
Доставка в страны ЕАЭС
Мы работаем с проверенными логистическими партнёрами, что позволяет оперативно доставлять заказы в Беларусь, Казахстан, Армению и другие страны ЕАЭС.
Варианты оплаты:
Минимальная сумма заказа и скидки:
Документы и гарантии:
Да, конечно! Наши технические специалисты готовы помочь вам с подбором точного аналога или замены подшипника. Просто позвоните нам по телефону +7 (495) 104-99-04 или напишите на почту zakaz@podsnab.ru.
Для оперативной консультации подготовьте, пожалуйста, имеющиеся данные: маркировку, размеры, тип оборудования или артикул старого подшипника.
Да, конечно! Мы высоко ценим долгосрочное сотрудничество и доверие клиентов по всей России. Для постоянных клиентов действует персональная система скидок.
Условия формируются индивидуально и зависят от:
Чтобы узнать свои условия и получить максимально выгодное предложение, свяжитесь с персональным менеджером или напишите нам на почту zakaz@podsnab.ru.
Вы можете оформить заказ несколькими способами:
Для оформления заказа от юридического лица свяжитесь с нашим отделом по работе с корпоративными клиентами по телефону +7 (495) 104-99-04 или напишите на email zakaz@podsnab.ru, прикрепив реквизиты вашей организации.
Мы оперативно подготовим коммерческое предложение и выставим счет.
Возврат товара надлежащего качества возможен в течение 10 дней с момента получения, если товар не был в употреблении, сохранен товарный вид, упаковка не вскрывалась и присутствуют все сопроводительные документы.
Возврат денежных средств осуществляется в течение 10 рабочих дней после проверки товара складом.
В соответствии с законодательством возврату не подлежат подшипники надлежащего качества, если отсутствует оригинальная упаковка или имеются следы монтажа.
В случае выявления брака или гарантийного случая мы гарантируем возврат или обмен товара.
Да, гарантийный срок хранения устанавливается заводом-изготовителем и в среднем составляет 2 года при соблюдении условий хранения: сухое помещение, оригинальная упаковка и смазка.
Точный срок для конкретного типа подшипника уточняйте у наших менеджеров.
Пн–Пт: с 8:00 до 17:00 (МСК).
Сб–Вс: выходные дни.
Заказы на сайте принимаются круглосуточно. Заявки, поступившие после окончания рабочего дня, обрабатываются на следующий рабочий день.
Минимальная сумма заказа для доставки составляет 3000 рублей. Самовывоз со склада возможен на любую сумму при наличии товара.
ООО «УралТехГрупп»
ИНН: 7415093830
КПП: 772401001
ОГРН: 1167456069021
Банк: ПАО Сбербанк
Р/с: 40702810838000475273
К/с: 30101810400000000225
БИК: 044525225
У подшипника 116 пока нет отзывов. Вы можете стать первым покупателем, поделившимся своим мнением.