Поиск подшипника
Статьи
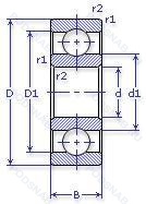
318 — Шариковый радиальный однорядный подшипник, основное исполнение, выпускается производителями: ZWZ, ГПЗ.
Размер подшипника: 90x190x43 мм.
Аналоги: 6318.
Государственный стандарт ГОСТ
318
В наличии
| Обозначение | Конструктивные изменения |
|---|---|
| 76-318 Л | Сепаратор из латуни.. |
| 8-318-Е | Сепаратор из текстолита.. |
| 8-318-Л | Сепаратор из латуни.. |
| 8-318-АК | Повышенная грузоподъемность. |
| 6-318 АУШ1 | Дополнительные технические требования. Повышенная грузоподъемность. Нормы шумности. |
| 6-318 АШ1 | Повышенная грузоподъемность. Нормы шумности. |
| 6-318 АШ | Повышенная грузоподъемность. Нормы шумности. |
| 6-318 Ш | Нормы шумности. |
| 75-318 АШ2 | Нормы шумности. Повышенная грузоподъемность. |
| 76-318 АШ1 | Повышенная грузоподъемность. Нормы шумности. |
| 76-318 АШ | Повышенная грузоподъемность. Нормы шумности. |
| 6-318 АК | Повышенная грузоподъемность. |
| 6-318 Е | Сепаратор из текстолита.. |
| 6-318 Л | Сепаратор из латуни.. |
| 70-318 АК | Повышенная грузоподъемность. |
| 70-318 Ш | Нормы шумности. |
| 75-318 Л | Сепаратор из латуни.. |
| 76-318 АК | Повышенная грузоподъемность. |
| 76-318 Е | Сепаратор из текстолита.. |
| 76-318 Ш | Нормы шумности. |
| 76-318 Ш2У | Дополнительные технические требования. Нормы шумности. |
| 318-А | Повышенная грузоподъемность. |
| 318-АК | Повышенная грузоподъемность. |
| 318-Л | Сепаратор из латуни.. |
| 318АЛ1 | Сепаратор из латуни.. Повышенная грузоподъемность. |
Модификации шарикового подшипника 318 — это измененное основное конструктивное исполнение 318, основные размеры (90x190x43) не отличаются.
| Обозначение | Гост | Конструктивные особенности |
|---|---|---|
| 6318 | ISO | Шариковый радиальный однорядный подшипник. |
| 76-80318 АС17Ш1 | ГОСТ | Смазка Литол-24. Повышенная грузоподъемность. Нормы шумности. |
| 76-80318 АL19Ш1 | ГОСТ | Lubricant. Mobil Oil Co.. Mobil 28 Grease. MIL-G-81322 High/Low Temperature -62°C/+176°C. Повышенная грузоподъемность. Нормы шумности. |
| 76-80318 АW24Ш1 | ГОСТ | Повышенная грузоподъемность. Нормы шумности. Смазка пластичная Shell Alvania Greases G2. |
| 6318-RS | ISO | Резиновое уплотнение с одной стороны. |
| M6318ZZX | ISO | Шарикоподшипник максимальной грузоподъемности. |
| 6318-2RU | ISO | Non Contact Type Friction Torque = Small High Speed Performance = Good Grease Sealing = Better Than ZZ-Type Dirt Resistance = Better Than ZZ-Type Water Resistance = Better Than ZZ / Inferior To 2RS Operating Temp. -30°C To + 100°C. |
| 6318ZX | ISO | Съемная защитная шайба с одной стороны. |
| 6318N | ISO | Канавка для стопорного кольца на наружном кольце. |
| 6318-2NSL | ISO | Контактные уплотнения на каждой стороне подшипника.. |
| 6318-2NK | ISO | Double Labyrinth Seal (Non Contact). |
| 6318NK | ISO | One Labyrinth Seal (Non Contact). |
| 6318NSL | ISO | Резиновое уплотнение с одной стороны. |
| 6318-RSR | ISO | Контактное уплотнение с одной стороны. Радиальный тип. |
| 6318VV | ISO | Защитные металлические шайбы. с обеих сторон подшипника. Бесконтактное уплотнение. (лучше. чем ZZ. Можно использовать в умеренно запыленной среде). |
| 6-80318 С17 | ГОСТ | Смазка Литол-24. |
| 75-170318 ЕШ3 | ГОСТ | Сепаратор из текстолита.. Нормы шумности. |
| 6318LU | ISO | Двухкромочное нитриловое контактное уплотнение. |
| 6318ZZNR | ISO | Стальная шайба. Канавка и стопорное кольцо на наружном кольце. |
| 6318LLB | ISO | Уплотнение бесконтактного типа из синтетического каучука. |
| QJ 318 | ISO | Штампованный сепаратор из стального листа. Шариковый подшипник с четырех-точечным контактом. |
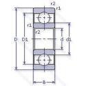
Аналог шарикового подшипника 318 — это подшипник такого же размера dx90,Dx190,Bx43, типа и конструкции.
| Обозначение | Конструктивные особенности | Внутренний (d) | Наружный (D) | Ширина (B) |
|---|---|---|---|---|
| 402318-Л | Роликовый радиальный подшипник. Сепаратор из латуни.. | 90.00 | 190.00 | 43.00 |
| 402318-М | Роликовый радиальный цилиндрический подшипник. Модифицированный контакт.. | 90.00 | 190.00 | 43.00 |
| 42318-К1М | Роликовый радиальный однорядный подшипник. Модифицированный контакт.. | 90.00 | 190.00 | 43.00 |
| 42318-КМ | Роликовый радиальный однорядный подшипник. Кольцевая проточка на середине цилиндрической наружной поверхности наружного кольца плюс три отверстия для смазки. Модифицированный контакт.. | 90.00 | 190.00 | 43.00 |
| 42318-Л | Роликовый радиальный однорядный подшипник. Сепаратор из латуни.. | 90.00 | 190.00 | 43.00 |
| 42318KM | Роликовый радиальный однорядный подшипник. Type Of Model. | 90.00 | 190.00 | 43.00 |
| 46318-АКЛ | Шариковый радиально-упорный однорядный подшипник. Сепаратор из латуни.. Повышенная грузоподъемность. | 90.00 | 190.00 | 43.00 |
| 46318-Е | Шариковый радиально-упорный однорядный подшипник. Сепаратор из текстолита.. | 90.00 | 190.00 | 43.00 |
| 46318-Л | Шариковый радиально-упорный однорядный подшипник. Сепаратор из латуни.. | 90.00 | 190.00 | 43.00 |
| 46318К | Шариковый радиально-упорный однорядный подшипник. «Замок» (скос) на внутреннем кольце плюс массивный сепаратор из текстолита. | 90.00 | 190.00 | 43.00 |
| 5-36318 Л | Шариковый радиально-упорный однорядный подшипник. Сепаратор из латуни.. | 90.00 | 190.00 | 43.00 |
| 5-46318 Л | Шариковый радиально-упорный однорядный подшипник. Сепаратор из латуни.. | 90.00 | 190.00 | 43.00 |
| 5-46318 ЛШ2 | Шариковый радиально-упорный однорядный подшипник. Сепаратор из латуни.. Нормы шумности. | 90.00 | 190.00 | 43.00 |
| 6-1318 Л | Шариковый радиальный двухрядный подшипник. Сепаратор из латуни.. | 90.00 | 190.00 | 43.00 |
| 6-176318 Л | Шариковый радиально-упорный однорядный подшипник. Сепаратор из латуни.. | 90.00 | 190.00 | 43.00 |
Способы доставки
Отправка через ведущие транспортные и курьерские компании: ПЭК, Деловые Линии, СДЭК, Байкал-Сервис, Энергия, КИТ, ЖелДорЭкспедиция.
Самовывоз возможен напрямую со склада в Москве.
Сроки доставки
Срок зависит от региона и выбранной транспортной компании. Все заказы комплектуются и отправляются в кратчайшие сроки со склада в Москве.
Надёжность и сохранность
Вся продукция упаковывается с учётом требований транспортировки. Мы гарантируем, что подшипники и комплектующие прибудут к заказчику в полной сохранности.
Доставка в страны ЕАЭС
Мы работаем с проверенными логистическими партнёрами, что позволяет оперативно доставлять заказы в Беларусь, Казахстан, Армению и другие страны ЕАЭС.
Варианты оплаты:
Минимальная сумма заказа и скидки:
Документы и гарантии:
Да, конечно! Наши технические специалисты готовы помочь вам с подбором точного аналога или замены подшипника. Просто позвоните нам по телефону +7 (495) 104-99-04 или напишите на почту zakaz@podsnab.ru.
Для оперативной консультации подготовьте, пожалуйста, имеющиеся данные: маркировку, размеры, тип оборудования или артикул старого подшипника.
Да, конечно! Мы высоко ценим долгосрочное сотрудничество и доверие клиентов по всей России. Для постоянных клиентов действует персональная система скидок.
Условия формируются индивидуально и зависят от:
Чтобы узнать свои условия и получить максимально выгодное предложение, свяжитесь с персональным менеджером или напишите нам на почту zakaz@podsnab.ru.
Вы можете оформить заказ несколькими способами:
Для оформления заказа от юридического лица свяжитесь с нашим отделом по работе с корпоративными клиентами по телефону +7 (495) 104-99-04 или напишите на email zakaz@podsnab.ru, прикрепив реквизиты вашей организации.
Мы оперативно подготовим коммерческое предложение и выставим счет.
Возврат товара надлежащего качества возможен в течение 10 дней с момента получения, если товар не был в употреблении, сохранен товарный вид, упаковка не вскрывалась и присутствуют все сопроводительные документы.
Возврат денежных средств осуществляется в течение 10 рабочих дней после проверки товара складом.
В соответствии с законодательством возврату не подлежат подшипники надлежащего качества, если отсутствует оригинальная упаковка или имеются следы монтажа.
В случае выявления брака или гарантийного случая мы гарантируем возврат или обмен товара.
Да, гарантийный срок хранения устанавливается заводом-изготовителем и в среднем составляет 2 года при соблюдении условий хранения: сухое помещение, оригинальная упаковка и смазка.
Точный срок для конкретного типа подшипника уточняйте у наших менеджеров.
Пн–Пт: с 8:00 до 17:00 (МСК).
Сб–Вс: выходные дни.
Заказы на сайте принимаются круглосуточно. Заявки, поступившие после окончания рабочего дня, обрабатываются на следующий рабочий день.
Минимальная сумма заказа для доставки составляет 3000 рублей. Самовывоз со склада возможен на любую сумму при наличии товара.
ООО «УралТехГрупп»
ИНН: 7415093830
КПП: 772401001
ОГРН: 1167456069021
Банк: ПАО Сбербанк
Р/с: 40702810838000475273
К/с: 30101810400000000225
БИК: 044525225
У подшипника 318 пока нет отзывов. Вы можете стать первым покупателем, поделившимся своим мнением.