Поиск подшипника
Статьи
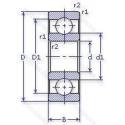
7222 — Шариковый радиальный однорядный подшипник, основное исполнение, производство ГПЗ.
Размер подшипника: 110x200x41 мм.
Аналоги: 30222.
Государственный стандарт ГОСТ
7222
В наличии
| Обозначение | Конструктивные изменения |
|---|---|
| 7222-А | Повышенная грузоподъемность. |
Модификации шарикового подшипника 7222 — это измененное основное конструктивное исполнение 7222, основные размеры (110x200x41) не отличаются.
| Обозначение | Гост | Конструктивные особенности |
|---|---|---|
| 30222 | ISO | Шариковый радиальный однорядный подшипник. |
Аналог шарикового подшипника 7222 — это подшипник такого же размера dx110,Dx200,Bx41, типа и конструкции.
| Обозначение | Конструктивные особенности | Внутренний (d) | Наружный (D) | Ширина (B) |
|---|---|---|---|---|
| 30222M-90KM1 | Однорядный конический роликовый подшипник. Подшипник с латунным сепаратором. центрированный по телам качения. | 110.00 | 200.00 | 41.00 |
| 30222-90KA1 | Однорядный конический роликовый подшипник. Assembly Code. | 110.00 | 200.00 | 41.00 |
| 30222-A-N1 | Однорядный конический роликовый подшипник. Модификация внутренней конструкции. Один фиксирующий паз (выемка) в одной боковой поверхности наружного кольца или шайбы корпуса. | 110.00 | 200.00 | 41.00 |
| 30222A.P6 | Однорядный конический роликовый подшипник. Модификация внутренней конструкции. Размерные и геометрические допуски соответствуют классу точности P6. | 110.00 | 200.00 | 41.00 |
| 30222J2 | однорядный конический роликовый подшипник. Штампованный стальной сепаратор. центрируемый по роликам. Число после J указывает на различные конструктивные исполнения сепаратора. | 110.00 | 200.00 | 41.00 |
| 30222JR | однорядный конический роликовый подшипник. TAPERED ROLLER BEARING CONFORMING TO ISO R355 (SUB-UNIT. METRIC SERIES). EXAMPLE/ 30206JR. | 110.00 | 200.00 | 41.00 |
| 30222-XL | Однорядный конический роликовый подшипник. Серия X Live. | 110.00 | 200.00 | 41.00 |
| X30222M/Y30222M | однорядный конический роликовый подшипник. (Конус/внутренняя поверхность и чашка/внешняя поверхность) Компоненты со сквозной закалкой. Номера деталей DIN 720. Номера деталей IsoClass. | 110.00 | 200.00 | 41.00 |
| E30222J | однорядный конический роликовый подшипник. Взаимозаменяемые кольца конического роликоподшипника. | 110.00 | 200.00 | 41.00 |
| 30222J2/Q | Однорядный конический роликовый подшипник. Оптимизированная геометрия и специальная обработка контактных поверхностей. Штампованный стальной сепаратор. центрируемый по роликам. Число после J указывает на различные конструктивные исполнения сепаратора. | 110.00 | 200.00 | 41.00 |
| 30222C | Однорядный конический роликовый подшипник. Конический роликовый подшипник. Модификация внутренней конструкции. | 110.00 | 200.00 | 41.00 |
| 30222UP5 | Однорядный конический роликовый подшипник. Размерная и рабочая точность соответствует классу допуска ISO 5. Конические роликоподшипники с возможностью взаимозаменять друг друга. | 110.00 | 200.00 | 41.00 |
| 30222U | однорядный конический роликовый подшипник. Конические роликоподшипники с возможностью взаимозаменять друг друга. | 110.00 | 200.00 | 41.00 |
| HR30222J | Роликовый радиальный-упорный однорядный подшипник. Дорожки качения наружного кольца. угол контакта и ширина наружного кольца в соответствии с ISO. Для конических роликоподшипников и радиальных шарикоподшипников. | 110.00 | 200.00 | 41.00 |
| 30222F | Роликовый радиальный-упорный однорядный подшипник. Сепаратор из обработанной стали или специального чугуна. | 110.00 | 200.00 | 41.00 |
Способы доставки
Отправка через ведущие транспортные и курьерские компании: ПЭК, Деловые Линии, СДЭК, Байкал-Сервис, Энергия, КИТ, ЖелДорЭкспедиция.
Самовывоз возможен напрямую со склада в Москве.
Сроки доставки
Срок зависит от региона и выбранной транспортной компании. Все заказы комплектуются и отправляются в кратчайшие сроки со склада в Москве.
Надёжность и сохранность
Вся продукция упаковывается с учётом требований транспортировки. Мы гарантируем, что подшипники и комплектующие прибудут к заказчику в полной сохранности.
Доставка в страны ЕАЭС
Мы работаем с проверенными логистическими партнёрами, что позволяет оперативно доставлять заказы в Беларусь, Казахстан, Армению и другие страны ЕАЭС.
Варианты оплаты:
Минимальная сумма заказа и скидки:
Документы и гарантии:
Да, конечно! Наши технические специалисты готовы помочь вам с подбором точного аналога или замены подшипника. Просто позвоните нам по телефону +7 (495) 104-99-04 или напишите на почту zakaz@podsnab.ru.
Для оперативной консультации подготовьте, пожалуйста, имеющиеся данные: маркировку, размеры, тип оборудования или артикул старого подшипника.
Да, конечно! Мы высоко ценим долгосрочное сотрудничество и доверие клиентов по всей России. Для постоянных клиентов действует персональная система скидок.
Условия формируются индивидуально и зависят от:
Чтобы узнать свои условия и получить максимально выгодное предложение, свяжитесь с персональным менеджером или напишите нам на почту zakaz@podsnab.ru.
Вы можете оформить заказ несколькими способами:
Для оформления заказа от юридического лица свяжитесь с нашим отделом по работе с корпоративными клиентами по телефону +7 (495) 104-99-04 или напишите на email zakaz@podsnab.ru, прикрепив реквизиты вашей организации.
Мы оперативно подготовим коммерческое предложение и выставим счет.
Возврат товара надлежащего качества возможен в течение 10 дней с момента получения, если товар не был в употреблении, сохранен товарный вид, упаковка не вскрывалась и присутствуют все сопроводительные документы.
Возврат денежных средств осуществляется в течение 10 рабочих дней после проверки товара складом.
В соответствии с законодательством возврату не подлежат подшипники надлежащего качества, если отсутствует оригинальная упаковка или имеются следы монтажа.
В случае выявления брака или гарантийного случая мы гарантируем возврат или обмен товара.
Да, гарантийный срок хранения устанавливается заводом-изготовителем и в среднем составляет 2 года при соблюдении условий хранения: сухое помещение, оригинальная упаковка и смазка.
Точный срок для конкретного типа подшипника уточняйте у наших менеджеров.
Пн–Пт: с 8:00 до 17:00 (МСК).
Сб–Вс: выходные дни.
Заказы на сайте принимаются круглосуточно. Заявки, поступившие после окончания рабочего дня, обрабатываются на следующий рабочий день.
Минимальная сумма заказа для доставки составляет 3000 рублей. Самовывоз со склада возможен на любую сумму при наличии товара.
ООО «УралТехГрупп»
ИНН: 7415093830
КПП: 772401001
ОГРН: 1167456069021
Банк: ПАО Сбербанк
Р/с: 40702810838000475273
К/с: 30101810400000000225
БИК: 044525225
У подшипника 7222 пока нет отзывов. Вы можете стать первым покупателем, поделившимся своим мнением.