Поиск подшипника
Статьи
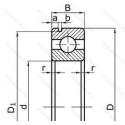
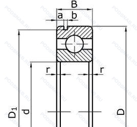
50228 — Шариковый радиальный однорядный подшипник, основное исполнение, производство ГПЗ.
Размер подшипника: 140x250x42 мм.
Аналоги: 6228N.
Государственный стандарт ГОСТ
50228
В наличии
| Обозначение | Гост | Конструктивные особенности |
|---|---|---|
| 6-228 АЛШ1 | ГОСТ | Сепаратор из латуни.. Повышенная грузоподъемность. Нормы шумности. |
| 6-228 АЛШ | ГОСТ | Сепаратор из латуни.. Повышенная грузоподъемность. Нормы шумности. |
| 6228-RS | ISO | Резиновое уплотнение с одной стороны. |
| 6228N | ISO | Канавка для стопорного кольца на наружном кольце. |
| 6228-2RU | ISO | Non Contact Type Friction Torque = Small High Speed Performance = Good Grease Sealing = Better Than ZZ-Type Dirt Resistance = Better Than ZZ-Type Water Resistance = Better Than ZZ / Inferior To 2RS Operating Temp. -30°C To + 100°C. |
| 6228ZX | ISO | Съемная защитная шайба с одной стороны. |
| 6-228 АК | ГОСТ | Повышенная грузоподъемность. |
| 6-228 АКЛ | ГОСТ | Сепаратор из латуни.. Повышенная грузоподъемность. |
| 6-228 АЛ | ГОСТ | Сепаратор из латуни.. Повышенная грузоподъемность. |
| 6-228 Л | ГОСТ | Сепаратор из латуни.. |
| 66-228 АКЛ | ГОСТ | Сепаратор из латуни.. Повышенная грузоподъемность. |
| 66-228 АЛ | ГОСТ | Сепаратор из латуни.. Повышенная грузоподъемность. |
| 66-228 Л | ГОСТ | Сепаратор из латуни.. |
| 70-228 АКЛ | ГОСТ | Сепаратор из латуни.. Повышенная грузоподъемность. |
| 70-228 АЛ | ГОСТ | Сепаратор из латуни.. Повышенная грузоподъемность. |
| 70-228 Л | ГОСТ | Сепаратор из латуни.. |
| 76-228 АКЛ | ГОСТ | Сепаратор из латуни.. Повышенная грузоподъемность. |
| 6228 MA | ISO | Механически обработанный латунный сепаратор. Центрирование по внешнему кольцу. |
| 228-А | ГОСТ | Повышенная грузоподъемность. |
| 228-АЛ | ГОСТ | Сепаратор из латуни.. Повышенная грузоподъемность. |
| 228-Л | ГОСТ | Сепаратор из латуни.. |
Аналог шарикового подшипника 50228 — это подшипник такого же размера dx140,Dx250,Bx42, типа и конструкции.
| Обозначение | Конструктивные особенности | Внутренний (d) | Наружный (D) | Ширина (B) |
|---|---|---|---|---|
| 36228К | Шариковый радиально-упорный однорядный подшипник. «Замок» (скос) на внутреннем кольце плюс массивный сепаратор из текстолита. | 140.00 | 250.00 | 42.00 |
| 36228К6 | Шариковый радиально-упорный однорядный подшипник. «Замок» (скос) на внутреннем кольце. | 140.00 | 250.00 | 42.00 |
| 228W3 | Шариковый радиальный подшипник. Корпусной подшипник с установочным винтом. | 140.00 | 250.00 | 42.00 |
| 228-АК | Шариковый радиальный подшипник. Повышенная грузоподъемность. | 140.00 | 250.00 | 42.00 |
| 228-АКЛ | Шариковый радиальный подшипник. Сепаратор из латуни.. Повышенная грузоподъемность. | 140.00 | 250.00 | 42.00 |
| 6-2228 КМ | Роликовый радиальный однорядный подшипник. Модифицированный контакт.. | 140.00 | 250.00 | 42.00 |
| 6-32228 Б1М | Роликовый радиальный однорядный подшипник. Модифицированный контакт.. Сепаратор из безоловянистой бронзы.. | 140.00 | 250.00 | 42.00 |
| 6-32228 М | Роликовый радиальный однорядный подшипник. Модифицированный контакт.. | 140.00 | 250.00 | 42.00 |
| 6-42228 М | Роликовый радиальный однорядный подшипник. Модифицированный контакт.. | 140.00 | 250.00 | 42.00 |
| 70-2228 КМ | Роликовый радиальный однорядный подшипник. Кольцевая проточка на середине цилиндрической наружной поверхности наружного кольца плюс три отверстия для смазки. Модифицированный контакт.. | 140.00 | 250.00 | 42.00 |
| 70-32228 М | Роликовый радиальный подшипник. Модифицированный контакт.. | 140.00 | 250.00 | 42.00 |
| 76-32228 М | Роликовый радиальный однорядный подшипник. Модифицированный контакт.. | 140.00 | 250.00 | 42.00 |
| 42228-М | Роликовый радиальный однорядный подшипник. Модифицированный контакт.. | 140.00 | 250.00 | 42.00 |
| 46228К | Шариковый радиально-упорный однорядный подшипник. «Замок» (скос) на внутреннем кольце плюс массивный сепаратор из текстолита. | 140.00 | 250.00 | 42.00 |
| 5-176228 ДТ2 | Шариковый радиально-упорный однорядный подшипник. Сепаратор из алюминиевого сплава.. 200°. Температура отпуска. | 140.00 | 250.00 | 42.00 |
Способы доставки
Отправка через ведущие транспортные и курьерские компании: ПЭК, Деловые Линии, СДЭК, Байкал-Сервис, Энергия, КИТ, ЖелДорЭкспедиция.
Самовывоз возможен напрямую со склада в Москве.
Сроки доставки
Срок зависит от региона и выбранной транспортной компании. Все заказы комплектуются и отправляются в кратчайшие сроки со склада в Москве.
Надёжность и сохранность
Вся продукция упаковывается с учётом требований транспортировки. Мы гарантируем, что подшипники и комплектующие прибудут к заказчику в полной сохранности.
Доставка в страны ЕАЭС
Мы работаем с проверенными логистическими партнёрами, что позволяет оперативно доставлять заказы в Беларусь, Казахстан, Армению и другие страны ЕАЭС.
Варианты оплаты:
Минимальная сумма заказа и скидки:
Документы и гарантии:
Да, конечно! Наши технические специалисты готовы помочь вам с подбором точного аналога или замены подшипника. Просто позвоните нам по телефону +7 (495) 104-99-04 или напишите на почту zakaz@podsnab.ru.
Для оперативной консультации подготовьте, пожалуйста, имеющиеся данные: маркировку, размеры, тип оборудования или артикул старого подшипника.
Да, конечно! Мы высоко ценим долгосрочное сотрудничество и доверие клиентов по всей России. Для постоянных клиентов действует персональная система скидок.
Условия формируются индивидуально и зависят от:
Чтобы узнать свои условия и получить максимально выгодное предложение, свяжитесь с персональным менеджером или напишите нам на почту zakaz@podsnab.ru.
Вы можете оформить заказ несколькими способами:
Для оформления заказа от юридического лица свяжитесь с нашим отделом по работе с корпоративными клиентами по телефону +7 (495) 104-99-04 или напишите на email zakaz@podsnab.ru, прикрепив реквизиты вашей организации.
Мы оперативно подготовим коммерческое предложение и выставим счет.
Возврат товара надлежащего качества возможен в течение 10 дней с момента получения, если товар не был в употреблении, сохранен товарный вид, упаковка не вскрывалась и присутствуют все сопроводительные документы.
Возврат денежных средств осуществляется в течение 10 рабочих дней после проверки товара складом.
В соответствии с законодательством возврату не подлежат подшипники надлежащего качества, если отсутствует оригинальная упаковка или имеются следы монтажа.
В случае выявления брака или гарантийного случая мы гарантируем возврат или обмен товара.
Да, гарантийный срок хранения устанавливается заводом-изготовителем и в среднем составляет 2 года при соблюдении условий хранения: сухое помещение, оригинальная упаковка и смазка.
Точный срок для конкретного типа подшипника уточняйте у наших менеджеров.
Пн–Пт: с 8:00 до 17:00 (МСК).
Сб–Вс: выходные дни.
Заказы на сайте принимаются круглосуточно. Заявки, поступившие после окончания рабочего дня, обрабатываются на следующий рабочий день.
Минимальная сумма заказа для доставки составляет 3000 рублей. Самовывоз со склада возможен на любую сумму при наличии товара.
ООО «УралТехГрупп»
ИНН: 7415093830
КПП: 772401001
ОГРН: 1167456069021
Банк: ПАО Сбербанк
Р/с: 40702810838000475273
К/с: 30101810400000000225
БИК: 044525225
У подшипника 50228 пока нет отзывов. Вы можете стать первым покупателем, поделившимся своим мнением.