Поиск подшипника
Статьи
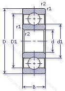
1000801 — Шариковый радиальный однорядный подшипник, основное исполнение, производство ГПЗ.
Размер подшипника: 12x21x5 мм.
Аналоги: 6801.
Государственный стандарт ГОСТ
1000801
В наличии
| Обозначение | Конструктивные изменения |
|---|---|
| 6-1000801 ЮТ | Температура отпуска. 160°. Все детали или часть деталей из нержавеющей стали.. |
| 6-1000801 | Шариковый радиальный однорядный подшипник. |
| 7-1000801 Л | Сепаратор из латуни.. |
| 1000801-ZZ | Защитные металлические шайбы с обеих сторон. |
| 1000801-Л | Сепаратор из латуни.. |
| 1000801-Ю | Все детали или часть деталей из нержавеющей стали.. |
| 1000801.2RS | Резиновые уплотнения с каждой стороны подшипника. |
| 4-1000801 Ю2 | Все детали или часть деталей из нержавеющей стали.. |
| 5-1000801 | Шариковый радиальный однорядный подшипник. |
| 5-1000801 Л | Сепаратор из латуни.. |
| 5-1000801 Ю | Все детали или часть деталей из нержавеющей стали.. |
| 5-1000801 ЮТ | Температура отпуска. 160°. Все детали или часть деталей из нержавеющей стали.. |
| 6-1000801 Л | Сепаратор из латуни.. |
| 6-1000801 Ю1 | Все детали или часть деталей из нержавеющей стали.. |
| 6-1000801 Ю1Т | Температура отпуска. 160°. Все детали или часть деталей из нержавеющей стали.. |
Модификации шарикового подшипника 1000801 — это измененное основное конструктивное исполнение 1000801, основные размеры (12x21x5) не отличаются.
| Обозначение | Гост | Конструктивные особенности |
|---|---|---|
| 6801 | ISO | Шариковый радиальный однорядный подшипник. |
| 6801-2RU | ISO | Non Contact Type Friction Torque = Small High Speed Performance = Good Grease Sealing = Better Than ZZ-Type Dirt Resistance = Better Than ZZ-Type Water Resistance = Better Than ZZ / Inferior To 2RS Operating Temp. -30°C To + 100°C. |
| 6801-2RD | ISO | Облегченное контактное уплотнение с двух сторон.. |
| 6801-2NKE | ISO | Double Labyrinth Seal (Non Contact). |
| 6801NSE | ISO | Резиновое уплотнение с одной стороны. |
| 6801-2NSE | ISO | Резиновые уплотнения с каждой стороны подшипника. |
| 6801ZE | ISO | щит из листовой прессованной стали с одной стороны подшипника. |
| L-2112SS | ISO | Две резиновые защитные шайбы. |
| L-2112DD | ISO | Два уплотнения из PTFE. |
| 6801VV | ISO | Защитные металлические шайбы. с обеих сторон подшипника. Бесконтактное уплотнение. (лучше. чем ZZ. Можно использовать в умеренно запыленной среде). |
| 60-1210801 Л | ГОСТ | Сепаратор из латуни.. |
| SC01A36ZZ | ISO | Уплотнение из полиакрила. Стальная шайба. |
| 6801LLU | ISO | Контактное резиновое уплотнение с двух сторон. |
| 6801LLB | ISO | Уплотнение бесконтактного типа из синтетического каучука. |
| 6801LBLU | ISO | Двухкромочное нитриловое контактное уплотнение. Бесконтактное нитриловое уплотнение. |
| S61801-2Z | ISO | Защитные металлические шайбы с обеих сторон подшипника. |
| SF61801-2RS | ISO | Резиновые уплотнения с каждой стороны подшипника. |
| SF61801-2Z | ISO | Защитные металлические шайбы с обеих сторон подшипника. |
| 62801-2Z | ISO | Защитные металлические шайбы с обеих сторон подшипника. |
| F61801-2Z | ISO | Защитные металлические шайбы с обеих сторон подшипника. |
| 4-640073 Р | ГОСТ | Детали из теплоустойчивой (быстрорежущие) стали.. |
Аналог шарикового подшипника 1000801 — это подшипник такого же размера dx12,Dx21,Bx5, типа и конструкции.
| Обозначение | Конструктивные особенности | Внутренний (d) | Наружный (D) | Ширина (B) |
|---|---|---|---|---|
| 6-876902 Ш | Шариковый радиально-упорный подшипник. Нормы шумности. | 11.10 | 21.10 | 6.00 |
| 6-876903 Ш1 | Шариковый радиально-упорный подшипник. Нормы шумности. | 12.60 | 20.60 | 4.87 |
| 71801 CD/P4 | Шариковый радиально-упорный однорядный подшипник. Двухкомпонентный штампованный стальной сепаратор с направляющим кольцом. Класс точности. | 12.00 | 21.00 | 5.00 |
| 71801 ACD/HCP4 | Шариковый радиально-упорный однорядный подшипник. Однорядный с улучшенной конструкцией и углом контакта 25°. | 12.00 | 21.00 | 5.00 |
| 71801 ACD/P4 | Шариковый радиально-упорный однорядный подшипник. Однорядный с улучшенной конструкцией и углом контакта 25°. Класс точности. | 12.00 | 21.00 | 5.00 |
| 71801 CD/HCP4 | Шариковый радиально-упорный однорядный подшипник. Двухкомпонентный штампованный стальной сепаратор с направляющим кольцом. | 12.00 | 21.00 | 5.00 |
| SEA12/NS 7CE1 | Шариковый радиально-упорный однорядный подшипник. Шарики из нитрида кремния Si3N4 (гибридные подшипники). Керамические шарики. | 12.00 | 21.00 | 5.00 |
| SEA12/NS 7CE3 | Шариковый радиально-упорный однорядный подшипник. Шарики из нитрида кремния Si3N4 (гибридные подшипники). Керамические шарики. | 12.00 | 21.00 | 5.00 |
| 71801 C | Шариковый радиально-упорный однорядный подшипник. 15° Угол контакта. | 12.00 | 21.00 | 5.00 |
| 71801 A | Шариковый радиально-упорный однорядный подшипник. Двухрядный радиально-упорный шарикоподшипник без отверстия для смазки. | 12.00 | 21.00 | 5.00 |
| W 61801 R | Шариковый радиальный подшипник. Нержавеющая сталь. С выпуклыми асимметричными роликами и обработанным сепаратором. | 12.00 | 21.00 | 5.00 |
| W 61801 R-2ZS | Шариковый радиальный подшипник. Нержавеющая сталь. С выпуклыми асимметричными роликами и обработанным сепаратором. Z-образный сепаратор. | 12.00 | 21.00 | 5.00 |
| W 61801 | Шариковый радиальный подшипник. Нержавеющая сталь. | 12.00 | 21.00 | 5.00 |
| W 61801-2RZ | Шариковый радиальный подшипник. Шарикоподшипник. С уплотнением и низким коэффициентом трения с обеих сторон. Уплотнение состоит из шайбы из листовой стали с вулканизированной резиной. Нержавеющая сталь. | 12.00 | 21.00 | 5.00 |
| 6-1210801 Л | Шариковый радиальный подшипник. Сепаратор из латуни.. | 12.00 | 21.00 | 5.00 |
Способы доставки
Отправка через ведущие транспортные и курьерские компании: ПЭК, Деловые Линии, СДЭК, Байкал-Сервис, Энергия, КИТ, ЖелДорЭкспедиция.
Самовывоз возможен напрямую со склада в Москве.
Сроки доставки
Срок зависит от региона и выбранной транспортной компании. Все заказы комплектуются и отправляются в кратчайшие сроки со склада в Москве.
Надёжность и сохранность
Вся продукция упаковывается с учётом требований транспортировки. Мы гарантируем, что подшипники и комплектующие прибудут к заказчику в полной сохранности.
Доставка в страны ЕАЭС
Мы работаем с проверенными логистическими партнёрами, что позволяет оперативно доставлять заказы в Беларусь, Казахстан, Армению и другие страны ЕАЭС.
Варианты оплаты:
Минимальная сумма заказа и скидки:
Документы и гарантии:
Да, конечно! Наши технические специалисты готовы помочь вам с подбором точного аналога или замены подшипника. Просто позвоните нам по телефону +7 (495) 104-99-04 или напишите на почту zakaz@podsnab.ru.
Для оперативной консультации подготовьте, пожалуйста, имеющиеся данные: маркировку, размеры, тип оборудования или артикул старого подшипника.
Да, конечно! Мы высоко ценим долгосрочное сотрудничество и доверие клиентов по всей России. Для постоянных клиентов действует персональная система скидок.
Условия формируются индивидуально и зависят от:
Чтобы узнать свои условия и получить максимально выгодное предложение, свяжитесь с персональным менеджером или напишите нам на почту zakaz@podsnab.ru.
Вы можете оформить заказ несколькими способами:
Для оформления заказа от юридического лица свяжитесь с нашим отделом по работе с корпоративными клиентами по телефону +7 (495) 104-99-04 или напишите на email zakaz@podsnab.ru, прикрепив реквизиты вашей организации.
Мы оперативно подготовим коммерческое предложение и выставим счет.
Возврат товара надлежащего качества возможен в течение 10 дней с момента получения, если товар не был в употреблении, сохранен товарный вид, упаковка не вскрывалась и присутствуют все сопроводительные документы.
Возврат денежных средств осуществляется в течение 10 рабочих дней после проверки товара складом.
В соответствии с законодательством возврату не подлежат подшипники надлежащего качества, если отсутствует оригинальная упаковка или имеются следы монтажа.
В случае выявления брака или гарантийного случая мы гарантируем возврат или обмен товара.
Да, гарантийный срок хранения устанавливается заводом-изготовителем и в среднем составляет 2 года при соблюдении условий хранения: сухое помещение, оригинальная упаковка и смазка.
Точный срок для конкретного типа подшипника уточняйте у наших менеджеров.
Пн–Пт: с 8:00 до 17:00 (МСК).
Сб–Вс: выходные дни.
Заказы на сайте принимаются круглосуточно. Заявки, поступившие после окончания рабочего дня, обрабатываются на следующий рабочий день.
Минимальная сумма заказа для доставки составляет 3000 рублей. Самовывоз со склада возможен на любую сумму при наличии товара.
ООО «УралТехГрупп»
ИНН: 7415093830
КПП: 772401001
ОГРН: 1167456069021
Банк: ПАО Сбербанк
Р/с: 40702810838000475273
К/с: 30101810400000000225
БИК: 044525225
У подшипника 1000801 пока нет отзывов. Вы можете стать первым покупателем, поделившимся своим мнением.