Поиск подшипника
Статьи
1000848 — Шариковый радиальный однорядный подшипник, основное исполнение, производство ГПЗ.
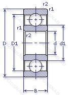
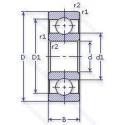
Размер подшипника: 240x300x28 мм.
Аналоги: 6848.
Государственный стандарт ГОСТ
1000848
В наличии
| Обозначение | Конструктивные изменения |
|---|---|
| 1000848-АЛ | Сепаратор из латуни.. Повышенная грузоподъемность. |
Модификации шарикового подшипника 1000848 — это измененное основное конструктивное исполнение 1000848, основные размеры (240x300x28) не отличаются.
| Обозначение | Гост | Конструктивные особенности |
|---|---|---|
| 6848 | ISO | Шариковый радиальный однорядный подшипник. |
| 61848 2BRS | ISO | Бесконтактные лабиринтные уплотнения с обеих сторон. |
| 61848 2RS | ISO | Резиновые уплотнения с каждой стороны подшипника. |
| 61848 2URS | ISO | Специальное манжетное уплотнение с обеих сторон подшипника. |
| 61848 2Z | ISO | Защитные металлические шайбы с обеих сторон подшипника. |
| 61848 BRS | ISO | Бесконтактные лабиринтные уплотнения с одной стороны. |
| 61848 RS | ISO | Резиновое уплотнение с одной стороны. |
| 61848 URS | ISO | Шариковый радиальный однорядный подшипник. |
| 61848 Z | ISO | щит из листовой прессованной стали с одной стороны подшипника. |
| 6848-ZZ | ISO | Защитные металлические шайбы с обеих сторон. |
| 6848-RZ | ISO | Один стальное уплотнение и одно резиновое. |
| 6848N | ISO | Канавка под стопорное кольцо на внешнем кольце. |
| 6848NR | ISO | Канавка под стопорное кольцо на наружном кольце с соответствующим стопорным кольцом. |
| 6848-2RZ | ISO | Шарикоподшипник. С уплотнением и низким коэффициентом трения с обеих сторон. Уплотнение состоит из шайбы из листовой стали с вулканизированной резиной. |
| 6848-RS | ISO | Резиновое уплотнение с одной стороны. |
| 6848-Z | ISO | щит из листовой прессованной стали с одной стороны подшипника. |
| 6848-2RS | ISO | Резиновые уплотнения с каждой стороны подшипника. |
| 6848LLB | ISO | Уплотнение бесконтактного типа из синтетического каучука. |
| 6848C | ISO | 15° Угол контакта. |
Аналог шарикового подшипника 1000848 — это подшипник такого же размера dx240,Dx300,Bx28, типа и конструкции.
| Обозначение | Конструктивные особенности | Внутренний (d) | Наружный (D) | Ширина (B) |
|---|---|---|---|---|
| SL181848-E-BR-C3 | Однорядный цилиндрический роликовый подшипник. Внутренний зазор больше нормального. Повышенная грузоподъемность. Чёрный цвет. | 240.00 | 300.00 | 28.00 |
| SL181848-E-IR/T-CN/3L | Однорядный цилиндрический роликовый подшипник. Повышенная грузоподъемность. Нормальный радиальный внутренний зазор. Clearance Range Corresponding To The Lower Half Of The Actual Clearance Range. Канавки во внутреннем кольце находятся со стороны стопорного кольца. | 240.00 | 300.00 | 28.00 |
| 61848MY | Подшипник однорядный шариковый радиальный. Механически обработанный латунный сепаратор. | 240.00 | 300.00 | 28.00 |
| SL181848-E-C3 | Однорядный цилиндрический роликовый подшипник. Внутренний зазор больше нормального. Повышенная грузоподъемность. | 240.00 | 300.00 | 28.00 |
| SL181848-E | Однорядный цилиндрический роликовый подшипник. Повышенная грузоподъемность. | 240.00 | 300.00 | 28.00 |
| HC61848-C3 | Подшипник однорядный шариковый радиальный. Внутренний зазор больше нормального. | 240.00 | 300.00 | 28.00 |
| 61848-MA-C4 | Подшипник однорядный шариковый радиальный. Внутренний зазор подшипника больше. чем C3. Механически обработанный латунный сепаратор. Центрирование по внешнему кольцу. | 240.00 | 300.00 | 28.00 |
| NUZ 1848 ECMA | Роликовый радиальный цилиндрический подшипник. Измененная или модифицированная внутренняя конструкция при неизменных основных размерах. | 240.00 | 300.00 | 28.00 |
| 1007748Л | Роликовый радиальный-упорный однорядный подшипник. Сепаратор из латуни.. | 240.00 | 300.00 | 28.00 |
| 5-1046848 Л | Шариковый радиально-упорный однорядный подшипник. Сепаратор из латуни.. | 240.00 | 300.00 | 28.00 |
| 71848 C | Шариковый радиально-упорный однорядный подшипник. 15° Угол контакта. | 240.00 | 300.00 | 28.00 |
| 71848 A | Шариковый радиально-упорный однорядный подшипник. Двухрядный радиально-упорный шарикоподшипник без отверстия для смазки. | 240.00 | 300.00 | 28.00 |
| 7848A | Шариковый радиально-упорный однорядный подшипник. Двухрядный радиально-упорный шарикоподшипник без отверстия для смазки. | 240.00 | 300.00 | 28.00 |
| 7848B | Шариковый радиально-упорный однорядный подшипник. Конический роликовый подшипник. Угол контакта 20 градусов. | 240.00 | 300.00 | 28.00 |
| 7568148-Л | Шариковый упорный однорядный подшипник. Сепаратор из латуни.. | 240.00 | 300.00 | 27.00 |
Способы доставки
Отправка через ведущие транспортные и курьерские компании: ПЭК, Деловые Линии, СДЭК, Байкал-Сервис, Энергия, КИТ, ЖелДорЭкспедиция.
Самовывоз возможен напрямую со склада в Москве.
Сроки доставки
Срок зависит от региона и выбранной транспортной компании. Все заказы комплектуются и отправляются в кратчайшие сроки со склада в Москве.
Надёжность и сохранность
Вся продукция упаковывается с учётом требований транспортировки. Мы гарантируем, что подшипники и комплектующие прибудут к заказчику в полной сохранности.
Доставка в страны ЕАЭС
Мы работаем с проверенными логистическими партнёрами, что позволяет оперативно доставлять заказы в Беларусь, Казахстан, Армению и другие страны ЕАЭС.
Варианты оплаты:
Минимальная сумма заказа и скидки:
Документы и гарантии:
Да, конечно! Наши технические специалисты готовы помочь вам с подбором точного аналога или замены подшипника. Просто позвоните нам по телефону +7 (495) 104-99-04 или напишите на почту zakaz@podsnab.ru.
Для оперативной консультации подготовьте, пожалуйста, имеющиеся данные: маркировку, размеры, тип оборудования или артикул старого подшипника.
Да, конечно! Мы высоко ценим долгосрочное сотрудничество и доверие клиентов по всей России. Для постоянных клиентов действует персональная система скидок.
Условия формируются индивидуально и зависят от:
Чтобы узнать свои условия и получить максимально выгодное предложение, свяжитесь с персональным менеджером или напишите нам на почту zakaz@podsnab.ru.
Вы можете оформить заказ несколькими способами:
Для оформления заказа от юридического лица свяжитесь с нашим отделом по работе с корпоративными клиентами по телефону +7 (495) 104-99-04 или напишите на email zakaz@podsnab.ru, прикрепив реквизиты вашей организации.
Мы оперативно подготовим коммерческое предложение и выставим счет.
Возврат товара надлежащего качества возможен в течение 10 дней с момента получения, если товар не был в употреблении, сохранен товарный вид, упаковка не вскрывалась и присутствуют все сопроводительные документы.
Возврат денежных средств осуществляется в течение 10 рабочих дней после проверки товара складом.
В соответствии с законодательством возврату не подлежат подшипники надлежащего качества, если отсутствует оригинальная упаковка или имеются следы монтажа.
В случае выявления брака или гарантийного случая мы гарантируем возврат или обмен товара.
Да, гарантийный срок хранения устанавливается заводом-изготовителем и в среднем составляет 2 года при соблюдении условий хранения: сухое помещение, оригинальная упаковка и смазка.
Точный срок для конкретного типа подшипника уточняйте у наших менеджеров.
Пн–Пт: с 8:00 до 17:00 (МСК).
Сб–Вс: выходные дни.
Заказы на сайте принимаются круглосуточно. Заявки, поступившие после окончания рабочего дня, обрабатываются на следующий рабочий день.
Минимальная сумма заказа для доставки составляет 3000 рублей. Самовывоз со склада возможен на любую сумму при наличии товара.
ООО «УралТехГрупп»
ИНН: 7415093830
КПП: 772401001
ОГРН: 1167456069021
Банк: ПАО Сбербанк
Р/с: 40702810838000475273
К/с: 30101810400000000225
БИК: 044525225
У подшипника 1000848 пока нет отзывов. Вы можете стать первым покупателем, поделившимся своим мнением.