Поиск подшипника
Статьи
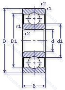
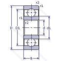
1000096-Л — Шариковый радиальный однорядный подшипник, модификация основного исполнения 1000096, производство ГПЗ.
Размер подшипника: 6x15x5 мм.
Сепаратор из латуни.
Государственный стандарт ГОСТ
1000096Л
В наличии
| Обозначение | Конструктивные изменения |
|---|---|
| 5-1000096 0Р3.П | Детали из теплоустойчивой (быстрорежущие) стали.. |
| 5-1000096 0Р3.У | Дополнительные технические требования. Детали из теплоустойчивой (быстрорежущие) стали.. |
| 5-1000096 0Р3. | Детали из теплоустойчивой (быстрорежущие) стали.. |
| 1000096-ЮТ | Температура отпуска. 160°. Все детали или часть деталей из нержавеющей стали.. |
| 1000096-Ю | Все детали или часть деталей из нержавеющей стали.. |
| 7-1000096 | Шариковый радиальный однорядный подшипник. |
| 1000096 | Шариковый радиальный однорядный подшипник. Основное конструктивное исполнение. |
| 05-1000096 | Шариковый радиальный однорядный подшипник. |
| 05-1000096 У | Дополнительные технические требования. |
| 2-1000096 | Шариковый радиальный однорядный подшипник. |
| 25-1000096 ЮТ | Температура отпуска. 160°. Все детали или часть деталей из нержавеющей стали.. |
| 2М5-1000096 | Модифицированный контакт.. |
| 2М5-1000096 ЮТ | Температура отпуска. 160°. Все детали или часть деталей из нержавеющей стали.. |
| 4-1000096 | Шариковый радиальный однорядный подшипник. |
| 4-1000096 ЮТ | Температура отпуска. 160°. Все детали или часть деталей из нержавеющей стали.. |
| 5-1000096 | Шариковый радиальный однорядный подшипник. |
| 5-1000096 Л | Сепаратор из латуни.. |
| 5-1000096 Т2 | 200°. Температура отпуска. |
| 5-1000096 У | Дополнительные технические требования. |
| 5-1000096 ЮТ | Температура отпуска. 160°. Все детали или часть деталей из нержавеющей стали.. |
| 5-1000096 ЮТП | Температура отпуска. 160°. Все детали или часть деталей из нержавеющей стали.. |
| 6-1000096 | Шариковый радиальный однорядный подшипник. |
| 6-1000096 Т2 | 200°. Температура отпуска. |
| 6-1000096-Ю1Т | Температура отпуска. 160°. Все детали или часть деталей из нержавеющей стали.. |
| 6-1000096 ЮТ | Температура отпуска. 160°. Все детали или часть деталей из нержавеющей стали.. |
Модификации шарикового подшипника 1000096-Л — это измененное основное конструктивное исполнение 1000096, основные размеры (6x15x5) не отличаются.
| Обозначение | Гост | Конструктивные особенности |
|---|---|---|
| 5-25-Т2 | ГОСТ | 200°. Температура отпуска. |
| 5-25-У | ГОСТ | Дополнительные технические требования. |
| 5-25-ЮТП | ГОСТ | Температура отпуска. 160°. Все детали или часть деталей из нержавеющей стали.. |
| 5-60025-К | ГОСТ | «Замок» (скос) на внутреннем кольце плюс массивный сепаратор из текстолита. |
| 5-60025-Т2 | ГОСТ | 200°. Температура отпуска. |
| 5-60025-ЮТ | ГОСТ | Температура отпуска. 160°. Все детали или часть деталей из нержавеющей стали.. |
| 5-640025-У | ГОСТ | Дополнительные технические требования. |
| 5-640096 К | ГОСТ | «Замок» (скос) на внутреннем кольце плюс массивный сепаратор из текстолита. |
| 5-80025-К1С21 | ГОСТ | Смазка ЭРА. |
| 5-80025-КС21 | ГОСТ | «Замок» (скос) на внутреннем кольце плюс массивный сепаратор из текстолита. Смазка ЭРА. |
| 5-80025-КЮТС21 | ГОСТ | «Замок» (скос) на внутреннем кольце плюс массивный сепаратор из текстолита. Температура отпуска. 160°. Смазка ЭРА. Все детали или часть деталей из нержавеющей стали.. |
| 5-80025 ЮТС19 | ГОСТ | Температура отпуска. 160°. Все детали или часть деталей из нержавеющей стали.. Смазка ВНИИНП-286. |
| 5-80025-ЮТС2 | ГОСТ | Температура отпуска. 160°. Все детали или часть деталей из нержавеющей стали.. Смазка ЦИАТИМ-221. |
| 5-80025-ЮТС21 | ГОСТ | Температура отпуска. 160°. Смазка ЭРА. Все детали или часть деталей из нержавеющей стали.. |
| 5-840025-К | ГОСТ | «Замок» (скос) на внутреннем кольце плюс массивный сепаратор из текстолита. |
| 522-1080096-К1УС21 | ГОСТ | Дополнительные технические требования. Смазка ЭРА. |
| 534-1080096-К1Т1У1С21 | ГОСТ | 180°. Смазка ЭРА. Температура отпуска. Дополнительные технические требования. |
| 6-1080096 С9 | ГОСТ | Смазка ЛЗ-31. |
| 6-2000087 Ю | ГОСТ | Все детали или часть деталей из нержавеющей стали.. |
| 6-2000087 ЮТ | ГОСТ | Температура отпуска. 160°. Все детали или часть деталей из нержавеющей стали.. |
Аналог шарикового подшипника 1000096-Л — это подшипник такого же размера dx6,Dx15,Bx5, типа и конструкции.
| Обозначение | Конструктивные особенности | Внутренний (d) | Наружный (D) | Ширина (B) |
|---|---|---|---|---|
| 1-ШП6 И | Шарнирный подшипник. Поверхность скольжения покрыта дисульфидом молибдена.. Без отверстий и канавок для смазки. | 6.00 | 14.00 | 6.00 |
| 5-1006096 Е | Шариковый радиально-упорный однорядный подшипник. Сепаратор из текстолита.. | 6.00 | 15.00 | 5.00 |
| 5-1116096 К | Шариковый радиально-упорный однорядный подшипник. «Замок» (скос) на внутреннем кольце плюс массивный сепаратор из текстолита. | 6.00 | 15.00 | 5.00 |
| 5-1116096 К1 | Шариковый радиально-упорный однорядный подшипник. «Замок» (скос) на внутреннем кольце плюс массивный сепаратор из текстолита. | 6.00 | 15.00 | 5.00 |
| 5-1116096 К1П | Шариковый радиально-упорный однорядный подшипник. «Замок» (скос) на внутреннем кольце плюс массивный сепаратор из текстолита. | 6.00 | 15.00 | 5.00 |
| 5-1116096 КП | Шариковый радиально-упорный однорядный подшипник. «Замок» (скос) на внутреннем кольце плюс массивный сепаратор из текстолита. | 6.00 | 15.00 | 5.00 |
| 5-25 Л | Шариковый радиальный подшипник. Сепаратор из латуни.. | 5.00 | 16.00 | 5.00 |
| 5-25-ЮТ | Шариковый радиальный подшипник. Температура отпуска. 160°. Все детали или часть деталей из нержавеющей стали.. | 5.00 | 16.00 | 5.00 |
| 5-6005-К | Шариковый радиально-упорный однорядный подшипник. «Замок» (скос) на внутреннем кольце плюс массивный сепаратор из текстолита. | 5.00 | 16.00 | 5.00 |
| 5-6005-К1 | Шариковый радиально-упорный однорядный подшипник. «Замок» (скос) на внутреннем кольце плюс массивный сепаратор из текстолита. | 5.00 | 16.00 | 5.00 |
| 5-6025-Е | Шариковый радиально-упорный однорядный подшипник. Сепаратор из текстолита.. | 5.00 | 16.00 | 5.00 |
| 5-6025-У | Шариковый радиально-упорный однорядный подшипник. Дополнительные технические требования. | 5.00 | 16.00 | 5.00 |
| 5-6025 Ю | Шариковый радиально-упорный однорядный подшипник. Все детали или часть деталей из нержавеющей стали.. | 5.00 | 16.00 | 5.00 |
| 5М4-1006096 Е | Шариковый радиально-упорный однорядный подшипник. Сепаратор из текстолита.. | 6.00 | 15.00 | 5.00 |
| 5М5-6025 | Шариковый радиально-упорный однорядный подшипник. Модифицированный контакт.. | 5.00 | 16.00 | 5.00 |
Способы доставки
Отправка через ведущие транспортные и курьерские компании: ПЭК, Деловые Линии, СДЭК, Байкал-Сервис, Энергия, КИТ, ЖелДорЭкспедиция.
Самовывоз возможен напрямую со склада в Москве.
Сроки доставки
Срок зависит от региона и выбранной транспортной компании. Все заказы комплектуются и отправляются в кратчайшие сроки со склада в Москве.
Надёжность и сохранность
Вся продукция упаковывается с учётом требований транспортировки. Мы гарантируем, что подшипники и комплектующие прибудут к заказчику в полной сохранности.
Доставка в страны ЕАЭС
Мы работаем с проверенными логистическими партнёрами, что позволяет оперативно доставлять заказы в Беларусь, Казахстан, Армению и другие страны ЕАЭС.
Варианты оплаты:
Минимальная сумма заказа и скидки:
Документы и гарантии:
Да, конечно! Наши технические специалисты готовы помочь вам с подбором точного аналога или замены подшипника. Просто позвоните нам по телефону +7 (495) 104-99-04 или напишите на почту zakaz@podsnab.ru.
Для оперативной консультации подготовьте, пожалуйста, имеющиеся данные: маркировку, размеры, тип оборудования или артикул старого подшипника.
Да, конечно! Мы высоко ценим долгосрочное сотрудничество и доверие клиентов по всей России. Для постоянных клиентов действует персональная система скидок.
Условия формируются индивидуально и зависят от:
Чтобы узнать свои условия и получить максимально выгодное предложение, свяжитесь с персональным менеджером или напишите нам на почту zakaz@podsnab.ru.
Вы можете оформить заказ несколькими способами:
Для оформления заказа от юридического лица свяжитесь с нашим отделом по работе с корпоративными клиентами по телефону +7 (495) 104-99-04 или напишите на email zakaz@podsnab.ru, прикрепив реквизиты вашей организации.
Мы оперативно подготовим коммерческое предложение и выставим счет.
Возврат товара надлежащего качества возможен в течение 10 дней с момента получения, если товар не был в употреблении, сохранен товарный вид, упаковка не вскрывалась и присутствуют все сопроводительные документы.
Возврат денежных средств осуществляется в течение 10 рабочих дней после проверки товара складом.
В соответствии с законодательством возврату не подлежат подшипники надлежащего качества, если отсутствует оригинальная упаковка или имеются следы монтажа.
В случае выявления брака или гарантийного случая мы гарантируем возврат или обмен товара.
Да, гарантийный срок хранения устанавливается заводом-изготовителем и в среднем составляет 2 года при соблюдении условий хранения: сухое помещение, оригинальная упаковка и смазка.
Точный срок для конкретного типа подшипника уточняйте у наших менеджеров.
Пн–Пт: с 8:00 до 17:00 (МСК).
Сб–Вс: выходные дни.
Заказы на сайте принимаются круглосуточно. Заявки, поступившие после окончания рабочего дня, обрабатываются на следующий рабочий день.
Минимальная сумма заказа для доставки составляет 3000 рублей. Самовывоз со склада возможен на любую сумму при наличии товара.
ООО «УралТехГрупп»
ИНН: 7415093830
КПП: 772401001
ОГРН: 1167456069021
Банк: ПАО Сбербанк
Р/с: 40702810838000475273
К/с: 30101810400000000225
БИК: 044525225
У подшипника 1000096-Л пока нет отзывов. Вы можете стать первым покупателем, поделившимся своим мнением.