Поиск подшипника
Статьи
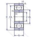
1000834-Л — Шариковый радиальный однорядный подшипник, модификация основного исполнения 1000834, производство ГПЗ.
Размер подшипника: 170x215x22 мм.
Сепаратор из латуни.
Аналоги: 61834MA.
Государственный стандарт ГОСТ
1000834Л
В наличии
| Обозначение | Конструктивные изменения |
|---|---|
| 2-1000834 Л | Сепаратор из латуни.. |
| 4-1000834-Л | Сепаратор из латуни.. |
| 5-1000834 Л | Сепаратор из латуни.. |
| 6-1000834 Л | Сепаратор из латуни.. |
| 8-1000834 Л | Сепаратор из латуни.. |
| 1000834 | Шариковый радиальный однорядный подшипник. Основное конструктивное исполнение. |
| 1000834-АЛ | Сепаратор из латуни.. Повышенная грузоподъемность. |
| 2В0-1000834 Л | Сепаратор из латуни.. |
Модификации шарикового подшипника 1000834-Л — это измененное основное конструктивное исполнение 1000834, основные размеры (170x215x22) не отличаются.
| Обозначение | Гост | Конструктивные особенности |
|---|---|---|
| 61834MA | ISO | Механически обработанный латунный сепаратор. Центрирование по внешнему кольцу. |
| 61834 2BRS | ISO | Бесконтактные лабиринтные уплотнения с обеих сторон. |
| 61834 2URS | ISO | Специальное манжетное уплотнение с обеих сторон подшипника. |
| 61834 2Z | ISO | Защитные металлические шайбы с обеих сторон подшипника. |
| 61834 BRS | ISO | Бесконтактные лабиринтные уплотнения с одной стороны. |
| 61834 RS | ISO | Резиновое уплотнение с одной стороны. |
| 61834 URS | ISO | Шариковый радиальный однорядный подшипник. |
| 61834 Z | ISO | щит из листовой прессованной стали с одной стороны подшипника. |
| 61834 ZZ | ISO | Защитные металлические шайбы (бесконтактные уплотнения) с обеих сторон подшипника. |
| 6834-RZ | ISO | Один стальное уплотнение и одно резиновое. |
| 6834-RS | ISO | Резиновое уплотнение с одной стороны. |
| 6834NR | ISO | Канавка под стопорное кольцо на наружном кольце с соответствующим стопорным кольцом. |
| 6834Z | ISO | щит из листовой прессованной стали с одной стороны подшипника. |
| 6834N | ISO | Канавка под стопорное кольцо на внешнем кольце. |
| 6834-2RZ | ISO | Шарикоподшипник. С уплотнением и низким коэффициентом трения с обеих сторон. Уплотнение состоит из шайбы из листовой стали с вулканизированной резиной. |
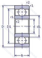
Аналог шарикового подшипника 1000834-Л — это подшипник такого же размера dx170,Dx215,Bx22, типа и конструкции.
| Обозначение | Конструктивные особенности | Внутренний (d) | Наружный (D) | Ширина (B) |
|---|---|---|---|---|
| 6834ZZS | Подшипник однорядный шариковый радиальный. Защитные металлические шайбы с двух сторон подшипника (удерживается стопорным кольцом на внешнем кольце - обычно для миниатюрных шарикоподшипников). | 170.00 | 215.00 | 22.00 |
| 61834-M-C3 | Подшипник однорядный шариковый радиальный. Внутренний зазор больше нормального. Твердый латунный сепаратор. Шариковые направляющие. | 170.00 | 215.00 | 22.00 |
| 61834MBS C4 S1 | Подшипник однорядный шариковый радиальный. Внутренний зазор подшипника больше. чем C3. Стабильность размеров при рабочих температурах до +200°C. Механически обработанный латунный сепаратор. Направляющие внутреннего кольца. Со смазочными канавками на направляющих поверхностях. | 170.00 | 215.00 | 22.00 |
| 6834C3 | Подшипник однорядный шариковый радиальный. Внутренний зазор больше нормального. | 170.00 | 215.00 | 22.00 |
| SL18-1834E C3 | Однорядный цилиндрический роликовый подшипник. Внутренний зазор больше нормального. Повышенная грузоподъемность. | 170.00 | 215.00 | 22.00 |
| SL18-1834E | Однорядный цилиндрический роликовый подшипник. Повышенная грузоподъемность. | 170.00 | 215.00 | 22.00 |
| 61834-2RS | Подшипник однорядный шариковый радиальный. Резиновые уплотнения с каждой стороны подшипника. | 170.00 | 215.00 | 22.00 |
| 61834-MB-HLP-C3 | Подшипник однорядный шариковый радиальный. Внутренний зазор больше нормального. Механически обработанный латунный сепаратор. клёпаный. центрируемый по внутреннему кольцу. Код местонахождения завода. может использоваться в стандартной комплектации. | 170.00 | 215.00 | 22.00 |
| NCF1834-V-C3 | Однорядный цилиндрический роликовый подшипник. Внутренний зазор больше нормального. Подшипник без сепаратора. С полным комплектом тел качения. | 170.00 | 215.00 | 22.00 |
| 5S-7834CG/GNP42 | Шариковый радиально-упорный однорядный подшипник. Универсальный подшипник. Резьбовой винт со стопором и защелкой. Класс точности JIS4 для размеров и JIS 2 для точности вращения. Гибридный подшипник. | 170.00 | 215.00 | 22.00 |
| 7834CG/GNP42 | Шариковый радиально-упорный однорядный подшипник. Универсальный подшипник. Резьбовой винт со стопором и защелкой. Класс точности JIS4 для размеров и JIS 2 для точности вращения. | 170.00 | 215.00 | 22.00 |
| 7834C | Шариковый радиально-упорный однорядный подшипник. Угол контакта 15°. | 170.00 | 215.00 | 22.00 |
| 71834 A | Шариковый радиально-упорный однорядный подшипник. Двухрядный радиально-упорный шарикоподшипник без отверстия для смазки. | 170.00 | 215.00 | 22.00 |
| 71834 C | Шариковый радиально-упорный однорядный подшипник. 15° Угол контакта. | 170.00 | 215.00 | 22.00 |
| 71834AC | Шариковый радиально-упорный однорядный подшипник. Суффикс для радиально-упорного шарикоподшипника. | 170.00 | 215.00 | 22.00 |
Способы доставки
Отправка через ведущие транспортные и курьерские компании: ПЭК, Деловые Линии, СДЭК, Байкал-Сервис, Энергия, КИТ, ЖелДорЭкспедиция.
Самовывоз возможен напрямую со склада в Москве.
Сроки доставки
Срок зависит от региона и выбранной транспортной компании. Все заказы комплектуются и отправляются в кратчайшие сроки со склада в Москве.
Надёжность и сохранность
Вся продукция упаковывается с учётом требований транспортировки. Мы гарантируем, что подшипники и комплектующие прибудут к заказчику в полной сохранности.
Доставка в страны ЕАЭС
Мы работаем с проверенными логистическими партнёрами, что позволяет оперативно доставлять заказы в Беларусь, Казахстан, Армению и другие страны ЕАЭС.
Варианты оплаты:
Минимальная сумма заказа и скидки:
Документы и гарантии:
Да, конечно! Наши технические специалисты готовы помочь вам с подбором точного аналога или замены подшипника. Просто позвоните нам по телефону +7 (495) 104-99-04 или напишите на почту zakaz@podsnab.ru.
Для оперативной консультации подготовьте, пожалуйста, имеющиеся данные: маркировку, размеры, тип оборудования или артикул старого подшипника.
Да, конечно! Мы высоко ценим долгосрочное сотрудничество и доверие клиентов по всей России. Для постоянных клиентов действует персональная система скидок.
Условия формируются индивидуально и зависят от:
Чтобы узнать свои условия и получить максимально выгодное предложение, свяжитесь с персональным менеджером или напишите нам на почту zakaz@podsnab.ru.
Вы можете оформить заказ несколькими способами:
Для оформления заказа от юридического лица свяжитесь с нашим отделом по работе с корпоративными клиентами по телефону +7 (495) 104-99-04 или напишите на email zakaz@podsnab.ru, прикрепив реквизиты вашей организации.
Мы оперативно подготовим коммерческое предложение и выставим счет.
Возврат товара надлежащего качества возможен в течение 10 дней с момента получения, если товар не был в употреблении, сохранен товарный вид, упаковка не вскрывалась и присутствуют все сопроводительные документы.
Возврат денежных средств осуществляется в течение 10 рабочих дней после проверки товара складом.
В соответствии с законодательством возврату не подлежат подшипники надлежащего качества, если отсутствует оригинальная упаковка или имеются следы монтажа.
В случае выявления брака или гарантийного случая мы гарантируем возврат или обмен товара.
Да, гарантийный срок хранения устанавливается заводом-изготовителем и в среднем составляет 2 года при соблюдении условий хранения: сухое помещение, оригинальная упаковка и смазка.
Точный срок для конкретного типа подшипника уточняйте у наших менеджеров.
Пн–Пт: с 8:00 до 17:00 (МСК).
Сб–Вс: выходные дни.
Заказы на сайте принимаются круглосуточно. Заявки, поступившие после окончания рабочего дня, обрабатываются на следующий рабочий день.
Минимальная сумма заказа для доставки составляет 3000 рублей. Самовывоз со склада возможен на любую сумму при наличии товара.
ООО «УралТехГрупп»
ИНН: 7415093830
КПП: 772401001
ОГРН: 1167456069021
Банк: ПАО Сбербанк
Р/с: 40702810838000475273
К/с: 30101810400000000225
БИК: 044525225
У подшипника 1000834-Л пока нет отзывов. Вы можете стать первым покупателем, поделившимся своим мнением.