Поиск подшипника
Статьи
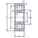
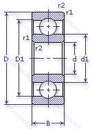
102-К — Шариковый радиальный однорядный подшипник, модификация основного исполнения 102, производство ГПЗ.
Размер подшипника: 15x32x9 мм.
«замок» (скос) на внутреннем кольце плюс массивный сепаратор из текстолита.
Аналоги: 6002.
Государственный стандарт ГОСТ
102К
В наличии
| Обозначение | Конструктивные изменения |
|---|---|
| 75102 | Шариковый радиальный однорядный подшипник. |
| 102-К1 | Шариковый радиальный однорядный подшипник. |
| 2102 | Шариковый радиальный однорядный подшипник. |
| 6-102 Ш1 | Нормы шумности. |
| 6-102 Ш | Нормы шумности. |
| 76-102 АШ1 | Повышенная грузоподъемность. Нормы шумности. |
| 76-102 АШ | Повышенная грузоподъемность. Нормы шумности. |
| 7-102 | Шариковый радиальный однорядный подшипник. |
| 7-102 К | «Замок» (скос) на внутреннем кольце плюс массивный сепаратор из текстолита. |
| 75-102 К | Шариковый радиальный однорядный подшипник. |
| 102 | Шариковый радиальный однорядный подшипник. Основное конструктивное исполнение. |
| 102-A | Двухрядный радиально-упорный шарикоподшипник без отверстия для смазки. |
| 102-AE | Без суффикса. но с обозначением типа. |
| 5102 | Шариковый радиальный однорядный подшипник. |
| 5-102 К | «Замок» (скос) на внутреннем кольце плюс массивный сепаратор из текстолита. |
| 6-102 К | «Замок» (скос) на внутреннем кольце плюс массивный сепаратор из текстолита. |
Модификации шарикового подшипника 102-К — это измененное основное конструктивное исполнение 102, основные размеры (15x32x9) не отличаются.
| Обозначение | Гост | Конструктивные особенности |
|---|---|---|
| 6002 | ISO | Шариковый радиальный однорядный подшипник. |
| P6002-SB | ISO | Double Row. Angular Contact. Non-Filling Notch Bearing. With Outwardly Convergent Угол контактаs. Rigid Design. |
| P6002-GB | ISO | Подшипник для универсального монтажа. Два подшипника. установленные по О-образной или Х-образной схеме. имеют средний преднатяг. |
| S16002-2Z | ISO | Защитные металлические шайбы с обеих сторон подшипника. |
| S6002-2Z | ISO | Защитные металлические шайбы с обеих сторон подшипника. |
| S6002-2TS | ISO | Two Teflon Seals Reinforced With Z-Shields. |
| 3NC 7002 FT | ISO | REINFORCED PHENOLIC CAGE. |
| 3NCHAC002C | ISO | Угол контакта 20 градусов. |
| 3NCHAC002CA | ISO | Угол контакта 20 градусов. Латунный сепаратор с симметричными роликами. |
| 180102-А | ГОСТ | Повышенная грузоподъемность. |
| 25-7000102 Б | ГОСТ | Сепаратор из безоловянистой бронзы.. |
| 26-7000102 Ю1 | ГОСТ | Все детали или часть деталей из нержавеющей стали.. |
| 26-7000102 Ю1П | ГОСТ | Все детали или часть деталей из нержавеющей стали.. |
| 26-7000102 Ю2Т | ГОСТ | Температура отпуска. 160°. Все детали или часть деталей из нержавеющей стали.. |
| 26-7000102 ЮТ | ГОСТ | Температура отпуска. 160°. Все детали или часть деталей из нержавеющей стали.. |
| 36-7000102 Т2 | ГОСТ | 200°. Температура отпуска. |
| 4-7000102 Б | ГОСТ | Сепаратор из безоловянистой бронзы.. |
| 5-7000102 Б | ГОСТ | Сепаратор из безоловянистой бронзы.. |
| 5-7000102 БТ2 | ГОСТ | 200°. Температура отпуска. Сепаратор из безоловянистой бронзы.. |
| 5-7000102 Т2 | ГОСТ | 200°. Температура отпуска. |
| 5-7000102 У | ГОСТ | Дополнительные технические требования. |
Аналог шарикового подшипника 102-К — это подшипник такого же размера dx15,Dx32,Bx9, типа и конструкции.
| Обозначение | Конструктивные особенности | Внутренний (d) | Наружный (D) | Ширина (B) |
|---|---|---|---|---|
| 36102К7 | Шариковый радиально-упорный однорядный подшипник. «Замок» (скос) на внутреннем кольце. | 15.00 | 32.00 | 9.00 |
| 4-36102 Е | Шариковый радиально-упорный однорядный подшипник. Сепаратор из текстолита.. | 15.00 | 32.00 | 9.00 |
| 4-6102 Е | Шариковый радиально-упорный однорядный подшипник. Сепаратор из текстолита.. | 15.00 | 32.00 | 9.00 |
| 4-6102 Е1 | Шариковый радиально-упорный однорядный подшипник. Сепаратор из текстолита.. | 15.00 | 32.00 | 9.00 |
| 4-6102 ЮТ | Шариковый радиально-упорный однорядный подшипник. Температура отпуска. 160°. Все детали или часть деталей из нержавеющей стали.. | 15.00 | 32.00 | 9.00 |
| 4-76102 Р | Шариковый радиально-упорный однорядный подшипник. Детали из теплоустойчивой (быстрорежущие) стали.. | 15.00 | 32.00 | 9.00 |
| 4-36102-КЕШ3 | Шариковый радиально-упорный сдвоенный подшипник. «Замок» (скос) на внутреннем кольце плюс массивный сепаратор из текстолита. Сепаратор из текстолита.. Нормы шумности. | 15.00 | 32.00 | 9.00 |
| W 6002-2RZ | Шариковый радиальный подшипник. Шарикоподшипник. С уплотнением и низким коэффициентом трения с обеих сторон. Уплотнение состоит из шайбы из листовой стали с вулканизированной резиной. Нержавеющая сталь. | 15.00 | 32.00 | 9.00 |
| 6-6102 Е | Шариковый радиально-упорный однорядный подшипник. Сепаратор из текстолита.. | 15.00 | 32.00 | 9.00 |
| 6102-Е | Шариковый радиально-упорный однорядный подшипник. Сепаратор из текстолита.. | 15.00 | 32.00 | 9.00 |
| 4-36102-КЕ | Шариковый радиально-упорный сдвоенный подшипник. «Замок» (скос) на внутреннем кольце плюс массивный сепаратор из текстолита. Сепаратор из текстолита.. | 15.00 | 32.00 | 9.00 |
| 46102К | Шариковый радиально-упорный однорядный подшипник. «Замок» (скос) на внутреннем кольце плюс массивный сепаратор из текстолита. | 15.00 | 32.00 | 9.00 |
| 5-36102 КЕ | Шариковый радиально-упорный однорядный подшипник. «Замок» (скос) на внутреннем кольце плюс массивный сепаратор из текстолита. Сепаратор из текстолита.. | 15.00 | 32.00 | 9.00 |
| 5-6102 Е | Шариковый радиально-упорный однорядный подшипник. Сепаратор из текстолита.. | 15.00 | 32.00 | 9.00 |
| 5-6102 Е3 | Шариковый радиально-упорный однорядный подшипник. Сепаратор из пластических материалов.. | 15.00 | 32.00 | 9.00 |
Способы доставки
Отправка через ведущие транспортные и курьерские компании: ПЭК, Деловые Линии, СДЭК, Байкал-Сервис, Энергия, КИТ, ЖелДорЭкспедиция.
Самовывоз возможен напрямую со склада в Москве.
Сроки доставки
Срок зависит от региона и выбранной транспортной компании. Все заказы комплектуются и отправляются в кратчайшие сроки со склада в Москве.
Надёжность и сохранность
Вся продукция упаковывается с учётом требований транспортировки. Мы гарантируем, что подшипники и комплектующие прибудут к заказчику в полной сохранности.
Доставка в страны ЕАЭС
Мы работаем с проверенными логистическими партнёрами, что позволяет оперативно доставлять заказы в Беларусь, Казахстан, Армению и другие страны ЕАЭС.
Варианты оплаты:
Минимальная сумма заказа и скидки:
Документы и гарантии:
Да, конечно! Наши технические специалисты готовы помочь вам с подбором точного аналога или замены подшипника. Просто позвоните нам по телефону +7 (495) 104-99-04 или напишите на почту zakaz@podsnab.ru.
Для оперативной консультации подготовьте, пожалуйста, имеющиеся данные: маркировку, размеры, тип оборудования или артикул старого подшипника.
Да, конечно! Мы высоко ценим долгосрочное сотрудничество и доверие клиентов по всей России. Для постоянных клиентов действует персональная система скидок.
Условия формируются индивидуально и зависят от:
Чтобы узнать свои условия и получить максимально выгодное предложение, свяжитесь с персональным менеджером или напишите нам на почту zakaz@podsnab.ru.
Вы можете оформить заказ несколькими способами:
Для оформления заказа от юридического лица свяжитесь с нашим отделом по работе с корпоративными клиентами по телефону +7 (495) 104-99-04 или напишите на email zakaz@podsnab.ru, прикрепив реквизиты вашей организации.
Мы оперативно подготовим коммерческое предложение и выставим счет.
Возврат товара надлежащего качества возможен в течение 10 дней с момента получения, если товар не был в употреблении, сохранен товарный вид, упаковка не вскрывалась и присутствуют все сопроводительные документы.
Возврат денежных средств осуществляется в течение 10 рабочих дней после проверки товара складом.
В соответствии с законодательством возврату не подлежат подшипники надлежащего качества, если отсутствует оригинальная упаковка или имеются следы монтажа.
В случае выявления брака или гарантийного случая мы гарантируем возврат или обмен товара.
Да, гарантийный срок хранения устанавливается заводом-изготовителем и в среднем составляет 2 года при соблюдении условий хранения: сухое помещение, оригинальная упаковка и смазка.
Точный срок для конкретного типа подшипника уточняйте у наших менеджеров.
Пн–Пт: с 8:00 до 17:00 (МСК).
Сб–Вс: выходные дни.
Заказы на сайте принимаются круглосуточно. Заявки, поступившие после окончания рабочего дня, обрабатываются на следующий рабочий день.
Минимальная сумма заказа для доставки составляет 3000 рублей. Самовывоз со склада возможен на любую сумму при наличии товара.
ООО «УралТехГрупп»
ИНН: 7415093830
КПП: 772401001
ОГРН: 1167456069021
Банк: ПАО Сбербанк
Р/с: 40702810838000475273
К/с: 30101810400000000225
БИК: 044525225
У подшипника 102-К пока нет отзывов. Вы можете стать первым покупателем, поделившимся своим мнением.