Поиск подшипника
Статьи
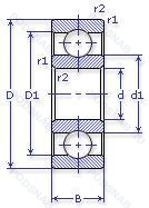
105-Л — Шариковый радиальный однорядный подшипник, модификация основного исполнения 105, производство ГПЗ.
Размер подшипника: 25x47x12 мм.
Сепаратор из латуни.
Аналоги: 6005MA.
Государственный стандарт ГОСТ
105Л
В наличии
| Обозначение | Конструктивные изменения |
|---|---|
| 6-105 АШ1 | Повышенная грузоподъемность. Нормы шумности. |
| 6-105 АШ | Повышенная грузоподъемность. Нормы шумности. |
| 6-105 Ш1 | Нормы шумности. |
| 75-105 АШ2 | Нормы шумности. Повышенная грузоподъемность. |
| 76-105 АШ1 | Повышенная грузоподъемность. Нормы шумности. |
| 76-105 АШ | Повышенная грузоподъемность. Нормы шумности. |
| 76-105 Ш1 | Нормы шумности. |
| 70-105 ЛТ2 | Сепаратор из латуни.. 200°. Температура отпуска. |
| 105-А | Повышенная грузоподъемность. |
| 105-Т2 | 200°. Температура отпуска. |
| 105-ЮТ | Температура отпуска. 160°. Все детали или часть деталей из нержавеющей стали.. |
| 105-1000094-ЮТ | Температура отпуска. 160°. Все детали или часть деталей из нержавеющей стали.. |
| 105-1840083-ЮТ | Температура отпуска. 160°. Все детали или часть деталей из нержавеющей стали.. |
| 105-2000083-Ю5Т | Температура отпуска. 160°. Все детали или часть деталей из нержавеющей стали.. |
| 105-2000154-ЮТ | Температура отпуска. 160°. Все детали или часть деталей из нержавеющей стали.. |
| 105-80023-ЮТ | Температура отпуска. 160°. Все детали или часть деталей из нержавеющей стали.. |
| 105-80023-ЮТП | Температура отпуска. 160°. Все детали или часть деталей из нержавеющей стали.. |
| 36-105 Р1 | Детали из теплоустойчивой (быстрорежущие) стали.. |
| 36-105 ЮТ | Температура отпуска. 160°. Все детали или часть деталей из нержавеющей стали.. |
| 6-105 А | Повышенная грузоподъемность. |
| 6-105 Б | Сепаратор из безоловянистой бронзы.. |
| 6-105 Л | Сепаратор из латуни.. |
| 6-105 ЛТ2 | Сепаратор из латуни.. 200°. Температура отпуска. |
| 6-105 Р1 | Детали из теплоустойчивой (быстрорежущие) стали.. |
| 6-105 ЮТ | Температура отпуска. 160°. Все детали или часть деталей из нержавеющей стали.. |
Модификации шарикового подшипника 105-Л — это измененное основное конструктивное исполнение 105, основные размеры (25x47x12) не отличаются.
| Обозначение | Гост | Конструктивные особенности |
|---|---|---|
| 6005MA | ISO | Механически обработанный латунный сепаратор. Центрирование по внешнему кольцу. |
| EC-6005LLU | ISO | Контактное резиновое уплотнение с двух сторон. Подшипник с компенсацией теплового расширения для общего применения. |
| F-6005J1LLU | ISO | Штампованный стальной сепаратор. Шариковые подшипники из нержавеющей стали. Двухкромочное нитриловое контактное уплотнение. |
| BB1-0266C | ISO | 15° Угол контакта. |
| AB40082 | ISO | Однорядный радиально-упорный шариковый подшипник с полиамидным сепаратором. |
| AB41327 | ISO | Однорядный радиально-упорный шариковый подшипник с полиамидным сепаратором. |
| AB41644 | ISO | Однорядный радиально-упорный шариковый подшипник с полиамидным сепаратором. |
| 9105K | ISO | Коническое отверстие. Конусность 1/12. |
| 9105P | ISO | Сеаратор из литого полиамида 6.6. армированного стекловолокном. |
| 9105KD | ISO | Компоненты с покрытием Protect A имеют суффикс - KD. Protect A - это покрытие из чистого хрома с колончатой структурой поверхности. При использовании Protect A каретки с покрытием и направляющие с покрытием должны всегда комбинироваться. Если каретки с покрытием используются с направляющими без покрытия. например. это приведет к уменьшению преднатяга.. |
| 9105KDD | ISO | Защитные металлические шайбы по обе стороны подшипника с цилиндрическим наружным диаметром. |
| P6005-SB | ISO | Double Row. Angular Contact. Non-Filling Notch Bearing. With Outwardly Convergent Угол контактаs. Rigid Design. |
| P6005-GB | ISO | Подшипник для универсального монтажа. Два подшипника. установленные по О-образной или Х-образной схеме. имеют средний преднатяг. |
| S6005-2Z | ISO | Защитные металлические шайбы с обеих сторон подшипника. |
| 3NC 7005 FT | ISO | REINFORCED PHENOLIC CAGE. |
| 3NCHAC005CA | ISO | Угол контакта 20 градусов. Латунный сепаратор с симметричными роликами. |
| 3NCHAC005C | ISO | Угол контакта 20 градусов. |
| 180105-А | ГОСТ | Повышенная грузоподъемность. |
| 180105-С9 | ГОСТ | Смазка ЛЗ-31. |
| 36-905 Р1 | ГОСТ | Детали из теплоустойчивой (быстрорежущие) стали.. |
| 5-180105-С17 | ГОСТ | Смазка Литол-24. |
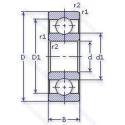
Аналог шарикового подшипника 105-Л — это подшипник такого же размера dx25,Dx47,Bx12, типа и конструкции.
| Обозначение | Конструктивные особенности | Внутренний (d) | Наружный (D) | Ширина (B) |
|---|---|---|---|---|
| 36105К6 | Шариковый радиально-упорный однорядный подшипник. «Замок» (скос) на внутреннем кольце. | 25.00 | 47.00 | 12.00 |
| 36105К7 | Шариковый радиально-упорный однорядный подшипник. «Замок» (скос) на внутреннем кольце. | 25.00 | 47.00 | 12.00 |
| 2-36105-Е | Шариковый радиально-упорный сдвоенный подшипник. Сепаратор из текстолита.. | 25.00 | 47.00 | 12.00 |
| 4-36105-К | Шариковый радиально-упорный сдвоенный подшипник. «Замок» (скос) на внутреннем кольце плюс массивный сепаратор из текстолита. | 25.00 | 47.00 | 12.00 |
| 4-46105-Е | Шариковый радиально-упорный сдвоенный подшипник. Сепаратор из текстолита.. | 25.00 | 47.00 | 12.00 |
| 6005 NR | Шариковый радиальный подшипник. Канавка под стопорное кольцо на наружном кольце с соответствующим стопорным кольцом. | 25.00 | 47.00 | 12.00 |
| 6005-RSL | Шариковый радиальный подшипник. Sheet Steel Reinforced Low Friction Contact Seal Of Acrylonitrile-Butadiene Rubber (NBR) On One Side Of The Bearing. | 25.00 | 47.00 | 12.00 |
| W 6005-2RZ | Шариковый радиальный подшипник. Шарикоподшипник. С уплотнением и низким коэффициентом трения с обеих сторон. Уплотнение состоит из шайбы из листовой стали с вулканизированной резиной. Нержавеющая сталь. | 25.00 | 47.00 | 12.00 |
| 1105-Б | Шариковый радиальный двухрядный подшипник. Сепаратор из безоловянистой бронзы.. | 25.00 | 47.00 | 12.00 |
| 6-36105 Е | Шариковый радиально-упорный однорядный подшипник. Сепаратор из текстолита.. | 25.00 | 47.00 | 12.00 |
| 6-46105 Е | Шариковый радиально-упорный однорядный подшипник. Сепаратор из текстолита.. | 25.00 | 47.00 | 12.00 |
| 4-36105-КЕ | Шариковый радиально-упорный сдвоенный подшипник. «Замок» (скос) на внутреннем кольце плюс массивный сепаратор из текстолита. Сепаратор из текстолита.. | 25.00 | 47.00 | 12.00 |
| 46105К | Шариковый радиально-упорный однорядный подшипник. «Замок» (скос) на внутреннем кольце плюс массивный сепаратор из текстолита. | 25.00 | 47.00 | 12.00 |
| 5-36105-К | Шариковый радиально-упорный однорядный подшипник. «Замок» (скос) на внутреннем кольце плюс массивный сепаратор из текстолита. | 25.00 | 47.00 | 12.00 |
| 5-36105-КЕ | Шариковый радиально-упорный однорядный подшипник. «Замок» (скос) на внутреннем кольце плюс массивный сепаратор из текстолита. Сепаратор из текстолита.. | 25.00 | 47.00 | 12.00 |
Способы доставки
Отправка через ведущие транспортные и курьерские компании: ПЭК, Деловые Линии, СДЭК, Байкал-Сервис, Энергия, КИТ, ЖелДорЭкспедиция.
Самовывоз возможен напрямую со склада в Москве.
Сроки доставки
Срок зависит от региона и выбранной транспортной компании. Все заказы комплектуются и отправляются в кратчайшие сроки со склада в Москве.
Надёжность и сохранность
Вся продукция упаковывается с учётом требований транспортировки. Мы гарантируем, что подшипники и комплектующие прибудут к заказчику в полной сохранности.
Доставка в страны ЕАЭС
Мы работаем с проверенными логистическими партнёрами, что позволяет оперативно доставлять заказы в Беларусь, Казахстан, Армению и другие страны ЕАЭС.
Варианты оплаты:
Минимальная сумма заказа и скидки:
Документы и гарантии:
Да, конечно! Наши технические специалисты готовы помочь вам с подбором точного аналога или замены подшипника. Просто позвоните нам по телефону +7 (495) 104-99-04 или напишите на почту zakaz@podsnab.ru.
Для оперативной консультации подготовьте, пожалуйста, имеющиеся данные: маркировку, размеры, тип оборудования или артикул старого подшипника.
Да, конечно! Мы высоко ценим долгосрочное сотрудничество и доверие клиентов по всей России. Для постоянных клиентов действует персональная система скидок.
Условия формируются индивидуально и зависят от:
Чтобы узнать свои условия и получить максимально выгодное предложение, свяжитесь с персональным менеджером или напишите нам на почту zakaz@podsnab.ru.
Вы можете оформить заказ несколькими способами:
Для оформления заказа от юридического лица свяжитесь с нашим отделом по работе с корпоративными клиентами по телефону +7 (495) 104-99-04 или напишите на email zakaz@podsnab.ru, прикрепив реквизиты вашей организации.
Мы оперативно подготовим коммерческое предложение и выставим счет.
Возврат товара надлежащего качества возможен в течение 10 дней с момента получения, если товар не был в употреблении, сохранен товарный вид, упаковка не вскрывалась и присутствуют все сопроводительные документы.
Возврат денежных средств осуществляется в течение 10 рабочих дней после проверки товара складом.
В соответствии с законодательством возврату не подлежат подшипники надлежащего качества, если отсутствует оригинальная упаковка или имеются следы монтажа.
В случае выявления брака или гарантийного случая мы гарантируем возврат или обмен товара.
Да, гарантийный срок хранения устанавливается заводом-изготовителем и в среднем составляет 2 года при соблюдении условий хранения: сухое помещение, оригинальная упаковка и смазка.
Точный срок для конкретного типа подшипника уточняйте у наших менеджеров.
Пн–Пт: с 8:00 до 17:00 (МСК).
Сб–Вс: выходные дни.
Заказы на сайте принимаются круглосуточно. Заявки, поступившие после окончания рабочего дня, обрабатываются на следующий рабочий день.
Минимальная сумма заказа для доставки составляет 3000 рублей. Самовывоз со склада возможен на любую сумму при наличии товара.
ООО «УралТехГрупп»
ИНН: 7415093830
КПП: 772401001
ОГРН: 1167456069021
Банк: ПАО Сбербанк
Р/с: 40702810838000475273
К/с: 30101810400000000225
БИК: 044525225
У подшипника 105-Л пока нет отзывов. Вы можете стать первым покупателем, поделившимся своим мнением.