Поиск подшипника
Статьи
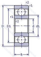
120-А — Шариковый радиальный однорядный подшипник, модификация основного исполнения 120, производство ГПЗ.
Размер подшипника: 100x150x24 мм.
Повышенная грузоподъемность.
Аналоги: 6020.
Государственный стандарт ГОСТ
120А
В наличии
| Обозначение | Конструктивные изменения |
|---|---|
| 5120 | Шариковый радиальный однорядный подшипник. |
| 6ОК-120 | Шариковый радиальный однорядный подшипник. |
| 6-120 АШ | Повышенная грузоподъемность. Нормы шумности. |
| 8-120 А | Повышенная грузоподъемность. |
| 6-120 АЛШ1 | Сепаратор из латуни.. Повышенная грузоподъемность. Нормы шумности. |
| 6-120 АШ1 | Повышенная грузоподъемность. Нормы шумности. |
| 6-120 Ш | Нормы шумности. |
| 7120 | Шариковый радиальный однорядный подшипник. |
| 7-120 ОК | Шариковый радиальный однорядный подшипник. |
| 70120 | Шариковый радиальный однорядный подшипник. |
| 120 | Шариковый радиальный однорядный подшипник. Основное конструктивное исполнение. |
| 120-А2 | Повышенная грузоподъемность. |
| 6120 | Шариковый радиальный однорядный подшипник. |
| 6-120 А | Повышенная грузоподъемность. |
| 6-120 А2 | Повышенная грузоподъемность. |
| 6-120 АЛ | Сепаратор из латуни.. Повышенная грузоподъемность. |
| 6-120 АЛ1 | Сепаратор из латуни.. Повышенная грузоподъемность. |
| 6-120 ОК | «Замок» (скос) на внутреннем кольце плюс массивный сепаратор из текстолита. |
Модификации шарикового подшипника 120-А — это измененное основное конструктивное исполнение 120, основные размеры (100x150x24) не отличаются.
| Обозначение | Гост | Конструктивные особенности |
|---|---|---|
| 6020 | ISO | Шариковый радиальный однорядный подшипник. |
| 6020 | ГОСТ | Шариковый радиальный однорядный подшипник. |
| 60120-Л | ГОСТ | Сепаратор из латуни.. |
| 7-60120 К | ГОСТ | «Замок» (скос) на внутреннем кольце плюс массивный сепаратор из текстолита. |
| 70-60120 К | ГОСТ | «Замок» (скос) на внутреннем кольце плюс массивный сепаратор из текстолита. |
| 70-80120 АС23 | ГОСТ | Повышенная грузоподъемность. Смазка ШРУС-4. |
| 6020LLB | ISO | Уплотнение бесконтактного типа из синтетического каучука. |
| 6020LU | ISO | Двухкромочное нитриловое контактное уплотнение. |
| 6020ZZNR | ISO | Стальная шайба. Канавка и стопорное кольцо на наружном кольце. |
| 6020-2Z/VA208 | ISO | Защитные металлические шайбы с обеих сторон подшипника. Подшипник для применения при высоких температурах, подходит для 350°C (графитовый сепаратор) и 100 об/мин. |
| 9120NPP | ISO | Манжетные уплотнения с обеих сторон (Тип P — две шайбы из оцинкованной листовой стали с промежуточной частью из NBR. Кромка уплотнения предварительно нагружена в осевом направлении). |
| 9120K | ISO | Коническое отверстие. Конусность 1/12. |
| 9120KD | ISO | Компоненты с покрытием Protect A имеют суффикс - KD. Protect A - это покрытие из чистого хрома с колончатой структурой поверхности. При использовании Protect A каретки с покрытием и направляющие с покрытием должны всегда комбинироваться. Если каретки с покрытием используются с направляющими без покрытия. например. это приведет к уменьшению преднатяга.. |
| 3NC HAR020C FT | ISO | Угол контакта 20 градусов. REINFORCED PHENOLIC CAGE. |
| 3NCHAC020C | ISO | Угол контакта 20 градусов. |
| 3NCHAD020CA | ISO | Угол контакта 20 градусов. Латунный сепаратор с симметричными роликами. |
| 3NCHAC020CA | ISO | Угол контакта 20 градусов. Латунный сепаратор с симметричными роликами. |
| 3NCHAR020CA | ISO | Угол контакта 20 градусов. Латунный сепаратор с симметричными роликами. |
| 3NCHAF020CA | ISO | Угол контакта 20 градусов. Латунный сепаратор с симметричными роликами. |
| 3NCHAR020 | ISO | Угол контакта 20 градусов. |
| 3NCHAR020C | ISO | Угол контакта 20 градусов. |
| 180120-А | ГОСТ | Повышенная грузоподъемность. |
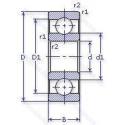
Аналог шарикового подшипника 120-А — это подшипник такого же размера dx100,Dx150,Bx24, типа и конструкции.
| Обозначение | Конструктивные особенности | Внутренний (d) | Наружный (D) | Ширина (B) |
|---|---|---|---|---|
| SC7020 FB/P7 | Шариковый радиальный подшипник. Точность размеров соответствует классу ISO 4. Точность хода лучше. чем ISO Class 4. 18° Угол контакта. High Speed Design. | 100.00 | 150.00 | 24.00 |
| 6-32120 Л | Роликовый радиальный однорядный подшипник. Сепаратор из латуни.. | 100.00 | 150.00 | 24.00 |
| 6-46120 А | Шариковый радиально-упорный однорядный подшипник. Повышенная грузоподъемность. | 100.00 | 150.00 | 24.00 |
| 6-46120 АЛ | Шариковый радиально-упорный однорядный подшипник. Сепаратор из латуни.. Повышенная грузоподъемность. | 100.00 | 150.00 | 24.00 |
| 6-46120 Е | Шариковый радиально-упорный однорядный подшипник. Сепаратор из текстолита.. | 100.00 | 150.00 | 24.00 |
| 6-46120 Л | Шариковый радиально-упорный однорядный подшипник. Сепаратор из латуни.. | 100.00 | 150.00 | 24.00 |
| 46120-А | Шариковый радиально-упорный однорядный подшипник. Повышенная грузоподъемность. | 100.00 | 150.00 | 24.00 |
| 46120-АЕ | Шариковый радиально-упорный однорядный подшипник. Сепаратор из текстолита.. Повышенная грузоподъемность. | 100.00 | 150.00 | 24.00 |
| 46120-АЛ | Шариковый радиально-упорный однорядный подшипник. Сепаратор из латуни.. Повышенная грузоподъемность. | 100.00 | 150.00 | 24.00 |
| 46120-Л | Шариковый радиально-упорный однорядный подшипник. Сепаратор из латуни.. | 100.00 | 150.00 | 24.00 |
| 46120-Е5 | Шариковый радиально-упорный однорядный подшипник. Сепаратор из текстолита.. | 100.00 | 150.00 | 24.00 |
| 46120К | Шариковый радиально-упорный однорядный подшипник. «Замок» (скос) на внутреннем кольце плюс массивный сепаратор из текстолита. | 100.00 | 150.00 | 24.00 |
| 5-36120 К | Шариковый радиально-упорный однорядный подшипник. «Замок» (скос) на внутреннем кольце плюс массивный сепаратор из текстолита. | 100.00 | 150.00 | 24.00 |
| 5-46120 К | Шариковый радиально-упорный однорядный подшипник. «Замок» (скос) на внутреннем кольце плюс массивный сепаратор из текстолита. | 100.00 | 150.00 | 24.00 |
| 5-46120 Л | Шариковый радиально-упорный однорядный подшипник. Сепаратор из латуни.. | 100.00 | 150.00 | 24.00 |
Способы доставки
Отправка через ведущие транспортные и курьерские компании: ПЭК, Деловые Линии, СДЭК, Байкал-Сервис, Энергия, КИТ, ЖелДорЭкспедиция.
Самовывоз возможен напрямую со склада в Москве.
Сроки доставки
Срок зависит от региона и выбранной транспортной компании. Все заказы комплектуются и отправляются в кратчайшие сроки со склада в Москве.
Надёжность и сохранность
Вся продукция упаковывается с учётом требований транспортировки. Мы гарантируем, что подшипники и комплектующие прибудут к заказчику в полной сохранности.
Доставка в страны ЕАЭС
Мы работаем с проверенными логистическими партнёрами, что позволяет оперативно доставлять заказы в Беларусь, Казахстан, Армению и другие страны ЕАЭС.
Варианты оплаты:
Минимальная сумма заказа и скидки:
Документы и гарантии:
Да, конечно! Наши технические специалисты готовы помочь вам с подбором точного аналога или замены подшипника. Просто позвоните нам по телефону +7 (495) 104-99-04 или напишите на почту zakaz@podsnab.ru.
Для оперативной консультации подготовьте, пожалуйста, имеющиеся данные: маркировку, размеры, тип оборудования или артикул старого подшипника.
Да, конечно! Мы высоко ценим долгосрочное сотрудничество и доверие клиентов по всей России. Для постоянных клиентов действует персональная система скидок.
Условия формируются индивидуально и зависят от:
Чтобы узнать свои условия и получить максимально выгодное предложение, свяжитесь с персональным менеджером или напишите нам на почту zakaz@podsnab.ru.
Вы можете оформить заказ несколькими способами:
Для оформления заказа от юридического лица свяжитесь с нашим отделом по работе с корпоративными клиентами по телефону +7 (495) 104-99-04 или напишите на email zakaz@podsnab.ru, прикрепив реквизиты вашей организации.
Мы оперативно подготовим коммерческое предложение и выставим счет.
Возврат товара надлежащего качества возможен в течение 10 дней с момента получения, если товар не был в употреблении, сохранен товарный вид, упаковка не вскрывалась и присутствуют все сопроводительные документы.
Возврат денежных средств осуществляется в течение 10 рабочих дней после проверки товара складом.
В соответствии с законодательством возврату не подлежат подшипники надлежащего качества, если отсутствует оригинальная упаковка или имеются следы монтажа.
В случае выявления брака или гарантийного случая мы гарантируем возврат или обмен товара.
Да, гарантийный срок хранения устанавливается заводом-изготовителем и в среднем составляет 2 года при соблюдении условий хранения: сухое помещение, оригинальная упаковка и смазка.
Точный срок для конкретного типа подшипника уточняйте у наших менеджеров.
Пн–Пт: с 8:00 до 17:00 (МСК).
Сб–Вс: выходные дни.
Заказы на сайте принимаются круглосуточно. Заявки, поступившие после окончания рабочего дня, обрабатываются на следующий рабочий день.
Минимальная сумма заказа для доставки составляет 3000 рублей. Самовывоз со склада возможен на любую сумму при наличии товара.
ООО «УралТехГрупп»
ИНН: 7415093830
КПП: 772401001
ОГРН: 1167456069021
Банк: ПАО Сбербанк
Р/с: 40702810838000475273
К/с: 30101810400000000225
БИК: 044525225
У подшипника 120-А пока нет отзывов. Вы можете стать первым покупателем, поделившимся своим мнением.