Поиск подшипника
Статьи
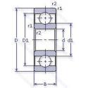
2-222-Е1 — Шариковый радиальный однорядный подшипник, модификация основного исполнения 222, производство ГПЗ.
Размер подшипника: 110x200x38 мм.
Сепаратор из текстолита.
Аналоги: 6222TAP2.
Государственный стандарт ГОСТ
2222Е1
В наличии
| Обозначение | Конструктивные изменения |
|---|---|
| 8-222 Л | Сепаратор из латуни.. |
| Т-222 | 200°. Температура отпуска. |
| 5-222 Е1 | Сепаратор из текстолита.. |
| 8-222 Е1 | Сепаратор из текстолита.. |
| 222-А | Повышенная грузоподъемность. |
| 5-222 АШ2 | Нормы шумности. Повышенная грузоподъемность. |
| 6-222 АЛШ1 | Сепаратор из латуни.. Повышенная грузоподъемность. Нормы шумности. |
| 6-222 АЛШ | Сепаратор из латуни.. Повышенная грузоподъемность. Нормы шумности. |
| 6-222 АШ1 | Повышенная грузоподъемность. Нормы шумности. |
| 6-222 АШ | Повышенная грузоподъемность. Нормы шумности. |
| 75-222 АШ2 | Нормы шумности. Повышенная грузоподъемность. |
| 76-222 АШ1 | Повышенная грузоподъемность. Нормы шумности. |
| 6222 | Шариковый радиальный однорядный подшипник. |
| 6-222 Л | Сепаратор из латуни.. |
| 66-222 Л | Сепаратор из латуни.. |
| 76-222 Л | Сепаратор из латуни.. |
| 222 | Шариковый радиальный однорядный подшипник. Основное конструктивное исполнение. |
| 2-222-Л | Сепаратор из латуни.. |
| 222-АЛ | Сепаратор из латуни.. Повышенная грузоподъемность. |
| 222-Е1 | Сепаратор из текстолита.. |
| 222-К | «Замок» (скос) на внутреннем кольце плюс массивный сепаратор из текстолита. |
| 222-Л | Сепаратор из латуни.. |
| 4-222 Е1 | Сепаратор из текстолита.. |
| 4-222 Л | Сепаратор из латуни.. |
| 5-222 Л | Сепаратор из латуни.. |
Модификации шарикового подшипника 2-222-Е1 — это измененное основное конструктивное исполнение 222, основные размеры (110x200x38) не отличаются.
| Обозначение | Гост | Конструктивные особенности |
|---|---|---|
| 80222-К1 | ГОСТ | «Замок» (скос) на внутреннем кольце плюс массивный сепаратор из текстолита. |
| 5-50222 Л | ГОСТ | Сепаратор из латуни.. |
| 6-80222 АL19Ш1 | ГОСТ | Lubricant. Mobil Oil Co.. Mobil 28 Grease. MIL-G-81322 High/Low Temperature -62°C/+176°C. Повышенная грузоподъемность. Нормы шумности. |
| 6-80222 АL19Ш | ГОСТ | Lubricant. Mobil Oil Co.. Mobil 28 Grease. MIL-G-81322 High/Low Temperature -62°C/+176°C. Повышенная грузоподъемность. Нормы шумности. |
| 6-80222 АW24Ш1 | ГОСТ | Повышенная грузоподъемность. Нормы шумности. Смазка пластичная Shell Alvania Greases G2. |
| 6-80222 АW24Ш | ГОСТ | Повышенная грузоподъемность. Нормы шумности. Смазка пластичная Shell Alvania Greases G2. |
| 6222-RS | ISO | Резиновое уплотнение с одной стороны. |
| 6222-2RU | ISO | Non Contact Type Friction Torque = Small High Speed Performance = Good Grease Sealing = Better Than ZZ-Type Dirt Resistance = Better Than ZZ-Type Water Resistance = Better Than ZZ / Inferior To 2RS Operating Temp. -30°C To + 100°C. |
| 6222ZX | ISO | Съемная защитная шайба с одной стороны. |
| 6222VV | ISO | Защитные металлические шайбы. с обеих сторон подшипника. Бесконтактное уплотнение. (лучше. чем ZZ. Можно использовать в умеренно запыленной среде). |
| 6222LU | ISO | Двухкромочное нитриловое контактное уплотнение. |
| 6222LLB | ISO | Уплотнение бесконтактного типа из синтетического каучука. |
| 6222LLUNR | ISO | Канавка и стопорное кольцо на наружном кольце. Двухкромочное нитриловое контактное уплотнение. |
| 6222-RS1 | ISO | Резиновое уплотнение с одной стороны. |
| 50222 | ГОСТ | Шариковый радиальный однорядный подшипник. |
| 60222 | ГОСТ | Шариковый радиальный однорядный подшипник. |
| 80222 | ГОСТ | Шариковый радиальный однорядный подшипник. |
| 150222 | ГОСТ | Шариковый радиальный однорядный подшипник. |
| 160222 | ГОСТ | Шариковый радиальный однорядный подшипник. |
| 180222 | ГОСТ | Шариковый радиальный однорядный подшипник. |
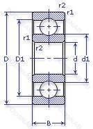
Аналог шарикового подшипника 2-222-Е1 — это подшипник такого же размера dx110,Dx200,Bx38, типа и конструкции.
| Обозначение | Конструктивные особенности | Внутренний (d) | Наружный (D) | Ширина (B) |
|---|---|---|---|---|
| 346222Л | Шариковый радиально-упорный сдвоенный подшипник. Сепаратор из латуни.. | 110.00 | 200.00 | 38.00 |
| 111222Л | Шариковый радиальный двухрядный подшипник. Сепаратор из латуни.. | 110.00 | 200.00 | 38.00 |
| 6-2222 М | Роликовый радиальный однорядный подшипник. Модифицированный контакт.. | 110.00 | 200.00 | 38.00 |
| 6-32222 Д1 | Роликовый радиальный подшипник. Сепаратор из алюминиевого сплава.. | 110.00 | 200.00 | 38.00 |
| 6-46222 Л | Шариковый радиально-упорный однорядный подшипник. Сепаратор из латуни.. | 110.00 | 200.00 | 38.00 |
| 66222-АЛ1 | Шариковый радиально-упорный однорядный подшипник. Сепаратор из латуни.. Повышенная грузоподъемность. | 110.00 | 200.00 | 38.00 |
| 70-32222 М | Роликовый радиальный однорядный подшипник. Модифицированный контакт.. | 110.00 | 200.00 | 38.00 |
| 8-116222 Б1Т2 | Шариковый радиально-упорный однорядный подшипник. 200°. Температура отпуска. Сепаратор из безоловянистой бронзы.. | 110.00 | 200.00 | 38.00 |
| 402222-КМ | Роликовый радиальный цилиндрический подшипник. Кольцевая проточка на середине цилиндрической наружной поверхности наружного кольца плюс три отверстия для смазки. Модифицированный контакт.. | 110.00 | 200.00 | 38.00 |
| 46222-Л | Шариковый радиально-упорный однорядный подшипник. Сепаратор из латуни.. | 110.00 | 200.00 | 38.00 |
| 46222К | Шариковый радиально-упорный однорядный подшипник. «Замок» (скос) на внутреннем кольце плюс массивный сепаратор из текстолита. | 110.00 | 200.00 | 38.00 |
| 5-176222 Л1Т | Шариковый радиально-упорный однорядный подшипник. Температура отпуска. 160°. Сепаратор из латуни.. | 110.00 | 200.00 | 38.00 |
| 5-176822 Б1Т | Шариковый радиально-упорный однорядный подшипник. Температура отпуска. 160°. Сепаратор из безоловянистой бронзы.. | 110.00 | 200.00 | 38.00 |
| 5-46222 Л | Шариковый радиально-упорный однорядный подшипник. Сепаратор из латуни.. | 110.00 | 200.00 | 38.00 |
| 6-116222 Б1Т2 | Шариковый радиально-упорный однорядный подшипник. 200°. Температура отпуска. Сепаратор из безоловянистой бронзы.. | 110.00 | 200.00 | 38.00 |
Способы доставки
Отправка через ведущие транспортные и курьерские компании: ПЭК, Деловые Линии, СДЭК, Байкал-Сервис, Энергия, КИТ, ЖелДорЭкспедиция.
Самовывоз возможен напрямую со склада в Москве.
Сроки доставки
Срок зависит от региона и выбранной транспортной компании. Все заказы комплектуются и отправляются в кратчайшие сроки со склада в Москве.
Надёжность и сохранность
Вся продукция упаковывается с учётом требований транспортировки. Мы гарантируем, что подшипники и комплектующие прибудут к заказчику в полной сохранности.
Доставка в страны ЕАЭС
Мы работаем с проверенными логистическими партнёрами, что позволяет оперативно доставлять заказы в Беларусь, Казахстан, Армению и другие страны ЕАЭС.
Варианты оплаты:
Минимальная сумма заказа и скидки:
Документы и гарантии:
Да, конечно! Наши технические специалисты готовы помочь вам с подбором точного аналога или замены подшипника. Просто позвоните нам по телефону +7 (495) 104-99-04 или напишите на почту zakaz@podsnab.ru.
Для оперативной консультации подготовьте, пожалуйста, имеющиеся данные: маркировку, размеры, тип оборудования или артикул старого подшипника.
Да, конечно! Мы высоко ценим долгосрочное сотрудничество и доверие клиентов по всей России. Для постоянных клиентов действует персональная система скидок.
Условия формируются индивидуально и зависят от:
Чтобы узнать свои условия и получить максимально выгодное предложение, свяжитесь с персональным менеджером или напишите нам на почту zakaz@podsnab.ru.
Вы можете оформить заказ несколькими способами:
Для оформления заказа от юридического лица свяжитесь с нашим отделом по работе с корпоративными клиентами по телефону +7 (495) 104-99-04 или напишите на email zakaz@podsnab.ru, прикрепив реквизиты вашей организации.
Мы оперативно подготовим коммерческое предложение и выставим счет.
Возврат товара надлежащего качества возможен в течение 10 дней с момента получения, если товар не был в употреблении, сохранен товарный вид, упаковка не вскрывалась и присутствуют все сопроводительные документы.
Возврат денежных средств осуществляется в течение 10 рабочих дней после проверки товара складом.
В соответствии с законодательством возврату не подлежат подшипники надлежащего качества, если отсутствует оригинальная упаковка или имеются следы монтажа.
В случае выявления брака или гарантийного случая мы гарантируем возврат или обмен товара.
Да, гарантийный срок хранения устанавливается заводом-изготовителем и в среднем составляет 2 года при соблюдении условий хранения: сухое помещение, оригинальная упаковка и смазка.
Точный срок для конкретного типа подшипника уточняйте у наших менеджеров.
Пн–Пт: с 8:00 до 17:00 (МСК).
Сб–Вс: выходные дни.
Заказы на сайте принимаются круглосуточно. Заявки, поступившие после окончания рабочего дня, обрабатываются на следующий рабочий день.
Минимальная сумма заказа для доставки составляет 3000 рублей. Самовывоз со склада возможен на любую сумму при наличии товара.
ООО «УралТехГрупп»
ИНН: 7415093830
КПП: 772401001
ОГРН: 1167456069021
Банк: ПАО Сбербанк
Р/с: 40702810838000475273
К/с: 30101810400000000225
БИК: 044525225
У подшипника 2-222-Е1 пока нет отзывов. Вы можете стать первым покупателем, поделившимся своим мнением.