Поиск подшипника
Статьи
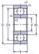
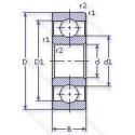
201-Е5 — Шариковый радиальный однорядный подшипник, модификация основного исполнения 201, производство ГПЗ.
Размер подшипника: 12x32x10 мм.
Сепаратор из текстолита.
Аналоги: 6201T.
Государственный стандарт ГОСТ
201Е5
В наличии
| Обозначение | Конструктивные изменения |
|---|---|
| 6-201 ЮУ | Дополнительные технические требования. Все детали или часть деталей из нержавеющей стали.. |
| 7-201 А | Повышенная грузоподъемность. |
| 7-201 АК | Повышенная грузоподъемность. |
| 7-201 АК2 | Повышенная грузоподъемность. |
| 70-201 А | Повышенная грузоподъемность. |
| 70-201 АК1 | Повышенная грузоподъемность. |
| 75-201 АК | Повышенная грузоподъемность. |
| 75-201 Б | Сепаратор из безоловянистой бронзы.. |
| 75-201 БТ2 | 200°. Температура отпуска. Сепаратор из безоловянистой бронзы.. |
| 75-201 ЕШ2 | Сепаратор из текстолита.. Нормы шумности. |
| 75-201 ЮТ | Температура отпуска. 160°. Все детали или часть деталей из нержавеющей стали.. |
| 201-А | Повышенная грузоподъемность. |
| 201-АЕ | Сепаратор из текстолита.. Повышенная грузоподъемность. |
| 201-Е | Сепаратор из текстолита.. |
| 201-К | «Замок» (скос) на внутреннем кольце плюс массивный сепаратор из текстолита. |
| 201E5 | Смазочные отверстия и канавки во внутреннем кольце. |
| 25-201 АК | Повышенная грузоподъемность. |
| 2М5-201 | Модифицированный контакт.. |
| 5-201 ЕШ2 | Сепаратор из текстолита.. Нормы шумности. |
| 5-201 МТР | Температура отпуска. 160°. Модифицированный контакт.. Детали из теплоустойчивой (быстрорежущие) стали.. |
| 5-201 Т2 | 200°. Температура отпуска. |
| 5-201 Ш | Нормы шумности. |
| 5-201 Ш2У | Дополнительные технические требования. Нормы шумности. |
| 5-201 Ю | Все детали или часть деталей из нержавеющей стали.. |
| 5-201 ЮТ | Температура отпуска. 160°. Все детали или часть деталей из нержавеющей стали.. |
Модификации шарикового подшипника 201-Е5 — это измененное основное конструктивное исполнение 201, основные размеры (12x32x10) не отличаются.
| Обозначение | Гост | Конструктивные особенности |
|---|---|---|
| 26-80201 С24 | ГОСТ | Смазка СЭДА. |
| 26-80201 Т2С2 | ГОСТ | 200°. Смазка ЦИАТИМ-221. Температура отпуска. |
| 26-80201 Т2С4 | ГОСТ | 200°. Температура отпуска. Смазка ЦИАТИМ-221С. |
| 5-180201 У1С9 | ГОСТ | Дополнительные технические требования. Смазка ЛЗ-31. |
| 5-180201 Ш2У2С9 | ГОСТ | Нормы шумности. Дополнительные технические требования. Смазка ЛЗ-31. |
| 5-60201 Т2Ш2У | ГОСТ | Дополнительные технические требования. 200°. Температура отпуска. Нормы шумности. |
| 5-80201 С2 | ГОСТ | Смазка ЦИАТИМ-221. |
| 5-80201 С9 | ГОСТ | Смазка ЛЗ-31. |
| 5-80201 С9Ш2У | ГОСТ | Дополнительные технические требования. Нормы шумности. Смазка ЛЗ-31. |
| 5-80201 Ш2УС9 | ГОСТ | Дополнительные технические требования. Нормы шумности. Смазка ЛЗ-31. |
| 6-180201 АС17 | ГОСТ | Смазка Литол-24. Повышенная грузоподъемность. |
| 6-180201 С17 | ГОСТ | Смазка Литол-24. |
| 6-180201 С9 | ГОСТ | Смазка ЛЗ-31. |
| 6-180201 С9Ш1 | ГОСТ | Нормы шумности. Смазка ЛЗ-31. |
| 6-180201 У2 | ГОСТ | Дополнительные технические требования. |
| 6-180201 У2С21 | ГОСТ | Смазка ЭРА. Дополнительные технические требования. |
| 6-180201 У2С9 | ГОСТ | Дополнительные технические требования. Смазка ЛЗ-31. |
| 6-180201 У2С9Ш1 | ГОСТ | Нормы шумности. Дополнительные технические требования. Смазка ЛЗ-31. |
| 6-180201 У3С9Ш1 | ГОСТ | Нормы шумности. Дополнительные технические требования. Смазка ЛЗ-31. |
| 6-180201 Ш1С9 | ГОСТ | Нормы шумности. Смазка ЛЗ-31. |
Аналог шарикового подшипника 201-Е5 — это подшипник такого же размера dx12,Dx32,Bx10, типа и конструкции.
| Обозначение | Конструктивные особенности | Внутренний (d) | Наружный (D) | Ширина (B) |
|---|---|---|---|---|
| 1201-У1 | Шариковый радиальный двухрядный подшипник. Дополнительные технические требования. | 12.00 | 32.00 | 10.00 |
| 1201-Ю | Шариковый радиальный двухрядный подшипник. Все детали или часть деталей из нержавеющей стали.. | 12.00 | 32.00 | 10.00 |
| 1201-ЮТ | Шариковый радиальный двухрядный подшипник. Температура отпуска. 160°. Все детали или часть деталей из нержавеющей стали.. | 12.00 | 32.00 | 10.00 |
| 1201-ЮУ | Шариковый радиальный двухрядный подшипник. Дополнительные технические требования. Все детали или часть деталей из нержавеющей стали.. | 12.00 | 32.00 | 10.00 |
| 6-36201 Е | Шариковый радиально-упорный однорядный подшипник. Сепаратор из текстолита.. | 12.00 | 32.00 | 10.00 |
| 6-36202 Е | Шариковый радиально-упорный однорядный подшипник. Сепаратор из текстолита.. | 12.00 | 32.00 | 10.00 |
| 6-46201 Ю3 | Шариковый радиально-упорный однорядный подшипник. Все детали или часть деталей из нержавеющей стали.. | 12.00 | 32.00 | 10.00 |
| S1201-2RS | Шариковый сферический двухрядный подшипник. Резиновые уплотнения с каждой стороны подшипника. | 12.00 | 32.00 | 10.00 |
| BS 212 7P62U | Шариковый упорный однорядный подшипник. Высокая осевая жесткость и грузоподъемность.. | 12.00 | 32.00 | 10.00 |
| BS 212/S 7P62U | Шариковый упорный однорядный подшипник. Запечатанная версия кулачкового ролика. Высокая осевая жесткость и грузоподъемность.. | 12.00 | 32.00 | 10.00 |
| 4-36201-КЕ | Шариковый радиально-упорный сдвоенный подшипник. «Замок» (скос) на внутреннем кольце плюс массивный сепаратор из текстолита. Сепаратор из текстолита.. | 12.00 | 32.00 | 10.00 |
| 46201К | Шариковый радиально-упорный однорядный подшипник. «Замок» (скос) на внутреннем кольце плюс массивный сепаратор из текстолита. | 12.00 | 32.00 | 10.00 |
| 5-36201 Е | Шариковый радиально-упорный однорядный подшипник. Сепаратор из текстолита.. | 12.00 | 32.00 | 10.00 |
| 5-36201 КЕ | Шариковый радиально-упорный однорядный подшипник. «Замок» (скос) на внутреннем кольце плюс массивный сепаратор из текстолита. Сепаратор из текстолита.. | 12.00 | 32.00 | 10.00 |
| 5-36202 Е | Шариковый радиально-упорный однорядный подшипник. Сепаратор из текстолита.. | 12.00 | 32.00 | 10.00 |
Способы доставки
Отправка через ведущие транспортные и курьерские компании: ПЭК, Деловые Линии, СДЭК, Байкал-Сервис, Энергия, КИТ, ЖелДорЭкспедиция.
Самовывоз возможен напрямую со склада в Москве.
Сроки доставки
Срок зависит от региона и выбранной транспортной компании. Все заказы комплектуются и отправляются в кратчайшие сроки со склада в Москве.
Надёжность и сохранность
Вся продукция упаковывается с учётом требований транспортировки. Мы гарантируем, что подшипники и комплектующие прибудут к заказчику в полной сохранности.
Доставка в страны ЕАЭС
Мы работаем с проверенными логистическими партнёрами, что позволяет оперативно доставлять заказы в Беларусь, Казахстан, Армению и другие страны ЕАЭС.
Варианты оплаты:
Минимальная сумма заказа и скидки:
Документы и гарантии:
Да, конечно! Наши технические специалисты готовы помочь вам с подбором точного аналога или замены подшипника. Просто позвоните нам по телефону +7 (495) 104-99-04 или напишите на почту zakaz@podsnab.ru.
Для оперативной консультации подготовьте, пожалуйста, имеющиеся данные: маркировку, размеры, тип оборудования или артикул старого подшипника.
Да, конечно! Мы высоко ценим долгосрочное сотрудничество и доверие клиентов по всей России. Для постоянных клиентов действует персональная система скидок.
Условия формируются индивидуально и зависят от:
Чтобы узнать свои условия и получить максимально выгодное предложение, свяжитесь с персональным менеджером или напишите нам на почту zakaz@podsnab.ru.
Вы можете оформить заказ несколькими способами:
Для оформления заказа от юридического лица свяжитесь с нашим отделом по работе с корпоративными клиентами по телефону +7 (495) 104-99-04 или напишите на email zakaz@podsnab.ru, прикрепив реквизиты вашей организации.
Мы оперативно подготовим коммерческое предложение и выставим счет.
Возврат товара надлежащего качества возможен в течение 10 дней с момента получения, если товар не был в употреблении, сохранен товарный вид, упаковка не вскрывалась и присутствуют все сопроводительные документы.
Возврат денежных средств осуществляется в течение 10 рабочих дней после проверки товара складом.
В соответствии с законодательством возврату не подлежат подшипники надлежащего качества, если отсутствует оригинальная упаковка или имеются следы монтажа.
В случае выявления брака или гарантийного случая мы гарантируем возврат или обмен товара.
Да, гарантийный срок хранения устанавливается заводом-изготовителем и в среднем составляет 2 года при соблюдении условий хранения: сухое помещение, оригинальная упаковка и смазка.
Точный срок для конкретного типа подшипника уточняйте у наших менеджеров.
Пн–Пт: с 8:00 до 17:00 (МСК).
Сб–Вс: выходные дни.
Заказы на сайте принимаются круглосуточно. Заявки, поступившие после окончания рабочего дня, обрабатываются на следующий рабочий день.
Минимальная сумма заказа для доставки составляет 3000 рублей. Самовывоз со склада возможен на любую сумму при наличии товара.
ООО «УралТехГрупп»
ИНН: 7415093830
КПП: 772401001
ОГРН: 1167456069021
Банк: ПАО Сбербанк
Р/с: 40702810838000475273
К/с: 30101810400000000225
БИК: 044525225
У подшипника 201-Е5 пока нет отзывов. Вы можете стать первым покупателем, поделившимся своим мнением.