Поиск подшипника
Статьи
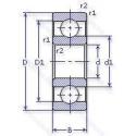
203-К — Шариковый радиальный однорядный подшипник, модификация основного исполнения 203, производство ГПЗ.
Размер подшипника: 17x40x12 мм.
«замок» (скос) на внутреннем кольце плюс массивный сепаратор из текстолита.
Государственный стандарт ГОСТ
203К
В наличии
| Обозначение | Конструктивные изменения |
|---|---|
| 203-Е5 | Сепаратор из текстолита.. |
| 203-Ш | Нормы шумности. |
| 203-Ю | Все детали или часть деталей из нержавеющей стали.. |
| 203E5 | Смазочные отверстия и канавки во внутреннем кольце. |
| 25-203 Б | Сепаратор из безоловянистой бронзы.. |
| 25-203 ЮТ | Температура отпуска. 160°. Все детали или часть деталей из нержавеющей стали.. |
| 2В0-203 А | Повышенная грузоподъемность. |
| 2В0-203 А1 | Повышенная грузоподъемность. |
| 35-203 БТ | Температура отпуска. 160°. Сепаратор из безоловянистой бронзы.. |
| 35-203 Ю5П | Все детали или часть деталей из нержавеющей стали.. |
| 35-203 Ю7 | Все детали или часть деталей из нержавеющей стали.. |
| 35-203 Ю7П | Все детали или часть деталей из нержавеющей стали.. |
| 35-203 Ю7Т | Температура отпуска. 160°. Все детали или часть деталей из нержавеющей стали.. |
| 36-203 Ю | Все детали или часть деталей из нержавеющей стали.. |
| 5-203 Б | Сепаратор из безоловянистой бронзы.. |
| 5-203 БТ | Температура отпуска. 160°. Сепаратор из безоловянистой бронзы.. |
| 5-203 БТ2 | 200°. Температура отпуска. Сепаратор из безоловянистой бронзы.. |
| 5-203 ЕШ2 | Сепаратор из текстолита.. Нормы шумности. |
| 5-203 Р2 | Детали из теплоустойчивой (быстрорежущие) стали.. |
| 5-203 Р2У | Дополнительные технические требования. Детали из теплоустойчивой (быстрорежущие) стали.. |
| 5-203 Т2 | 200°. Температура отпуска. |
| 5-203 Ш | Нормы шумности. |
| 5-203 Ш2У | Дополнительные технические требования. Нормы шумности. |
| 5-203 Ю | Все детали или часть деталей из нержавеющей стали.. |
| 5-203 Ю1 | Все детали или часть деталей из нержавеющей стали.. |
Модификации шарикового подшипника 203-К — это измененное основное конструктивное исполнение 203, основные размеры (17x40x12) не отличаются.
| Обозначение | Гост | Конструктивные особенности |
|---|---|---|
| 2В0-80203 А1С17 | ГОСТ | Смазка Литол-24. Повышенная грузоподъемность. |
| 2В0-80203 АС17 | ГОСТ | Смазка Литол-24. Повышенная грузоподъемность. |
| 35-180203 С1 | ГОСТ | Смазка ОКБ 122-7. |
| 36-80203 С1 | ГОСТ | Смазка ОКБ 122-7. |
| 380203-А | ГОСТ | Повышенная грузоподъемность. |
| 380203-АС9 | ГОСТ | Повышенная грузоподъемность. Смазка ЛЗ-31. |
| 5-180203 С1 | ГОСТ | Смазка ОКБ 122-7. |
| 5-180203 С25 | ГОСТ | Смазка ИНДА. |
| 5-180203 С4 | ГОСТ | Смазка ЦИАТИМ-221С. |
| 5-180203 УС1 | ГОСТ | Дополнительные технические требования. Смазка ОКБ 122-7. |
| 5-80203 С9 | ГОСТ | Смазка ЛЗ-31. |
| 50203-А | ГОСТ | Повышенная грузоподъемность. |
| 550703-М | ГОСТ | Модифицированный контакт.. |
| 6-180203 А1С17 | ГОСТ | Смазка Литол-24. Повышенная грузоподъемность. |
| 6-180203 А1С17Ш | ГОСТ | Смазка Литол-24. Повышенная грузоподъемность. Нормы шумности. |
| 6-180203 А1С9 | ГОСТ | Повышенная грузоподъемность. Смазка ЛЗ-31. |
| 6-180203 АК1С9 | ГОСТ | Повышенная грузоподъемность. Смазка ЛЗ-31. |
| 6-180203 АС17 | ГОСТ | Смазка Литол-24. Повышенная грузоподъемность. |
| 6-180203 АС9 | ГОСТ | Повышенная грузоподъемность. Смазка ЛЗ-31. |
| 6-180203 К1С17 | ГОСТ | Смазка Литол-24. |
Аналог шарикового подшипника 203-К — это подшипник такого же размера dx17,Dx40,Bx12, типа и конструкции.
| Обозначение | Конструктивные особенности | Внутренний (d) | Наружный (D) | Ширина (B) |
|---|---|---|---|---|
| 466203-АК11 | Шариковый радиально-упорный сдвоенный подшипник. Повышенная грузоподъемность. Штампованный сепаратор. | 17.00 | 40.00 | 12.00 |
| 5-32203 Д | Роликовый радиальный однорядный подшипник. Сепаратор из алюминиевого сплава.. | 17.00 | 40.00 | 12.00 |
| 5-36203 Е | Шариковый радиально-упорный однорядный подшипник. Сепаратор из текстолита.. | 17.00 | 40.00 | 12.00 |
| 5-36203 ЕТ2 | Шариковый радиально-упорный однорядный подшипник. Сепаратор из текстолита.. 200°. Температура отпуска. | 17.00 | 40.00 | 12.00 |
| 5-36203 К | Шариковый радиально-упорный однорядный подшипник. «Замок» (скос) на внутреннем кольце плюс массивный сепаратор из текстолита. | 17.00 | 40.00 | 12.00 |
| 5-36203 КБ1Т2 | Шариковый радиально-упорный однорядный подшипник. «Замок» (скос) на внутреннем кольце плюс массивный сепаратор из текстолита. 200°. Температура отпуска. Сепаратор из безоловянистой бронзы.. | 17.00 | 40.00 | 12.00 |
| 5-36203 КЕ | Шариковый радиально-упорный однорядный подшипник. «Замок» (скос) на внутреннем кольце плюс массивный сепаратор из текстолита. Сепаратор из текстолита.. | 17.00 | 40.00 | 12.00 |
| 5-36203 КЛ1 | Шариковый радиально-упорный однорядный подшипник. «Замок» (скос) на внутреннем кольце плюс массивный сепаратор из текстолита. Сепаратор из латуни.. | 17.00 | 40.00 | 12.00 |
| 5-36203 КЛ2 | Шариковый радиально-упорный однорядный подшипник. «Замок» (скос) на внутреннем кольце плюс массивный сепаратор из текстолита. Сепаратор из латуни.. | 17.00 | 40.00 | 12.00 |
| 5-42203 Р2 | Роликовый радиальный однорядный подшипник. Детали из теплоустойчивой (быстрорежущие) стали.. | 17.00 | 40.00 | 12.00 |
| 5-46203 Р | Шариковый радиально-упорный однорядный подшипник. Детали из теплоустойчивой (быстрорежущие) стали.. | 17.00 | 40.00 | 12.00 |
| 5-66203 К | Шариковый радиально-упорный однорядный подшипник. «Замок» (скос) на внутреннем кольце плюс массивный сепаратор из текстолита. | 17.00 | 40.00 | 12.00 |
| 55-32203 Б1 | Роликовый радиальный однорядный подшипник. Сепаратор из безоловянистой бронзы.. | 17.00 | 40.00 | 12.00 |
| 55-32203 Б2 | Роликовый радиальный однорядный подшипник. Сепаратор из безоловянистой бронзы.. | 17.00 | 40.00 | 12.00 |
| 55-32203 Б3 | Роликовый радиальный однорядный подшипник. Сепаратор из безоловянистой бронзы.. | 17.00 | 40.00 | 12.00 |
Способы доставки
Отправка через ведущие транспортные и курьерские компании: ПЭК, Деловые Линии, СДЭК, Байкал-Сервис, Энергия, КИТ, ЖелДорЭкспедиция.
Самовывоз возможен напрямую со склада в Москве.
Сроки доставки
Срок зависит от региона и выбранной транспортной компании. Все заказы комплектуются и отправляются в кратчайшие сроки со склада в Москве.
Надёжность и сохранность
Вся продукция упаковывается с учётом требований транспортировки. Мы гарантируем, что подшипники и комплектующие прибудут к заказчику в полной сохранности.
Доставка в страны ЕАЭС
Мы работаем с проверенными логистическими партнёрами, что позволяет оперативно доставлять заказы в Беларусь, Казахстан, Армению и другие страны ЕАЭС.
Варианты оплаты:
Минимальная сумма заказа и скидки:
Документы и гарантии:
Да, конечно! Наши технические специалисты готовы помочь вам с подбором точного аналога или замены подшипника. Просто позвоните нам по телефону +7 (495) 104-99-04 или напишите на почту zakaz@podsnab.ru.
Для оперативной консультации подготовьте, пожалуйста, имеющиеся данные: маркировку, размеры, тип оборудования или артикул старого подшипника.
Да, конечно! Мы высоко ценим долгосрочное сотрудничество и доверие клиентов по всей России. Для постоянных клиентов действует персональная система скидок.
Условия формируются индивидуально и зависят от:
Чтобы узнать свои условия и получить максимально выгодное предложение, свяжитесь с персональным менеджером или напишите нам на почту zakaz@podsnab.ru.
Вы можете оформить заказ несколькими способами:
Для оформления заказа от юридического лица свяжитесь с нашим отделом по работе с корпоративными клиентами по телефону +7 (495) 104-99-04 или напишите на email zakaz@podsnab.ru, прикрепив реквизиты вашей организации.
Мы оперативно подготовим коммерческое предложение и выставим счет.
Возврат товара надлежащего качества возможен в течение 10 дней с момента получения, если товар не был в употреблении, сохранен товарный вид, упаковка не вскрывалась и присутствуют все сопроводительные документы.
Возврат денежных средств осуществляется в течение 10 рабочих дней после проверки товара складом.
В соответствии с законодательством возврату не подлежат подшипники надлежащего качества, если отсутствует оригинальная упаковка или имеются следы монтажа.
В случае выявления брака или гарантийного случая мы гарантируем возврат или обмен товара.
Да, гарантийный срок хранения устанавливается заводом-изготовителем и в среднем составляет 2 года при соблюдении условий хранения: сухое помещение, оригинальная упаковка и смазка.
Точный срок для конкретного типа подшипника уточняйте у наших менеджеров.
Пн–Пт: с 8:00 до 17:00 (МСК).
Сб–Вс: выходные дни.
Заказы на сайте принимаются круглосуточно. Заявки, поступившие после окончания рабочего дня, обрабатываются на следующий рабочий день.
Минимальная сумма заказа для доставки составляет 3000 рублей. Самовывоз со склада возможен на любую сумму при наличии товара.
ООО «УралТехГрупп»
ИНН: 7415093830
КПП: 772401001
ОГРН: 1167456069021
Банк: ПАО Сбербанк
Р/с: 40702810838000475273
К/с: 30101810400000000225
БИК: 044525225
У подшипника 203-К пока нет отзывов. Вы можете стать первым покупателем, поделившимся своим мнением.